| |
 |
|
 |
Вернуться к выбору узлов мотора
ДЕТАЛИРОВКА ДЛЯ МОДЕЛИ: SUZUKI DF140WZX K9
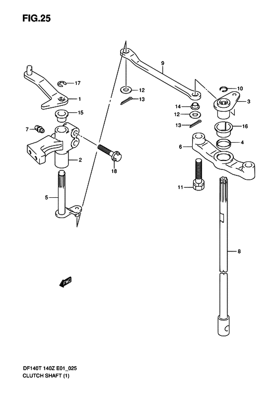
Сцепление Вал
Код модели двигателя: DF140(Z)TL/X; DF140W(Z)TL/X
Год выпуска двигателя: 2009
Регион: General Export No.1 ,Код региона: P01
Цвет: Shadow Black Metallic
Номер на рисунке | Артикул | Наименование | QTY | Кол-во на складе | Цена |
| 1 | 21110-90J02-000 | Рычаг сцепления - Lever, Clutch (Рукоятка муфты) | | 1 шт | 4230 руб. |
| 2 | 21151-90J01-000 | Держатель рычага сцепления - Holder, Clutch Lever (держатель рычага выключения сцепления) | | под заказ | 4080 руб. |
| 3 | 21210-90J01-000 | Сцепление Вал - Shaft, Clutch (Вал сцепления) | | 1 шт | 6630 руб. |
| 4 | 21221-90J00-000 | Втулка вала сцепления Держатель - Bush, Clutch Shaft Holder (Втулка держателя) | | 1 шт | 350 руб. |
| 5 | 21230-90J00-000 | Крышка вала сцепления - Arm, Clutch Shaft (Рычаг вала сцепления) | | 2 шт | 6580 руб. |
| 6 | 21311-90J00-000 | Держатель вала сцепления - Holder, Clutch Shaft (Держатель вала) | | под заказ | 3600 руб. |
| 7 | 22511-99010-000 | Ниппель смазки - Nipple, Grease | | под заказ | 340 руб. |
| 7 | 22511-99011-000 | (актуальный код замены) Ниппель смазки - Nipple, Grease | | 9 шт | 400 руб. |
| 7 | 22511-99011-000 | Ниппель смазки - Nipple, Grease (Ниппель) | | 9 шт | 400 руб. |
| 8 | 23111-90J01-000 | Тяга сцепления (l) - Rod, Clutch (l) | | под заказ | 7060 руб. |
| 8 | 23111-90J02-000 | (актуальный код замены) Тяга сцепления (l) - Rod, Clutch (l) | | 2 шт | 7990 руб. |
| 8 | 23111-90J02-000 | Тяга сцепления (l) - Rod, Clutch (l) (Штанга муфты) | | 2 шт | 7990 руб. |
| 8 | 23111-90J11-000 | Тяга сцепления (x) - Rod, Clutch (x) | | под заказ | 7400 руб. |
| 8 | 23111-90J12-000 | (актуальный код замены) Тяга сцепления (x) - Rod, Clutch (x) | | под заказ | 7400 руб. |
| 8 | 23111-90J12-000 | Тяга сцепления (x) - Rod, Clutch (x) (Штанга муфты) | | под заказ | 7400 руб. |
| 9 | 23115-90J00-000 | Тяга рычага сцепления - Link, Clutch Lever (Сустав муфты) | | под заказ | 0 руб. |
| 10 | 23117-90J00-000 | Запчасть снята с производства - The Spare Part Is Laid Off | | под заказ | 0 руб. |
| 11 | 09117-08071-000 | Болт (8x35) - Bolt (8x35) (Болт, 8X35) | | под заказ | 570 руб. |
| 12 | 09160-06094-000 | Шайба (6.5x15x1.0) - Washer (65x15x10) (Washer (6.5x15x1.5) # ) (Шайба 6.5X15X1) | | 5 шт | 120 руб. |
| 13 | 09204-01006-000 | Штифт - Pin (Pin, cotter # ) (Pin) | | 14 шт | 150 руб. |
| 14 | 09306-06004-000 | Втулка - Bush (Втулка ручки сцепления) | | 2 шт | 110 руб. |
| 15 | 09306-10001-000 | Втулка - Bush (Bush, clutch lever # ) (Втулка) | | 10 шт | 360 руб. |
| 16 | 09306-16004-000 | Втулка - Bush (Втулка сцепления) | | под заказ | 400 руб. |
| 17 | 09383-08004-000 | Уплотнительное кольцо - E Ring (E ring) | | 10 шт | 100 руб. |
| 18 | 01550-06307-000 | Болт - Bolt (Bolt (chrome)) | | 8 шт | 250 руб. |
Время выполнения запроса 0.70169878005981 сек. |
|