Купить комплектующие на лодочный подвесной мотор Suzuki - Трансмиссия
вконтакте

Контактный телефон: +7 (981) 121-46-93, +7 (800) 200-90-76 , Email: parts-katalog@yandex.ru, где купить

 
 

  Логин:

Пароль:

Регистрация

www.partskatalog.ru Все каталоги Запчасти Mercury Запчасти Suzuki Запчасти Tohatsu Запчасти Honda Контакты



УВАЖАЕМЫЕ КЛИЕНТЫ!
C 19 ДЕКАБРЯ 2025 ПО 02 МАРТА 2026 ГОДА ОТДЕЛ ЗАПЧАСТЕЙ И СЕРВИС РАБОТАТЬ НЕ БУДУТ
ПРОДАЖА ЛОДОЧНЫХ МОТОРОВ В ШТАТНОМ РЕЖИМЕ
ОБ ИЗМЕНЕНИЯХ В ГРАФИКЕ РАБОТЫ ЧИТАЙТЕ НА САЙТА



назад Раздел:   вперёд

Вернуться к выбору узлов мотора


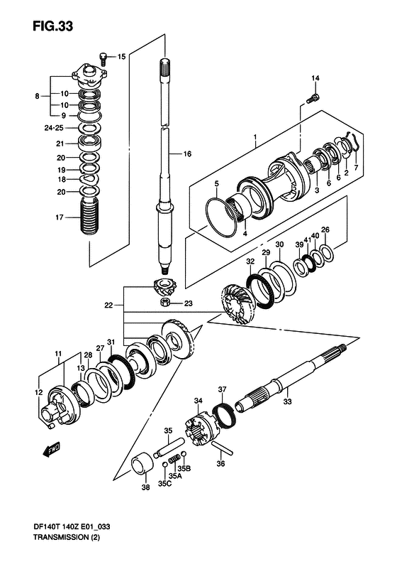
ДЕТАЛИРОВКА ДЛЯ МОДЕЛИ: SUZUKI DF140TL K9

Трансмиссия


Год выпуска двигателя: 2009

Номер на
рисунке
АртикулНаименованиеQTYКол-во
на складе
Цена
156120-92J11-0EP

Корпус подшипника вала гребного винта - Housing, Propeller Sft Brg (Обойма гребного вала (чёрный))

под заказ0 руб.
156120-92J12-0EP

Корпус подшипника вала гребного винта - Housing, Propeller Sft Brg (DF140Z:421023~ DF140WZ # ) (Обойма гребного вала (чёрный))

под заказ65760 руб.
256123-92J00-000

Шайба защитного сальника - Washer, Oil Seal Protector (Шайба, масляная помпа, протектор)

под заказ720 руб.
309263-30051-000

Подшипник (30x37x26) - Bearing (30x37x26) (Bearing (30x37x26))

14 шт3350 руб.
3F3026RNSK

   (подбор по маркировке) Подшипник NSK F-3026R(30*37*26 мм)

под заказ0
409263-50001-000

Подшипник (50x62x25) - Bearing (50x62x25) (Bearing # ) (Подшипник 50X62X25)

14 шт6040 руб.
509280-97001-000

Уплотнительное кольцо (d: 3.5, Id: 95) - O Ring (d:35, Id:95) (O ring (d:3.5, id:95.0) # ) (O ring)

7 шт390 руб.
609282-30007-000

Сальник (30x50x6) - Seal, Oil (30x50x6) (Сальник)

200 шт870 руб.
709387-52001-000

Установочное кольцо - Set, Ring (Комплект колец)

9 шт290 руб.
856130-90J00-000

Корпус вала передачи Сальник - Housing, Drive Shaft Oil Seal (Корпус торсионного вала)

2 шт8390 руб.
909280-46004-000

Уплотнительное кольцо (d: 3.5, Id: 45.7) - O Ring (d:35, Id:457) (Кольцо D:3.5 ID)

4 шт300 руб.
9SK09280-46004

   (не оригинальный аналог) Кольцо уплотнительное ведущего вала Skipper для Suzuki Модель техники: DF60-70, DF90-140, DF40A-DF140A

0 шт64 руб.
1009282-24004-000

Сальник (24x40x7) - Seal, Oil (24x40x7) (Oil seal # ) (Сальник)

76 шт870 руб.
1009282-24008-000

   (актуальный код замены) Сальник (24x40x7) - Seal, Oil (24x40x7)

76 шт700 руб.
10SK09282-24004

   (не оригинальный аналог) Сальник ведущего вала Skipper для Suzuki Модели техники: DF90-350HP

0 шт176 руб.
1156140-92J10-000

Корпус подшипника шестерни обратного хода - Housing, Rev Gear Bearing

под заказ23620 руб.
1156140-92J30-000

   (актуальный код замены) Корпус подшипника шестерни обратного хода - Housing, Rev Gear Bearing

2 шт23620 руб.
1156140-92J30-000

Корпус подшипника шестерни обратного хода - Housing, Rev Gear Bearing (Обойма)

2 шт23620 руб.
1156140-92J30-000

Корпус подшипника шестерни обратного хода - Housing, Rev Gear Bearing (DF140Z/WZ:680234~ # ) (Обойма)

2 шт23620 руб.
1209206-09012-000

Штифт (7.4x9x10) - Pin (74x9x10) (Pin, knock # ) (Pin)

8 шт270 руб.
1309263-45004-000

Подшипник (45x52x16) - Bearing (45x52x16) (Bearing (45x52x16))

7 шт2740 руб.
13HK4616NTN

   (подбор по маркировке) Подшипник NTN HK 4616(45*52*16 мм)

под заказ0
1409117-08047-000

Болт (8x30) - Bolt (8x30) (Болт 8X30)

10 шт520 руб.
1509117-08057-000

Болт (8x25) - Bolt (8x25)

под заказ400 руб.
1509117-08110-000

   (актуальный код замены) Болт (8x25) - Bolt (8x25)

под заказ400 руб.
1509117-08110-000

Болт (8x25) - Bolt (8x25) (Bolt (8x25))

под заказ400 руб.
1657110-90J20-000

Вал привода (l) - Shaft, Drive (l) (Shaft assy, drive (l) # ) (Вал ведущий)

3 шт110880 руб.
1657110-90J30-000

Вал привода (x) - Shaft, Drive (x) (Shaft assy, drive (ul) # ) (Вал ведущий)

под заказ0 руб.
1657110-92J20-000

Вал привода (l) - Shaft, Drive (l) (MODEL:04~06 # )

под заказ54720 руб.
1657110-92J60-000

   (актуальный код замены) Вал привода (l) - Shaft, Drive (l)

2 шт55200 руб.
1657110-92J60-000

Вал привода (l) - Shaft, Drive (l) (Shaft, drive (l))

2 шт55200 руб.
1657110-92J30-000

Вал привода (x) - Shaft, Drive (x) (MODEL:04~06 # )

под заказ63840 руб.
1657110-92J70-000

   (актуальный код замены) Вал привода (x) - Shaft, Drive (x)

2 шт63840 руб.
1657110-92J70-000

Вал привода (x) - Shaft, Drive (x) (Shaft, drive (x))

2 шт63840 руб.
1657110-92J41-000

Вал привода (l) - Shaft, Drive (l) (DF140Z/WZ:680234~ # )

под заказ54720 руб.
1657110-92J60-000

   (актуальный код замены) Вал привода (l) - Shaft, Drive (l)

2 шт55200 руб.
1657110-92J60-000

Вал привода (l) - Shaft, Drive (l) (Shaft, drive (l))

2 шт55200 руб.
1657110-92J51-000

Вал привода (x) - Shaft, Drive (x) (DF140Z/WZ:680234~ # )

под заказ63840 руб.
1657110-92J70-000

   (актуальный код замены) Вал привода (x) - Shaft, Drive (x)

2 шт63840 руб.
1657110-92J70-000

Вал привода (x) - Shaft, Drive (x) (Shaft, drive (x))

2 шт63840 руб.
1757133-90J01-000

Воротник приводного вала - Collar, Drive Shaft

под заказ1480 руб.
1757133-90J02-000

   (актуальный код замены) Воротник приводного вала - Collar, Drive Shaft

6 шт1480 руб.
1757133-90J02-000

Воротник приводного вала - Collar, Drive Shaft (Collar, drive shaft)

6 шт1480 руб.
1809164-31001-000

Шайба - Washer (MODEL:02, 03 # ) (Шайба)

176 шт450 руб.
1909169-31001-000

Шайба - Washer (MODEL:02, 03 # ) (Шайба)

4 шт430 руб.
2009181-31001-000

Регулировочная шайба (31x46x2) - Shim (31x46x2) (MODEL:02, 03 # ) (Шайба)

41 шт420 руб.
2109265-25040-000

Подшипник (25x52x19.25) - Bearing (25x52x1925)

под заказ7200 руб.
2109265-25046-000

   (актуальный код замены) Подшипник (25x52x19.25) - Bearing (25x52x19.25)

10 шт7810 руб.
2132205XRKOYO

   (подбор по маркировке) Подшипник KOYO 32205XR(25*52*18 мм)

под заказ725 руб.
2109265-25046-000

Подшипник (25x52x19.25) - Bearing (25x52x1925) (Bearing (25x52x19.25))

10 шт7810 руб.
2132205XRKOYO

   (подбор по маркировке) Подшипник KOYO 32205XR(25*52*18 мм)

под заказ725 руб.
2257300-92810-000

Комплект шестерёнок - Pinion & Gear Set (Набор шестерен)

под заказ122400 руб.
2257300-92830-000

Комплект шестерёнок - Pinion & Gear Set (DF140Z/WZ:680234~ # ) (Набор шестерен)

под заказ122400 руб.
2257300-92850-000

Комплект шестерёнок - Pinion & Gear Set (MODEL:07~ # ) (Набор шестерен)

под заказ122400 руб.
2309140-14021-000

Гайка - Nut (DF140Z:251009~ DF140WZ # ) (Гайка)

2 шт320 руб.
2309140-14024-000

Гайка - Nut (MODEL:07~ # ) (Гайка)

18 шт270 руб.
2457500-87873-000

Комплект регулировочных шайб приводного вала - Shim Set, Drive Shaft (Набор шайб)

8 шт6280 руб.
2509181-40186-000

Регулировочная шайба (41x52x0.5) - Shim (41x52x05) (Shim (t:0.50) # ) (Shim)

7 шт280 руб.
2509181-40190-000

Регулировочная шайба (40x52x0.8) - Shim (40x52x08) (Shim (t:0.80) # ) (Шайба T:0.8)

4 шт280 руб.
2509181-40195-000

Регулировочная шайба (40x52x1) - Shim (40x52x1) (Shim (t:1.00) # ) (Шайба T:1.0)

11 шт420 руб.
2509181-41002-000

Регулировочная шайба (41x52x0.55) - Shim (41x52x055) (Shim (t:0.55))

под заказ470 руб.
2509181-41003-000

Регулировочная шайба (41x52x0.6) - Shim (41x52x06) (Shim (t:0.60) # ) (Шайба 41X52X0.6)

2 шт470 руб.
2509181-41004-000

Регулировочная шайба (41x52x0.65) - Shim (41x52x065) (Shim (t:0.65) # ) (Шайба 41X52X0.65)

17 шт470 руб.
2509181-41005-000

Регулировочная шайба (41x52x0.7) - Shim (41x52x07) (Shim (t:0.70) # ) (Шайба 41X52X0.7)

7 шт470 руб.
2509181-41006-000

Регулировочная шайба (41x52x0.75) - Shim (41x52x075) (Shim (t:0.75) # ) (Шайба 41X52X0.75)

9 шт470 руб.
2509181-41008-000

Регулировочная шайба (41x52x0.85) - Shim (41x52x085) (Shim (t:0.85) # ) (Шайба 41X52X0.85)

под заказ470 руб.
2509181-41009-000

Регулировочная шайба (41x52x0.9) - Shim (41x52x09) (Shim (t:0.90) # ) (Шайба 41X52X0.9)

под заказ470 руб.
2509181-41010-000

Регулировочная шайба (41x52x0.95) - Shim (41x52x095) (Shim (t:0.95) # ) (Шайба 41X52X0.95)

под заказ470 руб.
2509181-41012-000

Регулировочная шайба (41x52x1.05) - Shim (41x52x105) (Shim (t:1.05) # ) (Шайба 41X52X1.05)

под заказ470 руб.
2509181-41013-000

Регулировочная шайба (41x52x1.1) - Shim (41x52x11) (Shim (t:1.10) # ) (Шайба 41X52X1.1)

под заказ470 руб.
2509181-41014-000

Регулировочная шайба (41x52x1.15) - Shim (41x52x115) (Shim (t:1.15) # ) (Шайба 41X52X1.15)

под заказ470 руб.
2609160-35002-000

Шайба (35x46x1) - Washer (35x46x1) (Шайба)

под заказ240 руб.
2609160-35003-000

Шайба (35x46x1.1) - Washer (35x46x11) (Шайба)

под заказ300 руб.
2609160-35006-000

Шайба (35x46x0.9) - Washer (35x46x09) (Шайба)

под заказ250 руб.
2609160-35008-000

Шайба (35x46x0.95) - Washer (35x46x095) (Washer (35x46x0.95) # ) (Shim (t:0.95))

под заказ300 руб.
2609160-35009-000

Шайба (35x46x1.05) - Washer (35x46x105) (Шайба)

под заказ300 руб.
2609160-35010-000

Шайба (35x46x1.15) - Washer (35x46x115) (Шайба)

под заказ290 руб.
2609160-35013-000

Шайба (35x46x0.8) - Washer (35x46x08) (Шайба)

под заказ500 руб.
2609160-35014-000

Шайба (35x46x0.7) - Washer (35x46x07) (Шайба)

под заказ500 руб.
2609160-35015-000

Шайба (35x46x0.6) - Washer (35x46x06) (PROP SAFT REV # ) (Шайба)

под заказ500 руб.
2709160-60011-000

Шайба (60x85x3) - Washer (60x85x3) (REV GEAR # ) (Шайба)

под заказ4780 руб.
2809160-60003-000

Шайба (60x85x1) - Washer (60x85x1) (Washer (60x85x1.0) # ) (Шайба)

под заказ1550 руб.
2809160-60004-000

Шайба (60x85x1.1) - Washer (60x85x11) (Washer (60x85x1.1) # ) (Шайба)

под заказ1550 руб.
2809160-60005-000

Шайба (60x85x1.2) - Washer (60x85x12) (Washer (60x85x1.2) # ) (Шайба)

под заказ1550 руб.
2809160-60006-000

Шайба (60x85x1.3) - Washer (60x85x13) (Washer (60x85x1.3) # ) (Шайба)

под заказ1550 руб.
2809160-60007-000

Шайба (60x85x1.4) - Washer (60x85x14) (Washer (60x85x1.4) # ) (Шайба)

под заказ1550 руб.
2809160-60008-000

Шайба (60x85x0.8) - Washer (60x85x08) (Washer (60x85x0.8) # ) (Шайба)

под заказ1140 руб.
2809160-60009-000

Шайба (60x85x0.9) - Washer (60x85x09) (Washer (60x85x0.9) # ) (Шайба)

под заказ1140 руб.
2909160-70004-000

Шайба (70x95x3.7) - Washer (70x95x37) (FWD GEAR # ) (Шайба)

под заказ0 руб.
2909160-70005-000

Шайба (70x95x2) - Washer (70x95x2) (FWD GEAR DF140Z:421023~ DF140WZ # ) (Шайба)

под заказ3200 руб.
3009181-70001-000

Регулировочная шайба (70x95x0.7) - Shim (70x95x07) (Shim (70x95x0.7) # ) (Shim)

под заказ520 руб.
3009181-70002-000

Регулировочная шайба (70x95x0.8) - Shim (70x95x08) (Shim (70x95x0.8) # ) (Shim)

8 шт520 руб.
3009181-70003-000

Регулировочная шайба (70x95x0.9) - Shim (70x95x09) (Shim (70x95x0.9) # ) (Shim)

под заказ520 руб.
3009181-70004-000

Регулировочная шайба (70x95x1) - Shim (70x95x1) (Shim (70x95x1.0) # ) (Shim)

7 шт520 руб.
3009181-70006-000

Регулировочная шайба (70x95x0.6) - Shim (70x95x06) (Shim (70x95x0.6) # ) (Shim)

9 шт590 руб.
3009181-70009-000

Регулировочная шайба (70x95x0.65) - Shim (70x95x065) (Shim (70x95x0.65) # ) (Шайба (70X95X0.65))

под заказ700 руб.
3009181-70010-000

Регулировочная шайба (70x95x0.75) - Shim (70x95x075) (Shim (70x95x0.75) # ) (Шайба (70X95X0.75))

19 шт700 руб.
3009181-70011-000

Регулировочная шайба (70x95x0.85) - Shim (70x95x085) (Shim (70x95x0.85) # ) (Шайба (70X95X0.85))

под заказ700 руб.
3009181-70012-000

Регулировочная шайба (70x95x0.95) - Shim (70x95x095) (Shim (70x95x0.95) # ) (Шайба (70X95X0.95))

под заказ1110 руб.
3109269-60001-000

Подшипник (60x85x3) - Bearing (60x85x3) (Bearing (60x85x3.0) # REV # ) (Подшипник 60X85X3)

под заказ3650 руб.
3209269-70001-000

Подшипник (70x95x4) - Bearing (70x95x4) (Bearing # FWD # ) (Подшипник 70X95X4)

7 шт6520 руб.
3357610-92J10-000

Вал гребного винта - Shaft, Propeller

под заказ132960 руб.
3357610-92J11-000

   (актуальный код замены) Вал гребного винта - Shaft, Propeller

под заказ132960 руб.
3357610-92J11-000

Вал гребного винта - Shaft, Propeller (Гребной вал)

под заказ132960 руб.
3357610-92J30-000

Вал гребного винта - Shaft, Propeller (DF140Z/WZ:680234~ # )

под заказ47760 руб.
3357610-92J31-000

   (актуальный код замены) Вал гребного винта - Shaft, Propeller

3 шт47760 руб.
3357610-92J31-000

Вал гребного винта - Shaft, Propeller (Гребной вал)

3 шт47760 руб.
3357610-92J31-000

Вал гребного винта - Shaft, Propeller (MODEL:08~ # ) (Гребной вал)

3 шт47760 руб.
3457621-92J00-000

Переключатель собачки сцепления - Shifter, Clutch Dog (Переключатель)

1 шт18000 руб.
3457621-92J10-000

Переключатель собачки сцепления - Shifter, Clutch Dog (DF140Z/WZ:680234~ # )

под заказ13590 руб.
3457621-92J20-000

   (актуальный код замены) Переключатель собачки сцепления - Shifter, Clutch Dog

1 шт16220 руб.
3457621-92J20-000

Переключатель собачки сцепления - Shifter, Clutch Dog (SHIFTER, CLUTCH DOG)

1 шт16220 руб.
3557631-87E00-000

Штифт коннектора - Pin, Connector (Rod, push # ) (Штанга)

5 шт2600 руб.
3557631-92J00-000

Штифт коннектора - Pin, Connector (Rod, push # DF140Z/WZ:680234~ # ) (Штифт соединяющий)

под заказ2300 руб.
3557631-92J10-000

   (актуальный код замены) Штифт коннектора - Pin, Connector

6 шт2300 руб.
3509440-09040-000

Пружина - Spring (DF140Z/WZ:680234~ # ) (Пружина)

14 шт280 руб.
3506111-07004-000

Шарик - Ball (DF140Z/WZ:680234~ # ) (Шарик-защёлка №1)

19 шт100 руб.
3506111-11004-000

Шарик - Ball (DF140Z/WZ:680234~ # ) (Шарик-защёлка №2)

29 шт150 руб.
3609202-07002-000

Штифт (7x48) - Pin (7x48) (Pin)

9 шт480 руб.
3709440-49004-000

Пружина - Spring (MODEL:03~ # ) (Пружина)

10 шт270 руб.
3709440-50002-000

Пружина - Spring (Пружина)

14 шт310 руб.
3857616-92J00-000

Прокладка собачки сцепления переднего хода - Spacer, Clutch Dog Forward (Прокладка муфты)

под заказ5480 руб.
3909160-30055-000

Шайба (30x47x6) - Washer (30x47x6) (Washer (30x47x6.0) # PROP SAFT REV # ) (Шайба пропеллера (30X47X6))

под заказ8210 руб.
4009160-30056-000

Шайба (32x47x3) - Washer (32x47x3) (Washer (32x47x3.0) # PROP SAFT REV # ) (Шайба пропеллера (32X47X3))

под заказ2500 руб.
4109269-30014-000

Подшипник (30x47x2) - Bearing (30x47x2) (Bearing (30x47x2.0) # PROP SAFT REV # ) (Подшипник опоры вала пропеллера)

1 шт1320 руб.

Подбор шестеренок на Suzuki 140 л.с. правое вращение

Код по каталогуСтоимостьНаличиеВероятностьГод
57300-92860-00072960 руб.под заказ100 %2017
57300-92862-00074880 руб.4 шт100 %2015
57300-92840-00072960 руб.под заказ90 %2008
57300-92840-00072960 руб.под заказ80 %2007
57300-92820-00096960 руб.8 шт50 %2006
57300-92801-00088940 руб.7 шт30 %2006
57300-92801-00088940 руб.7 шт100 %2005
57300-92801-00088940 руб.7 шт100 %2004
57300-92801-00088940 руб.7 шт100 %2003
57300-92800-00096960 руб.под заказ100 %2002


Время выполнения запроса 2.4937250614166 сек.

 
 

данный сайт носит информационный характер и не является публичной офертой

склад запчастей для водомоторной техники