Найти запчасти на лодочный подвесной мотор Сузуки - Трансмиссия
вконтакте

Контактный телефон: +7 (981) 121-46-93, +7 (800) 200-90-76 , Email: parts-katalog@yandex.ru, где купить

 
 

  Логин:

Пароль:

Регистрация

www.partskatalog.ru Все каталоги Запчасти Mercury Запчасти Suzuki Запчасти Tohatsu Запчасти Honda Контакты



УВАЖАЕМЫЕ КЛИЕНТЫ!
C 19 ДЕКАБРЯ 2025 ПО 02 МАРТА 2026 ГОДА ОТДЕЛ ЗАПЧАСТЕЙ И СЕРВИС РАБОТАТЬ НЕ БУДУТ
ПРОДАЖА ЛОДОЧНЫХ МОТОРОВ В ШТАТНОМ РЕЖИМЕ
ОБ ИЗМЕНЕНИЯХ В ГРАФИКЕ РАБОТЫ ЧИТАЙТЕ НА САЙТА



назад Раздел:   вперёд

Вернуться к выбору узлов мотора


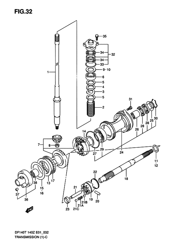
ДЕТАЛИРОВКА ДЛЯ МОДЕЛИ: SUZUKI DF140ZX K10

Трансмиссия


Год выпуска двигателя: 2010

Номер на
рисунке
АртикулНаименованиеQTYКол-во
на складе
Цена
157110-90J20-000

Вал привода (l) - Shaft, Drive (l) (Shaft assy, drive (l) # <-57110-90J00 # ) (Вал ведущий)

3 шт110880 руб.
157110-90J30-000

Вал привода (x) - Shaft, Drive (x) (Shaft assy, drive (ul) # <-57110-90J10 # ) (Вал ведущий)

под заказ0 руб.
157110-92J20-000

Вал привода (l) - Shaft, Drive (l) (MODEL:04~06 # )

под заказ54720 руб.
157110-92J60-000

   (актуальный код замены) Вал привода (l) - Shaft, Drive (l)

2 шт55200 руб.
157110-92J60-000

Вал привода (l) - Shaft, Drive (l) (Shaft, drive (l))

2 шт55200 руб.
157110-92J30-000

Вал привода (x) - Shaft, Drive (x) (MODEL:04~06 # )

под заказ63840 руб.
157110-92J70-000

   (актуальный код замены) Вал привода (x) - Shaft, Drive (x)

2 шт63840 руб.
157110-92J70-000

Вал привода (x) - Shaft, Drive (x) (Shaft, drive (x))

2 шт63840 руб.
157110-92J41-000

Вал привода (l) - Shaft, Drive (l) (DF140T/WT:682149~ # )

под заказ54720 руб.
157110-92J60-000

   (актуальный код замены) Вал привода (l) - Shaft, Drive (l)

2 шт55200 руб.
157110-92J60-000

Вал привода (l) - Shaft, Drive (l) (Shaft, drive (l))

2 шт55200 руб.
157110-92J51-000

Вал привода (x) - Shaft, Drive (x) (DF140T/WT:682149~ # )

под заказ63840 руб.
157110-92J70-000

   (актуальный код замены) Вал привода (x) - Shaft, Drive (x)

2 шт63840 руб.
157110-92J70-000

Вал привода (x) - Shaft, Drive (x) (Shaft, drive (x))

2 шт63840 руб.
257133-90J01-000

Воротник приводного вала - Collar, Drive Shaft

под заказ1480 руб.
257133-90J02-000

   (актуальный код замены) Воротник приводного вала - Collar, Drive Shaft

6 шт1480 руб.
257133-90J02-000

Воротник приводного вала - Collar, Drive Shaft (Collar, drive shaft)

6 шт1480 руб.
309164-31001-000

Шайба - Washer (MODEL:02, 03 # ) (Шайба)

176 шт450 руб.
409169-31001-000

Шайба - Washer (MODEL:02, 03 # ) (Шайба)

4 шт430 руб.
509181-31001-000

Регулировочная шайба (31x46x2) - Shim (31x46x2) (MODEL:02, 03 # ) (Шайба)

41 шт420 руб.
609265-25040-000

Подшипник (25x52x19.25) - Bearing (25x52x1925)

под заказ7200 руб.
609265-25046-000

   (актуальный код замены) Подшипник (25x52x19.25) - Bearing (25x52x19.25)

10 шт7810 руб.
632205XRKOYO

   (подбор по маркировке) Подшипник KOYO 32205XR(25*52*18 мм)

под заказ725 руб.
609265-25046-000

Подшипник (25x52x19.25) - Bearing (25x52x1925) (Bearing (25x52x19.25))

10 шт7810 руб.
632205XRKOYO

   (подбор по маркировке) Подшипник KOYO 32205XR(25*52*18 мм)

под заказ725 руб.
757300-92801-000

Комплект шестерёнок - Pinion & Gear Set (Набор шестерен)

7 шт88940 руб.
757300-92820-000

Комплект шестерёнок - Pinion & Gear Set (DF140T/WT:682149~ # ) (Набор шестерен)

8 шт96960 руб.
757300-92840-000

Комплект шестерёнок - Pinion & Gear Set (MODEL:07~ # )

под заказ72960 руб.
757300-92862-000

   (актуальный код замены) Комплект шестерёнок - Pinion & Gear Set

4 шт74880 руб.
757300-92860-000

Комплект шестерёнок - Pinion & Gear Set (Pinion / gear set)

под заказ72960 руб.
757300-92862-000

   (актуальный код замены) Комплект шестерёнок - Pinion & Gear Set

4 шт74880 руб.
809140-14021-000

Гайка - Nut (Гайка)

2 шт320 руб.
809140-14024-000

Гайка - Nut (MODEL:07~ # ) (Гайка)

18 шт270 руб.
957500-87873-000

Комплект регулировочных шайб приводного вала - Shim Set, Drive Shaft (Набор шайб)

8 шт6280 руб.
1009181-40186-000

Регулировочная шайба (41x52x0.5) - Shim (41x52x05) (Shim (t:0.50) # ) (Shim)

7 шт280 руб.
1009181-40190-000

Регулировочная шайба (40x52x0.8) - Shim (40x52x08) (Shim (t:0.80) # ) (Шайба T:0.8)

4 шт280 руб.
1009181-40195-000

Регулировочная шайба (40x52x1) - Shim (40x52x1) (Shim (t:1.00) # ) (Шайба T:1.0)

11 шт420 руб.
1009181-41002-000

Регулировочная шайба (41x52x0.55) - Shim (41x52x055) (Shim (t:0.55))

под заказ470 руб.
1009181-41003-000

Регулировочная шайба (41x52x0.6) - Shim (41x52x06) (Shim (t:0.60) # ) (Шайба 41X52X0.6)

2 шт470 руб.
1009181-41004-000

Регулировочная шайба (41x52x0.65) - Shim (41x52x065) (Shim (t:0.65) # ) (Шайба 41X52X0.65)

17 шт470 руб.
1009181-41005-000

Регулировочная шайба (41x52x0.7) - Shim (41x52x07) (Shim (t:0.70) # ) (Шайба 41X52X0.7)

7 шт470 руб.
1009181-41006-000

Регулировочная шайба (41x52x0.75) - Shim (41x52x075) (Shim (t:0.75) # ) (Шайба 41X52X0.75)

9 шт470 руб.
1009181-41008-000

Регулировочная шайба (41x52x0.85) - Shim (41x52x085) (Shim (t:0.85) # ) (Шайба 41X52X0.85)

под заказ470 руб.
1009181-41009-000

Регулировочная шайба (41x52x0.9) - Shim (41x52x09) (Shim (t:0.90) # ) (Шайба 41X52X0.9)

под заказ470 руб.
1009181-41010-000

Регулировочная шайба (41x52x0.95) - Shim (41x52x095) (Shim (t:0.95) # ) (Шайба 41X52X0.95)

под заказ470 руб.
1009181-41012-000

Регулировочная шайба (41x52x1.05) - Shim (41x52x105) (Shim (t:1.05) # ) (Шайба 41X52X1.05)

под заказ470 руб.
1009181-41013-000

Регулировочная шайба (41x52x1.1) - Shim (41x52x11) (Shim (t:1.10) # ) (Шайба 41X52X1.1)

под заказ470 руб.
1009181-41014-000

Регулировочная шайба (41x52x1.15) - Shim (41x52x115) (Shim (t:1.15) # ) (Шайба 41X52X1.15)

под заказ470 руб.
1157500-87861-000

Комплект регулировочных шайб реверса вала гребного винта - Shim Set, Reverse Prop Shaft (Washer set, rev prop shaft # ) (Комплект шайб)

5 шт3830 руб.
1208211-30382-000

Шайба - Washer (Thrust washer (t:1.5))

под заказ240 руб.
1209160-30036-000

Шайба (30x38x1.7) - Washer (30x38x17) (Шайба, T:1.7)

4 шт340 руб.
1209160-30037-000

Шайба (30x38x1.9) - Washer (30x38x19) (Washer (30x38x1.9) # ) (Шайба, T:1.9)

под заказ340 руб.
1209160-30038-000

Шайба (30x38x2.1) - Washer (30x38x21) (Шайба, T:2.1)

4 шт450 руб.
1209160-30039-000

Шайба (30x38x2.3) - Washer (30x38x23) (Шайба, T:2.3)

4 шт340 руб.
1209160-30041-000

Шайба (30x38x2.4) - Washer (30x38x24) (Washer (t:2.4) # ) (Шайба 30X38X2.)

6 шт410 руб.
1209160-30042-000

Шайба (30x38x2.6) - Washer (30x38x26) (Washer (t:2.6) # ) (Шайба 30X38X2.)

под заказ410 руб.
1209160-30043-000

Шайба (30x38x2.7) - Washer (30x38x27) (Washer (t:2.7) # ) (Шайба 30X38X2.)

7 шт410 руб.
1209160-30044-000

Шайба (30x38x2.8) - Washer (30x38x28) (Washer (t:2.8) # ) (Шайба 30X38X2.)

под заказ410 руб.
1309160-70002-000

Шайба (70x95x5.25) - Washer (70x95x525) (Washer (70x95x5.25) # FWD GEAR # ) (Шайба)

8 шт4370 руб.
1409181-45003-000

Регулировочная шайба (45x56x1) - Shim (45x56x1) (Shim (t:1.0) # REV GEAR # ) (Shim)

8 шт370 руб.
1409181-45004-000

Регулировочная шайба (45x56x1.1) - Shim (45x56x11) (Shim (t:1.1) # REV GEAR # ) (Shim)

8 шт350 руб.
1409181-45005-000

Регулировочная шайба (45x56x1.2) - Shim (45x56x12) (Shim (t:1.2) # REV GEAR # ) (Shim)

6 шт350 руб.
1409181-45006-000

Регулировочная шайба (45x56x1.3) - Shim (45x56x13) (Shim (t:1.3) # REV GEAR # ) (Shim)

9 шт370 руб.
1409181-45007-000

Регулировочная шайба (45x56x1.4) - Shim (45x56x14) (Shim (t:1.4) # REV GEAR # ) (Shim)

4 шт350 руб.
1409181-45008-000

Регулировочная шайба (45x56x1.5) - Shim (45x56x15) (Shim (t:1.5) # REV GEAR # ) (Shim)

19 шт370 руб.
1409181-45009-000

Регулировочная шайба (45x56x1.6) - Shim (45x56x16) (Shim (t:1.6) # REV GEAR # ) (Shim)

5 шт350 руб.
1557500-92813-000

Комплект регулировочных шайб шестерни переднего хода - Shim Set, Forward Gear (FWD GEAR # ) (Набор шайб)

5 шт9650 руб.
1609181-70001-000

Регулировочная шайба (70x95x0.7) - Shim (70x95x07) (Shim (70x95x0.7) # FWD GEAR # ) (Shim)

под заказ520 руб.
1609181-70002-000

Регулировочная шайба (70x95x0.8) - Shim (70x95x08) (Shim (70x95x0.8) # FWD GEAR # ) (Shim)

8 шт520 руб.
1609181-70003-000

Регулировочная шайба (70x95x0.9) - Shim (70x95x09) (Shim (70x95x0.9) # FWD GEAR # ) (Shim)

под заказ520 руб.
1609181-70004-000

Регулировочная шайба (70x95x1) - Shim (70x95x1) (Shim (70x95x1.0) # FWD GEAR # ) (Shim)

7 шт520 руб.
1609181-70006-000

Регулировочная шайба (70x95x0.6) - Shim (70x95x06) (Shim (70x95x0.6) # FWD GEAR # ) (Shim)

9 шт590 руб.
1609181-70009-000

Регулировочная шайба (70x95x0.65) - Shim (70x95x065) (Shim (70x95x0.65) # FWD GEAR # ) (Шайба (70X95X0.65))

под заказ700 руб.
1609181-70010-000

Регулировочная шайба (70x95x0.75) - Shim (70x95x075) (Shim (70x95x0.75) # FWD GEAR # ) (Шайба (70X95X0.75))

19 шт700 руб.
1609181-70011-000

Регулировочная шайба (70x95x0.85) - Shim (70x95x085) (Shim (70x95x0.85) # FWD GEAR # ) (Шайба (70X95X0.85))

под заказ700 руб.
1609181-70012-000

Регулировочная шайба (70x95x0.95) - Shim (70x95x095) (Shim (70x95x0.95) # FWD GEAR # ) (Шайба (70X95X0.95))

под заказ1110 руб.
1709269-70001-000

Подшипник (70x95x4) - Bearing (70x95x4) (Bearing # ) (Подшипник 70X95X4)

7 шт6520 руб.
1857610-92J00-000

Вал гребного винта - Shaft, Propeller (Гребной вал)

3 шт51360 руб.
1857610-92J20-000

Вал гребного винта - Shaft, Propeller (DF140T/WT:682149~ # ) (Гребной вал)

2 шт39340 руб.
1957621-92J00-000

Переключатель собачки сцепления - Shifter, Clutch Dog (Переключатель)

1 шт18000 руб.
1957621-92J10-000

Переключатель собачки сцепления - Shifter, Clutch Dog (DF140T/WT:682149~ # )

под заказ13590 руб.
1957621-92J20-000

   (актуальный код замены) Переключатель собачки сцепления - Shifter, Clutch Dog

1 шт16220 руб.
1957621-92J20-000

Переключатель собачки сцепления - Shifter, Clutch Dog (SHIFTER, CLUTCH DOG)

1 шт16220 руб.
2009202-07002-000

Штифт (7x48) - Pin (7x48) (Pin)

9 шт480 руб.
2157631-87E00-000

Штифт коннектора - Pin, Connector (Rod, push # ) (Штанга)

5 шт2600 руб.
2157631-92J00-000

Штифт коннектора - Pin, Connector (Rod, push # DF140T/WT:682149~ # ) (Штифт соединяющий)

под заказ2300 руб.
2157631-92J10-000

   (актуальный код замены) Штифт коннектора - Pin, Connector

6 шт2300 руб.
2109440-09040-000

Пружина - Spring (DF140T/WT:682149~ # ) (Пружина)

14 шт280 руб.
2106111-07004-000

Шарик - Ball (DF140T/WT:682149~ # ) (Шарик-защёлка №1)

19 шт100 руб.
2106111-11004-000

Шарик - Ball (DF140T/WT:682149~ # ) (Шарик-защёлка №2)

29 шт150 руб.
2209440-49004-000

Пружина - Spring (MODEL:03~ # ) (Пружина)

10 шт270 руб.
2209440-50002-000

Пружина - Spring (Пружина)

14 шт310 руб.
2357616-90J00-000

Прокладка собачки сцепления переднего хода - Spacer, Clutch Dog Forward (Прокладка муфты)

4 шт1680 руб.
2456120-92J01-0EP

Корпус подшипника вала гребного винта (bla) - Housing, Propeller Sft Brg (bla) (Обойма гребного вала (чёрный))

2 шт50400 руб.
24SK56120-92J01-0EP

   (не оригинальный аналог) Обойма гребного вала в сборе Skipper для Suzuki DF100A-140A, DF115-140

0 шт13206 руб.
2556123-92J00-000

Шайба защитного сальника - Washer, Oil Seal Protector (Шайба, масляная помпа, протектор)

под заказ720 руб.
2609263-30051-000

Подшипник (30x37x26) - Bearing (30x37x26) (Bearing (30x37x26))

14 шт3350 руб.
26F3026RNSK

   (подбор по маркировке) Подшипник NSK F-3026R(30*37*26 мм)

под заказ0
2709280-97001-000

Уплотнительное кольцо (d: 3.5, Id: 95) - O Ring (d:35, Id:95) (O ring (d:3.5, id:95.0) # ) (O ring)

7 шт390 руб.
2809282-30007-000

Сальник (30x50x6) - Seal, Oil (30x50x6) (Сальник)

200 шт870 руб.
2908113-62090-000

Подшипник - Bearing (Bearing # ) (Подшипник B1 45X85X19)

35 шт5860 руб.
29HQ6209LLUC3KYK

   (подбор по маркировке) Подшипник KYK HQ6209LLUC3(45*85*19 мм)

под заказ1400 руб.
3009387-52001-000

Установочное кольцо - Set, Ring (Комплект колец)

9 шт290 руб.
3109117-08047-000

Болт (8x30) - Bolt (8x30) (Болт 8X30)

10 шт520 руб.
3256130-90J00-000

Корпус вала передачи Сальник - Housing, Drive Shaft Oil Seal (Корпус торсионного вала)

2 шт8390 руб.
3309280-46004-000

Уплотнительное кольцо (d: 3.5, Id: 45.7) - O Ring (d:35, Id:457) (Кольцо D:3.5 ID)

4 шт300 руб.
33SK09280-46004

   (не оригинальный аналог) Кольцо уплотнительное ведущего вала Skipper для Suzuki Модель техники: DF60-70, DF90-140, DF40A-DF140A

0 шт64 руб.
3409282-24004-000

Сальник (24x40x7) - Seal, Oil (24x40x7) (Oil seal # ) (Сальник)

76 шт870 руб.
3409282-24008-000

   (актуальный код замены) Сальник (24x40x7) - Seal, Oil (24x40x7)

76 шт700 руб.
34SK09282-24004

   (не оригинальный аналог) Сальник ведущего вала Skipper для Suzuki Модели техники: DF90-350HP

0 шт176 руб.
3509117-08057-000

Болт (8x25) - Bolt (8x25)

под заказ400 руб.
3509117-08110-000

   (актуальный код замены) Болт (8x25) - Bolt (8x25)

под заказ400 руб.
3509117-08110-000

Болт (8x25) - Bolt (8x25) (Bolt (8x25))

под заказ400 руб.
3656140-92J00-000

Корпус подшипника передней шестерни - Housing, Fwd Gear Bearing (Housing, forward gear bearing # ) (Корпус переднего подшипника)

1 шт16410 руб.
3709206-09012-000

Штифт (7.4x9x10) - Pin (74x9x10) (Pin, knock # ) (Pin)

8 шт270 руб.
3809263-50001-000

Подшипник (50x62x25) - Bearing (50x62x25) (Bearing # ) (Подшипник 50X62X25)

14 шт6040 руб.

Подбор шестеренок на Suzuki 140 л.с. правое вращение

Код по каталогуСтоимостьНаличиеВероятностьГод
57300-92860-00072960 руб.под заказ100 %2017
57300-92862-00074880 руб.4 шт100 %2015
57300-92840-00072960 руб.под заказ90 %2008
57300-92840-00072960 руб.под заказ80 %2007
57300-92820-00096960 руб.8 шт50 %2006
57300-92801-00088940 руб.7 шт30 %2006
57300-92801-00088940 руб.7 шт100 %2005
57300-92801-00088940 руб.7 шт100 %2004
57300-92801-00088940 руб.7 шт100 %2003
57300-92800-00096960 руб.под заказ100 %2002


Время выполнения запроса 4.0042898654938 сек.

 
 

данный сайт носит информационный характер и не является публичной офертой

склад запчастей для водомоторной техники