| |
 |
|
 |
Вернуться к выбору узлов мотора
ДЕТАЛИРОВКА ДЛЯ МОДЕЛИ: SUZUKI DF140WZX K10
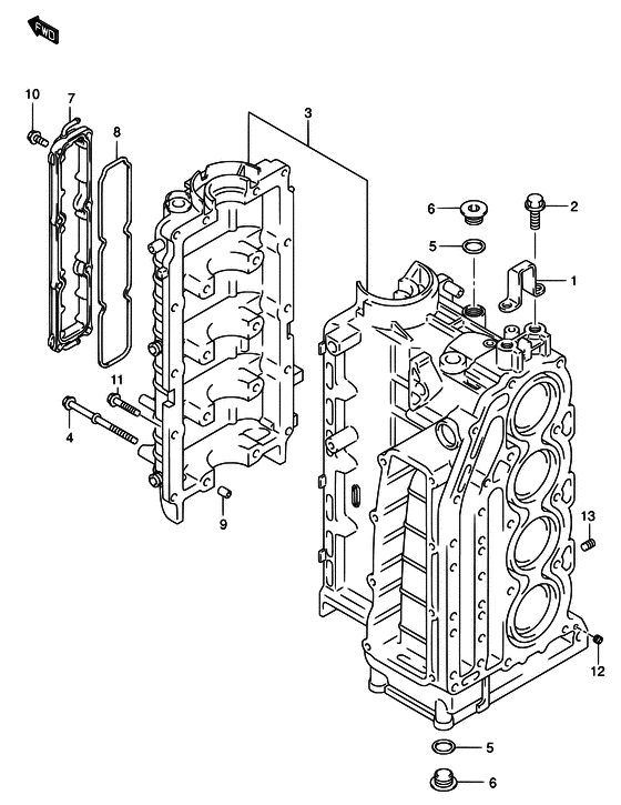
Блок цилиндра
Код модели двигателя: DF140(Z)TL/X; DF140W(Z)TL/X
Год выпуска двигателя: 2010
Регион: General Export No.1 ,Код региона: P01
Цвет: Shadow Black Metallic
Номер на рисунке | Артикул | Наименование | QTY | Кол-во на складе | Цена |
| 1 | 11291-90J10-000 | Крюк двигателя - Hook, Engine (Крюк двигателя) | | под заказ | 1080 руб. |
| 2 | 01550-12307-000 | Болт - Bolt | | под заказ | 290 руб. |
| 2 | 01550-1230C-000 | (актуальный код замены) Болт - Bolt | | под заказ | 290 руб. |
| 2 | 01550-1230C-000 | Болт - Bolt (BOLT) | | под заказ | 290 руб. |
| 3 | 11300-92J00-000 | Блок цилиндра в сборе - Block Assy, Cylinder (Bolck, cylinder # ) (Блок цилиндров) | | под заказ | 0 руб. |
| 3 | 11300-92J10-000 | Блок цилиндра в сборе - Block Assy, Cylinder (MODEL:04~06 # ) | | под заказ | 410400 руб. |
| 3 | 11300-92J11-000 | (актуальный код замены) Блок цилиндра в сборе - Block Assy, Cylinder | | под заказ | 410400 руб. |
| 3 | 11300-92J11-000 | Блок цилиндра в сборе - Block Assy, Cylinder (Блок цилиндров) | | под заказ | 410400 руб. |
| 3 | 11300-92J11-000 | Блок цилиндра в сборе - Block Assy, Cylinder (DF140T:682149~ DF140Z:680234~ # ) (Блок цилиндров) | | под заказ | 410400 руб. |
| 4 | 11117-90J01-000 | Болт картера двигателя - Bolt, Crankcase (<-11117-90J00 # ) | | под заказ | 640 руб. |
| 4 | 11117-90J10-000 | (актуальный код замены) Болт картера двигателя - Bolt, Crankcase | | 1 шт | 640 руб. |
| 4 | 11117-90J10-000 | Болт картера двигателя - Bolt, Crankcase (Bolt, crankcase) | | 1 шт | 640 руб. |
| 5 | 11216-77E00-000 | Прокладка, M18 Заглушка - Gasket, M18 Plug (Прокладка) | | под заказ | 280 руб. |
| 6 | 09248-18011-000 | Заглушка (18x8) - Plug (18x8) (Plug, oil gallery # ) (Plug) | | под заказ | 460 руб. |
| 7 | 11330-90J00-000 | Крышка рубашки охлаждения картера двигателя - Cover, Crankcase Wtr Jkt (Cover, water jacket # ) (Крышка картера) | | 2 шт | 16200 руб. |
| 8 | 11332-90J00-000 | Уплотнение крышки рубашки охлаждения картера двигателя - O Ring, Crankcase Wtr Jkt Cover (O ring, water jacket cover # ) (Кольцо крышки) | | 4 шт | 1170 руб. |
| 9 | 09206-13019-000 | Штифт (10.4x13x16) - Pin (104x13x16) (Стопор) | | под заказ | 180 руб. |
| 10 | 01550-06207-000 | Болт - Bolt (Bolt (chrome)) | | 17 шт | 220 руб. |
| 11 | 09116-08124-000 | Болт - Bolt | | под заказ | 260 руб. |
| 11 | 01550-08407-000 | (актуальный код замены) Болт - Bolt | | под заказ | 260 руб. |
| 11 | 01550-08407-000 | Болт - Bolt (Болт 8 X 40) | | под заказ | 260 руб. |
| 12 | 11112-90J00-000 | Заглушка масляной трубки Вентури - Plug, Oil Venturi (Заглушка) | | под заказ | 440 руб. |
| 13 | 09246-05006-000 | Заглушка (1 / 8pt, H: 5.5) - Plug (1/8pt, H:55) (Plug) | | под заказ | 260 руб. |
Время выполнения запроса 1.3514561653137 сек. |
|