Купить комплектующие на лодочный мотор Suzuki модель 2013 года - Топливный инжектор / Fuel injector
вконтакте

Контактный телефон: +7 (981) 121-46-93, +7 (800) 200-90-76 , Email: parts-katalog@yandex.ru, где купить

 
 

  Логин:

Пароль:

Регистрация

www.partskatalog.ru Все каталоги Запчасти Mercury Запчасти Suzuki Запчасти Tohatsu Запчасти Honda Контакты



УВАЖАЕМЫЕ КЛИЕНТЫ!
C 19 ДЕКАБРЯ 2025 ПО 02 МАРТА 2026 ГОДА ОТДЕЛ ЗАПЧАСТЕЙ И СЕРВИС РАБОТАТЬ НЕ БУДУТ
ПРОДАЖА ЛОДОЧНЫХ МОТОРОВ В ШТАТНОМ РЕЖИМЕ
ОБ ИЗМЕНЕНИЯХ В ГРАФИКЕ РАБОТЫ ЧИТАЙТЕ НА САЙТА



назад Раздел:   вперёд

Вернуться к выбору узлов мотора


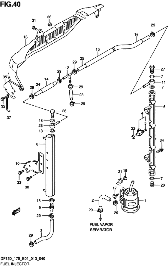
ДЕТАЛИРОВКА ДЛЯ МОДЕЛИ: SUZUKI DF150Z FROM 15002Z-310001~

Топливный инжектор


Год выпуска двигателя: 2013

Номер на
рисунке
АртикулНаименованиеQTYКол-во
на складе
Цена
115440-96J11-000

Топливный фильтр - Filter, Fuel (Filter comp, fuel)

4 шт13520 руб.
115440-96J01-000

   (актуальный код замены) Топливный фильтр - Filter, Fuel

23 шт11260 руб.
215681-87L00-000

Топливный шланг (cooler To Тройник) - Hose, Fuel (cooler To 3 Way) (Hose, fuel (cooler to 3way))

под заказ2930 руб.
315681-96J11-000

Топливный шланг (cooler To Separator) - Hose, Fuel (cooler To Separator) (Hose, fuel (cooler to separator))

под заказ1440 руб.
415710-96J00-000

Топливный инжектор, в сборе - Injector Assy, Fuel (Форсунка)

4 шт19780 руб.
515717-16G00-000

Уплотнительное кольцо - O Ring (O ring)

под заказ780 руб.
615751-96J00-000

Трубка подачи - Pipe, Delivery (Трубка нагнетания)

под заказ13300 руб.
715762-93J10-000

Прокладка нагнетательной трубки - Gasket, Delivery Pipe (Прокладка трубы)

под заказ400 руб.
815770-96J00-000

Охладитель топлива - Cooler, Fuel (Охладитель топливный)

под заказ9170 руб.
915773-90J00-000

Соединенине топливного шланга - Union, Fuel Hose (Соединение топливного шланга (H))

под заказ1420 руб.
1015790-96J00-000

Кронштейн охладителя - Bracket, Fuel Cooler (Кронштейн топливного охладителя)

под заказ970 руб.
1115832-93J00-000

Соединитель подающей трубки - Union, Delivery Pipe (Соединение подводящей трубы)

под заказ1440 руб.
1215830-99E00-000

Соединительный тройник - Union, 3 Way (Union, 3 way fuel hose # ) (Соединение топливного шланга, 3-х стороннее)

под заказ1680 руб.
1315851-96J01-000

Направляющая топливного шланга - Guard, Fuel Hose (Guard, fuel hose)

под заказ5480 руб.
1418498-99E20-000

Защита топливного шланга (l: 450) - Protector, Fuel Hose (l:450) (L:450->70 # ) (Протектор топливного шланга (L:450))

под заказ1200 руб.
1418498-99E21-000

   (актуальный код замены) Защита топливного шланга (l: 450) - Protector, Fuel Hose (l:450)

под заказ1200 руб.
1518498-93J00-000

Защита топливного шланга (340) - Protector, Fuel Hose (340) (L:340->220 # ) (Протектор топливного шланга (L:340))

под заказ830 руб.
1518498-93J01-000

   (актуальный код замены) Защита топливного шланга (340) - Protector, Fuel Hose (340)

под заказ830 руб.
1618498-99E20-000

Защита топливного шланга (l: 450) - Protector, Fuel Hose (l:450) (L:450->120 # ) (Протектор топливного шланга (L:450))

под заказ1200 руб.
1618498-99E21-000

   (актуальный код замены) Защита топливного шланга (l: 450) - Protector, Fuel Hose (l:450)

под заказ1200 руб.
1709116-06202-000

Болт (6x25) - Bolt (6x25) (Bolt (w/washer) # ) (Болт (шайба))

под заказ250 руб.
1815762-90J00-000

Прокладка, Соединение - Gasket, Union (Gasket, union # ) (Gasket (11.8x22x1.2))

под заказ610 руб.
1909169-06062-000

Шайба - Washer (Washer # ) (Кольцо/шайба)

под заказ190 руб.
2009247-14042-000

Заглушка (14x14) - Plug (14x14) (Заглушка трубки)

под заказ390 руб.
2109320-08501-000

Подушка - Cushion (Cushion)

под заказ240 руб.
2209320-08062-000

Подушка - Cushion (Cushion)

34 шт1010 руб.
2309343-75001-600

Шланг (7.5x13.5x600) - Hose (75x135x600) (L:600->50 # ) (Hose, 7.5x13.5x600)

под заказ3870 руб.
2309343-75002-600

   (актуальный код замены) Шланг (7.5x13.5x600) - Hose (7.5x13.5x600)

под заказ3870 руб.
2409343-75001-600

Шланг (7.5x13.5x600) - Hose (75x135x600) (L:600->120 # ) (Hose, 7.5x13.5x600)

под заказ3870 руб.
2409343-75002-600

   (актуальный код замены) Шланг (7.5x13.5x600) - Hose (7.5x13.5x600)

под заказ3870 руб.
2509343-75001-600

Шланг (7.5x13.5x600) - Hose (75x135x600) (L:600->430 # ) (Hose, 7.5x13.5x600)

под заказ3870 руб.
2509343-75002-600

   (актуальный код замены) Шланг (7.5x13.5x600) - Hose (7.5x13.5x600)

под заказ3870 руб.
2609360-12013-000

Соединение - Union (Болт соединяющий)

под заказ790 руб.
2709360-14014-000

Соединение - Union (Болт подающей трубы)

под заказ3630 руб.
2815830-90J00-000

Основной топливный соединитель - Joint, Fuel Main (Joint, fuel main # ) (Болт соединяющий)

под заказ1860 руб.
2909401-11425-000

Зажим - Clip (Clip)

4 шт370 руб.
3001550-06127-000

Болт - Bolt (Bolt, rect # ) (Bolt)

10 шт180 руб.
3101550-06127-000

Болт - Bolt (Bolt, rect # ) (Bolt)

10 шт180 руб.
3201550-06167-000

Болт - Bolt (Bolt)

9 шт210 руб.
3301550-08167-000

Болт - Bolt (Bolt (8x16) # ) (Bolt)

8 шт210 руб.
3401550-08257-000

Болт - Bolt (Bolt)

под заказ300 руб.
3515852-96J00-000

Направляющая защиты топливного шланга - Guide, Fuel Hose Guard (Направляющая датчика топливного шланга)

под заказ1420 руб.
3609321-08005-000

Подушка - Cushion (Cushion, fuel hose guard # ) (Cushion)

под заказ150 руб.
3609321-08025-000

   (актуальный код замены) Подушка - Cushion

под заказ150 руб.
3729404-93J20-000

Струбцина - Clamp (Clamp, fuel hose guard # ) (Струбцина топливного шланга)

под заказ190 руб.


Время выполнения запроса 3.7013809680939 сек.

 
 

данный сайт носит информационный характер и не является публичной офертой

склад запчастей для водомоторной техники