Купить оригинальные запчасти на подвесной двигатель Suzuki модель 2013 года - Harness / Жгут проводов
вконтакте

Контактный телефон: +7 (981) 121-46-93, +7 (800) 200-90-76 , Email: parts-katalog@yandex.ru, где купить

 
 

  Логин:

Пароль:

Регистрация

www.partskatalog.ru Все каталоги Запчасти Mercury Запчасти Suzuki Запчасти Tohatsu Запчасти Honda Контакты



УВАЖАЕМЫЕ КЛИЕНТЫ!
C 19 ДЕКАБРЯ 2025 ПО 02 МАРТА 2026 ГОДА ОТДЕЛ ЗАПЧАСТЕЙ И СЕРВИС РАБОТАТЬ НЕ БУДУТ
ПРОДАЖА ЛОДОЧНЫХ МОТОРОВ В ШТАТНОМ РЕЖИМЕ
ОБ ИЗМЕНЕНИЯХ В ГРАФИКЕ РАБОТЫ ЧИТАЙТЕ НА САЙТА



назад Раздел:   вперёд

Вернуться к выбору узлов мотора


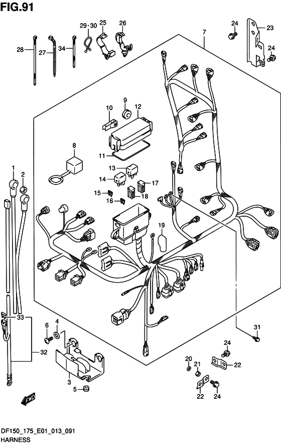
ДЕТАЛИРОВКА ДЛЯ МОДЕЛИ: SUZUKI DF150Z FROM 15002Z-310001~

Жгут проводов


Год выпуска двигателя: 2013

Номер на
рисунке
АртикулНаименованиеQTYКол-во
на складе
Цена
133810-96J00-000

Провода двигателя электростартера - Cable Assy, Starter Motor

под заказ33600 руб.
133810-96L01-000

   (актуальный код замены) Провода двигателя электростартера - Cable Assy, Starter Motor

под заказ33600 руб.
133810-96L00-000

Провода двигателя электростартера - Cable Assy, Starter Motor (CABLE ASSY, STARTER MOTOR)

под заказ33600 руб.
133810-96L01-000

   (актуальный код замены) Провода двигателя электростартера - Cable Assy, Starter Motor

под заказ33600 руб.
208316-10087-000

Гайка - Nut (Nut (chrome))

14 шт170 руб.
336616-96J00-000

Держатель кабеля - Holder, Cable (Держатель кабеля)

под заказ610 руб.
409169-06053-000

Шайба - Washer (Шайба (6.3X16X1))

под заказ150 руб.
509320-04009-000

Втулка - Bush (Втулка)

под заказ160 руб.
509320-04013-000

   (актуальный код замены) Подушка, Muf Cov - Cushion, Muf Cov

под заказ160 руб.
602142-06167-000

Винт - Screw (Screw # ) (Винт крестовый 6x16)

8 шт110 руб.
736610-96J40-000

Жгут проводов, в сборе - Harness Assy, Wiring

под заказ82560 руб.
736610-96JC1-000

   (актуальный код замены) Жгут проводов, в сборе - Harness Assy, Wiring

под заказ82560 руб.
736610-96J80-000

Жгут проводов, в сборе - Harness Assy, Wiring (HARNESS ASSY, WIRING)

под заказ82560 руб.
736610-96JC1-000

   (актуальный код замены) Жгут проводов, в сборе - Harness Assy, Wiring

под заказ82560 руб.
833634-96J00-000

Колпачок сервисного разъёма - Cap, Service Connector (Крышка соединителя)

под заказ610 руб.
909320-08021-000

Подушка - Cushion (Cushion, fuse box # ) (Cushion)

под заказ190 руб.
909320-08510-000

   (актуальный код замены) Подушка (8.5x20x8) - Cushion (8.5x20x8)

под заказ190 руб.
1036737-96J00-000

Съемник предохранителя - Puller, Fuse (Протектор)

под заказ480 руб.
1136721-96J00-000

Уплотнительное кольцо верхней крышки - O Ring, Upr Cover (O ring, upper cover # ) (Кольцо верхней крышки)

под заказ1090 руб.
1236738-96J00-000

Крышка, Предохранитель Case вышеr - Cover, Fuse Case Upr (Крышка корпуса предохранителя, верхняя)

под заказ1660 руб.
1338860-76F01-000

Реле в сборе - Relay Assy (Relay, starting motor # ) (Реле стартера)

7 шт5000 руб.
1438860-76F01-000

Реле в сборе - Relay Assy (Relay, starting motor # ) (Реле стартера)

7 шт5000 руб.
1509481-10501-000

Предохранитель (10a) - Fuse (10a) (Fuse (10a))

5 шт250 руб.
1609481-30501-000

Предохранитель (30a) - Fuse (30a) (Fuse (30a))

8 шт270 руб.
1709481-30401-000

Предохранитель (30a) - Fuse (30a) (Fuse (30a))

10 шт870 руб.
1809481-60401-000

Предохранитель (60a) - Fuse (60a) (Fuse (60a))

14 шт600 руб.
1936612-96J00-000

Колпачок клеммы - Cap, Terminal (Крышка)

под заказ610 руб.
1936612-96J01-000

   (актуальный код замены) Колпачок клеммы - Cap, Terminal

под заказ610 руб.
2008310-00067-000

Гайка - Nut (Гайка)

под заказ140 руб.
2108321-01067-000

Шайба с блокировкой - Washer, Lock (Шайба, стопорная)

под заказ140 руб.
2236617-93J00-000

Кронштейн жгута проводов - Bracket, Harness (Кронштейн)

под заказ190 руб.
2336617-96J00-000

Кронштейн жгута проводов - Bracket, Harness (Кронштейн)

под заказ880 руб.
2401550-06127-000

Болт - Bolt (Bolt, rect # ) (Bolt)

10 шт180 руб.
2509403-18409-000

Струбцина - Clamp (Струбцина проводки)

под заказ170 руб.
2609403-20308-000

Струбцина - Clamp (Clip)

4 шт270 руб.
2709407-14403-000

Струбцина (l: 125) - Clamp (l:125) (Clamp, spark plug cap # ) (Clamp)

под заказ170 руб.
2809407-14407-000

Струбцина (l: 145) - Clamp (l:145) (Band # ) (Clamp (l:145))

9 шт230 руб.
2909408-00008-000

Зажим (id: 20) - Clip (id:20) (Clamp, vacuum hose # ) (Clamp)

под заказ150 руб.
3009408-00024-000

Зажим (id: 23) - Clip (id:23) (Clip, ptt sw terminal # ) (Шланг топливный)

под заказ120 руб.
3101550-06127-000

Болт - Bolt (Bolt, rect # ) (Bolt)

10 шт180 руб.
3236625-93J00-000

Провод аккумулятора - Lead, Battery (L:3700 # ) (Проводка аккумулятора)

4 шт5430 руб.
3236625-93J01-000

   (актуальный код замены) Провод аккумулятора - Lead, Battery

под заказ5430 руб.
3236625-93J10-000

Провод аккумулятора - Lead, Battery (OPT L:6500 # ) (Проводка аккумулятора)

под заказ5910 руб.
3309481-15501-000

Предохранитель (15a) - Fuse (15a) (Предохранитель (15A))

под заказ160 руб.
3409407-10404-000

Струбцина (l: 100) - Clamp (l:100) (Clamp, battery lead (l:96) # ) (Clamp (l:100))

под заказ190 руб.


Время выполнения запроса 1.1984610557556 сек.

 
 

данный сайт носит информационный характер и не является публичной офертой

склад запчастей для водомоторной техники