| |
 |
|
 |
Вернуться к выбору узлов мотора
ДЕТАЛИРОВКА ДЛЯ МОДЕЛИ: SUZUKI DF150Z FROM 15002Z-310001~
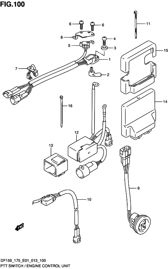
Переключатель гидроподъёма / Блок управления двигателем
Год выпуска двигателя: 2013
Номер на рисунке | Артикул | Наименование | QTY | Кол-во на складе | Цена |
| 1 | 13580-93J02-000 | Датчик положения переключателя - Sensor Assy, Shift Position (Sensor assy, shift position) | | под заказ | 17040 руб. |
| 1 | 13580-93J03-000 | (актуальный код замены) Датчик положения переключателя - Sensor Assy, Shift Position | | 1 шт | 17040 руб. |
| 2 | 37729-93J00-000 | Переключающий рычаг датчика - Lever, Shift Sensor (Ручка переключения) | | под заказ | 190 руб. |
| 3 | 09160-05029-000 | Шайба (5.5x12x0.8) - Washer (55x12x08) (Шайба) | | 14 шт | 130 руб. |
| 4 | 02112-35167-000 | Винт - Screw (Screw, shift position sensor # ) (Болт) | | под заказ | 170 руб. |
| 5 | 37721-93J00-000 | Выключатель нейтрали, в сборе - Switch Assy, Neutral (Переключатель нейтральный) | | 4 шт | 4540 руб. |
| 6 | 09137-04004-000 | Винт (4x16) - Screw (4x16) (Винт нейтрального переключателя) | | под заказ | 240 руб. |
| 7 | 09403-12412-000 | Струбцина - Clamp (Clamp, sw lead wire # ) (Clamp) | | под заказ | 250 руб. |
| 8 | 37725-96J00-000 | Кронштейн переключателя - Bracket, Switch Assy (Кронштейн переключателя) | | под заказ | 350 руб. |
| 9 | 37850-99E04-000 | Переключатель управления гидроподъёмом двигателя - Switch Assy, Ptt (Switch assy, ptt) | | под заказ | 9800 руб. |
| 9 | 37850-99E05-000 | (актуальный код замены) Переключатель управления гидроподъёмом двигателя - Switch Assy, Ptt | | 2 шт | 9800 руб. |
| 10 | 37722-93J11-000 | Переключатель ограничителя наклона - Switch Assy, Tilt Limit (Switch assy, tilt limit) | | под заказ | 4370 руб. |
| 10 | 37722-93J13-000 | (актуальный код замены) Переключатель ограничителя наклона - Switch Assy, Tilt Limit | | 2 шт | 4750 руб. |
| 11 | 09407-14407-000 | Струбцина (l: 145) - Clamp (l:145) (Band # ) (Clamp (l:145)) | | 9 шт | 230 руб. |
| 12 | 38410-93J12-000 | Реле управления гидроподъёмом двигателя - Relay Assy, Ptt (Relay assy, ptt) | | 19 шт | 13700 руб. |
| 13 | 38415-93J00-000 | Держатель реле двигателя гидроподъёма - Holder, Ptt Relay (Держатель реле) | | под заказ | 580 руб. |
| 14 | 33920-96JD0-000 | Модуль контроля зажигания - Unit, Engine Control (Unit, engine control) | | под заказ | 214560 руб. |
| 14 | 33920-96JN0-000 | (актуальный код замены) Модуль контроля зажигания - Unit, Engine Control | | под заказ | 214560 руб. |
| 15 | 33925-93J00-000 | Подушка модуля управления двигателем - Cushion, Engine Control Unit (Cushion, engine control unit # ) (Валик блока управления) | | под заказ | 820 руб. |
| 16 | 09407-14407-000 | Струбцина (l: 145) - Clamp (l:145) (Band # ) (Clamp (l:145)) | | 9 шт | 230 руб. |
Время выполнения запроса 0.84946322441101 сек. |
|