Подобрать запчасти на подвесной двигатель SUZUKI DF150(Z)TL/X - Drive shaft housing / Корпус вала передачи
вконтакте

Контактный телефон: +7 (981) 121-46-93, +7 (800) 200-90-76 , Email: parts-katalog@yandex.ru, где купить

 
 

  Логин:

Пароль:

Регистрация

www.partskatalog.ru Все каталоги Запчасти Mercury Запчасти Suzuki Запчасти Tohatsu Запчасти Honda Контакты



УВАЖАЕМЫЕ КЛИЕНТЫ!
C 19 ДЕКАБРЯ 2025 ПО 02 МАРТА 2026 ГОДА ОТДЕЛ ЗАПЧАСТЕЙ И СЕРВИС РАБОТАТЬ НЕ БУДУТ
ПРОДАЖА ЛОДОЧНЫХ МОТОРОВ В ШТАТНОМ РЕЖИМЕ
ОБ ИЗМЕНЕНИЯХ В ГРАФИКЕ РАБОТЫ ЧИТАЙТЕ НА САЙТА



назад Раздел:   вперёд

Вернуться к выбору узлов мотора


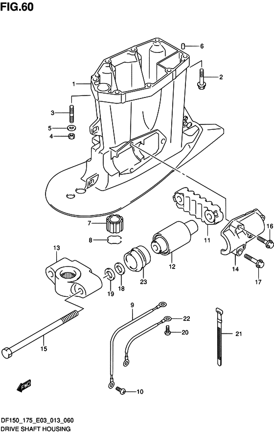
ДЕТАЛИРОВКА ДЛЯ МОДЕЛИ: SUZUKI DF150TL/X FROM 15002F-310001~

Корпус вала передачи


Код модели двигателя: DF150(Z)TL/X

Год выпуска двигателя: 2013

Цвет: Shadow Black Metallic

Номер на
рисунке
АртикулНаименованиеQTYКол-во
на складе
Цена
152111-96J00-0EP

Корпус вала передачи (l) (чёрный) - Housing, Drive Shaft (l) (black) (W/TRANSOM (L) # ) (Дейдвуд (L))

1 шт121920 руб.
152111-96J00-Y5S

Корпус вала передачи (l) (белый) - Housing, Drive Shaft (l) (white) (W/TRANSOM (L) # ) (Housing, drive shaft (l) (white))

под заказ101280 руб.
152111-96J10-0EP

Корпус вала передачи (x) (чёрный) - Housing, Drive Shaft (x) (black) (W/TRANSOM (X) # ) (Дейдвуд (X))

1 шт134880 руб.
152111-96J11-0EP

   (актуальный код замены) Корпус вала передачи (x) - Housing, Drive Shaft (x)

под заказ134880 руб.
152111-96J10-Y5S

Корпус вала передачи (x) - Housing, Drive Shaft (x) (W/TRANSOM (X) # ) (Housing, drive shaft (x))

под заказ112320 руб.
152111-96J11-Y5S

   (актуальный код замены) Корпус вала передачи (x) - Housing, Drive Shaft (x)

под заказ112320 руб.
209116-10176-000

Болт (10x44) - Bolt (10x44) (W/TRANSOM (X) # ) (Bolt, 10x44)

4 шт760 руб.
309108-10150-000

Болт под шпильку - Bolt, Stud (W/TRANSOM (L) # ) (Болт)

под заказ640 руб.
429141-93J20-000

Гайка - Nut (Nut, trim cyl ram (m10) # W/TRANSOM (L) # ) (Гайка)

под заказ160 руб.
409140-10031-000

   (актуальный код замены) Гайка - Nut

10 шт160 руб.
509160-10141-000

Шайба (10.5x19x2) - Washer (105x19x2) (Washer, drive shaft hsg stud (10.5x19x2) # W/TRANSOM (L) # ) (Шайба)

10 шт250 руб.
609202-08006-000

Штифт (8x12) - Pin (8x12) (Pin, knock # ) (Pin)

под заказ280 руб.
757130-87D10-000

Втулка вала передачи - Bush, Drive Shaft (W/TRANSOM (X) # ) (Bush, drive shaft)

под заказ3820 руб.
809387-38002-000

Кольцо - Ring (Ring, drive shaft bush snap # W/TRANSOM (X) # ) (Кольцо торсионного вала)

12 шт770 руб.
936895-87D10-000

Lead (l: 310) - Lead (l:310) (Lead (swivel to hsg) # ) (Провод)

2 шт1300 руб.
1009125-06063-000

Винт (6x10) - Screw (6x10) (Винт 6X10 (SUS))

6 шт190 руб.
1154151-96J01-000

Крепление нижнего упора - Mount, Lwr Thrust (Опора нижняя)

под заказ10180 руб.
1254160-96J01-000

Крепление, Lwr - Mount, Lwr (Опора нижняя)

под заказ9220 руб.
1254160-96J02-000

   (актуальный код замены) Крепление, Lwr - Mount, Lwr

2 шт10030 руб.
1354211-96J01-000

Нижний кронштейн Крепление - Bracket, Lower Mount (FOR 0EP # )

под заказ21030 руб.
1354211-96J01-0EP

   (актуальный код замены) Нижний кронштейн Крепление - Bracket, Lower Mount

под заказ21030 руб.
1354211-96J01-0EP

Нижний кронштейн Крепление - Bracket, Lower Mount (Bracket, lower mount)

под заказ21030 руб.
1354211-96J01-Y5S

Кронштейн нижнего крепления - Bracket, Lwr Mount (Bracket, lower mount)

под заказ17520 руб.
1454221-96J00-0EP

Крышка нижней опоры - Cover, Lower Mount

под заказ7590 руб.
1454221-96J00-000

   (актуальный код замены) Крышка нижней опоры - Cover, Lower Mount

под заказ7590 руб.
1454221-96J00-000

Крышка нижней опоры - Cover, Lower Mount (Cover, lower mount)

под заказ7590 руб.
1509100-14004-000

Болт (14x220) - Bolt (14x220) (Bolt, lower mount (14x220) # ) (Болт нижней опоры (14X220))

под заказ8160 руб.
1554112-93J00-000

   (актуальный код замены) Крепежный болт - Bolt, Mount

2 шт8160 руб.
1609116-10174-000

Болт (10x35) - Bolt (10x35)

под заказ1000 руб.
1609116-10179-000

   (актуальный код замены) Болт (10x35) - Bolt (10x35)

под заказ1000 руб.
1609116-10179-000

Болт (10x35) - Bolt (10x35) (Bolt (10x35))

под заказ1000 руб.
1709116-10175-000

Болт (10x50) - Bolt (10x50) (Bolt, 10x50)

под заказ680 руб.
1809160-16050-000

Шайба (16x32x3) - Washer (16x32x3) (Washer, lower mount (16x32x3) # ) (Шайба, нижняя прокладка, болт)

под заказ250 руб.
1909160-16050-000

Шайба (16x32x3) - Washer (16x32x3) (Washer, lower mount (16x32x3) # ) (Шайба, нижняя прокладка, болт)

под заказ250 руб.
2009125-06063-000

Винт (6x10) - Screw (6x10) (Винт 6X10 (SUS))

6 шт190 руб.
2109407-10404-000

Струбцина (l: 100) - Clamp (l:100) (Clamp, battery lead (l:96) # ) (Clamp (l:100))

под заказ190 руб.
2236894-87D00-000

Lead (l: 165) - Lead (l:165) (Провод)

2 шт1350 руб.
2354167-96J00-000

Крепление, Lwr Side - Mount, Lwr Side (Опора нижняя)

под заказ1220 руб.


Время выполнения запроса 1.2299461364746 сек.

 
 

данный сайт носит информационный характер и не является публичной офертой

склад запчастей для водомоторной техники