Купить оригинальные запчасти на лодочный мотор Suzuki модель года - Ptt switch/engine control unit - Переключатель гидроподъёма / Блок управления двигателем
вконтакте

Контактный телефон: +7 (981) 121-46-93, +7 (800) 200-90-76 , Email: parts-katalog@yandex.ru, где купить

 
 

  Логин:

Пароль:

Регистрация

www.partskatalog.ru Все каталоги Запчасти Mercury Запчасти Suzuki Запчасти Tohatsu Запчасти Honda Контакты

назад Раздел:   вперёд

Вернуться к выбору узлов мотора


ДЕТАЛИРОВКА ДЛЯ МОДЕЛИ: SUZUKI DF150T/DF150TG FROM 15002F-410001~

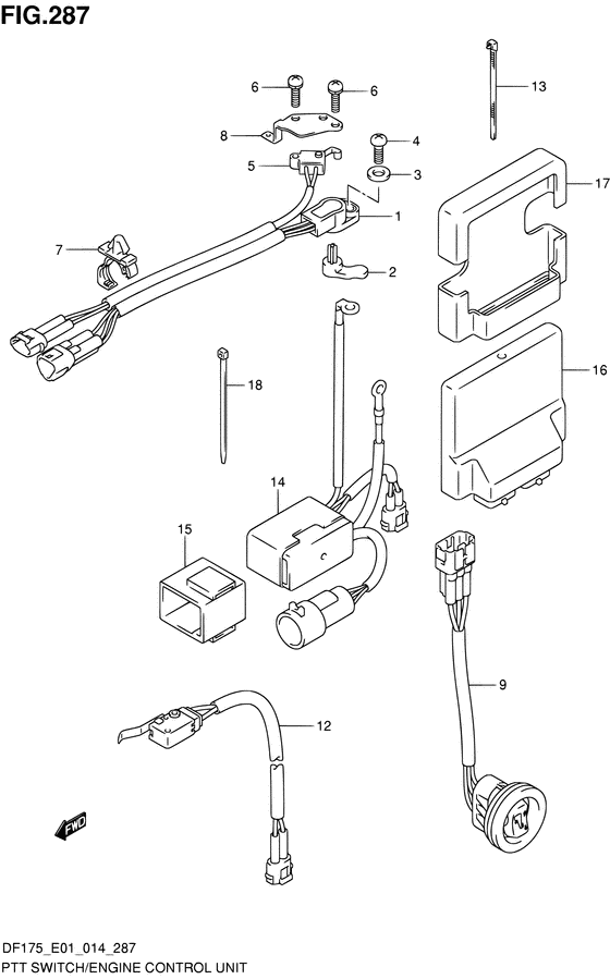
Переключатель гидроподъёма / Блок управления двигателем


Номер на
рисунке
АртикулНаименованиеQTYКол-во
на складе
Цена
113580-93J02-000

Датчик положения переключателя - Sensor Assy, Shift Position (Sensor assy, shift position)

под заказ17040 руб.
113580-93J03-000

   (актуальный код замены) Датчик положения переключателя - Sensor Assy, Shift Position

1 шт17040 руб.
237729-93J00-000

Переключающий рычаг датчика - Lever, Shift Sensor (Ручка переключения)

под заказ190 руб.
309160-05029-000

Шайба (5.5x12x0.8) - Washer (55x12x08) (Шайба)

14 шт130 руб.
402112-35167-000

Винт - Screw (Screw, shift position sensor # ) (Болт)

под заказ170 руб.
537721-93J00-000

Выключатель нейтрали, в сборе - Switch Assy, Neutral (Переключатель нейтральный)

4 шт4540 руб.
609137-04004-000

Винт (4x16) - Screw (4x16) (Винт нейтрального переключателя)

под заказ240 руб.
709403-12412-000

Струбцина - Clamp (Clamp, sw lead wire # ) (Clamp)

под заказ250 руб.
837725-96J00-000

Кронштейн переключателя - Bracket, Switch Assy (Кронштейн переключателя)

под заказ350 руб.
937850-99E04-000

Переключатель управления гидроподъёмом двигателя - Switch Assy, Ptt (UP TO VIN.410136 # ) (Switch assy, ptt)

под заказ9800 руб.
937850-99E05-000

   (актуальный код замены) Переключатель управления гидроподъёмом двигателя - Switch Assy, Ptt

1 шт10900 руб.
937850-92J00-000

Переключатель управления гидроподъёмом двигателя - Switch Assy, Ptt (FROM VIN.410137 # ) (SWITCH ASSY, PTT)

под заказ9990 руб.
1037856-92J00-000

Лента переключателя гидроподъема - Tape, Ptt Switch (FROM VIN.410137 NOT ILLUSTRATED # ) (TAPE, PTT SWITCH)

под заказ370 руб.
1137857-92J00-000

Втулка переключателя гидроподъема - Bush, Ptt Switch (FROM VIN.410137 NOT ILLUSTRATED # ) (BUSH, PTT SWITCH)

1 шт330 руб.
1137857-92J01-000

   (актуальный код замены) Втулка переключателя гидроподъема - Bush, Ptt Switch

2 шт330 руб.
1237722-93J11-000

Переключатель ограничителя наклона - Switch Assy, Tilt Limit (Switch assy, tilt limit)

под заказ4370 руб.
1237722-93J13-000

   (актуальный код замены) Переключатель ограничителя наклона - Switch Assy, Tilt Limit

2 шт4750 руб.
1309407-14407-000

Струбцина (l: 145) - Clamp (l:145) (Band # ) (Clamp (l:145))

9 шт230 руб.
1438410-93J12-000

Реле управления гидроподъёмом двигателя - Relay Assy, Ptt (Relay assy, ptt)

20 шт13700 руб.
1538415-93J00-000

Держатель реле двигателя гидроподъёма - Holder, Ptt Relay (Держатель реле)

под заказ580 руб.
1633920-96JD0-000

Модуль контроля зажигания - Unit, Engine Control (Unit, engine control)

под заказ214560 руб.
1633920-96JN0-000

   (актуальный код замены) Модуль контроля зажигания - Unit, Engine Control

под заказ214560 руб.
1733925-93J00-000

Подушка модуля управления двигателем - Cushion, Engine Control Unit (Cushion, engine control unit # ) (Валик блока управления)

под заказ820 руб.
1809407-14407-000

Струбцина (l: 145) - Clamp (l:145) (Band # ) (Clamp (l:145))

9 шт230 руб.


Время выполнения запроса 1.15283203125 сек.

 
 

данный сайт носит информационный характер и не является публичной офертой

склад запчастей для водомоторной техники