Купить оригинальные запчасти на подвесной двигатель SUZUKI DF150(Z)TL/X модель 2006 года - Balancer
вконтакте

Контактный телефон: +7 (981) 121-46-93, +7 (800) 200-90-76 , Email: parts-katalog@yandex.ru, где купить

 
 

  Логин:

Пароль:

Регистрация

www.partskatalog.ru Все каталоги Запчасти Mercury Запчасти Suzuki Запчасти Tohatsu Запчасти Honda Контакты

назад Раздел:   вперёд

Вернуться к выбору узлов мотора


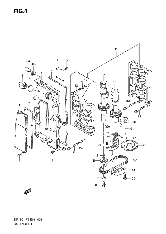
ДЕТАЛИРОВКА ДЛЯ МОДЕЛИ: SUZUKI DF150ZXK6(E1) K6

Balancer


Код модели двигателя: DF150(Z)TL/X

Год выпуска двигателя: 2006

Регион: General Export No.1 ,Код региона: P01

Цвет: Shadow Black Metallic

Номер на
рисунке
АртикулНаименованиеQTYКол-во
на складе
Цена
111330-96J00-000

Крышка балансирующего вала - Cover, Balancer Shaft (крышка валов системы уравновешивания)

под заказ33600 руб.
111330-96J10-000

Крышка балансирующего вала - Cover, Balancer Shaft (Df150t:782346~, df175t:782633~, df150t:780355~, df175t:780481~ # ) (крышка валов системы уравновешивания)

2 шт28280 руб.
211332-96J00-000

Прокладка крышки балансира - Gasket, Balancer Cover (прокладка крышки балансировочного устройства)

5 шт3270 руб.
301550-06257-000

Болт - Bolt (Bolt, bal cover; # ) (Bolt)

под заказ180 руб.
411345-96J00-000

Пластина, Balancer Крышка - Plate, Balancer Cover (Df150t:~782345, df175t:~782632, df150z:~780354, df175z:~780480 # ) (Пластина крышки системы уравновешивания)

под заказ350 руб.
502112-0612A-000

Винт - Screw (Df150t:~782345, df175t:~782632, df150z:~780354, df175z:~780480 # ) (Болт)

под заказ120 руб.
611340-96J00-000

Крышка, Balancer Water Jacket - Cover, Balancer Water Jacket (крышка водяной рубашки балансировочного устройства)

под заказ13780 руб.
711342-96J00-000

Прокладка крышки балансира водяной рубашки охлаждения - Gasket, Bal Wtr Jkt Cover (прокладка крышки водяной рубашки балансировочного устройства)

6 шт1350 руб.
801550-06257-000

Болт - Bolt (Bolt, wtr jacket cover; # ) (Bolt)

под заказ180 руб.
911382-93J00-000

Колпачок масляного фильтра - Cap, Oil Filler (Cap, oil filler)

6 шт630 руб.
1009280-26006-000

Уплотнительное кольцо (d: 3.1, Id: 26.4) - O Ring (d:31, Id:264) (O ring, oil filler cap (id:26.4, dd:3.1); # ) (Кольцо уплотнительное)

2 шт220 руб.
1112600-96J00-000

Корпус балансира - Housing Assy, Balancer

под заказ59520 руб.
1112600-96J10-000

   (актуальный код замены) Корпус балансира - Housing Assy, Balancer

под заказ59520 руб.
1112600-96J01-000

Корпус балансира - Housing Assy, Balancer (Housing assy, balancer)

под заказ59520 руб.
1112600-96J10-000

   (актуальный код замены) Корпус балансира - Housing Assy, Balancer

под заказ59520 руб.
1212643-96J00-000

Болт балансира - Bolt, Balancer (Bolt)

под заказ580 руб.
1312644-96J00-000

Шайба балансира - Washer, Balancer (Шайба)

под заказ250 руб.
1404211-11129-000

Штифт - Pin (Pin, upper; # ) (Pin)

14 шт150 руб.
1512605-96J01-000

Балансир правая / левая сторона - Balancer Set, Stbd/port

под заказ49920 руб.
1512600-96803-000

   (актуальный код замены) Балансир правая / левая сторона - Balancer Set, Stbd/port

1 шт49920 руб.
1512600-96801-000

Балансир правая / левая сторона - Balancer Set, Stbd/port (BALANCER SET, STBD/PORT)

под заказ49920 руб.
1512600-96803-000

   (актуальный код замены) Балансир правая / левая сторона - Balancer Set, Stbd/port

1 шт49920 руб.
1612645-96J00-000

Подшипник балансира - Bearing, Balancer (Подшипник балансира)

под заказ1150 руб.
1612645-96J01-000

   (актуальный код замены) Подшипник балансира - Bearing, Balancer

48 шт1240 руб.
1712650-96J00-000

Запчасть снята с производства - The Spare Part Is Laid Off

под заказ0 руб.
1812665-96J00-000

Цепное колесо ЗВЕЗДОЧКА, Balancer Driven - Sprocket, Balancer Driven (звездочка балансира ведомая)

под заказ4660 руб.
1909160-10039-000

Шайба (10.5x22x2.3) - Washer (105x22x23) (Washer, bal sprocket (10.5x22x2.3); # ) (Шайба)

под заказ170 руб.
2001550-1020A-000

Болт - Bolt (Bolt, bal sprocket # Bolt, bal sprocket; # ) (Болт)

под заказ230 руб.
2104221-04089-000

Штифт - Pin (Pin, bal sprocket driven # Pin, bal sprocket driven; # ) (шпонка ведомой звездочки балансира)

7 шт90 руб.
2209103-08414-000

Болт (8x53) - Bolt (8x53) (Bolt, bal housing no.1 (8x53); # ) (Болт корпуса №1 (8X53))

под заказ250 руб.
2309103-08423-000

Болт (8x80) - Bolt (8x80) (Bolt, bal housing no.3 (8x80); # ) (Болт корпуса №3 (8X80))

под заказ320 руб.
2404211-11129-000

Штифт - Pin (Pin, bal housing; # ) (Pin)

14 шт150 руб.
2512662-96J00-000

Цепное колесо ЗВЕЗДОЧКА, Balancer Drive - Sprocket, Balancer Drive (звездочка балансира ведущая)

под заказ6770 руб.
2609202-05032-000

Штифт (5x12) - Pin (5x12) (Pin, bal sprocket drive # Pin, bal sprocket drive; # ) (шпонка ведущей звездочки балансира)

9 шт140 руб.
2712670-96J00-000

Цепь балансира - Chain, Balancer (Цепь)

под заказ5000 руб.
2812671-96J00-000

Запчасть снята с производства - The Spare Part Is Laid Off (bolt & tensioner set # )

под заказ0 руб.
2812671-96J01-000

Натяжитель цепи балансира - Tensioner, Balancer Chain (Model:09~ # ) (Tensioner, balancer chain)

под заказ2450 руб.
2912672-96J00-000

Болт & Tensioner Set, Balancer - Bolt & Tensioner Set, Balancer (bolt & tensioner set # )

под заказ3410 руб.
2912670-96810-000

   (актуальный код замены) Болт & Tensioner Set, Balancer - Bolt & Tensioner Set, Balancer

под заказ3410 руб.
2912670-96810-000

Болт & Tensioner Set, Balancer - Bolt & Tensioner Set, Balancer (Bolt & tensioner set, balancer)

под заказ3410 руб.
2912672-96J01-000

Болт натяжителя цепи балансира - Bolt, Balancer Chain Tensioner (Model:09~ # ) (Bolt, balancer chain tensioner)

под заказ950 руб.
2909160-08079-000

Шайба (8x17x2) - Washer (8x17x2) (Washer, bal chain tensioner (8x17x2.0); Model:09~ # ) (Шайба)

под заказ290 руб.
3012673-96J00-000

Пружина натяжителя цепи балансира - Spring, Bal Chain Tensioner (Пружина механизма натяжения балансира)

под заказ790 руб.
3112695-96J00-000

Пружина натяжителя цепи балансира - Guide, Balancer Chain (Направляющая цепи балансира)

под заказ5620 руб.
3201550-0825A-000

Болт - Bolt (Bolt, bal chain guide; # ) (Болт)

под заказ180 руб.
3309103-08158-000

Болт (8x75) - Bolt (8x75) (Bolt, bal housing no.2 (8x75) # Bolt, bal housing no.2 (8x75); # ) (Bolt (8x75))

под заказ410 руб.
3409251-05006-000

Колпачок (od: 11) - Cap (od:11) (Cap, balancer cover # Df150t:780701~782345, df175t:780641~782632, df150z:780144~780354, df175z:780119~780480 # ) (Cap)

под заказ430 руб.
3509401-10411-000

Зажим - Clip (Clip, cap # Clip, cap; Df150t:780701~782345, df175t:780641~782632, df150z:780144~780354, df175z:780119~780480 # ) (Clip)

под заказ170 руб.


Время выполнения запроса 1.1625390052795 сек.

 
 

данный сайт носит информационный характер и не является публичной офертой

склад запчастей для водомоторной техники