Найти запчасти на подвесной двигатель Suzuki DF150(Z)TL/X модель 2008 года - Головка блока цилиндра
вконтакте

Контактный телефон: +7 (981) 121-46-93, +7 (800) 200-90-76 , Email: parts-katalog@yandex.ru, где купить

 
 

  Логин:

Пароль:

Регистрация

www.partskatalog.ru Все каталоги Запчасти Mercury Запчасти Suzuki Запчасти Tohatsu Запчасти Honda Контакты

назад Раздел:   вперёд

Вернуться к выбору узлов мотора


ДЕТАЛИРОВКА ДЛЯ МОДЕЛИ: SUZUKI DF150TXK8(E1) K8

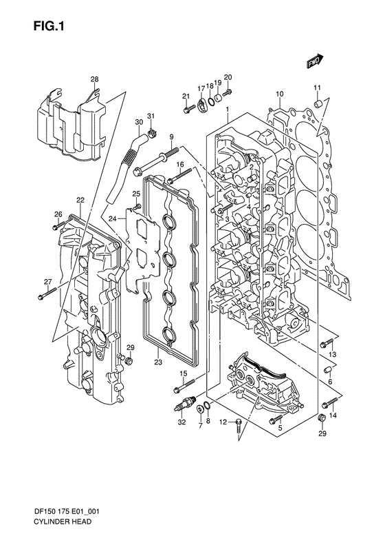
Головка блока цилиндра


Код модели двигателя: DF150(Z)TL/X

Год выпуска двигателя: 2008

Регион: General Export No.1 ,Код региона: P01

Цвет: Shadow Black Metallic

Номер на
рисунке
АртикулНаименованиеQTYКол-во
на складе
Цена
111101-96J01-000

Головка блока цилиндра - Head Assy, Cylinder

под заказ277920 руб.
111101-96J10-000

   (актуальный код замены) Головка блока цилиндра - Head Assy, Cylinder

под заказ277920 руб.
111101-96J02-000

Головка блока цилиндра - Head Assy, Cylinder (Head assy, cylinder)

под заказ277920 руб.
111101-96J10-000

   (актуальный код замены) Головка блока цилиндра - Head Assy, Cylinder

под заказ277920 руб.
211115-93J00-001

Направляющая клапана (os) - Guide, Valve (os)

под заказ3440 руб.
211115-93J10-001

   (актуальный код замены) Направляющая клапана (os) - Guide, Valve (os)

40 шт3200 руб.
211115-93J10-001

Направляющая клапана (os) - Guide, Valve (os) (Guide, valve os)

40 шт3200 руб.
311128-90J00-000

Болт распредвала Корпус (6x39) - Bolt, Camshaft Housing (6x39) (Болт коленвала)

под заказ260 руб.
309103-06266-000

Болт (6x40) - Bolt (6x40) (Bolt, 6x40 # Bolt, camshaft housing; Df150t:110122~, df175t:110093~, df150z:110010~, df175z:110012~ # ) (Bolt)

под заказ170 руб.
409206-08001-000

Штифт (8x11) - Pin (8x11) (Стопор)

5 шт130 руб.
501547-06207-000

Болт - Bolt (Bolt, lower # Bolt, lower; # ) (Bolt (chrome))

2 шт160 руб.
611112-84400-000

Заглушка масляной трубки Вентури - Plug, Oil Venturi (Заглушка)

под заказ0 руб.
711116-93J01-000

Заглушка - Plug (Plug)

под заказ350 руб.
809168-16009-000

Прокладка (16x22x0.8) - Gasket (16x22x08) (Прокладка)

под заказ190 руб.
911119-96J00-000

Болты головки цилиндра - Bolt, Cylinder Head (Болт головки цилиндра)

под заказ730 руб.
1011141-96J01-000

Прокладка головки блока цилиндра - Gasket, Cylinder Head (Прокладка головки цилиндров)

8 шт14750 руб.
1109206-15001-000

Штифт (12.4x15x17) - Pin (124x15x17) (Pin)

6 шт390 руб.
1201550-08257-000

Болт - Bolt (Bolt, cam shaft housing; # ) (Bolt)

под заказ300 руб.
1301550-08257-000

Болт - Bolt (Bolt, cyl head no.4; # ) (Bolt)

под заказ300 руб.
1401550-0835A-000

Болт - Bolt (Bolt, cyl head no.3; # ) (Болт)

под заказ230 руб.
1501550-08457-000

Болт - Bolt (Bolt, cyl head no.5 # Bolt, cyl head no.5; # ) (Bolt)

под заказ260 руб.
1601550-08607-000

Болт - Bolt (Bolt, throttle body # Bolt, cyl head no.2; # ) (Bolt)

под заказ290 руб.
1711261-93J00-000

Крышка защитного анода - Cover, Protection Anode (Крышка протектора)

под заказ1600 руб.
1809280-22019-000

Уплотнительное кольцо (d: 1.9, Id: 21.8) - O Ring (d:19, Id:218) (O ring, cover; # ) (Кольцо уплотнительное)

16 шт210 руб.
18SK09280-22019

   (не оригинальный аналог) Кольцо уплотнительное головки блока цилиндров Skipper для Suzuki Модели техники: 4-stroke 8-350HP

0 шт64 руб.
1955321-87J00-000

Защитный анод - Anode, Protection

1 шт750 руб.
1955321-87J01-000

   (актуальный код замены) Защитный анод - Anode, Protection

26 шт850 руб.
19SMO-55321-87J01-000

   (не оригинальный аналог) Защитный анод SMO-55321-87J01-000 (оригинал)

под заказ590 руб.
19SMO-55321-87J01-000

  (аналог) Защитный анод SMO-55321-87J01-000 (оригинал) - код 55321-87J01-000

 под заказ шт585 руб.
1955321-87J01-000

Защитный анод - Anode, Protection (ANODE, PROTECTION)

26 шт850 руб.
19SMO-55321-87J01-000

  (аналог) Защитный анод SMO-55321-87J01-000 (оригинал) - код 55321-87J01-000

 под заказ шт585 руб.
2009103-06281-000

Болт (6x14) - Bolt (6x14) (Bolt, protection anode # Bolt, protection anode; # ) (Bolt)

5 шт270 руб.
2101550-08207-000

Болт - Bolt (Bolt, cover; # ) (Bolt)

10 шт240 руб.
2211170-96J00-000

Крышка головки цилиндра - Cover, Cylinder Head (Df150 # ) (Крышка головки цилиндров)

под заказ33600 руб.
2211170-96J10-000

Крышка головки цилиндра - Cover, Cylinder Head (Df175 # )

под заказ33600 руб.
2211170-96J11-000

   (актуальный код замены) Крышка головки цилиндра - Cover, Cylinder Head

под заказ33600 руб.
2211170-96J11-000

Крышка головки цилиндра - Cover, Cylinder Head (COVER, CYLINDER HEAD)

под заказ33600 руб.
2311189-96J00-000

Прокладка крышки головки блока цилиндра - Gasket, Cylinder Head Cover (Прокладка крышки)

под заказ3290 руб.
2411173-96J00-000

Пластина сапуна - Plate, Breather (Плата сапуна)

под заказ830 руб.
2502112-0612A-000

Винт - Screw (Screw, breather plate; # ) (Болт)

под заказ120 руб.
2601547-06257-000

Болт - Bolt (Bolt, cyl head cover no.1; # ) (Bolt (6x25))

под заказ160 руб.
2701547-06507-000

Болт - Bolt (Bolt, cyl head cover no.2 # Bolt, cyl head cover no.2; # ) (Болт крышки головки цилиндров №2)

под заказ180 руб.
2811191-96J00-000

Направляющая воздуховода Система впуска №2 - Guide, Air Intake No2 (Направляющая воздушного впуска №2)

под заказ2300 руб.
2909320-08076-000

Пыльник - Grommet (Grommet, guide air # Grommet, guide air; # ) (Втулка направления воздуха)

под заказ440 руб.
2909320-08517-000

   (актуальный код замены) Подушка, Держатель кабеля - Cushion, Cable Holder

под заказ440 руб.
3011174-96J00-000

Шланг сапуна - Hose, Breather (Шланг)

под заказ1540 руб.
3011174-96J01-000

   (актуальный код замены) Шланг сапуна - Hose, Breather

под заказ1540 руб.
3109401-18410-000

Зажим - Clip (Clip, breather hose; # ) (Clip)

под заказ320 руб.
3209482-00427-000

Свеча зажигания (ngk Bkr6e) - Plug, Spark (ngk Bkr6e) (Spark plug (bkr6e); # ) (Spark plug (ngk, bkr6e))

118 шт920 руб.


Время выполнения запроса 2.5620169639587 сек.

 
 

данный сайт носит информационный характер и не является публичной офертой

склад запчастей для водомоторной техники