Номер на рисунке | Артикул | Наименование | QTY | Кол-во на складе | Цена |
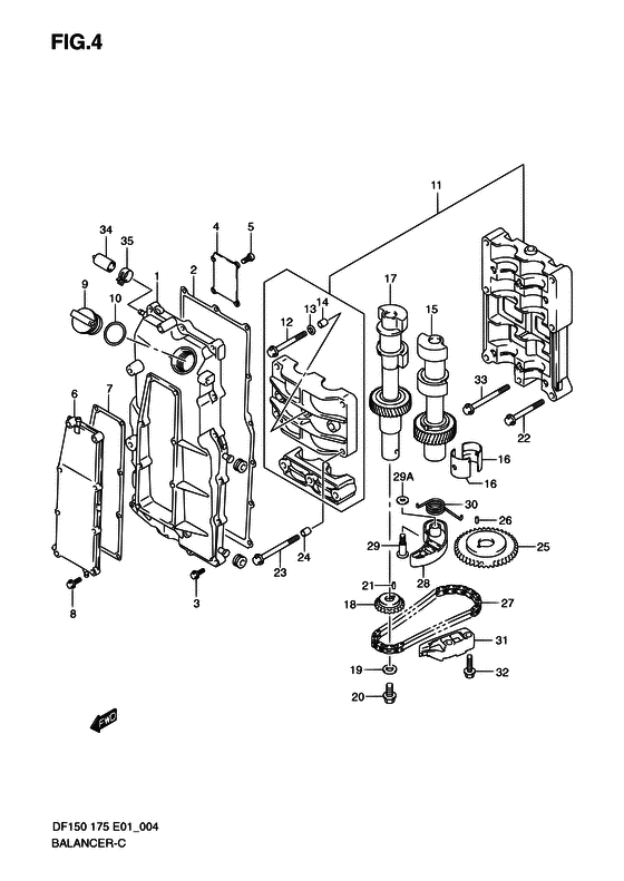
| 1 | 11330-96J00-000 | Крышка балансирующего вала - Cover, Balancer Shaft (крышка валов системы уравновешивания) | | под заказ | 33600 руб. |
| 1 | 11330-96J10-000 | Крышка балансирующего вала - Cover, Balancer Shaft (DF150T:782346~ DF175T:782633~ DF150T:780355~ DF175T:780481~ # ) (крышка валов системы уравновешивания) | | 2 шт | 28280 руб. |
| 2 | 11332-96J00-000 | Прокладка крышки балансира - Gasket, Balancer Cover (прокладка крышки балансировочного устройства) | | 5 шт | 3270 руб. |
| 3 | 01550-06257-000 | Болт - Bolt (Bolt) | | под заказ | 180 руб. |
| 4 | 11345-96J00-000 | Пластина, Balancer Крышка - Plate, Balancer Cover (DF150T:~782345 DF175T:~782632 DF150Z:~780354 DF175Z:~780480 # ) (Пластина крышки системы уравновешивания) | | под заказ | 350 руб. |
| 5 | 02112-0612A-000 | Винт - Screw (DF150T:~782345 DF175T:~782632 DF150Z:~780354 DF175Z:~780480 # ) (Болт) | | под заказ | 120 руб. |
| 6 | 11340-96J00-000 | Крышка, Balancer Water Jacket - Cover, Balancer Water Jacket (крышка водяной рубашки балансировочного устройства) | | под заказ | 13780 руб. |
| 7 | 11342-96J00-000 | Прокладка крышки балансира водяной рубашки охлаждения - Gasket, Bal Wtr Jkt Cover (прокладка крышки водяной рубашки балансировочного устройства) | | 6 шт | 1350 руб. |
| 8 | 01550-06257-000 | Болт - Bolt (Bolt) | | под заказ | 180 руб. |
| 9 | 11382-93J00-000 | Колпачок масляного фильтра - Cap, Oil Filler (Cap, oil filler) | | 6 шт | 630 руб. |
| 10 | 09280-26006-000 | Уплотнительное кольцо (d: 3.1, Id: 26.4) - O Ring (d:31, Id:264) (Кольцо уплотнительное) | | 2 шт | 220 руб. |
| 11 | 12600-96J00-000 | Корпус балансира - Housing Assy, Balancer | | под заказ | 59520 руб. |
| 11 | 12600-96J10-000 | (актуальный код замены) Корпус балансира - Housing Assy, Balancer | | под заказ | 59520 руб. |
| 11 | 12600-96J01-000 | Корпус балансира - Housing Assy, Balancer (Housing assy, balancer) | | под заказ | 59520 руб. |
| 11 | 12600-96J10-000 | (актуальный код замены) Корпус балансира - Housing Assy, Balancer | | под заказ | 59520 руб. |
| 12 | 12643-96J00-000 | Болт балансира - Bolt, Balancer (Bolt) | | под заказ | 580 руб. |
| 13 | 12644-96J00-000 | Шайба балансира - Washer, Balancer (Шайба) | | под заказ | 250 руб. |
| 14 | 04211-11129-000 | Штифт - Pin (Pin) | | 14 шт | 150 руб. |
| 15 | 12605-96J01-000 | Балансир правая / левая сторона - Balancer Set, Stbd/port | | под заказ | 49920 руб. |
| 15 | 12600-96803-000 | (актуальный код замены) Балансир правая / левая сторона - Balancer Set, Stbd/port | | 1 шт | 49920 руб. |
| 15 | 12600-96801-000 | Балансир правая / левая сторона - Balancer Set, Stbd/port (BALANCER SET, STBD/PORT) | | под заказ | 49920 руб. |
| 15 | 12600-96803-000 | (актуальный код замены) Балансир правая / левая сторона - Balancer Set, Stbd/port | | 1 шт | 49920 руб. |
| 16 | 12645-96J00-000 | Подшипник балансира - Bearing, Balancer (Подшипник балансира) | | под заказ | 1150 руб. |
| 16 | 12645-96J01-000 | (актуальный код замены) Подшипник балансира - Bearing, Balancer | | 56 шт | 1240 руб. |
| 17 | 12650-96J00-000 | Запчасть снята с производства - The Spare Part Is Laid Off | | под заказ | 0 руб. |
| 18 | 12665-96J00-000 | Цепное колесо ЗВЕЗДОЧКА, Balancer Driven - Sprocket, Balancer Driven (звездочка балансира ведомая) | | под заказ | 4660 руб. |
| 19 | 09160-10039-000 | Шайба (10.5x22x2.3) - Washer (105x22x23) (Шайба) | | под заказ | 170 руб. |
| 20 | 01550-1020A-000 | Болт - Bolt (Bolt, bal sprocket # ) (Болт) | | под заказ | 230 руб. |
| 21 | 04221-04089-000 | Штифт - Pin (Pin, bal sprocket driven # ) (шпонка ведомой звездочки балансира) | | 7 шт | 90 руб. |
| 22 | 09103-08414-000 | Болт (8x53) - Bolt (8x53) (Болт корпуса №1 (8X53)) | | под заказ | 250 руб. |
| 23 | 09103-08423-000 | Болт (8x80) - Bolt (8x80) (Болт корпуса №3 (8X80)) | | под заказ | 320 руб. |
| 24 | 04211-11129-000 | Штифт - Pin (Pin) | | 14 шт | 150 руб. |
| 25 | 12662-96J00-000 | Цепное колесо ЗВЕЗДОЧКА, Balancer Drive - Sprocket, Balancer Drive (звездочка балансира ведущая) | | под заказ | 6770 руб. |
| 26 | 09202-05032-000 | Штифт (5x12) - Pin (5x12) (Pin, bal sprocket drive # ) (шпонка ведущей звездочки балансира) | | 9 шт | 140 руб. |
| 27 | 12670-96J00-000 | Цепь балансира - Chain, Balancer (Цепь) | | под заказ | 5000 руб. |
| 28 | 12671-96J00-000 | Запчасть снята с производства - The Spare Part Is Laid Off (->12670-96810 BOLT & TENSIONER SET # ) | | под заказ | 0 руб. |
| 28 | 12671-96J01-000 | Натяжитель цепи балансира - Tensioner, Balancer Chain (MODEL:09~ # ) (Tensioner, balancer chain) | | под заказ | 2450 руб. |
| 29 | 12672-96J00-000 | Болт & Tensioner Set, Balancer - Bolt & Tensioner Set, Balancer (->12670-96810 BOLT & TENSIONER SET # ) | | под заказ | 3410 руб. |
| 29 | 12670-96810-000 | (актуальный код замены) Болт & Tensioner Set, Balancer - Bolt & Tensioner Set, Balancer | | под заказ | 3410 руб. |
| 29 | 12670-96810-000 | Болт & Tensioner Set, Balancer - Bolt & Tensioner Set, Balancer (Bolt & tensioner set, balancer) | | под заказ | 3410 руб. |
| 29 | 12672-96J01-000 | Болт натяжителя цепи балансира - Bolt, Balancer Chain Tensioner (MODEL:09~ # ) (Bolt, balancer chain tensioner) | | под заказ | 950 руб. |
| 29 | 09160-08079-000 | Шайба (8x17x2) - Washer (8x17x2) (MODEL:09~ # ) (Шайба) | | под заказ | 290 руб. |
| 30 | 12673-96J00-000 | Пружина натяжителя цепи балансира - Spring, Bal Chain Tensioner (Пружина механизма натяжения балансира) | | под заказ | 790 руб. |
| 31 | 12695-96J00-000 | Пружина натяжителя цепи балансира - Guide, Balancer Chain (Направляющая цепи балансира) | | под заказ | 5620 руб. |
| 32 | 01550-0825A-000 | Болт - Bolt (Болт) | | под заказ | 180 руб. |
| 33 | 09103-08158-000 | Болт (8x75) - Bolt (8x75) (Bolt, bal housing no.2 (8x75) # ) (Bolt (8x75)) | | под заказ | 410 руб. |
| 34 | 09251-05006-000 | Колпачок (od: 11) - Cap (od:11) (Cap, balancer cover # DF150T:780701~782345 DF175T:780641~782632 DF150Z:780144~780354 DF175Z:780119~780480 # ) (Cap) | | под заказ | 430 руб. |
| 35 | 09401-10411-000 | Зажим - Clip (Clip, cap # DF150T:780701~782345 DF175T:780641~782632 DF150Z:780144~780354 DF175Z:780119~780480 # ) (Clip) | | под заказ | 170 руб. |