Подобрать оригинальные запчасти на лодочный мотор Suzuki DF150(Z)TL/X модель 2012 года - Swivel bracket
вконтакте

Контактный телефон: +7 (981) 121-46-93, +7 (800) 200-90-76 , Email: parts-katalog@yandex.ru, где купить

 
 

  Логин:

Пароль:

Регистрация

www.partskatalog.ru Все каталоги Запчасти Mercury Запчасти Suzuki Запчасти Tohatsu Запчасти Honda Контакты

назад Раздел:   вперёд

Вернуться к выбору узлов мотора


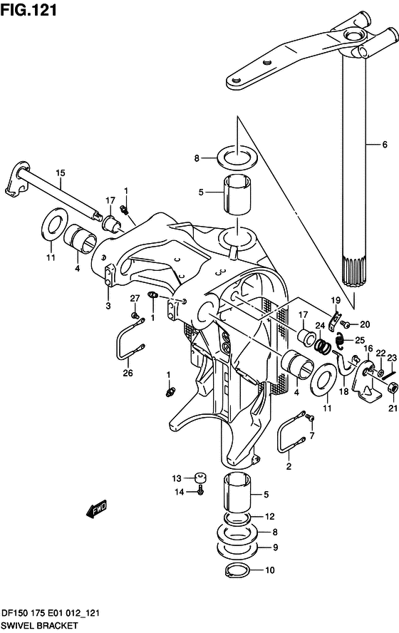
ДЕТАЛИРОВКА ДЛЯ МОДЕЛИ: SUZUKI DF150T FROM 15002F-210001~

Поворотный кронштейн


Код модели двигателя: DF150(Z)TL/X

Год выпуска двигателя: 2012

Цвет: Shadow Black Metallic

Номер на
рисунке
АртикулНаименованиеQTYКол-во
на складе
Цена
122511-99011-000

Ниппель смазки - Nipple, Grease (Ниппель)

9 шт400 руб.
236894-87D00-000

Lead (l: 165) - Lead (l:165) (Провод)

2 шт1350 руб.
343111-96J00-0EP

Поворотный кронштейн (l) (чёрный) - Bracket, Swivel (l) (black) (TRANSOM (L) # ) (Кронштейн шарнирный)

под заказ124800 руб.
343111-96J10-0EP

Поворотный кронштейн (x) (чёрный) - Bracket, Swivel (x) (black) (TRANSOM (X) # ) (Кронштейн шарнирный)

под заказ129120 руб.
443211-93J00-000

Втулка струбцины поворотного вала - Bush, Clamp Shaft Swivel (Втулка вала)

под заказ830 руб.
443211-93J11-000

   (актуальный код замены) Втулка струбцины поворотного вала - Bush, Clamp Shaft Swivel

10 шт900 руб.
543711-97E00-000

Втулка рулевой системы - Bush, Steering

под заказ870 руб.
543711-97E11-000

   (актуальный код замены) Втулка рулевой системы - Bush, Steering

20 шт930 руб.
5SK43711-97E00

   (не оригинальный аналог) Втулка поворотного механизма Skipper для Suzuki DT40-200/DF40-300

0 шт254 руб.
543711-97E01-000

Втулка рулевой системы - Bush, Steering (Bush, steering)

под заказ870 руб.
543711-97E11-000

   (актуальный код замены) Втулка рулевой системы - Bush, Steering

20 шт930 руб.
643750-96J01-0EP

Кронштейн рулевого управления (l) (чёрный) - Bracket, Steering (l) (black) (TRANSOM (L) # )

под заказ97920 руб.
643750-96J03-0EP

   (актуальный код замены) Кронштейн рулевого управления (l) (чёрный) - Bracket, Steering (l) (black)

под заказ97920 руб.
643750-96J02-0EP

Кронштейн рулевого управления (l) (чёрный) - Bracket, Steering (l) (black) (Bracket, steering (l) (black))

под заказ97920 руб.
643750-96J03-0EP

   (актуальный код замены) Кронштейн рулевого управления (l) (чёрный) - Bracket, Steering (l) (black)

под заказ97920 руб.
643750-96J11-0EP

Кронштейн рулевого управления (x) (чёрный) - Bracket, Steering (x) (black) (TRANSOM (X) # )

под заказ103200 руб.
643750-96J13-0EP

   (актуальный код замены) Кронштейн Comp, Рулевая система (x) - Bracket Comp, Steering (x)

под заказ103200 руб.
643750-96J12-0EP

Кронштейн рулевого управления (x) (чёрный) - Bracket, Steering (x) (black) (Bracket, steering (x) (black))

под заказ103200 руб.
643750-96J13-0EP

   (актуальный код замены) Кронштейн Comp, Рулевая система (x) - Bracket Comp, Steering (x)

под заказ103200 руб.
709125-06063-000

Винт (6x10) - Screw (6x10) (Винт 6X10 (SUS))

6 шт190 руб.
809160-39001-000

Шайба (39.5x64x1) - Washer (395x64x1) (Washer (39.5x64x1.0) # ) (Шайба 39.5X64X)

8 шт320 руб.
909181-39001-000

Регулировочная шайба (39.5x64x0.3) - Shim (395x64x03) (Shim (39.5x64x0.3) # ) (Shim)

10 шт480 руб.
1009380-38003-000

Стопорное кольцо - Circlip (Circlip)

5 шт600 руб.
1109169-28003-000

Шайба - Washer (Шайба)

под заказ410 руб.
1209282-39001-000

Сальник (39x51x5) - Seal, Oil (39x51x5) (Seal, oil # ) (Сальник 39X51X)

24 шт690 руб.
1355321-87J00-000

Защитный анод - Anode, Protection

1 шт750 руб.
1355321-87J01-000

   (актуальный код замены) Защитный анод - Anode, Protection

под заказ850 руб.
13SMO-55321-87J01-000

   (не оригинальный аналог) Защитный анод SMO-55321-87J01-000 (оригинал)

под заказ590 руб.
13SMO-55321-87J01-000

  (аналог) Защитный анод SMO-55321-87J01-000 (оригинал) - код 55321-87J01-000

 под заказ шт585 руб.
1355321-87J01-000

Защитный анод - Anode, Protection (ANODE, PROTECTION)

под заказ850 руб.
13SMO-55321-87J01-000

  (аналог) Защитный анод SMO-55321-87J01-000 (оригинал) - код 55321-87J01-000

 под заказ шт585 руб.
1355321-87J10-000

Анод, Magnesium - Anode, Magnesium (OPT # ) (Анод)

под заказ1490 руб.
1355321-87J11-000

   (актуальный код замены) Анод (магниевый) - Anode (magnesium)

27 шт1490 руб.
1409103-06281-000

Болт (6x14) - Bolt (6x14) (Bolt, protection anode # ) (Bolt)

6 шт270 руб.
1541220-96J10-000

Рычаг блокировки наклона - Lever, Tilt Lock (Lever comp, tilt lock)

под заказ8500 руб.
1641234-96J10-000

Левый рычаг блокировки наклона - Lever, Tilt Lock Port (Lever, tilt lock port)

1 шт3390 руб.
1741224-95E01-000

Втулка тяги ограничителя наклона - Bush, Tilt Stopper Rod (Bush, tilt stopper rod # ) (Втулка блокировки)

под заказ570 руб.
1841230-96J00-000

Соединитель рычага ограничителя наклона - Link, Tilt Lock Lever (Link, tilt lock lever)

1 шт2160 руб.
1941233-95E10-000

Кронштейн пружины ограничителя наклона - Bracket, Tilt Lock Spring (Bracket, tilt lock spring # ) (Кронштейн блокировки)

1 шт1230 руб.
2009125-06063-000

Винт (6x10) - Screw (6x10) (Винт 6X10 (SUS))

6 шт190 руб.
2109140-10032-000

Гайка - Nut (Гайка)

10 шт160 руб.
2209160-06082-000

Шайба (6.5x13x1.0) - Washer (65x13x10) (Шайба)

7 шт150 руб.
2309204-01006-000

Штифт - Pin (Pin, cotter # ) (Pin)

14 шт150 руб.
2409440-19028-000

Пружина - Spring (Пружина)

7 шт260 руб.
2509443-10043-000

Пружина - Spring (Пружина)

9 шт250 руб.
2636894-87D00-000

Lead (l: 165) - Lead (l:165) (Провод)

2 шт1350 руб.
2709125-06063-000

Винт (6x10) - Screw (6x10) (Винт 6X10 (SUS))

6 шт190 руб.


Время выполнения запроса 3.2278020381927 сек.

 
 

данный сайт носит информационный характер и не является публичной офертой

склад запчастей для водомоторной техники