| |
 |
|
 |
Вернуться к выбору узлов мотора
ДЕТАЛИРОВКА ДЛЯ МОДЕЛИ: SUZUKI DF150Z FROM 15002Z-210001~
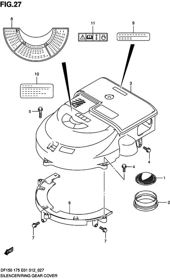
Глушитель / Крышка механизма маховика
Год выпуска двигателя: 2012
Номер на рисунке | Артикул | Наименование | QTY | Кол-во на складе | Цена |
| 1 | 13710-96J00-000 | Пламегаситель - Arrester, Flame (Предохранитель зажигания) | | под заказ | 1110 руб. |
| 2 | 13813-96J00-000 | Держатель пламегасителя - Holder, Arrester (Держатель предохранителя) | | под заказ | 920 руб. |
| 2 | 13813-96J01-000 | (актуальный код замены) Держатель пламегасителя - Holder, Arrester | | под заказ | 920 руб. |
| 3 | 13810-96J00-000 | Глушитель - Silencer (Глушитель) | | под заказ | 13200 руб. |
| 4 | 01550-06207-000 | Болт - Bolt (Bolt (chrome)) | | 17 шт | 220 руб. |
| 5 | 01550-06307-000 | Болт - Bolt (Bolt (chrome)) | | 8 шт | 250 руб. |
| 6 | 11510-96J03-000 | Крышка снизу кольцевой шестерни - Cover, Ring Gear Under | | под заказ | 3630 руб. |
| 6 | 11510-96J04-000 | (актуальный код замены) Крышка снизу кольцевой шестерни - Cover, Ring Gear Under | | под заказ | 3630 руб. |
| 6 | 11510-96J04-000 | Крышка снизу кольцевой шестерни - Cover, Ring Gear Under (COVER, RING GEAR UNDER) | | под заказ | 3630 руб. |
| 7 | 01550-06207-000 | Болт - Bolt (Bolt (chrome)) | | 17 шт | 220 руб. |
| 8 | 61472-93E32-000 | Наклейки, Recoil, Стартер - Label, Recoil, Starter (Наклейка) | | под заказ | 1090 руб. |
| 8 | 61472-93E33-000 | (актуальный код замены) Наклейки, Recoil, Стартер - Label, Recoil, Starter | | под заказ | 1090 руб. |
| 9 | 61493-96J00-000 | Наклейка - очистка - Label, Clearance (Label, clearance) | | под заказ | 740 руб. |
| 10 | 61494-96J00-000 | Наклейка - масло - Label, Oil (Label, oil) | | под заказ | 740 руб. |
| 11 | 69711-93E10-000 | Наклейки, S.i.g.p. - Label, Sigp (Label, caution # ) (Наклейка предупреждающая) | | под заказ | 500 руб. |
| 11 | 69711-93E11-000 | (актуальный код замены) Наклейки (s.i.g.p.) - Label (s.i.g.p.) | | под заказ | 500 руб. |
Время выполнения запроса 0.82908201217651 сек. |
|