| |
 |
|
 |
Вернуться к выбору узлов мотора
ДЕТАЛИРОВКА ДЛЯ МОДЕЛИ: SUZUKI DF175T/DF175TG FROM 17502F-410001~
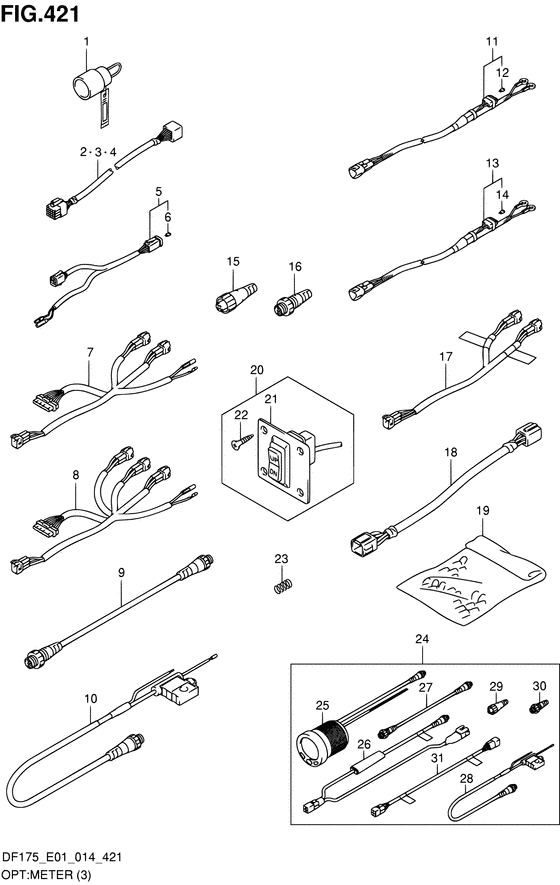
Опции: приборы
Номер на рисунке | Артикул | Наименование | QTY | Кол-во на складе | Цена |
| 1 | 36612-98J01-000 | Коннектор выбора счетчика (grn) - Connector, Counter Select (grn) (CONNECTOR, COUNTER SELECT (GRN)) | | под заказ | 1500 руб. |
| 2 | 36620-98J30-000 | Провода дистанционного управления, в сборе - Wire Assy, Remote Control (WIRE ASSY, REMOTE CONTROL) | | под заказ | 29040 руб. |
| 2 | 36620-98J33-000 | (актуальный код замены) Провода дистанционного управления, в сборе 6.5m - Wire Assy, Remote Control 6.5m | | 6 шт | 29040 руб. |
| 3 | 36620-98J40-000 | Провода дистанционного управления, в сборе - Wire Assy, Remote Control | | 2 шт | 41250 руб. |
| 3 | 36620-98J43-000 | (актуальный код замены) Провода дистанционного управления, в сборе 9.5m - Wire Assy, Remote Control 9.5m | | под заказ | 38880 руб. |
| 4 | 36620-98J50-000 | Удлинитель провода дистанционного управления - Wire Assy, Remocon Ext (Wire assy, remote control ext) | | под заказ | 14740 руб. |
| 4 | 36620-98J53-000 | (актуальный код замены) Удлинитель провода дистанционного управления - Wire Assy, Remote Control Ext | | 5 шт | 16060 руб. |
| 5 | 36661-98J10-000 | Адаптер интерфейса для одномоторной установки - Adapter, Interface Single (Adapter, interface single) | | 2 шт | 6870 руб. |
| 6 | 09481-05501-000 | Предохранитель (5a) - Fuse (5a) (Fuse (5a)) | | под заказ | 160 руб. |
| 7 | 36661-98J20-000 | Adapter, Interface Dual - Adapter, Interface Dual (Adapter, interface dual) | | под заказ | 8930 руб. |
| 8 | 36661-98J30-000 | Adapter, Interface Triple - Adapter, Interface Triple (Adapter, interface triple) | | под заказ | 8880 руб. |
| 9 | 36662-88L00-000 | Удлинитель кабеля 25 метров - Wire, 25 Extension (Wire, 25 extension) | | 5 шт | 18390 руб. |
| 10 | 36663-88L00-000 | Кабель питания сети - Harness Assy, Network Power (Harness assy, network power) | | 2 шт | 11670 руб. |
| 11 | 36663-98J00-000 | Жгут проводов, Active Hub Pwr (2.5m) - Harness, Active Hub Pwr (25m) (Harness assy, active hub pwr s) | | 1 шт | 10040 руб. |
| 12 | 09481-05501-000 | Предохранитель (5a) - Fuse (5a) (Fuse (5a)) | | под заказ | 160 руб. |
| 13 | 36663-98J10-000 | Жгут проводов, Active Hub Pwr (6m) - Harness, Active Hub Pwr (6m) (Harness assy, active hub pwr l) | | под заказ | 16230 руб. |
| 14 | 09481-05501-000 | Предохранитель (5a) - Fuse (5a) (Fuse (5a)) | | под заказ | 160 руб. |
| 15 | 36665-88L00-000 | Модуль: резистор мама - Unit, Resistor Female (Unit, resistor female) | | 4 шт | 2100 руб. |
| 16 | 36665-88L10-000 | Модуль: резистор папа - Unit, Resistor Male (Unit, resistor male) | | 7 шт | 2100 руб. |
| 17 | 36667-87L00-000 | Адаптер прибора для Mult - Adapter, Gauge For Mult (ADAPTER, GAUGE FOR MULT) | | под заказ | 0 руб. |
| 18 | 36682-92E00-000 | Провод указателя трима (l: 6500) - Wire, Trim Meter Ext (l:6500) (Wire, trim gauge ext # ) (Проводка) | | 2 шт | 10800 руб. |
| 19 | 36990-87D00-000 | Клемма / Гильза Set - Terminal / Sleeve Set (Terminal & sleeve set # ) (Стержень и гильза) | | 1 шт | 1720 руб. |
| 20 | 37860-87L00-000 | Панель выключателя управления тролингом - Panel Assy, Trolling Control Sw (Panel assy, trolling control switch) | | 7 шт | 18030 руб. |
| 21 | 37862-87L00-000 | Panel - Panel (Панель) | | под заказ | 5480 руб. |
| 22 | 09131-05004-000 | Винт (5x16) - Screw (5x16) (Болт) | | под заказ | 170 руб. |
| 23 | 67237-98J20-000 | Фиксатор пружины - Spring, Detent (Spring, detent) | | под заказ | 700 руб. |
| 24 | 34011-88L13-000 | Kit, 2 In Multi Gauge - Kit, 2 In Multi Gauge | | под заказ | 161280 руб. |
| 24 | 34011-88L15-000 | (актуальный код замены) Kit, 2 In Multi Gauge | | под заказ | 161280 руб. |
| 24 | 34011-88L15-000 | Kit, 2 In Multi Gauge - Kit, 2 In Multi Gauge (KIT, 2 IN MULTI GAUGE) | | под заказ | 161280 руб. |
| 25 | 34800-88L01-000 | Комплект приборов: 2 в 1 - Gauge Assy, 2 In Multi (Gauge assy, 2 in multi) | | под заказ | 0 руб. |
| 26 | 34922-88L02-000 | Unit, Interface - Unit, Interface | | под заказ | 34080 руб. |
| 26 | 34922-88L04-000 | (актуальный код замены) Unit, Interface | | 7 шт | 34080 руб. |
| 26 | 34922-88L04-000 | Unit, Interface - Unit, Interface (UNIT, INTERFACE) | | 7 шт | 34080 руб. |
| 26 | 34922-88L04-000 | Unit, Interface - Unit, Interface (UNIT, INTERFACE) | | 7 шт | 34080 руб. |
| 27 | 36662-88L00-000 | Удлинитель кабеля 25 метров - Wire, 25 Extension (Wire, 25 extension) | | 5 шт | 18390 руб. |
| 28 | 36663-88L00-000 | Кабель питания сети - Harness Assy, Network Power (Harness assy, network power) | | 2 шт | 11670 руб. |
| 29 | 36665-88L00-000 | Модуль: резистор мама - Unit, Resistor Female (Unit, resistor female) | | 4 шт | 2100 руб. |
| 30 | 36665-88L10-000 | Модуль: резистор папа - Unit, Resistor Male (Unit, resistor male) | | 7 шт | 2100 руб. |
| 31 | 36668-88L00-000 | Провод от адаптера к диагностике - Wire, Adapter To Diagns (Wire, adapter to diagns) | | 1 шт | 22130 руб. |
Время выполнения запроса 3.1010789871216 сек. |
|