| |
 |
|
 |
Вернуться к выбору узлов мотора
ДЕТАЛИРОВКА ДЛЯ МОДЕЛИ: SUZUKI DF175T/DF175TG FROM 17502F-410001~
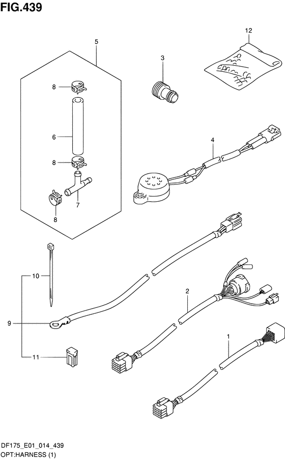
Опции: жгут проводов
Номер на рисунке | Артикул | Наименование | QTY | Кол-во на складе | Цена |
| 1 | 36620-93J10-000 | Удлинитель провода дистанционного управления (l: 2000) - Wire Assy, Remocon Ext (l:2000) (L:2000 # ) (Проводка дистанционного упраления) | | под заказ | 12390 руб. |
| 1 | 36620-93J12-000 | (актуальный код замены) Удлинитель провода дистанционного управления (l: 2000) - Wire Assy, Remocon Ext (l:2000) | | под заказ | 13480 руб. |
| 1 | 36620-93J40-000 | Удлинитель провода дистанционного управления (l: 3000) - Wire Assy, Remocon Ext (l:3000) (L:3000 # ) (Проводка дистанционного упраления) | | под заказ | 15030 руб. |
| 1 | 36620-93J42-000 | (актуальный код замены) Удлинитель провода дистанционного управления - Wire Assy, Remote Control Ext | | под заказ | 15030 руб. |
| 2 | 36620-93J30-000 | Кабель дистанционного управления (l: 2000) - Wire Assy, Remocon (l:2000) (Проводка дистанционного упраления) | | под заказ | 13010 руб. |
| 2 | 36620-93J32-000 | (актуальный код замены) Кабель дистанционного управления (l: 2000) - Wire Assy, Remocon (l:2000) | | под заказ | 13010 руб. |
| 3 | 17917-87L00-000 | Коннектор для промывки водой - Connector, Flush Water (Connector, flush water) | | 2 шт | 870 руб. |
| 4 | 38500-93J00-000 | Предупреждающий зуммер, в сборе - Buzzer Assy, Warning (Buzzer assy, warning # ) (Звуковой бузер) | | под заказ | 3890 руб. |
| 4 | 38500-93J90-000 | (актуальный код замены) Предупреждающий зуммер - Buzzer, Warning | | под заказ | 3890 руб. |
| 5 | 34660-96J00-000 | Измеритель давления воды, установочный комплект Sub - Kit, Water Press Gauge Sub (Комплект водной помпы) | | под заказ | 1950 руб. |
| 5 | 34660-96J01-000 | (актуальный код замены) Измеритель давления воды, установочный комплект Sub - Kit, Water Press Gauge Sub | | под заказ | 1950 руб. |
| 6 | 09352-50903-600 | Шланг (5x9x600) - Hose (5x9x600) (L:600->70 # ) (Шланг 5X9X600) | | под заказ | 570 руб. |
| 6 | 09352-50006-600 | (актуальный код замены) Шланг (5x9x600) - Hose (5x9x600) | | 1 шт | 570 руб. |
| 7 | 09367-06006-000 | Тройник - 3 Way (Направляющая трубки) | | под заказ | 300 руб. |
| 8 | 09401-08413-000 | Зажим - Clip (Clip) | | под заказ | 190 руб. |
| 9 | 33830-96J00-000 | Set, Battery Lead - Set, Battery Lead (Комплект) | | под заказ | 12580 руб. |
| 10 | 09407-10404-000 | Струбцина (l: 100) - Clamp (l:100) (Clamp, battery lead (l:96) # ) (Clamp (l:100)) | | под заказ | 190 руб. |
| 11 | 09481-30401-000 | Предохранитель (30a) - Fuse (30a) (Fuse (30a)) | | 10 шт | 870 руб. |
| 12 | 36990-87D00-000 | Клемма / Гильза Set - Terminal / Sleeve Set (Terminal & sleeve set # ) (Стержень и гильза) | | 1 шт | 1720 руб. |
Время выполнения запроса 1.0380041599274 сек. |
|