| |
 |
|
 |
Вернуться к выбору узлов мотора
ДЕТАЛИРОВКА ДЛЯ МОДЕЛИ: SUZUKI DF175Z/DF175ZG FROM 17502Z-410001~
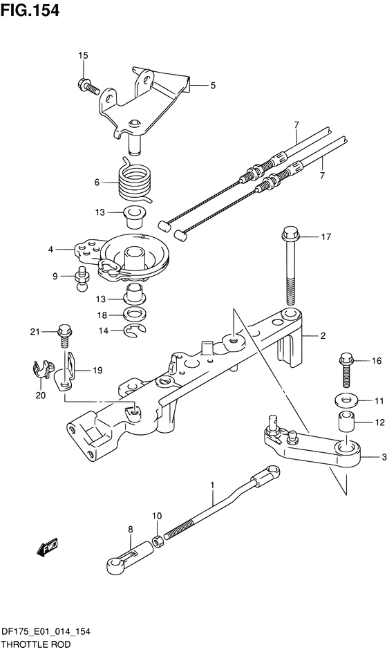
Тяга дросселя
Номер на рисунке | Артикул | Наименование | QTY | Кол-во на складе | Цена |
| 1 | 13510-96J00-000 | Тяга дросселя №1 - Rod, Throttle No1 (Штанга дросселя NO.1) | | под заказ | 2100 руб. |
| 2 | 19115-96J00-000 | Держатель рычага дросселя - Holder, Throttle Lever (Держатель дросселя) | | под заказ | 9030 руб. |
| 3 | 19121-93J02-000 | Рычаг дросселя №1 - Lever, Throttle No1 (Ручка дросселя NO.1) | | под заказ | 2740 руб. |
| 4 | 19148-96J00-000 | Барабан дросселя - Drum, Throttle (Барабан дросселя) | | под заказ | 5040 руб. |
| 5 | 19184-96J00-000 | Кронштейн тросика газа - Bracket, Throttle Cable (Кронштейн дросселя) | | под заказ | 2030 руб. |
| 6 | 19185-96J01-000 | Пружина рычага дросселя - Spring, Throttle Lever (Пружина ручки) | | под заказ | 490 руб. |
| 7 | 63610-96J00-000 | Тросик дросселя - Cable, Throttle (Cable, throttle) | | под заказ | 3870 руб. |
| 7 | 63610-96J01-000 | (актуальный код замены) Тросик дросселя - Cable, Throttle | | под заказ | 3870 руб. |
| 8 | 67463-95200-000 | Коннектор тяги управления дросселем - Connector, Throttle Control (Connector, throttle rod # ) (Соединение дросселя) | | под заказ | 340 руб. |
| 9 | 09119-06047-000 | Стержень - Pivot (Pivot, ball # ) (Болт) | | 21 шт | 520 руб. |
| 10 | 09140-05005-000 | Гайка - Nut (Гайка) | | 10 шт | 270 руб. |
| 11 | 09160-06066-000 | Шайба (6.5x20x1.6) - Washer (65x20x16) (Washer, throttle lever (6.5x20x1.6) # ) (Шайба) | | под заказ | 150 руб. |
| 12 | 09180-06230-000 | Проставка (6.2x12.6x12.5) - Spacer (62x126x125) (Spacer, throttle lever # ) (Spacer (6.2x12x12.5)) | | 7 шт | 750 руб. |
| 13 | 09306-10001-000 | Втулка - Bush (Bush, clutch lever # ) (Втулка) | | 10 шт | 360 руб. |
| 14 | 09383-08005-000 | Уплотнительное кольцо - E Ring (E ring, throttle drum # ) (E ring) | | под заказ | 210 руб. |
| 15 | 01550-06167-000 | Болт - Bolt (Bolt) | | 9 шт | 210 руб. |
| 16 | 01550-06257-000 | Болт - Bolt (Bolt) | | под заказ | 180 руб. |
| 17 | 01550-08657-000 | Болт - Bolt (Bolt, throttle lever holder # ) (Bolt) | | под заказ | 290 руб. |
| 18 | 08322-01107-000 | Шайба - Washer (Washer, throttle drum # ) (Шайба) | | под заказ | 140 руб. |
| 19 | 15198-96J00-000 | Кронштейн струбцины топливного шланга - Bracket, Fuel Hose Clamp (Кронштейн топливного шланга) | | под заказ | 620 руб. |
| 20 | 09403-11314-000 | Струбцина - Clamp (Шланг топливный) | | под заказ | 240 руб. |
| 21 | 01550-06127-000 | Болт - Bolt (Bolt, rect # ) (Bolt) | | 10 шт | 180 руб. |
Время выполнения запроса 1.4038560390472 сек. |
|