Подобрать запчасти на лодочный мотор Suzuki DF175(Z)TL/X модель 2007 года - Отделитель паров топлива
вконтакте

Контактный телефон: +7 (981) 121-46-93, +7 (800) 200-90-76 , Email: parts-katalog@yandex.ru, где купить

 
 

  Логин:

Пароль:

Регистрация

www.partskatalog.ru Все каталоги Запчасти Mercury Запчасти Suzuki Запчасти Tohatsu Запчасти Honda Контакты



УВАЖАЕМЫЕ КЛИЕНТЫ!
C 19 ДЕКАБРЯ 2025 ПО 02 МАРТА 2026 ГОДА ОТДЕЛ ЗАПЧАСТЕЙ И СЕРВИС РАБОТАТЬ НЕ БУДУТ
ПРОДАЖА ЛОДОЧНЫХ МОТОРОВ В ШТАТНОМ РЕЖИМЕ
ОБ ИЗМЕНЕНИЯХ В ГРАФИКЕ РАБОТЫ ЧИТАЙТЕ НА САЙТА



назад Раздел:   вперёд

Вернуться к выбору узлов мотора


ДЕТАЛИРОВКА ДЛЯ МОДЕЛИ: SUZUKI DF175ZX K7

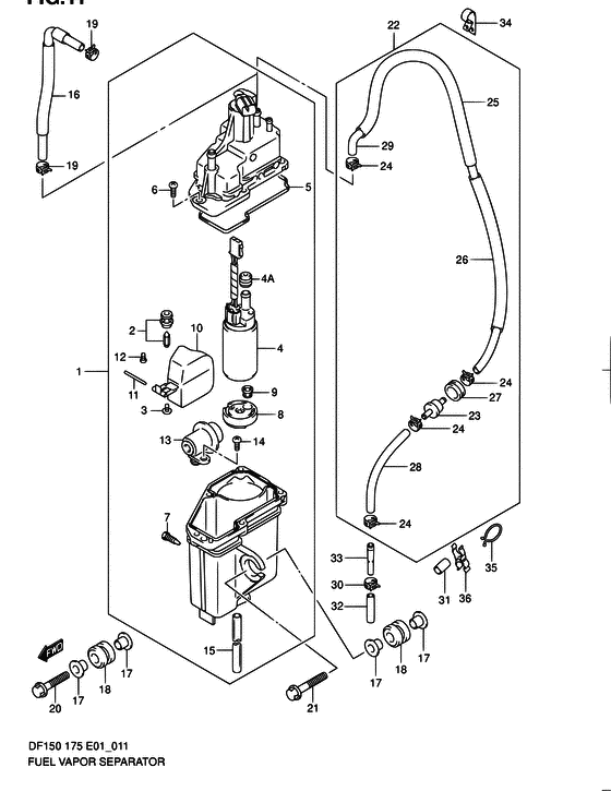
Отделитель паров топлива


Код модели двигателя: DF175(Z)TL/X

Год выпуска двигателя: 2007

Цвет: Shadow Black Metallic

Номер на
рисунке
АртикулНаименованиеQTYКол-во
на складе
Цена
115600-96J00-000

Сепаратор-отделитель паров топлива, в сборе - Separator Assy, Fuel Vapor (Separator Assy, Fuel Vapor)

под заказ89280 руб.
115600-96J03-000

   (актуальный код замены) Сепаратор-отделитель паров топлива, в сборе - Separator Assy, Fuel Vapor

под заказ89280 руб.
115600-96J02-000

Сепаратор-отделитель паров топлива, в сборе - Separator Assy, Fuel Vapor (Separator Assy, Fuel Vapor)

под заказ89280 руб.
115600-96J03-000

   (актуальный код замены) Сепаратор-отделитель паров топлива, в сборе - Separator Assy, Fuel Vapor

под заказ89280 руб.
115600-96J01-000

Сепаратор-отделитель паров топлива, в сборе - Separator Assy, Fuel Vapor (DF150T:110122~ DF175T:110093~ DF150Z:110010~ DF175Z:110012~) (Separator Assy, Fuel Vapor)

под заказ89280 руб.
115600-96J03-000

   (актуальный код замены) Сепаратор-отделитель паров топлива, в сборе - Separator Assy, Fuel Vapor

под заказ89280 руб.
115600-96J10-000

Сепаратор-отделитель паров топлива, в сборе - Separator Assy, Fuel Vapor (E40) (Separator Assy, Fuel Vapor)

под заказ89280 руб.
115600-96J12-000

   (актуальный код замены) Сепаратор-отделитель паров топлива, в сборе - Separator Assy, Fuel Vapor

под заказ89280 руб.
115600-96J12-000

Сепаратор-отделитель паров топлива, в сборе - Separator Assy, Fuel Vapor (Separator Assy, Fuel Vapor)

под заказ89280 руб.
115600-96J12-000

Сепаратор-отделитель паров топлива, в сборе - Separator Assy, Fuel Vapor (Separator Assy, Fuel Vapor)

под заказ89280 руб.
115600-96J11-000

Сепаратор-отделитель паров топлива, в сборе - Separator Assy, Fuel Vapor (E40 DF150T:110122~ DF175T:110093~ DF150Z:110010~ DF175Z:110012~) (Separator Assy, Fuel Vapor)

под заказ89280 руб.
115600-96J12-000

   (актуальный код замены) Сепаратор-отделитель паров топлива, в сборе - Separator Assy, Fuel Vapor

под заказ89280 руб.
115600-96J12-000

Сепаратор-отделитель паров топлива, в сборе - Separator Assy, Fuel Vapor (Separator Assy, Fuel Vapor)

под заказ89280 руб.
213370-96J00-000

Игольчатый клапан, в сборе - Valve Assy, Needle (Valve Assy, Needle)

под заказ4900 руб.
302142-0408B-000

Винт - Screw (Screw)

под заказ130 руб.
415200-96J00-000

Топливный насос (высокого давления), в сборе - Pump Assy, Fuel (h) (Pump Assy, Fuel (h))

под заказ42000 руб.
4SK15200-96J00

   (не оригинальный аналог) Насос топливный Skipper для Suzuki 150-200

0 шт8730 руб.
415200-96J10-000

Топливный насос (высокого давления), в сборе - Pump Assy, Fuel (h) (E40 ) (Pump Assy, Fuel (h))

под заказ42000 руб.
415647-93J00-000

Втулка топливного насоса - Bush, Fuel Pump (Bush, Fuel Pump)

под заказ990 руб.
415647-93J10-000

   (актуальный код замены) Втулка топливного насоса - Bush, Fuel Pump

под заказ1320 руб.
415647-93J10-000

Втулка топливного насоса - Bush, Fuel Pump (E40 ) (Bush, Fuel Pump)

под заказ1320 руб.
515626-96J00-000

Сальник - Seal (Seal)

1 шт1280 руб.
615628-99E00-000

Винт (l: 15) - Screw (l:15) (Screw (l:15))

под заказ240 руб.
715629-99E10-000

Винт дренажный - Screw, Drain (Screw, Drain)

под заказ550 руб.
815641-96J00-000

Прокладка топливного насоса - Spacer, Fuel Pump (Spacer, Fuel Pump)

под заказ2340 руб.
915642-90J00-000

Фильтр - Filter (Filter)

2 шт1110 руб.
1015650-96J00-000

Поплавок - Float (Float)

под заказ6870 руб.
1113254-01010-000

Стопор поплавка - Pin, Float (Pin, Float)

под заказ290 руб.
1202112-0408A-000

Винт - Screw (Screw)

под заказ90 руб.
1315760-93J00-000

Регулятор давления топлива - Regulator, Fuel Pressure (Regulator, Fuel Pressure)

под заказ16130 руб.
1315760-93J01-000

   (актуальный код замены) Регулятор давления топлива - Regulator, Fuel Pressure

1 шт17590 руб.
1402112-05107-000

Винт - Screw (Screw, bracket ) (Screw)

под заказ120 руб.
1515683-87J00-000

Шланг - Hose (Hose, drain ) (Hose)

под заказ330 руб.
1615660-96J00-000

Шланг испарителя - Hose, Evaporation (DF150T:~780700 DF175T:~780640 DF150Z:~780143 DF175Z:~780118 ) (Hose, Evaporation)

под заказ1700 руб.
1615660-96J01-000

   (актуальный код замены) Шланг испарителя - Hose, Evaporation

под заказ1700 руб.
1709169-08042-000

Шайба - Washer (Washer (8.5x22x2) ) (Washer)

под заказ430 руб.
1809320-12072-000

Подушка - Cushion (Cushion)

под заказ240 руб.
1809320-12094-000

   (актуальный код замены) Подушка глушителя Кронштейн - Cushion, Silencer Bracket

под заказ240 руб.
1917813-90J00-000

Зажим - Clip (DF150T:~780700 DF175T:~780640 DF150Z:~780143 DF175Z:~780118) (Clip)

под заказ190 руб.
1909401-08412-000

   (актуальный код замены) Зажим - Clip

под заказ190 руб.
1909401-08412-000

Зажим - Clip (Clip)

под заказ190 руб.
2001550-08357-000

Болт - Bolt (Bolt)

под заказ260 руб.
2101550-08407-000

Болт - Bolt (Bolt)

под заказ260 руб.
2215660-96J11-000

Шланг испарителя - Hose, Evaporation (DF150T:780701~ DF175T:780641~ DF150Z:780144~ DF175Z:780119~) (Hose, Evaporation)

под заказ2500 руб.
2215660-96J31-000

   (актуальный код замены) Шланг испарителя (l: 1000) - Hose, Evaporation (l:1000)

под заказ2500 руб.
2215660-96J20-000

Шланг испарителя - Hose, Evaporation (Hose, Evaporation)

под заказ2500 руб.
2215660-96J31-000

   (актуальный код замены) Шланг испарителя (l: 1000) - Hose, Evaporation (l:1000)

под заказ2500 руб.
2315410-98500-000

Топливный фильтр - Filter, Fuel (Filter assy, fuel # DF150T:780701~ DF175T:780641~ DF150Z:780144~ DF175Z:780119~ ) (Filter, Fuel)

40 шт1600 руб.
2315410-98500

   (не оригинальный аналог) Топливный фильтр Suzuki 15410-98500

под заказ590 руб.
2409401-08412-000

Зажим - Clip (DF150T:780701~ DF175T:780641~ DF150Z:780144~ DF175Z:780119~ ) (Clip)

под заказ190 руб.
2518498-87JC0-000

Защита шланга (9.5x11.5x450) - Protector, Hose (95x115x450) (Protector, evap hose (9.5x11.5x450) # DF150T:780701~ DF175T:780641~ DF150Z:780144~ DF175Z:780119~ ) (Protector, Hose (9.5x11.5x450))

1 шт650 руб.
2518498-87JC1-000

   (актуальный код замены) Защита шланга (9.5x11.5x450) - Protector, Hose (9.5x11.5x450)

под заказ650 руб.
2618498-87JC0-000

Защита шланга (9.5x11.5x450) - Protector, Hose (95x115x450) (Protector, evap hose (9.5x11.5x450) # L:450->300 DF150T:780701~ DF175T:780641~ DF150Z:780144~ DF175Z:780119~ ) (Protector, Hose (9.5x11.5x450))

1 шт650 руб.
2618498-87JC1-000

   (актуальный код замены) Защита шланга (9.5x11.5x450) - Protector, Hose (9.5x11.5x450)

под заказ650 руб.
2709320-20008-000

Подушка - Cushion (Cushion filter # DF150T:780701~ DF175T:780641~ DF150Z:780144~ DF175Z:780119~ ) (Cushion)

под заказ290 руб.
2809352-50823-600

Шланг (5x8.2x600) - Hose (5x82x600) (Hose, evapotation (5.0x8.2x600) # L:600->120 DF150T:780701~ DF175T:780641~ DF150Z:780144~ DF175Z:780119~ ) (Hose (5x8.2x600))

под заказ640 руб.
2809352-50005-600

   (актуальный код замены) Шланг (5x8.2x600) - Hose (5x8.2x600)

под заказ640 руб.
2909352-50823-00B

Шланг (5x8.2x2000) - Hose (5x82x2000) (Hose (vapor sep to filter) # L:2000->860 DF150T:780701~ DF175T:780641~ DF150Z:780144~ DF175Z:780119~ ) (Hose (5x8.2x2000))

1 шт1420 руб.
2909352-50005-00B

   (актуальный код замены) Шланг (5x8.2x2000) - Hose (5x8.2x2000)

под заказ1420 руб.
3009401-08412-000

Зажим - Clip (DF150T:780701~ DF175T:780641~ DF150Z:780144~ DF175Z:780119~ ) (Clip)

под заказ190 руб.
3118498-96J40-000

Защита, Провод Жгут проводов - Protector, Wire Harness (Protector, harness (9.5x11.5x25) # DF150T:780701~ DF175T:780641~ DF150Z:780144~ DF175Z:780119~ ) (Protector, Wire Harness)

под заказ310 руб.
3118498-96J41-000

   (актуальный код замены) Защита, Провод Жгут проводов (l: 25) - Protector, Wire Harness (l:25)

под заказ310 руб.
3209352-50823-600

Шланг (5x8.2x600) - Hose (5x82x600) (Hose, evapotation (5.0x8.2x600) # L:600->45 DF150T:780701~ DF175T:780641~ DF150Z:780144~ DF175Z:780119~ ) (Hose (5x8.2x600))

под заказ640 руб.
3209352-50005-600

   (актуальный код замены) Шланг (5x8.2x600) - Hose (5x8.2x600)

под заказ640 руб.
3309364-06010-000

Соединение - Union (DF150T:780701~ DF175T:780641~ DF150Z:780144~ DF175Z:780119~ ) (Union)

под заказ490 руб.
3409403-13408-000

Струбцина - Clamp (DF150T:780701~ DF175T:780641~ DF150Z:780144~ DF175Z:780119~ ) (Clamp)

под заказ490 руб.
3409403-13413-000

   (актуальный код замены) Струбцина - Clamp

под заказ490 руб.
3509408-00008-000

Зажим (id: 20) - Clip (id:20) (Clamp, vacuum hose # DF150T:780701~ DF175T:780641~ DF150Z:780144~ DF175Z:780119~ ) (Clip (id:20))

под заказ150 руб.
3609408-00078-000

Струбцина - Clamp (Clamp, evaporation hose # DF150T:780701~ DF175T:780641~ DF150Z:780144~ DF175Z:780119~ ) (Clamp)

под заказ270 руб.
3715690-96J01-000

Шланг Set, Evaporation - Hose Set, Evaporation (OPT, NOT SHOWN INC.NO.22~36 DF150T:780701~ DF175T:780641~ DF150Z:780144~ DF175Z:780119~) (Hose Set, Evaporation)

под заказ3290 руб.
3715690-96J22-000

   (актуальный код замены) Шланг Set, Evaporation - Hose Set, Evaporation

под заказ3290 руб.
3715690-96J10-000

Шланг Set, Evaporation - Hose Set, Evaporation (Hose Set, Evaporation)

под заказ3290 руб.
3715690-96J22-000

   (актуальный код замены) Шланг Set, Evaporation - Hose Set, Evaporation

под заказ3290 руб.


Время выполнения запроса 1.6509759426117 сек.

 
 

данный сайт носит информационный характер и не является публичной офертой

склад запчастей для водомоторной техники