Найти запчасти на лодочный мотор Suzuki модель 2008 года - Intake manifold / throttle body / Впускной коллектор / Дроссель газа
вконтакте

Контактный телефон: +7 (981) 121-46-93, +7 (800) 200-90-76 , Email: parts-katalog@yandex.ru, где купить

 
 

  Логин:

Пароль:

Регистрация

www.partskatalog.ru Все каталоги Запчасти Mercury Запчасти Suzuki Запчасти Tohatsu Запчасти Honda Контакты



УВАЖАЕМЫЕ КЛИЕНТЫ!
C 19 ДЕКАБРЯ 2025 ПО 02 МАРТА 2026 ГОДА ОТДЕЛ ЗАПЧАСТЕЙ И СЕРВИС РАБОТАТЬ НЕ БУДУТ
ПРОДАЖА ЛОДОЧНЫХ МОТОРОВ В ШТАТНОМ РЕЖИМЕ
ОБ ИЗМЕНЕНИЯХ В ГРАФИКЕ РАБОТЫ ЧИТАЙТЕ НА САЙТА



назад Раздел:   вперёд

Вернуться к выбору узлов мотора


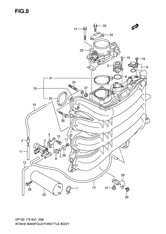
ДЕТАЛИРОВКА ДЛЯ МОДЕЛИ: SUZUKI DF175ZXK8(E1) K8

Впускной коллектор / Дроссель газа


Год выпуска двигателя: 2008

Номер на
рисунке
АртикулНаименованиеQTYКол-во
на складе
Цена
109408-00008-000

Зажим (id: 20) - Clip (id:20) (Clamp, vacuum hose # Clamp, vacuum hose; ) (Clip (id:20))

под заказ150 руб.
213162-93J00-000

Контрольный клапан - Valve, Check (Valve, Check)

под заказ1560 руб.
318117-93J00-000

Клапан вакуумного переключателя - Valve, Vacuum Switching (Valve, Vacuum Switching)

под заказ7250 руб.
418119-96J00-000

Кронштейн клапана вакуумного переключателя - Bracket, Vacuum Sw Valve (Bracket, Vacuum Sw Valve)

под заказ610 руб.
518137-52D00-000

Клапан холостого хода (IAC) - Valve, Iac (Valve, Iac)

2 шт45600 руб.
618590-68H00-000

Датчик давления - Sensor, Pressure (Sensor, pressure ) (Sensor, Pressure)

1 шт28560 руб.
709180-05047-000

Проставка (5.5x8x7.5) - Spacer (55x8x75) (Spacer, vacuum sw valve # Spacer, vacuum sw valve; ) (Spacer (5.5x8x7.5))

под заказ160 руб.
809280-29006-000

Уплотнительное кольцо (d: 2, Id: 29.5) - O Ring (d:2, Id:295) (O ring, iac valve; ) (O Ring (d:2, Id:29.5))

под заказ400 руб.
809280-29008-000

   (актуальный код замены) Уплотнительное кольцо (d: 2, Id: 29.5) - O Ring (d:2, Id:29.5)

10 шт400 руб.
909320-07015-000

Подушка - Cushion (Cushion, vacuum sw valve # Cushion, vacuum sw valve; ) (Cushion)

под заказ300 руб.
1009355-35754-601

Шланг (3.5x7.5x601) - Hose (35x75x601) (Hose, vacuum (inmf to check valve) # Hose, vacuum (inmf to check valve); L:601->50 ) (Hose (3.5x7.5x601))

под заказ810 руб.
1009355-35006-601

   (актуальный код замены) Шланг (3.5x7.5x601) - Hose (3.5x7.5x601)

под заказ810 руб.
1109355-35754-601

Шланг (3.5x7.5x601) - Hose (35x75x601) (Hose, vacuum (inmf to check valve) # Hose, vacuum (chk valve to chamber); L:601->50 ) (Hose (3.5x7.5x601))

под заказ810 руб.
1109355-35006-601

   (актуальный код замены) Шланг (3.5x7.5x601) - Hose (3.5x7.5x601)

под заказ810 руб.
1209355-35754-601

Шланг (3.5x7.5x601) - Hose (35x75x601) (Hose, vacuum (inmf to check valve) # Hose, vacuum (chamber to sw valve); L:601->70 ) (Hose (3.5x7.5x601))

под заказ810 руб.
1209355-35006-601

   (актуальный код замены) Шланг (3.5x7.5x601) - Hose (3.5x7.5x601)

под заказ810 руб.
1309355-35754-601

Шланг (3.5x7.5x601) - Hose (35x75x601) (Hose, vacuum (inmf to check valve) # Hose, vacuum (sw valve to actuator); L:601->00 ) (Hose (3.5x7.5x601))

под заказ810 руб.
1309355-35006-601

   (актуальный код замены) Шланг (3.5x7.5x601) - Hose (3.5x7.5x601)

под заказ810 руб.
1401550-08557-000

Болт - Bolt (Bolt)

под заказ260 руб.
1401550-08607-000

Болт - Bolt (Bolt, throttle body ) (Bolt)

под заказ290 руб.
1501550-06167-000

Болт - Bolt (Bolt, vacuum sw valve brkt; ) (Bolt)

9 шт210 руб.
1602112-34167-000

Винт - Screw (Screw, iac valve; ) (Screw)

под заказ170 руб.
1702112-05127-000

Винт - Screw (Screw, vacuum sw valve # Screw, vacuum sw valve; ) (Screw)

31 шт150 руб.
1802162-05207-000

Винт - Screw (Screw, pressure sensor; ) (Screw)

под заказ150 руб.
1913110-96J00-000

Впускной коллектор - Manifold, Intake (Manifold, Intake)

под заказ59520 руб.
2013119-96J00-000

Прокладка впускного коллектора - Gasket, Intake Manifold (Gasket, Intake Manifold)

13 шт1140 руб.
2113125-96J00-000

Прокладка корпуса дросселя - Gasket, Throttle Body (Gasket, Throttle Body)

под заказ1660 руб.
2213300-96J00-000

Корпус дросселя - Body Assy, Throttle (Body Assy, Throttle)

под заказ78240 руб.
2213300-96J01-000

   (актуальный код замены) Корпус дросселя - Body Assy, Throttle

под заказ78240 руб.
2313730-96J01-000

Вакуумная камера - Chamber, Vacuum (Chamber, Vacuum)

под заказ6960 руб.
2401421-08257-000

Болт под шпильку - Bolt, Stud (Bolt, stud # Bolt, inmf stud; ) (Bolt, Stud)

под заказ330 руб.
2501550-06257-000

Болт - Bolt (Bolt, vacuum chamber; ) (Bolt)

под заказ180 руб.
2601550-08307-000

Болт - Bolt (Bolt, intake manifold; ) (Bolt)

21 шт320 руб.
2708316-10087-000

Гайка - Nut (Nut, intake manifold; ) (Nut)

14 шт170 руб.
2809160-05045-000

Шайба (5.5x18x1) - Washer (55x18x1) (Washer, vacuum sw valve # Washer, vacuum sw valve; ) (Washer (5.5x18x1))

10 шт150 руб.
2963615-96J00-000

Кронштейн струбцины тросика газа - Bracket, Throttle Cable Clamp (Bracket, Throttle Cable Clamp)

под заказ610 руб.
3009403-05312-000

Струбцина - Clamp (Clamp, throttle cable # Clamp, throttle cable; ) (Clamp)

под заказ210 руб.
3101550-06127-000

Болт - Bolt (Bolt, rect # Bolt, cable clamp bracket; ) (Bolt)

10 шт180 руб.
3213315-96J00-000

Кронштейн корпуса дросселя - Bracket, Throttle Body (Bracket, Throttle Body)

под заказ610 руб.
3301550-08207-000

Болт - Bolt (Bolt)

10 шт240 руб.


Время выполнения запроса 1.9899799823761 сек.

 
 

данный сайт носит информационный характер и не является публичной офертой

склад запчастей для водомоторной техники