| |
 |
|
 |
Вернуться к выбору узлов мотора
ДЕТАЛИРОВКА ДЛЯ МОДЕЛИ: SUZUKI DF175T(175) PRD
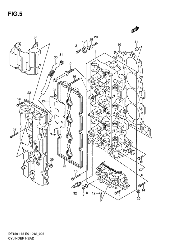
Головка блока цилиндра
Код модели двигателя: DF175(Z)TL/X
Год выпуска двигателя: 2011
Регион: General Export No.1 ,Код региона: P01
Цвет: Shadow Black Metallic
Номер на рисунке | Артикул | Наименование | QTY | Кол-во на складе | Цена |
| 1 | 11101-96J02-000 | Головка блока цилиндра - Head Assy, Cylinder (Head Assy, Cylinder) | | под заказ | 277920 руб. |
| 1 | 11101-96J10-000 | (актуальный код замены) Головка блока цилиндра - Head Assy, Cylinder | | под заказ | 277920 руб. |
| 2 | 11115-93J10-001 | Направляющая клапана (os) - Guide, Valve (os) (Opt ) (Guide, Valve (os)) | | 24 шт | 3200 руб. |
| 3 | 09103-06266-000 | Болт (6x40) - Bolt (6x40) (Bolt, 6x40 # Bolt (6x40); ) (Bolt (6x40)) | | под заказ | 170 руб. |
| 4 | 09206-08001-000 | Штифт (8x11) - Pin (8x11) (Pin (8x11)) | | 9 шт | 130 руб. |
| 5 | 01547-06207-000 | Болт - Bolt (Bolt, lower ) (Bolt) | | 2 шт | 160 руб. |
| 6 | 11112-84400-000 | Заглушка масляной трубки Вентури - Plug, Oil Venturi (Plug, Oil Venturi) | | под заказ | 0 руб. |
| 7 | 11116-93J01-000 | Заглушка - Plug (Plug) | | под заказ | 350 руб. |
| 8 | 09168-16009-000 | Прокладка (16x22x0.8) - Gasket (16x22x08) (Gasket (16x22x0.8); ) (Gasket (16x22x0.8)) | | под заказ | 190 руб. |
| 9 | 11119-96J00-000 | Болты головки цилиндра - Bolt, Cylinder Head (Bolt, Cylinder Head) | | под заказ | 730 руб. |
| 10 | 11141-96J01-000 | Прокладка головки блока цилиндра - Gasket, Cylinder Head (Gasket, Cylinder Head) | | 9 шт | 14750 руб. |
| 11 | 09206-15001-000 | Штифт (12.4x15x17) - Pin (124x15x17) (Pin (12.4x15x17)) | | 6 шт | 390 руб. |
| 12 | 01550-08257-000 | Болт - Bolt (Bolt) | | под заказ | 300 руб. |
| 13 | 01550-08257-000 | Болт - Bolt (Bolt) | | под заказ | 300 руб. |
| 14 | 01550-0835A-000 | Болт - Bolt (Bolt) | | под заказ | 230 руб. |
| 15 | 01550-08457-000 | Болт - Bolt (Bolt, cyl head no.5 ) (Bolt) | | под заказ | 260 руб. |
| 16 | 01550-08607-000 | Болт - Bolt (Bolt, throttle body ) (Bolt) | | под заказ | 290 руб. |
| 17 | 11261-93J00-000 | Крышка защитного анода - Cover, Protection Anode (Cover, Protection Anode) | | под заказ | 1600 руб. |
| 18 | 09280-22019-000 | Уплотнительное кольцо (d: 1.9, Id: 21.8) - O Ring (d:19, Id:218) (O ring (d:1.9, id:21.8); ) (O Ring (d:1.9, Id:21.8)) | | 16 шт | 210 руб. |
| 18 | SK09280-22019 | (не оригинальный аналог) Кольцо уплотнительное головки блока цилиндров Skipper для Suzuki Модели техники: 4-stroke 8-350HP | | 0 шт | 64 руб. |
| 19 | 55321-87J00-000 | Защитный анод - Anode, Protection (Anode, Protection) | | 1 шт | 750 руб. |
| 19 | 55321-87J01-000 | (актуальный код замены) Защитный анод - Anode, Protection | | под заказ | 850 руб. |
| 19 | SMO-55321-87J01-000 | (не оригинальный аналог) Защитный анод SMO-55321-87J01-000 (оригинал) | | под заказ | 590 руб. |
| 19 | SMO-55321-87J01-000 | (аналог) Защитный анод SMO-55321-87J01-000 (оригинал) - код 55321-87J01-000 | | под заказ шт | 585 руб. |
| 19 | 55321-87J01-000 | Защитный анод - Anode, Protection (Anode, Protection) | | под заказ | 850 руб. |
| 19 | SMO-55321-87J01-000 | (аналог) Защитный анод SMO-55321-87J01-000 (оригинал) - код 55321-87J01-000 | | под заказ шт | 585 руб. |
| 20 | 09103-06281-000 | Болт (6x14) - Bolt (6x14) (Bolt, protection anode # Bolt (6x14); ) (Bolt (6x14)) | | 6 шт | 270 руб. |
| 21 | 01550-08207-000 | Болт - Bolt (Bolt) | | 10 шт | 240 руб. |
| 22 | 11170-96J10-000 | Крышка головки цилиндра - Cover, Cylinder Head (Cover, Cylinder Head) | | под заказ | 33600 руб. |
| 22 | 11170-96J11-000 | (актуальный код замены) Крышка головки цилиндра - Cover, Cylinder Head | | под заказ | 33600 руб. |
| 22 | 11170-96J11-000 | Крышка головки цилиндра - Cover, Cylinder Head (Cover, Cylinder Head) | | под заказ | 33600 руб. |
| 23 | 11189-96J00-000 | Прокладка крышки головки блока цилиндра - Gasket, Cylinder Head Cover (Gasket, Cylinder Head Cover) | | 2 шт | 3290 руб. |
| 24 | 11173-96J00-000 | Пластина сапуна - Plate, Breather (Plate, Breather) | | под заказ | 830 руб. |
| 25 | 02112-0612A-000 | Винт - Screw (Screw; ) (Screw) | | под заказ | 120 руб. |
| 26 | 01547-06257-000 | Болт - Bolt (Bolt) | | под заказ | 160 руб. |
| 27 | 01547-06507-000 | Болт - Bolt (Bolt, cyl head cover no.2 ) (Bolt) | | под заказ | 180 руб. |
| 28 | 11191-96J00-000 | Направляющая воздуховода Система впуска №2 - Guide, Air Intake No2 (Guide, Air Intake No.2) | | под заказ | 2300 руб. |
| 29 | 09320-08076-000 | Пыльник - Grommet (Grommet, guide air ) (Grommet) | | под заказ | 440 руб. |
| 29 | 09320-08517-000 | (актуальный код замены) Подушка, Держатель кабеля - Cushion, Cable Holder | | под заказ | 440 руб. |
| 30 | 11174-96J00-000 | Шланг сапуна - Hose, Breather (Hose, Breather) | | под заказ | 1540 руб. |
| 30 | 11174-96J01-000 | (актуальный код замены) Шланг сапуна - Hose, Breather | | под заказ | 1540 руб. |
| 31 | 09401-18410-000 | Зажим - Clip (Clip) | | под заказ | 320 руб. |
| 32 | 09482-00427-000 | Свеча зажигания (ngk Bkr6e) - Plug, Spark (ngk Bkr6e) (Spark plug (ngk bkr6e); ) (Plug, Spark (ngk Bkr6e)) | | 128 шт | 920 руб. |
Время выполнения запроса 2.9575769901276 сек. |
|