| |
 |
|
 |
Вернуться к выбору узлов мотора
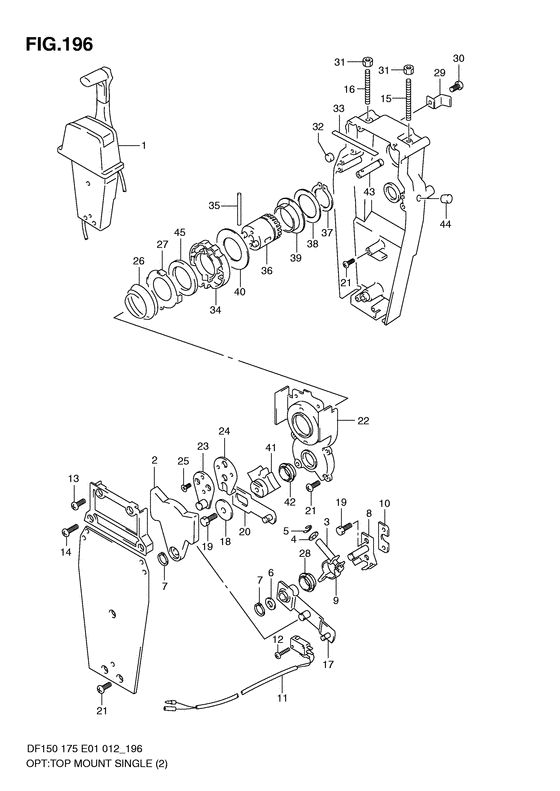
ДЕТАЛИРОВКА ДЛЯ МОДЕЛИ: SUZUKI DF175T(175) PRD
одинарное, монтаж сверху
Код модели двигателя: DF175(Z)TL/X
Год выпуска двигателя: 2011
Регион: General Export No.1 ,Код региона: P01
Цвет: Shadow Black Metallic
Номер на рисунке | Артикул | Наименование | QTY | Кол-во на складе | Цена |
| 1 | 67200-93J13-000 | Одинарное дистанционное управление в сборе - Remote Control Assy, Single (Remote Control Assy, Single) | | под заказ | 60000 руб. |
| 1 | 67200-88L01-000 | (актуальный код замены) Одинарное дистанционное управление в сборе - Remote Control Assy, Single | | 1 шт | 60000 руб. |
| 1 | SK67200-93J13 | (не оригинальный аналог) Пульт ДУ Skipper для Suzuki DF9.9-250 горизонтального крепления, с кнопкой гидроподъема | | 0 шт | 18650 руб. |
| 2 | 67222-92E00-000 | Сдвоенная пластина - Duel Plate (Duel Plate) | | под заказ | 2300 руб. |
| 3 | 67223-92E00-000 | Регулировка тормоза - Brake Adjust (Brake Adjust) | | под заказ | 780 руб. |
| 4 | 67288-92E00-000 | Шайба - Washer (Washer) | | под заказ | 300 руб. |
| 5 | 67292-94300-000 | Уплотнительное кольцо дистанционного управления - E Ring, Remo-con (E Ring, Remo-con) | | 25 шт | 120 руб. |
| 6 | 67288-92E10-000 | Шайба - Washer (Washer) | | под заказ | 300 руб. |
| 7 | 67291-92E00-000 | Пружинное кольцо - Ring, Snap (Ring, Snap) | | под заказ | 370 руб. |
| 8 | 67221-92E00-000 | Переключатель в сборе - Shift Assy (Shift Assy) | | под заказ | 2260 руб. |
| 9 | 67224-92E00-000 | Рычаг тормоза - Brake Arm Assy (Brake Arm Assy) | | под заказ | 1570 руб. |
| 10 | 67294-92E00-000 | Проставка - Spacer (Spacer) | | под заказ | 1240 руб. |
| 11 | 37721-95500-000 | Выключатель нейтрали, в сборе - Switch Assy, Neutral (Switch Assy, Neutral) | | под заказ | 3170 руб. |
| 12 | 67296-92E10-000 | Винт выключателя нейтрали - Screw, Neutral Switch (Screw (3x15);) (Screw, Neutral Switch) | | под заказ | 300 руб. |
| 12 | 67296-92E11-000 | (актуальный код замены) Винт выключателя нейтрали - Screw, Neutral Switch | | под заказ | 300 руб. |
| 12 | 67296-92E11-000 | Винт выключателя нейтрали - Screw, Neutral Switch (Screw, Neutral Switch) | | под заказ | 300 руб. |
| 13 | 67296-88D10-000 | Винт (5x16) - Screw (5x16) (Screw (5x16); ) (Screw (5x16)) | | под заказ | 230 руб. |
| 14 | 67296-92E20-000 | Винт - Screw (Screw (5x25); ) (Screw) | | под заказ | 300 руб. |
| 15 | 67226-92E00-000 | Болт стопора Fr - Bolt, Stopper Fr (Bolt, stopper front ) (Bolt, Stopper Fr) | | под заказ | 780 руб. |
| 16 | 67226-92E10-000 | Болт стопора Rr - Bolt, Stopper Rr (Bolt, stopper rear # Bolt, stopper rear; ) (Bolt, Stopper Rr) | | под заказ | 780 руб. |
| 17 | 67240-92E00-000 | Рычаг дросселя - Throttle Arm Assy (Arm assy, throttle ) (Throttle Arm Assy) | | под заказ | 5190 руб. |
| 18 | 67228-92E00-000 | Шайба - Washer (Washer) | | под заказ | 500 руб. |
| 19 | 67286-92E00-000 | Болт - Bolt (Bolt (6x18); ) (Bolt) | | под заказ | 300 руб. |
| 20 | 67230-92E00-000 | Переключающий рычаг - Shift Arm Assy (Shift Arm Assy) | | под заказ | 1050 руб. |
| 21 | 09125-05042-000 | Винт (5x10) - Screw (5x10) (Screw (5x10); ) (Screw (5x10)) | | под заказ | 150 руб. |
| 22 | 67234-92E00-000 | Картер коробки передач - Case, Gear (Case, Gear) | | под заказ | 3030 руб. |
| 23 | 67245-92E00-000 | Рычаг дросселя, в сборе - Lever Assy, Throttle (Lever assy, throttle ) (Lever Assy, Throttle) | | под заказ | 2300 руб. |
| 24 | 67227-92E00-000 | Стопор - Stopper (Stopper) | | под заказ | 1240 руб. |
| 25 | 09126-06006-000 | Винт (6x20) - Screw (6x20) (Screw (6x20); ) (Screw (6x20)) | | под заказ | 150 руб. |
| 26 | 67233-92E00-000 | Пружина - Spring (Spring) | | под заказ | 1240 руб. |
| 27 | 67235-92E00-000 | Пластина блокировки переключения - Plate, Shift Lock (Plate, shift lock ) (Plate, Shift Lock) | | под заказ | 780 руб. |
| 28 | 67232-95620-000 | Втулка - Bush (Bush) | | под заказ | 500 руб. |
| 29 | 67269-92E00-000 | Кронштейн - Bracket (Bracket) | | под заказ | 780 руб. |
| 29 | 67269-92E01-000 | (актуальный код замены) Кронштейн - Bracket | | под заказ | 780 руб. |
| 30 | 67296-88D10-000 | Винт (5x16) - Screw (5x16) (Screw (5x16)) | | под заказ | 230 руб. |
| 31 | 09140-06020-000 | Гайка - Nut (Nut) | | 9 шт | 150 руб. |
| 32 | 67236-92E00-000 | Ролик - Roller (Roller) | | под заказ | 440 руб. |
| 33 | 67237-92E01-000 | Пружина - Spring (Spring) | | под заказ | 440 руб. |
| 34 | 67238-92E00-000 | Зубчатый привод - Gear, Drive (Gear, drive ) (Gear, Drive) | | под заказ | 3050 руб. |
| 35 | 67239-92E00-000 | Штифт - Pin (Pin) | | под заказ | 1650 руб. |
| 36 | 67246-92E00-000 | Вал привода - Shaft, Drive (Shaft, drive # Shift, drive; ) (Shaft, Drive) | | под заказ | 4200 руб. |
| 37 | 67291-92E10-000 | Пружинное кольцо - Ring, Snap (Ring, Snap) | | под заказ | 1050 руб. |
| 38 | 67253-92E10-000 | Шайба - Washer (Washer) | | под заказ | 370 руб. |
| 39 | 67252-92E10-000 | Втулка - Bush (Bush) | | под заказ | 440 руб. |
| 40 | 67253-95600-000 | Шайба - Washer (Washer) | | под заказ | 460 руб. |
| 41 | 67231-92E00-000 | Шестерни переключения - Gear, Shift (Gear, Shift) | | под заказ | 1650 руб. |
| 42 | 67232-95600-000 | Втулка - Bush (Bush) | | под заказ | 570 руб. |
| 43 | 67241-92E10-000 | Тяга освобождения ACC - Rod, Free Acc (Rod, Free Acc) | | под заказ | 1290 руб. |
| 44 | 67243-92E00-000 | Крышка отверстия - Cap, Hole (Cap, Hole) | | под заказ | 560 руб. |
| 45 | 67239-92E10-000 | Пластина стопора переключателя - Plate, Shift Pin (Plate, shift pin ) (Plate, Shift Pin) | | под заказ | 840 руб. |
Время выполнения запроса 5.5612978935242 сек. |
|