| |
 |
|
 |
Вернуться к выбору узлов мотора
ДЕТАЛИРОВКА ДЛЯ МОДЕЛИ: SUZUKI DF200Z FROM 20002Z-310001~ (E01,E40)
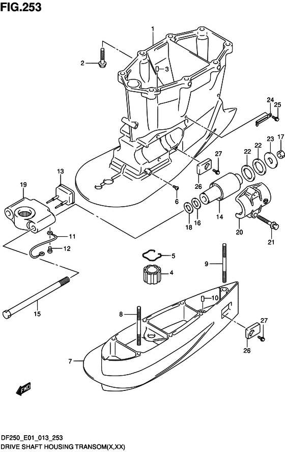
Корпус вала передачи transom
Код модели двигателя: DF200(Z)TL/X/XX; DF200W(Z)TL/X
Год выпуска двигателя: 2013
Регион: General Export No.1/Costa Rica ,Код региона: P01/P40
Цвет: Shadow Black Metallic
Номер на рисунке | Артикул | Наименование | QTY | Кол-во на складе | Цена |
Warning: Undefined variable $NumPP in D:\www\www.partskatalog.ru\partsbase\base-outboard-suzuki-2.php on line 654
| | 09100-14004-000 | Болт (14x220) - Bolt (14x220) (Bolt, lower mount (14x220) ) (Bolt (14x220)) | | под заказ | 8160 руб. |
| | 54112-93J00-000 | (актуальный код замены) Крепежный болт - Bolt, Mount | | 2 шт | 8160 руб. |
| | 09116-10175-000 | Болт (10x50) - Bolt (10x50) (Bolt (10x50)) | | под заказ | 680 руб. |
| | 09116-10176-000 | Болт (10x44) - Bolt (10x44) (Bolt (10x44)) | | 4 шт | 760 руб. |
| | 09160-14066-000 | Шайба (14x50x4) - Washer (14x50x4) (Washer (14x50x4)) | | под заказ | 970 руб. |
| | 09160-16050-000 | Шайба (16x32x3) - Washer (16x32x3) (Washer, lower mount (16x32x3) ) (Washer (16x32x3)) | | под заказ | 250 руб. |
| | 09159-14026-000 | Гайка - Nut (Nut, upper mount bolt (m14) ) (Nut) | | под заказ | 1410 руб. |
| | 29159-93J00-000 | (актуальный код замены) Гайка (m14) - Nut (m14) | | 2 шт | 1410 руб. |
| | 09116-06094-000 | Болт (6x15) - Bolt (6x15) (W/TRANSOM (X) ) (Bolt (6x15)) | | 20 шт | 270 руб. |
| | 09125-06063-000 | Винт (6x10) - Screw (6x10) (Screw (6x10)) | | 6 шт | 190 руб. |
| | 09108-10115-000 | Болт под шпильку - Bolt, Stud (Bolt, extension case stud no.1 # W/TRANSOM (XX) ) (Bolt, Stud) | | под заказ | 1850 руб. |
| | 09108-12013-000 | Болт под шпильку - Bolt, Stud (W/TRANSOM (XX) ) (Bolt, Stud) | | под заказ | 3030 руб. |
| | 09202-08006-000 | Штифт (8x12) - Pin (8x12) (Pin, knock ) (Pin (8x12)) | | под заказ | 280 руб. |
| | 09387-38002-000 | Кольцо - Ring (Ring, drive shaft bush snap ) (Ring) | | 12 шт | 770 руб. |
| | 29103-93J00-000 | Болт - Bolt (Bolt, ptt cable clip bracket (6x12) ) (Bolt) | | 10 шт | 240 руб. |
| | 29404-93J10-000 | Струбцина - Clamp (Clamp) | | под заказ | 190 руб. |
| | 29404-93J11-000 | (актуальный код замены) Струбцина - Clamp | | под заказ | 190 руб. |
| | 36894-87D00-000 | Lead (l: 165) - Lead (l:165) (Lead (l:165)) | | 2 шт | 1350 руб. |
| | 52111-93J11-0EP | Корпус вала передачи (черный цвет) - Housing, Drive Shaft (black) (Housing, Drive Shaft (black)) | | под заказ | 137760 руб. |
| | 52131-93J00-0EP | Удлинитель копуса (xx) - Case, Extension (xx) (W/TRANSOM (XX) ) (Case, Extension (xx)) | | под заказ | 119520 руб. |
| | 54211-93J00-000 | Нижний кронштейн Крепление - Bracket, Lower Mount (Bracket, Lower Mount) | | под заказ | 21030 руб. |
| | 54211-93J00-0EP | (актуальный код замены) Нижний кронштейн Крепление - Bracket, Lower Mount | | под заказ | 21030 руб. |
| | 54211-93J00-0EP | Нижний кронштейн Крепление - Bracket, Lower Mount (Bracket, Lower Mount) | | под заказ | 21030 руб. |
| | 54151-93J00-000 | Крепление нижнего упора - Mount, Lwr Thrust (Mount, Lwr Thrust) | | под заказ | 970 руб. |
| | 54151-93J01-000 | (актуальный код замены) Крепление нижнего упора - Mount, Lwr Thrust | | под заказ | 970 руб. |
| | 54221-93J00-000 | Крышка нижней опоры - Cover, Lower Mount (Cover, Lower Mount) | | под заказ | 6240 руб. |
| | 54221-93J00-0EP | Крышка нижней опоры - Cover, Lower Mount (Cover, Lower Mount) | | под заказ | 9120 руб. |
| | 54160-93J01-000 | Крепление, Lwr - Mount, Lwr (Mount, Lwr) | | под заказ | 10320 руб. |
| | 54165-98J00-000 | Стопор обратной нижней тяги - Stopper, Lwr Thrust Reverse (Damper, reverse stopper lower ) (Stopper, Lwr Thrust Reverse) | | под заказ | 760 руб. |
| | 54165-98J01-000 | (актуальный код замены) Стопор обратной нижней тяги - Stopper, Lwr Thrust Reverse | | под заказ | 760 руб. |
| | 55321-93J00-000 | Защитный анод - Anode, Protection (W/TRANSOM (X)) (Anode, Protection) | | под заказ | 1770 руб. |
| | 55321-93J01-000 | (актуальный код замены) Защитный анод - Anode, Protection | | 4 шт | 1770 руб. |
| | 55321-93J01-000 | Защитный анод - Anode, Protection (Anode, Protection) | | 4 шт | 1770 руб. |
| | 57130-87D10-000 | Втулка вала передачи - Bush, Drive Shaft (Bush, Drive Shaft) | | под заказ | 3820 руб. |
Время выполнения запроса 0.92279887199402 сек. |
|