Комплектующие на подвесной мотор SUZUKI DF200(Z)TX; DF200W(Z)TX - Трансмиссия - Transmission
вконтакте

Контактный телефон: +7 (981) 121-46-93, +7 (800) 200-90-76 , Email: parts-katalog@yandex.ru, где купить

 
 

  Логин:

Пароль:

Регистрация

www.partskatalog.ru Все каталоги Запчасти Mercury Запчасти Suzuki Запчасти Tohatsu Запчасти Honda Контакты

назад Раздел:   вперёд

Вернуться к выбору узлов мотора


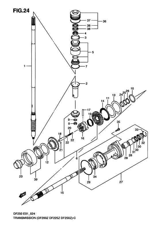
ДЕТАЛИРОВКА ДЛЯ МОДЕЛИ: SUZUKI DF200WZ K5

Трансмиссия


Код модели двигателя: DF200(Z)TX; DF200W(Z)TX

Год выпуска двигателя: 2005

Цвет: Shadow Black Metallic

Номер на
рисунке
АртикулНаименованиеQTYКол-во
на складе
Цена
157110-93J00-000

Вал привода (x) - Shaft, Drive (x) (Shaft, Drive (x))

1 шт105600 руб.
157110-93J10-000

Вал привода (xx) - Shaft, Drive (xx) (Shaft, Drive (xx))

под заказ117120 руб.
257133-93J00-000

Воротник приводного вала - Collar, Drive Shaft (Collar, Drive Shaft)

7 шт1270 руб.
357134-93J00-000

Проставка приводного вала Подшипник - Spacer, Drive Shaft Bearing (Spacer, Drive Shaft Bearing)

2 шт2480 руб.
409159-28003-000

Гайка - Nut (Nut, drive shaft bearing (m28) ) (Nut)

2 шт4370 руб.
509269-32001-000

Подшипник (32x66x49) - Bearing (32x66x49) (Bearing, drive shaft (32x66x49) ) (Bearing (32x66x49))

под заказ19620 руб.
509269-32002-000

   (актуальный код замены) Подшипник (32x66x49) - Bearing (32x66x49)

4 шт19620 руб.
546T0607052KOYO

   (подбор по маркировке) Подшипник KOYO 46T060705-2(32*66*49 мм)

под заказ0
657300-93832-000

Комплект шестерёнок - Pinion & Gear Set (Pinion & Gear Set)

под заказ117120 руб.
657300-93833-000

   (актуальный код замены) Комплект шестерёнок - Pinion & Gear Set

под заказ117120 руб.
657300-93833-000

Комплект шестерёнок - Pinion & Gear Set (Pinion & Gear Set)

под заказ117120 руб.
657300-93852-000

Комплект шестерёнок - Pinion & Gear Set (DF200Z:421233~ DF225Z:421284~ DF250Z MODEL:05~ ) (Pinion & Gear Set)

под заказ116160 руб.
709181-60004-000

Регулировочная шайба (60x66x0.45) - Shim (60x66x045) (Shim (60x66x0.45))

17 шт560 руб.
709181-60005-000

Регулировочная шайба (60x66x0.5) - Shim (60x66x05) (Shim (60x66x0.5))

9 шт560 руб.
709181-60006-000

Регулировочная шайба (60x66x0.55) - Shim (60x66x055) (Shim (60x66x0.55))

3 шт560 руб.
709181-60007-000

Регулировочная шайба (60x66x0.6) - Shim (60x66x06) (Shim (60x66x0.6))

9 шт560 руб.
709181-60008-000

Регулировочная шайба (60x66x0.65) - Shim (60x66x065) (Shim (60x66x0.65))

11 шт560 руб.
709181-60009-000

Регулировочная шайба (60x66x0.7) - Shim (60x66x07) (Shim (60x66x0.7))

11 шт560 руб.
709181-60010-000

Регулировочная шайба (60x66x0.75) - Shim (60x66x075) (Shim (60x66x0.75))

9 шт560 руб.
709181-60011-000

Регулировочная шайба (60x66x0.8) - Shim (60x66x08) (Shim (60x66x0.8))

10 шт560 руб.
709181-60012-000

Регулировочная шайба (60x66x0.85) - Shim (60x66x085) (Shim (60x66x0.85))

3 шт560 руб.
709181-60013-000

Регулировочная шайба (60x66x0.9) - Shim (60x66x09) (Shim (60x66x0.9))

12 шт560 руб.
809140-16021-000

Гайка - Nut (Nut, pinion (m6) ) (Nut)

2 шт420 руб.
908221-16256-000

Регулировочная шайба - Shim (Washer, pinion nut ) (Shim)

9 шт150 руб.
1009160-35002-000

Шайба (35x46x1) - Washer (35x46x1) (Washer (35x46x1))

под заказ240 руб.
1009160-35003-000

Шайба (35x46x1.1) - Washer (35x46x11) (Washer (35x46x1.1))

под заказ300 руб.
1009160-35004-000

Шайба (35x46x1.2) - Washer (35x46x12) (Washer (35x46x0.9) ) (Washer (35x46x1.2))

под заказ300 руб.
1009160-35006-000

Шайба (35x46x0.9) - Washer (35x46x09) (Washer (35x46x0.9))

под заказ250 руб.
1009160-35008-000

Шайба (35x46x0.95) - Washer (35x46x095) (Washer (35x46x0.95) ) (Washer (35x46x0.95))

под заказ300 руб.
1009160-35009-000

Шайба (35x46x1.05) - Washer (35x46x105) (Washer (35x46x1.05))

под заказ300 руб.
1009160-35010-000

Шайба (35x46x1.15) - Washer (35x46x115) (Washer (35x46x1.15))

под заказ290 руб.
1009160-35013-000

Шайба (35x46x0.8) - Washer (35x46x08) (Washer (35x46x0.8))

под заказ500 руб.
1009160-35015-000

Шайба (35x46x0.6) - Washer (35x46x06) (Washer (35x46x0.6))

под заказ500 руб.
1109160-75002-000

Шайба (75x100x2) - Washer (75x100x2) (FWD GEAR ) (Washer (75x100x2))

3 шт4120 руб.
1209181-60004-000

Регулировочная шайба (60x66x0.45) - Shim (60x66x045) (REV GEAR ) (Shim (60x66x0.45))

17 шт560 руб.
1209181-60005-000

Регулировочная шайба (60x66x0.5) - Shim (60x66x05) (REV GEAR ) (Shim (60x66x0.5))

9 шт560 руб.
1209181-60006-000

Регулировочная шайба (60x66x0.55) - Shim (60x66x055) (REV GEAR ) (Shim (60x66x0.55))

3 шт560 руб.
1209181-60007-000

Регулировочная шайба (60x66x0.6) - Shim (60x66x06) (REV GEAR ) (Shim (60x66x0.6))

9 шт560 руб.
1209181-60008-000

Регулировочная шайба (60x66x0.65) - Shim (60x66x065) (REV GEAR ) (Shim (60x66x0.65))

11 шт560 руб.
1209181-60009-000

Регулировочная шайба (60x66x0.7) - Shim (60x66x07) (REV GEAR ) (Shim (60x66x0.7))

11 шт560 руб.
1209181-60010-000

Регулировочная шайба (60x66x0.75) - Shim (60x66x075) (REV GEAR ) (Shim (60x66x0.75))

9 шт560 руб.
1209181-60011-000

Регулировочная шайба (60x66x0.8) - Shim (60x66x08) (REV GEAR ) (Shim (60x66x0.8))

10 шт560 руб.
1209181-60012-000

Регулировочная шайба (60x66x0.85) - Shim (60x66x085) (REV GEAR ) (Shim (60x66x0.85))

3 шт560 руб.
1209181-60013-000

Регулировочная шайба (60x66x0.9) - Shim (60x66x09) (REV GEAR ) (Shim (60x66x0.9))

12 шт560 руб.
1309181-75008-000

Регулировочная шайба (75x100x0.7) - Shim (75x100x07) (FWD GEAR ) (Shim (75x100x0.7))

4 шт700 руб.
1309181-75009-000

Регулировочная шайба (75x100x0.8) - Shim (75x100x08) (FWD GEAR ) (Shim (75x100x0.8))

5 шт700 руб.
1309181-75010-000

Регулировочная шайба (75x100x0.9) - Shim (75x100x09) (FWD GEAR ) (Shim (75x100x0.9))

6 шт700 руб.
1309181-75011-000

Регулировочная шайба (75x100x1) - Shim (75x100x1) (FWD GEAR ) (Shim (75x100x1))

2 шт700 руб.
1309181-75012-000

Регулировочная шайба (75x100x0.6) - Shim (75x100x06) (FWD GEAR ) (Shim (75x100x0.6))

3 шт700 руб.
1309181-75013-000

Регулировочная шайба (75x100x0.65) - Shim (75x100x065) (FWD GEAR ) (Shim (75x100x0.65))

5 шт700 руб.
1309181-75014-000

Регулировочная шайба (75x100x0.75) - Shim (75x100x075) (FWD GEAR ) (Shim (75x100x0.75))

5 шт700 руб.
1309181-75015-000

Регулировочная шайба (75x100x0.85) - Shim (75x100x085) (FWD GEAR ) (Shim (75x100x0.85))

14 шт700 руб.
1309181-75016-000

Регулировочная шайба (75x100x0.95) - Shim (75x100x095) (FWD GEAR ) (Shim (75x100x0.95))

3 шт700 руб.
1309181-75018-000

Регулировочная шайба (75x100x0.5) - Shim (75x100x05) (FWD GEAR ) (Shim (75x100x0.5))

2 шт700 руб.
1309181-75019-000

Регулировочная шайба (75x100x0.55) - Shim (75x100x055) (FWD GEAR ) (Shim (75x100x0.55))

5 шт700 руб.
1409269-75002-000

Подшипник (75x100x4) - Bearing (75x100x4) (Bearing, thrust fwd gear ) (Bearing (75x100x4))

8 шт7490 руб.
1557610-93J10-000

Вал гребного винта - Shaft, Propeller (Shaft, Propeller)

под заказ107040 руб.
1557610-93J20-000

Вал гребного винта - Shaft, Propeller (MODEL:06~ ) (Shaft, Propeller)

1 шт54720 руб.
1657621-93J00-000

Переключатель собачки сцепления - Shifter, Clutch Dog (Shifter, Clutch Dog)

под заказ23430 руб.
1657621-93J10-000

Переключатель собачки сцепления - Shifter, Clutch Dog (DF200Z:421233~ DF225Z:421284~ DF250Z MODEL:05~ ) (Shifter, Clutch Dog)

3 шт20980 руб.
1657621-93J20-000

Переключатель собачки сцепления - Shifter, Clutch Dog (MODEL:06~ ) (Shifter, Clutch Dog)

под заказ22800 руб.
1709202-08007-000

Штифт (8x49) - Pin (8x49) (Pin, clutch dog shifter ) (Pin (8x49))

7 шт440 руб.
1857631-93J00-000

Штифт коннектора - Pin, Connector (Pin, Connector)

под заказ3410 руб.
1909440-52003-000

Пружина - Spring (Spring, clutch dog shifter ) (Spring)

3 шт260 руб.
2009440-09040-000

Пружина - Spring (Spring)

14 шт280 руб.
2106111-07004-000

Шарик - Ball (Ball)

19 шт100 руб.
2206111-11004-000

Шарик - Ball (Ball)

29 шт150 руб.
2357622-93J00-000

Упорная проставка переднего хода - Spacer, Forward Thrust (Spacer, Forward Thrust)

под заказ7590 руб.
2409160-30055-000

Шайба (30x47x6) - Washer (30x47x6) (Washer (30x47x6.0) ) (Washer (30x47x6))

под заказ8210 руб.
2509160-30056-000

Шайба (32x47x3) - Washer (32x47x3) (Washer (32x47x3.0) ) (Washer (32x47x3))

под заказ2500 руб.
2609269-30014-000

Подшипник (30x47x2) - Bearing (30x47x2) (Bearing (30x47x2.0) ) (Bearing (30x47x2))

1 шт1320 руб.
2756120-93J11-0EP

Корпус подшипника вала гребного винта (bl) - Housing, Propeller Sft Brg (bl) (Housing, Propeller Sft Brg (bl))

под заказ59040 руб.
2756120-93J80-0EP

   (актуальный код замены) Корпус подшипника вала гребного винта (обойма) - Housing, Prop Shaft Brg

под заказ59040 руб.
2756120-93J13-0EP

Корпус подшипника вала гребного винта (bl) - Housing, Propeller Sft Brg (bl) (Housing, Propeller Sft Brg (bl))

под заказ59040 руб.
2756120-93J80-0EP

   (актуальный код замены) Корпус подшипника вала гребного винта (обойма) - Housing, Prop Shaft Brg

под заказ59040 руб.
2756120-93J12-0EP

Корпус подшипника вала гребного винта (bl) - Housing, Propeller Sft Brg (bl) (DF200Z:510066~ DF225Z:510042~ DF250Z:510251~) (Housing, Propeller Sft Brg (bl))

под заказ59040 руб.
2756120-93J80-0EP

   (актуальный код замены) Корпус подшипника вала гребного винта (обойма) - Housing, Prop Shaft Brg

под заказ59040 руб.
2809263-30023-000

Подшипник (30x40x25) - Bearing (30x40x25) (Bearing (30x40x25) ) (Bearing (30x40x25))

под заказ3930 руб.
2809263-30063-000

   (актуальный код замены) Подшипник (30x40x25) - Bearing (30x40x25)

9 шт4430 руб.
287EHMK3025NTN

   (подбор по маркировке) Подшипник NTN 7E-HMK 3025(30*40*25 мм)

под заказ0
2909280-00040-000

Уплотнительное кольцо (d: 3.1, Id: 104.4) - O Ring (d:31, Id:1044) (O ring (id:104.4, dd:3.1) ) (O Ring (d:3.1, Id:104.4))

42 шт870 руб.
3009282-30006-000

Сальник (30x45x6) - Seal, Oil (30x45x6) (Seal, oil (30x45x6) ) (Seal, Oil (30x45x6))

129 шт720 руб.
3109381-40003-000

Стопорное кольцо - Circlip (DF200Z:421178~ DF225Z:421224~ DF250Z:421437~ ) (Circlip)

7 шт420 руб.
3256123-93J00-000

Защитный сальник - Protector, Oil Seal (DF200Z:510066~ DF225Z:510042~ DF250Z:510251~ ) (Protector, Oil Seal)

6 шт690 руб.
3309387-45001-000

Кольцо - Ring (Circlip # DF200Z:510066~ DF225Z:510042~ DF250Z:510251~ ) (Ring)

14 шт290 руб.
3409263-50009-000

Подшипник (50x65x25) - Bearing (50x65x25) (Bearing (50x65x25))

7 шт10210 руб.
34NQ506525KOYO

   (подбор по маркировке) Подшипник KOYO NQ506525(50*65*25 мм)

под заказ0
3529116-93J10-000

Болт - Bolt (Bolt (8x35) # <-09116-08114 ) (Bolt)

14 шт270 руб.
3656130-93J00-000

Корпус подшипника приводного вала - Housing, Drive Shaft Brg (Housing, Drive Shaft Brg)

под заказ14400 руб.
3656130-93J02-000

   (актуальный код замены) Корпус подшипника приводного вала - Housing, Drive Shaft Brg

2 шт14400 руб.
3656130-93J02-000

Корпус подшипника приводного вала - Housing, Drive Shaft Brg (Housing, Drive Shaft Brg)

2 шт14400 руб.
3709280-66004-000

Уплотнительное кольцо (d: 3.1, Id: 65.4) - O Ring (d:31, Id:654) (O ring (id:65.4, dd:3.1) ) (O Ring (d:3.1, Id:65.4))

12 шт690 руб.
37SK09280-66004

   (не оригинальный аналог) Кольцо уплотнительное ведущего вала Skipper для Suzuki Модель техники: DF150-DF300

0 шт127 руб.
3809282-24004-000

Сальник (24x40x7) - Seal, Oil (24x40x7) (Oil seal ) (Seal, Oil (24x40x7))

70 шт870 руб.
3809282-24008-000

   (актуальный код замены) Сальник (24x40x7) - Seal, Oil (24x40x7)

76 шт600 руб.
38SK09282-24004

   (не оригинальный аналог) Сальник ведущего вала Skipper для Suzuki Модели техники: DF90-350HP

0 шт176 руб.
3956140-93J10-000

Корпус подшипника шестерни обратного хода - Housing, Rev Gear Bearing (Housing, Rev Gear Bearing)

под заказ19640 руб.


Время выполнения запроса 1.7303111553192 сек.

 
 

данный сайт носит информационный характер и не является публичной офертой

склад запчастей для водомоторной техники