Купить оригинальные запчасти на двигатель Suzuki модель 2007 года - Clamp bracket
вконтакте

Контактный телефон: +7 (981) 121-46-93, +7 (800) 200-90-76 , Email: parts-katalog@yandex.ru, где купить

 
 

  Логин:

Пароль:

Регистрация

www.partskatalog.ru Все каталоги Запчасти Mercury Запчасти Suzuki Запчасти Tohatsu Запчасти Honda Контакты



УВАЖАЕМЫЕ КЛИЕНТЫ!
C 19 ДЕКАБРЯ 2025 ПО 02 МАРТА 2026 ГОДА ОТДЕЛ ЗАПЧАСТЕЙ И СЕРВИС РАБОТАТЬ НЕ БУДУТ
ПРОДАЖА ЛОДОЧНЫХ МОТОРОВ В ШТАТНОМ РЕЖИМЕ
ОБ ИЗМЕНЕНИЯХ В ГРАФИКЕ РАБОТЫ ЧИТАЙТЕ НА САЙТА



назад Раздел:   вперёд

Вернуться к выбору узлов мотора


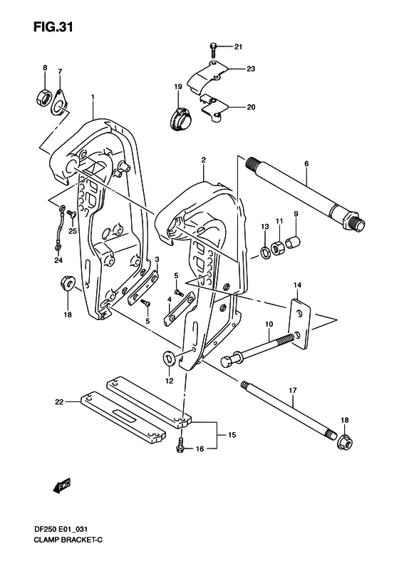
ДЕТАЛИРОВКА ДЛЯ МОДЕЛИ: SUZUKI DF200WZ K7

Кронштейн транца


Год выпуска двигателя: 2007

Номер на
рисунке
АртикулНаименованиеQTYКол-во
на складе
Цена
141111-93J00-0EP

(->41111-93J01-0EP USED WITH 41117-93J00 09125-06063 (2PC))

под заказнет сведений
109125-06063-000

Винт (6x10) - Screw (6x10) (Screw (6x10))

6 шт190 руб.
141111-93J04-0EP

Кронштейн правого зажима - Bracket, Clamp Stbd (Bracket, Clamp Stbd)

под заказ61440 руб.
141111-93J06-0EP

   (актуальный код замены) Кронштейн правого зажима - Bracket, Clamp Stbd

под заказ61440 руб.
141117-93J01-000

Пластина кронштейна транца Lwr Stbd - Plate, Clamp Bracket Lwr Stbd (Plate, Clamp Bracket Lwr Stbd)

под заказ1630 руб.
141117-93J02-000

   (актуальный код замены) Пластина кронштейна транца Lwr Stbd - Plate, Clamp Bracket Lwr Stbd

под заказ1630 руб.
141111-93J01-0EP

(DF200/225 DF250T:421423~ DF250Z:421140~)

под заказ0 руб.
141111-93J02-0EP

(MODEL:05, 06 ->41111-93J03-0EP USED WITH 41117-93J01)

под заказнет сведений
141111-93J11-0EP

(DF200T:680188~ DF225T:680175~ DF250T:680339~ DF200Z:680026~ DF225Z:680048~ DF250Z:680144~ ->41111-93J12-0EP USED WITH 41117-93J01)

под заказнет сведений
141111-93J15-0EP

Кронштейн правого зажима - Bracket, Clamp Stbd (Bracket, Clamp Stbd)

под заказ73920 руб.
141111-93J16-0EP

   (актуальный код замены) Кронштейн правого зажима - Bracket, Clamp Stbd

под заказ73920 руб.
141111-93J12-0EP

Кронштейн правого зажима - Bracket, Clamp Stbd (DF200T:980225~ DF225T:980100~ DF250T:980375~ DF200Z:980065~ DF225Z:980037~ DF250Z:980111~) (Bracket, Clamp Stbd)

под заказ73920 руб.
141111-93J16-0EP

   (актуальный код замены) Кронштейн правого зажима - Bracket, Clamp Stbd

под заказ73920 руб.
141111-93J14-0EP

Кронштейн правого зажима - Bracket, Clamp Stbd (MODEL:10~) (Bracket, Clamp Stbd)

под заказ73920 руб.
141111-93J16-0EP

   (актуальный код замены) Кронштейн правого зажима - Bracket, Clamp Stbd

под заказ73920 руб.
241121-93J00-0EP

(->41121-93J01-0EP USED WITH 41122-93J00 09125-06063 (2PC))

под заказнет сведений
209125-06063-000

Винт (6x10) - Screw (6x10) (Screw (6x10))

6 шт190 руб.
241121-93J06-0EP

Кронштейн левого зажима - Bracket, Clamp Port (Bracket, Clamp Port)

под заказ73920 руб.
241121-93J08-0EP

   (актуальный код замены) Кронштейн левого зажима - Bracket, Clamp Port

под заказ73920 руб.
241122-93J01-000

Пластина кронштейна транца Lwr Port - Plate, Clamp Bracket Lwr Port (Plate, Clamp Bracket Lwr Port)

под заказ1630 руб.
241122-93J02-000

   (актуальный код замены) Пластина кронштейна транца Lwr Port - Plate, Clamp Bracket Lwr Port

под заказ1630 руб.
241121-93J01-0EP

(DF200/225 DF250T:421423~ DF250Z:421140~)

под заказ0 руб.
241121-93J02-0EP

(MODEL:05, 06)

под заказ0 руб.
241121-93J03-0EP

(DF200T:680341~ DF225T:680281~ DF250T:680590~ DF200Z:680055~ DF225Z:680066~ DF250Z:680243~ ->41121-93J04-0EP USED WITH 41122-93J01)

под заказнет сведений
241121-93J04-0EP

Кронштейн левого зажима - Bracket, Clamp Port (DF200T:980225~ DF225T:980100~ DF250T:980375~ DF200Z:980065~ DF225Z:980037~ DF250Z:980111~) (Bracket, Clamp Port)

под заказ73920 руб.
241121-93J08-0EP

   (актуальный код замены) Кронштейн левого зажима - Bracket, Clamp Port

под заказ73920 руб.
241121-93J05-0EP

Кронштейн левого зажима - Bracket, Clamp Port (MODEL:10~) (Bracket, Clamp Port)

под заказ73920 руб.
241121-93J08-0EP

   (актуальный код замены) Кронштейн левого зажима - Bracket, Clamp Port

под заказ73920 руб.
341117-93J00-000

Пластина кронштейна транца Lwr Stbd - Plate, Clamp Bracket Lwr Stbd (DF200/225 DF250T:421423~ DF250Z:421140~) (Plate, Clamp Bracket Lwr Stbd)

под заказ1630 руб.
341117-93J02-000

   (актуальный код замены) Пластина кронштейна транца Lwr Stbd - Plate, Clamp Bracket Lwr Stbd

под заказ1630 руб.
341117-93J01-000

Пластина кронштейна транца Lwr Stbd - Plate, Clamp Bracket Lwr Stbd (Plate, Clamp Bracket Lwr Stbd)

под заказ1630 руб.
341117-93J02-000

   (актуальный код замены) Пластина кронштейна транца Lwr Stbd - Plate, Clamp Bracket Lwr Stbd

под заказ1630 руб.
441122-93J00-000

Пластина кронштейна транца Lwr Port - Plate, Clamp Bracket Lwr Port (DF200/225 DF250T:421423~ DF250Z:421140~) (Plate, Clamp Bracket Lwr Port)

под заказ1630 руб.
441122-93J02-000

   (актуальный код замены) Пластина кронштейна транца Lwr Port - Plate, Clamp Bracket Lwr Port

под заказ1630 руб.
441122-93J01-000

Пластина кронштейна транца Lwr Port - Plate, Clamp Bracket Lwr Port (Plate, Clamp Bracket Lwr Port)

под заказ1630 руб.
441122-93J02-000

   (актуальный код замены) Пластина кронштейна транца Lwr Port - Plate, Clamp Bracket Lwr Port

под заказ1630 руб.
509125-06063-000

Винт (6x10) - Screw (6x10) (DF200/225 DF250T:421423~ DF250Z:421140~ ) (Screw (6x10))

6 шт190 руб.
641130-93J00-000

под заказ0 руб.
641130-93J12-000

Труба кронштейна транца - Shaft, Clamp Bracket (Shaft, Clamp Bracket)

под заказ17720 руб.
643211-93J00-000

Втулка струбцины поворотного вала - Bush, Clamp Shaft Swivel (Bush, Clamp Shaft Swivel)

под заказ830 руб.
643211-93J11-000

   (актуальный код замены) Втулка струбцины поворотного вала - Bush, Clamp Shaft Swivel

8 шт900 руб.
641130-93J01-000

(DF200T:510464~ DF225T:510231~ DF250T:510954~ DF200Z:510066~ DF225Z:510042~ DF250Z:510251~ ->41130-93J02 USED WITH 43211-93J00 (2PC))

под заказнет сведений
641130-93J12-000

Труба кронштейна транца - Shaft, Clamp Bracket (Shaft, Clamp Bracket)

под заказ17720 руб.
641130-93J02-000

Труба кронштейна транца - Shaft, Clamp Bracket (DF200T:510932~ DF225T:510552~ DF250T:511668~ DF200Z:510175~ DF225Z:510139~ DF250Z:510529~) (Shaft, Clamp Bracket)

под заказ17720 руб.
641130-93J12-000

   (актуальный код замены) Труба кронштейна транца - Shaft, Clamp Bracket

под заказ17720 руб.
641130-93J12-000

Труба кронштейна транца - Shaft, Clamp Bracket (Shaft, Clamp Bracket)

под заказ17720 руб.
641130-93J10-000

Труба кронштейна транца - Shaft, Clamp Bracket (MODEL:10~) (Shaft, Clamp Bracket)

под заказ17720 руб.
641130-93J12-000

   (актуальный код замены) Труба кронштейна транца - Shaft, Clamp Bracket

под заказ17720 руб.
641130-93J12-000

Труба кронштейна транца - Shaft, Clamp Bracket (Shaft, Clamp Bracket)

под заказ17720 руб.
741135-93J00-000

Шайба кронштейна вала транца - Washer, Clamp Bracket Shaft (Washer, Clamp Bracket Shaft)

под заказ610 руб.
741135-93J11-000

Шайба кронштейна вала транца - Washer, Clamp Bracket Shaft (MODEL:06~ ) (Washer, Clamp Bracket Shaft)

под заказ610 руб.
809159-22006-000

Гайка - Nut (Nut)

8 шт1950 руб.
941153-93J00-000

Колпачок транцевого болта - Cap, Transom Bolt (Cap, Transom Bolt)

под заказ490 руб.
1009100-12085-000

Болт (12.7x115) - Bolt (127x115) (Bolt, transom (12x115) # OPT ) (Bolt (12.7x115))

под заказ1740 руб.
1009100-12086-000

Болт (12.7x150) - Bolt (127x150) (Bolt, transom (12x150) ) (Bolt (12.7x150))

под заказ2480 руб.
1009100-12092-000

Болт (12.7x75) - Bolt (127x75) (Bolt, transom (12x75) # OPT ) (Bolt (12.7x75))

под заказ1560 руб.
1109159-12062-000

Гайка - Nut (Nut, transom bolt (m12) ) (Nut)

под заказ730 руб.
1209160-13017-000

Шайба (13.2x45x3) - Washer (132x45x3) (Washer (13.2x45x3))

под заказ1270 руб.
1209160-13022-000

   (актуальный код замены) Шайба (13.2x45x3) - Washer (13.2x45x3)

под заказ1270 руб.
1209160-13022-000

Шайба (13.2x45x3) - Washer (132x45x3) (Washer (13.2x45x3))

под заказ1270 руб.
1309160-13016-000

Шайба (13.2x26x3) - Washer (132x26x3) (Washer (13.2x26x3))

под заказ1000 руб.
1309160-13021-000

   (актуальный код замены) Шайба (13.2x26x3) - Washer (13.2x26x3)

под заказ1000 руб.
1309160-13021-000

Шайба (13.2x26x3) - Washer (132x26x3) (Washer (13.2x26x3))

под заказ1000 руб.
1441155-93J01-000

Пластина, Transom - Plate, Transom (Plate, Transom)

под заказ1920 руб.
1441155-93J02-000

   (актуальный код замены) Пластина, Transom - Plate, Transom

под заказ1920 руб.
1441155-93J02-000

Пластина, Transom - Plate, Transom (Plate, Transom)

под заказ1920 руб.
1555320-94900-000

Анод кронштейна транца - Anode Set, Clamp Bracket (Zinc, protection ) (Anode Set, Clamp Bracket)

13 шт4950 руб.
1609116-06121-000

Болт (6x25) - Bolt (6x25) (Bolt (6x25) ) (Bolt (6x25))

19 шт260 руб.
1745421-87D01-000

Штифт блокировки наклона - Pin, Tilt Lock (Pin, Tilt Lock)

под заказ2810 руб.
1745421-87D03-000

   (актуальный код замены) Штифт блокировки наклона - Pin, Tilt Lock

под заказ2810 руб.
1745421-87D02-000

Штифт блокировки наклона - Pin, Tilt Lock (Pin, Tilt Lock)

под заказ2810 руб.
1745421-87D03-000

   (актуальный код замены) Штифт блокировки наклона - Pin, Tilt Lock

под заказ2810 руб.
1809159-14020-000

Гайка - Nut (Nut)

под заказ350 руб.
1948140-93J00-000

Кулачок переключателя ограничителя наклона - Cam Assy, Tilt Limit Switch (Cam Assy, Tilt Limit Switch)

под заказ1330 руб.
1948140-93J01-000

   (актуальный код замены) Кулачок переключателя ограничителя наклона - Cam Assy, Tilt Limit Switch

2 шт1330 руб.
1948140-93J01-000

Кулачок переключателя ограничителя наклона - Cam Assy, Tilt Limit Switch (Cam Assy, Tilt Limit Switch)

2 шт1330 руб.
2048144-93J00-000

Держатель переключатель ограничителя наклона - Holder, Tilt Limit Switch (Holder, Tilt Limit Switch)

под заказ990 руб.
2109103-06278-000

Болт (6x25) - Bolt (6x25) (Bolt (6x20) # DF200T:510780~ DF225T:510440~ DF250T:511423~ DF200Z:510146~ DF225Z:510117~ DF250Z:510474~ ) (Bolt (6x25))

под заказ170 руб.
2109103-06093-000

Болт (6x20) - Bolt (6x20) (Bolt (6x20))

под заказ130 руб.
2255321-94910-000

Анод (магниевый) - Anode (magnesium) (OPT ) (Anode (magnesium))

13 шт5910 руб.
2348145-93J00-000

Крышка выключателя ограничителя наклона - Cover, Tilt Limit Switch (DF200T:510780~ DF225T:510440~ DF250T:511423~ DF200Z:510146~ DF225Z:510117~ DF250Z:510474~ ) (Cover, Tilt Limit Switch)

под заказ970 руб.
2436894-87D00-000

Lead (l: 165) - Lead (l:165) (DF200T:680188~ DF225T:680175~ DF250T:680339~ DF200Z:680026~ DF225Z:680048~ DF250Z:680144~ ) (Lead (l:165))

2 шт1350 руб.
2509125-06063-000

Винт (6x10) - Screw (6x10) (DF200T:680188~ DF225T:680175~ DF250T:680339~ DF200Z:680026~ DF225Z:680048~ DF250Z:680144~ ) (Screw (6x10))

6 шт190 руб.


Время выполнения запроса 2.135379076004 сек.

 
 

данный сайт носит информационный характер и не является публичной офертой

склад запчастей для водомоторной техники