| |
 |
|
 |
Вернуться к выбору узлов мотора
ДЕТАЛИРОВКА ДЛЯ МОДЕЛИ: SUZUKI DF200WTK8(E1) K8
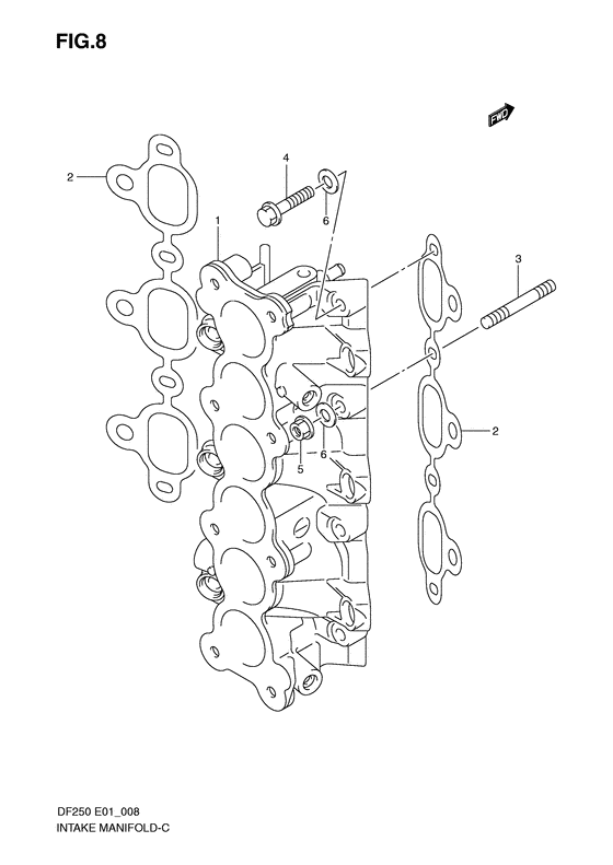
Впускной коллектор
Год выпуска двигателя: 2008
Номер на рисунке | Артикул | Наименование | QTY | Кол-во на складе | Цена |
| 1 | 13110-93J00-000 | Впускной коллектор - Manifold, Intake (Manifold, Intake) | | под заказ | 42480 руб. |
| 2 | 13119-93J00-000 | Прокладка впускного коллектора - Gasket, Intake Manifold (Gasket, Intake Manifold) | | 6 шт | 1830 руб. |
| 3 | 01421-08457-000 | Болт под шпильку - Bolt, Stud (Bolt, Stud) | | под заказ | 360 руб. |
| 3 | 09108-08282-000 | Болт под шпильку - Bolt, Stud (Df250t:782264~782284 ) (Bolt, Stud) | | под заказ | 640 руб. |
| 4 | 01550-08507-000 | Болт - Bolt (Bolt) | | под заказ | 260 руб. |
| 4 | 09103-08437-000 | Болт (8x65) - Bolt (8x65) (Bolt (8x65) # Bolt (8x65); Df250t:782264~782284 ) (Bolt (8x65)) | | под заказ | 610 руб. |
| 5 | 08316-10087-000 | Гайка - Nut (Nut) | | 14 шт | 170 руб. |
| 5 | 09159-08136-000 | Гайка - Nut (Nut (m8) # Nut (m8); Df250t:782264~782284 ) (Nut) | | под заказ | 190 руб. |
| 6 | 09160-08016-000 | Шайба (8.5x20x2) - Washer (85x20x2) (Washer (8.5x20x2) # Washer (8.5x20x2); Df250t:782264~782284 ) (Washer (8.5x20x2)) | | под заказ | 130 руб. |
Время выполнения запроса 0.52610301971436 сек. |
|