Запчасти на подвесной мотор Suzuki - Боковая крышка
вконтакте

Контактный телефон: +7 (981) 121-46-93, +7 (800) 200-90-76 , Email: parts-katalog@yandex.ru, где купить

 
 

  Логин:

Пароль:

Регистрация

www.partskatalog.ru Все каталоги Запчасти Mercury Запчасти Suzuki Запчасти Tohatsu Запчасти Honda Контакты



УВАЖАЕМЫЕ КЛИЕНТЫ!
C 19 ДЕКАБРЯ 2025 ПО 02 МАРТА 2026 ГОДА ОТДЕЛ ЗАПЧАСТЕЙ И СЕРВИС РАБОТАТЬ НЕ БУДУТ
ПРОДАЖА ЛОДОЧНЫХ МОТОРОВ В ШТАТНОМ РЕЖИМЕ
ОБ ИЗМЕНЕНИЯХ В ГРАФИКЕ РАБОТЫ ЧИТАЙТЕ НА САЙТА



назад Раздел:   вперёд

Вернуться к выбору узлов мотора


ДЕТАЛИРОВКА ДЛЯ МОДЕЛИ: SUZUKI DF200WTK10(E1) K10

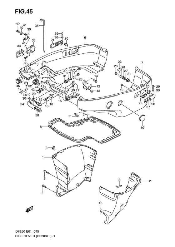
Боковая крышка


Год выпуска двигателя: 2010

Номер на
рисунке
АртикулНаименованиеQTYКол-во
на складе
Цена
161131-93J11-0EP

(Cover, oil pan stbd (black);)

под заказнет сведений
109136-06161-000

Винт (6x17) - Screw (6x17) (Screw (6x17))

24 шт290 руб.
161131-93J20-0EP

Крышка масляного поддона, правая (l) (чёрный) - Cover, Oil Pan Stbd (l) (black) (Cover, Oil Pan Stbd (l) (black))

под заказ46800 руб.
161131-93J20-0EP

Крышка масляного поддона, правая (l) (чёрный) - Cover, Oil Pan Stbd (l) (black) (Cover, Oil Pan Stbd (l) (black))

под заказ46800 руб.
161131-93J12-0EP

Крышка масляного поддона, правая (l) (чёрный) - Cover, Oil Pan Stbd (l) (black) (Cover, oil pan stbd (black); Df200t:881271~, df225t:880982~, df250t:881783~, df200z:880218~, df225z:880208~, df250z:880595~) (Cover, Oil Pan Stbd (l) (black))

под заказ46800 руб.
161131-93J20-0EP

   (актуальный код замены) Крышка масляного поддона, правая (l) (чёрный) - Cover, Oil Pan Stbd (l) (black)

под заказ46800 руб.
161131-93J20-0EP

Крышка масляного поддона, правая (l) (чёрный) - Cover, Oil Pan Stbd (l) (black) (Cover, Oil Pan Stbd (l) (black))

под заказ46800 руб.
261141-93J11-0EP

(Cover, oil pan port (black);)

под заказнет сведений
209136-06161-000

Винт (6x17) - Screw (6x17) (Screw (6x17))

24 шт290 руб.
261141-93J20-0EP

Крышка масляного поддона, левая (l) (чёрный) - Cover, Oil Pan Port (l) (black) (Cover, Oil Pan Port (l) (black))

под заказ46800 руб.
261141-93J20-0EP

Крышка масляного поддона, левая (l) (чёрный) - Cover, Oil Pan Port (l) (black) (Cover, Oil Pan Port (l) (black))

под заказ46800 руб.
261141-93J12-0EP

Крышка масляного поддона, левая (l) (чёрный) - Cover, Oil Pan Port (l) (black) (Cover, oil pan port (black); Df200t:881271~, df225t:880982~, df250t:881783~, df200z:880218~, df225z:880208~, df250z:880595~) (Cover, Oil Pan Port (l) (black))

под заказ46800 руб.
261141-93J20-0EP

   (актуальный код замены) Крышка масляного поддона, левая (l) (чёрный) - Cover, Oil Pan Port (l) (black)

под заказ46800 руб.
261141-93J20-0EP

Крышка масляного поддона, левая (l) (чёрный) - Cover, Oil Pan Port (l) (black) (Cover, Oil Pan Port (l) (black))

под заказ46800 руб.
361137-93J00-000

Подушка крышки масляного поддона вышеr - Cushion, Oil Pan Cover Upr (Cushion, Oil Pan Cover Upr)

под заказ730 руб.
361137-93J01-000

   (актуальный код замены) Подушка крышки масляного поддона вышеr - Cushion, Oil Pan Cover Upr

под заказ730 руб.
409139-06170-000

Винт (6x17) - Screw (6x17) (Screw, oil pan cov (6x17); ) (Screw (6x17))

под заказ750 руб.
409136-06161-000

Винт (6x17) - Screw (6x17) (Screw, oil pan cov (6x17); Df200t:881271~, df225t:880982~, df250t:881783~, df200z:880218~, df225z:880208~, df250z:880595~ ) (Screw (6x17))

24 шт290 руб.
509136-06148-000

Винт (6x35) - Screw (6x35) (Screw, oil pan cov (6x35); ) (Screw (6x35))

под заказ300 руб.
509139-06249-000

   (актуальный код замены) Винт (6x35) - Screw (6x35)

23 шт300 руб.
661811-93J12-0EP

Боковая крышка по правому борту (l) (чёрный) - Cover, Side Stbd (l) (black) (Cover, side stbd (black);) (Cover, Side Stbd (l) (black))

под заказ76320 руб.
661811-93J30-0EP

   (актуальный код замены) Боковая крышка по правому борту (l) (чёрный) - Cover, Side Stbd (l) (black)

под заказ76320 руб.
661811-93J30-0EP

Боковая крышка по правому борту (l) (чёрный) - Cover, Side Stbd (l) (black) (Cover, Side Stbd (l) (black))

под заказ76320 руб.
761821-93J03-0EP

Боковая крышка по левому борту (чёрный) - Cover, Side Port (black) (Cover, side port (black);) (Cover, Side Port (black))

под заказ76320 руб.
761821-93J10-0EP

   (актуальный код замены) Боковая крышка по левому борту (чёрный) - Cover, Side Port (black)

под заказ76320 руб.
761821-93J10-0EP

Боковая крышка по левому борту (чёрный) - Cover, Side Port (black) (Cover, Side Port (black))

под заказ76320 руб.
861134-93J20-000

Сальник боковой крышки - Seal, Side Cover (Seal, Side Cover)

под заказ8500 руб.
861134-93J21-000

   (актуальный код замены) Сальник боковой крышки - Seal, Side Cover

под заказ8500 руб.
909409-05302-5PK

Зажим (чёрный) - Clip (black) (Pin, side cover seal (black); ) (Clip (black))

под заказ120 руб.
1061817-93J00-000

Заглушка боковой крышки - Plug, Side Cover (Plug, Side Cover)

под заказ550 руб.
1061817-93J01-000

   (актуальный код замены) Заглушка боковой крышки - Plug, Side Cover

под заказ550 руб.
1109136-06148-000

Винт (6x35) - Screw (6x35) (Screw, side cover (6x35); ) (Screw (6x35))

под заказ300 руб.
1109139-06249-000

   (актуальный код замены) Винт (6x35) - Screw (6x35)

23 шт300 руб.
1261827-93J01-000

Держатель боковой крышки - Holder, Side Cover (Holder, Side Cover)

под заказ2740 руб.
1261827-93J02-000

   (актуальный код замены) Держатель боковой крышки - Holder, Side Cover

под заказ2740 руб.
1261827-93J02-000

Держатель боковой крышки - Holder, Side Cover (Holder, Side Cover)

под заказ2740 руб.
1309321-10030-000

Подушка - Cushion (Cushion, side cover holder ) (Cushion)

под заказ190 руб.
1309321-10049-000

   (актуальный код замены) Подушка - Cushion

под заказ190 руб.
1401550-08207-000

Болт - Bolt (Bolt, side cover holder; ) (Bolt)

10 шт240 руб.
1561831-93J12-0EP

Panel, Fr - Panel, Fr (Panel, front (black);) (Panel, Fr)

под заказ18680 руб.
1561831-93J13-0EP

   (актуальный код замены) Panel, Fr

под заказ18680 руб.
1561831-93J13-0EP

Panel, Fr - Panel, Fr (Panel, Fr)

под заказ18680 руб.
1609118-08127-000

Болт (8x38) - Bolt (8x38) (Bolt, front panel (8x40);) (Bolt (8x38))

под заказ380 руб.
1609116-08174-000

   (актуальный код замены) Болт (8x38) - Bolt (8x38)

под заказ380 руб.
1609116-08163-000

Болт (8x38) - Bolt (8x38) (Bolt (8x38))

под заказ380 руб.
1609116-08174-000

   (актуальный код замены) Болт (8x38) - Bolt (8x38)

под заказ380 руб.
1709169-08039-000

Шайба - Washer (Washer, front panel; ) (Washer)

под заказ600 руб.
1709169-08050-000

   (актуальный код замены) Шайба, Передняя панель (id: 8.5) - Washer, Front Panel (id:8.5)

под заказ600 руб.
1809320-11013-000

Подушка - Cushion (Cushion, front panel; ) (Cushion)

под заказ320 руб.
1809320-11023-000

   (актуальный код замены) Подушка, Передняя панель - Cushion, Front Panel

под заказ320 руб.
1901550-05107-000

Болт - Bolt (Screw, hook lever latch # Bolt, hook lever latch; ) (Bolt)

10 шт220 руб.
2061632-93J00-000

Вал защелки капота двигателя - Shaft, Engine Cover Hook (Shaft, Engine Cover Hook)

3 шт3700 руб.
2161633-93J00-0EP

Рычаг защелки задний правый - Lever, Hook Rr Stbd (Lever, hook rr stbd (black); ) (Lever, Hook Rr Stbd)

под заказ8210 руб.
2261634-93J00-0EP

Рычаг защелки задний левый - Lever, Hook Rr Port (Lever, hook rr port (black); ) (Lever, Hook Rr Port)

под заказ8210 руб.
2361641-93J10-000

Крючок капота двигателя - Hook, Engine Cover (Hook, engine cover (rear stbd/front); ) (Hook, Engine Cover)

под заказ2480 руб.
2361641-93J20-000

Крючок капота двигателя Rr Port - Hook, Engine Cover Rr Port (Hook, engine cover (rear port); ) (Hook, Engine Cover Rr Port)

под заказ2480 руб.
2461645-93J00-0EP

Рычаг, Крючок Fr - Lever, Hook Fr (Lever, hook fr (black);) (Lever, Hook Fr)

под заказ8210 руб.
2461645-93J01-0EP

   (актуальный код замены) Рычаг, Крючок Fr - Lever, Hook Fr

под заказ8210 руб.
2461645-93J01-0EP

Рычаг, Крючок Fr - Lever, Hook Fr (Lever, Hook Fr)

под заказ8210 руб.
2561673-93J00-000

Защелка рычажного крюка - Latch, Hook Lever (Latch, Hook Lever)

под заказ1360 руб.
2561673-93J01-000

   (актуальный код замены) Защелка рычажного крюка - Latch, Hook Lever

9 шт1360 руб.
2561673-93J01-000

Защелка рычажного крюка - Latch, Hook Lever (Latch, Hook Lever)

9 шт1360 руб.
2609116-06127-000

Болт (6x12) - Bolt (6x12) (Bolt, hook (6x12); ) (Bolt (6x12))

1 шт290 руб.
2709160-13014-000

Шайба (13.2x25x1) - Washer (132x25x1) (Washer, rr hook lever (13.2x25x1.0); ) (Washer (13.2x25x1))

3 шт230 руб.
2809164-14008-000

Шайба - Washer (Washer, wave # Washer, wave; ) (Washer)

10 шт190 руб.
2909202-04022-000

Штифт - Pin (Pin, hook lever; ) (Pin)

7 шт280 руб.
3009306-04005-000

Втулка - Bush (Bush)

под заказ320 руб.
3109306-13007-000

Втулка - Bush (Bush, hook lever; ) (Bush)

9 шт290 руб.
3261124-93J40-000

Пыльник кабеля дистанционного управления - Grommet, Remocon Cable (Grommet, Remocon Cable)

под заказ2620 руб.
3261124-93J41-000

   (актуальный код замены) Пыльник кабеля дистанционного управления - Grommet, Remocon Cable

под заказ2620 руб.
3367341-93J20-000

Держатель кабеля дистанционного управления - Holder, Remocon Cable (Holder, Remocon Cable)

под заказ2840 руб.
3467345-93J00-000

Защита держателя тросов дистанционного управления - Protector, R/con Cable Holder (Protector, R/con Cable Holder)

под заказ970 руб.
3509407-25402-000

Струбцина (l: 250) - Clamp (l:250) (Clamp, tilt sw ) (Clamp (l:250))

под заказ350 руб.
3601550-06167-000

Болт - Bolt (Bolt, r/con cable holder; ) (Bolt)

9 шт210 руб.
3761639-93J00-000

Наклейка рычага защелки (rr Port) - Label, Hook Lever (rr Port) (Label, hook lever (rear port); ) (Label, Hook Lever (rr Port))

под заказ690 руб.
3861649-93J00-000

Наклейка рычага защелки - Label, Hook Lever (Label, hook lever (rear stbd / front) # Label, hook lever (rear stbd / front); ) (Label, Hook Lever)

под заказ520 руб.
3967343-93J20-000

Стопор кабеля дистанционного управления - Stopper, Remocon Cable (Stopper, Remocon Cable)

1 шт640 руб.
4009160-06047-000

Шайба (6.5x20x2) - Washer (65x20x2) (Washer, remocon cable stopper # Washer, r/con cable stopper; ) (Washer (6.5x20x2))

8 шт150 руб.
4109352-70103-600

Шланг (7x10.2x600) - Hose (7x102x600) (Cushion, r/con cable stopper # Cushion, r/con cable stopper stopper; L:600->4 ) (Hose (7x10.2x600))

под заказ570 руб.
4109352-70104-600

   (актуальный код замены) Шланг (7x10.2x600) - Hose (7x10.2x600)

4 шт570 руб.
4201570-06107-000

Болт - Bolt (Bolt, r/con cable stopper; ) (Bolt)

под заказ190 руб.
4317913-93J00-000

Водяная заглушка - Plug, Water (Plug, Water)

1 шт510 руб.
4417914-93J00-000

Прокладка водяной заглушки - Gasket, Water Plug (Gasket, water plug; ) (Gasket, Water Plug)

под заказ280 руб.
4417914-93J01-000

   (актуальный код замены) Прокладка водяной заглушки - Gasket, Water Plug

2 шт470 руб.
4567300-93J00-000

Kit, Шланг Adapter - Kit, Hose Adapter (Opt ) (Kit, Hose Adapter)

под заказ1350 руб.
4567300-93J01-000

   (актуальный код замены) Kit, Шланг Adapter - Kit, Hose Adapter

1 шт1500 руб.
4667361-93J00-000

Адаптер шланга - Adapter, Hose (Opt ) (Adapter, Hose)

под заказ790 руб.
4709250-21003-000

Заглушка (od: 28) - Plug (od:28) (Plug, lower cover # Plug, grommet; Opt ) (Plug (od:28))

под заказ390 руб.
4709250-21004-000

   (актуальный код замены) Заглушка (od: 28) - Plug (od:28)

под заказ390 руб.


Время выполнения запроса 1.3505680561066 сек.

 
 

данный сайт носит информационный характер и не является публичной офертой

склад запчастей для водомоторной техники