| |
 |
|
 |
Вернуться к выбору узлов мотора
ДЕТАЛИРОВКА ДЛЯ МОДЕЛИ: SUZUKI DF200WZK10(E1) K10
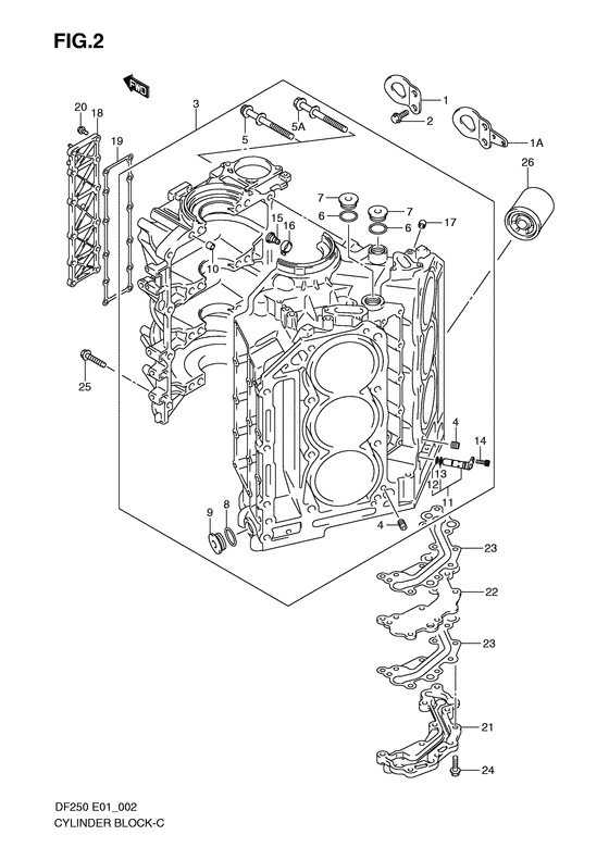
Блок цилиндра
Год выпуска двигателя: 2010
Номер на рисунке | Артикул | Наименование | QTY | Кол-во на складе | Цена |
| 1 | 11293-93J00-000 | Крюк двигателя Fr - Hook, Engine Fr (Hook, Engine Fr) | | под заказ | 0 руб. |
| 1 | 11293-98J00-000 | Крюк двигателя Fr - Hook, Engine Fr (Df200t:880554~, df200z:880122~, df225t:880434~, df225z:880155~, df250t:881063~, df250z:880384~ ) (Hook, Engine Fr) | | под заказ | 1440 руб. |
| 2 | 01550-08207-000 | Болт - Bolt (Bolt) | | 10 шт | 240 руб. |
| 3 | 11301-93J03-000 | Блок цилиндра - Block Set, Cylinder (Block Set, Cylinder) | | под заказ | 456480 руб. |
| 3 | 11301-93J11-000 | (актуальный код замены) Блок цилиндра - Block Set, Cylinder | | под заказ | 456480 руб. |
| 3 | 11301-93J11-000 | Блок цилиндра - Block Set, Cylinder (Block Set, Cylinder) | | под заказ | 456480 руб. |
| 3 | 11301-93J10-000 | Блок цилиндра - Block Set, Cylinder (Df200t:110001~, df225t:110001~, df250t:110001~, df200z:110001~, df225z:110001~, df250z:110001~) (Block Set, Cylinder) | | под заказ | 456480 руб. |
| 3 | 11301-93J11-000 | (актуальный код замены) Блок цилиндра - Block Set, Cylinder | | под заказ | 456480 руб. |
| 3 | 11301-93J11-000 | Блок цилиндра - Block Set, Cylinder (Block Set, Cylinder) | | под заказ | 456480 руб. |
| 4 | 11112-93J00-000 | Заглушка масляной трубки Вентури - Plug, Oil Venturi (Plug, Oil Venturi) | | под заказ | 400 руб. |
| 5 | 11117-93J00-000 | Болт картера двигателя - Bolt, Crankcase (Bolt, Crankcase) | | под заказ | 640 руб. |
| 5 | 11117-93J10-000 | (актуальный код замены) Болт картера двигателя - Bolt, Crankcase | | под заказ | 640 руб. |
| 5 | 11117-93J10-000 | Болт картера двигателя - Bolt, Crankcase (Bolt, Crankcase) | | под заказ | 640 руб. |
| 5 | 11117-93J01-000 | Болт картера двигателя - Bolt, Crankcase (Df200t:421625~, df200z:421114~, df225t:421416~, df225z:421100~, df250t:422099~, df250z:421313~) (Bolt, Crankcase) | | под заказ | 640 руб. |
| 5 | 11117-93J10-000 | (актуальный код замены) Болт картера двигателя - Bolt, Crankcase | | под заказ | 640 руб. |
| 5 | 11117-93J10-000 | Болт картера двигателя - Bolt, Crankcase (Bolt, Crankcase) | | под заказ | 640 руб. |
| 5 | 11117-93J10-000 | Болт картера двигателя - Bolt, Crankcase (Df200t:110001~, df225t:110001~, df250t:110001~, df200z:110001~, df225z:110001~, df250z:110001~ ) (Bolt, Crankcase) | | под заказ | 640 руб. |
| 6 | 11217-85FA0-000 | Прокладка, M26 Заглушка - Gasket, M26 Plug (Gasket, M26 Plug) | | под заказ | 320 руб. |
| 7 | 09248-26001-000 | Заглушка, M26 - Plug, M26 (Plug, oil gallery m26; ) (Plug, M26) | | под заказ | 1110 руб. |
| 8 | 09160-18031-000 | Шайба (18.5x28x2.6) - Washer (185x28x26) (Gasket, exh plug; ) (Washer (18.5x28x2.6)) | | 12 шт | 190 руб. |
| 9 | 09248-18006-000 | Заглушка (18x8) - Plug (18x8) (Plug, exh; ) (Plug (18x8)) | | под заказ | 460 руб. |
| 10 | 09206-13019-000 | Штифт (10.4x13x16) - Pin (104x13x16) (Pin (10.4x13x16)) | | под заказ | 180 руб. |
| 11 | 16700-93J00-000 | Клапан форсунки поршня - Valve, Piston Jet (Valve, Piston Jet) | | под заказ | 3920 руб. |
| 12 | 09280-10009-000 | Уплотнительное кольцо (d: 1.3, Id: 9.8) - O Ring (d:13, Id:98) (O Ring (d:1.3, Id:9.8)) | | 7 шт | 150 руб. |
| 13 | 09280-10016-000 | Уплотнительное кольцо (d: 1.9, Id: 9.8) - O Ring (d:19, Id:98) (O ring ) (O Ring (d:1.9, Id:9.8)) | | 8 шт | 330 руб. |
| 14 | 07130-0616A-000 | Болт - Bolt (Bolt, piston jet valve ) (Bolt) | | под заказ | 190 руб. |
| 15 | 16712-93J00-000 | Болт поршневой форсунки - Bolt, Piston Jet (Bolt, Piston Jet) | | под заказ | 370 руб. |
| 16 | 16721-93J00-000 | Форсунка охлаждения поршня - Jet, Piston Cooling (Jet, Piston Cooling) | | 2 шт | 2300 руб. |
| 17 | 09246-05006-000 | Заглушка (1 / 8pt, H: 5.5) - Plug (1/8pt, H:55) (Plug, oil gallery; ) (Plug (1/8pt, H:5.5)) | | под заказ | 260 руб. |
| 18 | 11330-93J01-000 | Крышка рубашки охлаждения картера двигателя - Cover, Crankcase Wtr Jkt (Cover, Crankcase Wtr Jkt) | | под заказ | 13780 руб. |
| 19 | 11332-93J00-000 | Прокладка водяной рубашки охлаждения картера Крышка - Gasket, Crankcase Wtr Jkt Cover (Gasket, wtr jkt cover # Gasket, wtr jkt cover; ) (Gasket, Crankcase Wtr Jkt Cover) | | 1 шт | 1050 руб. |
| 20 | 01550-06207-000 | Болт - Bolt (Bolt, wtr jkt cover; ) (Bolt) | | 17 шт | 220 руб. |
| 21 | 16430-93J00-000 | Крышка масляной галерии - Cover, Oil Gallery (Cover, Oil Gallery) | | под заказ | 9080 руб. |
| 22 | 16431-93J00-000 | Пластина масляной галерии - Plate, Oil Gallery (Plate, Oil Gallery) | | под заказ | 1440 руб. |
| 23 | 16433-93J00-000 | Прокладка масляной галерии - Gasket, Oil Gallery (Gasket, Oil Gallery) | | под заказ | 730 руб. |
| 24 | 01550-0835A-000 | Болт - Bolt (Bolt, oil gallery cover; ) (Bolt) | | под заказ | 230 руб. |
| 25 | 01550-08457-000 | Болт - Bolt (Bolt, cyl head no.5 # Bolt, crankcase; ) (Bolt) | | под заказ | 260 руб. |
| 26 | 16510-93J00-000 | Масляный фильтр - Filter Assy, Oil (Filter Assy, Oil) | | под заказ | 2430 руб. |
| 26 | 16510-96J11-000 | (актуальный код замены) Масляный фильтр - Filter Assy, Oil | | 43 шт | 2770 руб. |
| 26 | 16510-96J00-000 | Масляный фильтр - Filter Assy, Oil (Filter Assy, Oil) | | 1 шт | 2930 руб. |
| 26 | HF682 | (не оригинальный аналог) Масляный фильтр Hiflo HF682 (аналог 16510-61A31, 16510-96J00, 16510-96J10 и др.) | | под заказ | 1200 руб. |
| 26 | 16510-96J11-000 | (актуальный код замены) Масляный фильтр - Filter Assy, Oil | | 43 шт | 2770 руб. |
Время выполнения запроса 5.9422199726105 сек. |
|