Запчасти на подвесной мотор Suzuki модель 2011 года - Trim cylinder
вконтакте

Контактный телефон: +7 (981) 121-46-93, +7 (800) 200-90-76 , Email: parts-katalog@yandex.ru, где купить

 
 

  Логин:

Пароль:

Регистрация

www.partskatalog.ru Все каталоги Запчасти Mercury Запчасти Suzuki Запчасти Tohatsu Запчасти Honda Контакты



УВАЖАЕМЫЕ КЛИЕНТЫ!
C 19 ДЕКАБРЯ 2025 ПО 02 МАРТА 2026 ГОДА ОТДЕЛ ЗАПЧАСТЕЙ И СЕРВИС РАБОТАТЬ НЕ БУДУТ
ПРОДАЖА ЛОДОЧНЫХ МОТОРОВ В ШТАТНОМ РЕЖИМЕ
ОБ ИЗМЕНЕНИЯХ В ГРАФИКЕ РАБОТЫ ЧИТАЙТЕ НА САЙТА



назад Раздел:   вперёд

Вернуться к выбору узлов мотора


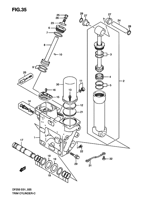
ДЕТАЛИРОВКА ДЛЯ МОДЕЛИ: SUZUKI DF225WT FROM 22503F-110001~

Цилиндр трима


Год выпуска двигателя: 2011

Номер на
рисунке
АртикулНаименованиеQTYКол-во
на складе
Цена
148500-93J03-000

Запчасть снята с производства - The Spare Part Is Laid Off (INC.NO.6~10, 15 <-48641-93J00) (The Spare Part Is Laid Off)

под заказ0 руб.
248400-93J04-000

Запчасть снята с производства - The Spare Part Is Laid Off (The Spare Part Is Laid Off)

под заказ0 руб.
348405-93J00-000

Набор уплотнительных колец - O Ring Set (O Ring Set)

3 шт1010 руб.
448650-93J00-000

Освободитель поршня - Piston, Free (Piston, Free)

под заказ6720 руб.
548627-93J00-000

Набор уплотнительных колец - O Ring Set (O Ring Set)

под заказ850 руб.
648630-93J00-000

Тяга направляющей - Rod Guide (Rod Guide)

2 шт8880 руб.
648630-98J00-000

Тяга направляющей - Rod Guide (DF200T:781432~ DF225T:781158~ DF250T:782120~ DF200Z:780201~ DF225Z:780228~ DF250Z:780739~) (Rod Guide)

под заказ8020 руб.
648630-98L01-000

   (актуальный код замены) Тяга направляющей - Rod Guide

10 шт8020 руб.
648630-98J01-000

Тяга направляющей - Rod Guide (Rod Guide)

под заказ8020 руб.
648630-98L01-000

   (актуальный код замены) Тяга направляющей - Rod Guide

10 шт8020 руб.
748633-93J00-000

Уплотнительное кольцо - O Ring (O Ring)

под заказ730 руб.
848610-93J01-000

Поршень / ram - Piston/ram (Piston/ram)

под заказ18580 руб.
948605-93J00-000

Набор уплотнительных колец - O Ring Set (O Ring Set)

10 шт1400 руб.
1048691-93J00-000

Обратный клапан - Check Valve (Check Valve)

под заказ610 руб.
1148572-87J10-000

Заглушка - Plug (Plug)

2 шт2030 руб.
1248585-95E00-000

Уплотнительное кольцо - O Ring (O Ring)

6 шт430 руб.
1348862-87J10-000

Болт резервуара - Bolt, Reservoir (Bolt, Reservoir)

под заказ1350 руб.
1348862-87J20-000

   (актуальный код замены) Болт резервуара - Bolt, Reservoir

2 шт1350 руб.
1348862-87J20-000

Болт резервуара - Bolt, Reservoir (Bolt, Reservoir)

2 шт1350 руб.
1448864-93J00-000

ручной, Клапан - Manual, Valve (Manual, Valve)

под заказ11520 руб.
1448864-93J01-000

   (актуальный код замены) Ручной клапан - Manual Valve

3 шт12500 руб.
1448864-93J01-000

ручной, Клапан - Manual, Valve (Manual, Valve)

3 шт12500 руб.
1548582-95E01-000

Фильтр - Filter (Filter)

под заказ3890 руб.
1648583-95E00-000

Соединение привода - Joint, Drive (Joint, Drive)

под заказ1080 руб.
1748121-93J01-000

Вал - Shaft (Shaft)

под заказ9650 руб.
1748121-93J11-000

Вал - Shaft (DF200T:980696~ DF225T:980463~ DF250T:980924~ DF200Z:980138~ DF225Z:980116~ DF250Z:980343~) (Shaft)

под заказ7250 руб.
1748121-93J20-000

   (актуальный код замены) Вал - Shaft

под заказ7250 руб.
1748121-93J13-000

Вал - Shaft (Shaft)

под заказ7250 руб.
1748121-93J20-000

   (актуальный код замены) Вал - Shaft

под заказ7250 руб.
1848125-93J00-000

Набор уплотнительных колец - O Ring Set (O Ring Set)

под заказ2640 руб.
1948126-93J00-000

Шайба цилиндра наклона Коллектор - Washer, Tilt Cyl To Manifold (Washer, Tilt Cyl To Manifold)

под заказ850 руб.
2048320-93J00-000

Клапан Set, выше Blow - Valve Set, Up Blow (Valve Set, Up Blow)

под заказ2220 руб.
2148573-93J00-000

Крышка - Cover (Cover)

под заказ3990 руб.
2248128-93J00-000

Болт - Bolt (Bolt)

под заказ1200 руб.
2248128-93J10-000

Болт - Bolt (DF200T:980696~ DF225T:980463~ DF250T:980924~ DF200Z:980138~ DF225Z:980116~ DF250Z:980343~) (Bolt)

под заказ910 руб.
2248128-93J11-000

   (актуальный код замены) Болт - Bolt

под заказ910 руб.
2248128-93J11-000

Болт - Bolt (Bolt)

под заказ910 руб.
2348311-93J01-000

Накладка цилиндра подъемника - Pad, Trim Cylinder Ram (Pad, Trim Cylinder Ram)

под заказ3240 руб.
2348311-96J10-000

Накладка цилиндра подъемника - Pad, Trim Cylinder Ram (Pad, Trim Cylinder Ram)

под заказ3580 руб.
2448321-93J00-000

Вал наклона Цилиндр вышеr - Shaft, Tilt Cylinder Upr (Shaft, Tilt Cylinder Upr)

под заказ4420 руб.
2529141-93J20-000

Гайка - Nut (Nut, trim cyl ram (m10) ) (Nut)

под заказ160 руб.
2509140-10031-000

   (актуальный код замены) Гайка - Nut

10 шт160 руб.
2609162-10005-000

Шайба с блокировкой - Washer, Lock (Lock washer ) (Washer, Lock)

под заказ130 руб.
2709306-24001-000

Втулка - Bush (Bush)

под заказ190 руб.
2809380-21002-000

Стопорное кольцо - Circlip (Circlip)

8 шт250 руб.
2909116-10136-000

Болт (10x50) - Bolt (10x50) (Bolt (10x50))

под заказ680 руб.
2909116-10175-000

   (актуальный код замены) Болт (10x50) - Bolt (10x50)

под заказ680 руб.
2909116-10175-000

Болт (10x50) - Bolt (10x50) (Bolt (10x50))

под заказ680 руб.
3048571-93J00-000

Накопительный бак - Reservoir Tank (Reservoir Tank)

под заказ18150 руб.
3136895-87D01-000

Lead (l: 210) - Lead (l:210) (DF200T:010091~ DF225T:010057~ DF250T:010109~ DF200Z:010017~ DF225Z:010022~ DF250Z:010027~ ) (Lead (l:210))

1 шт1420 руб.
3229125-93J10-000

Винт - Screw (Screw (5x8) # DF200T:010091~ DF225T:010057~ DF250T:010109~ DF200Z:010017~ DF225Z:010022~ DF250Z:010027~ ) (Screw)

под заказ150 руб.
3209125-05050-000

   (актуальный код замены) Винт (5x8) - Screw (5x8)

под заказ150 руб.


Время выполнения запроса 1.7843420505524 сек.

 
 

данный сайт носит информационный характер и не является публичной офертой

склад запчастей для водомоторной техники