| |
 |
|
 |
Вернуться к выбору узлов мотора
ДЕТАЛИРОВКА ДЛЯ МОДЕЛИ: SUZUKI DF225T FROM 22503F-210001~ (E01,E40)
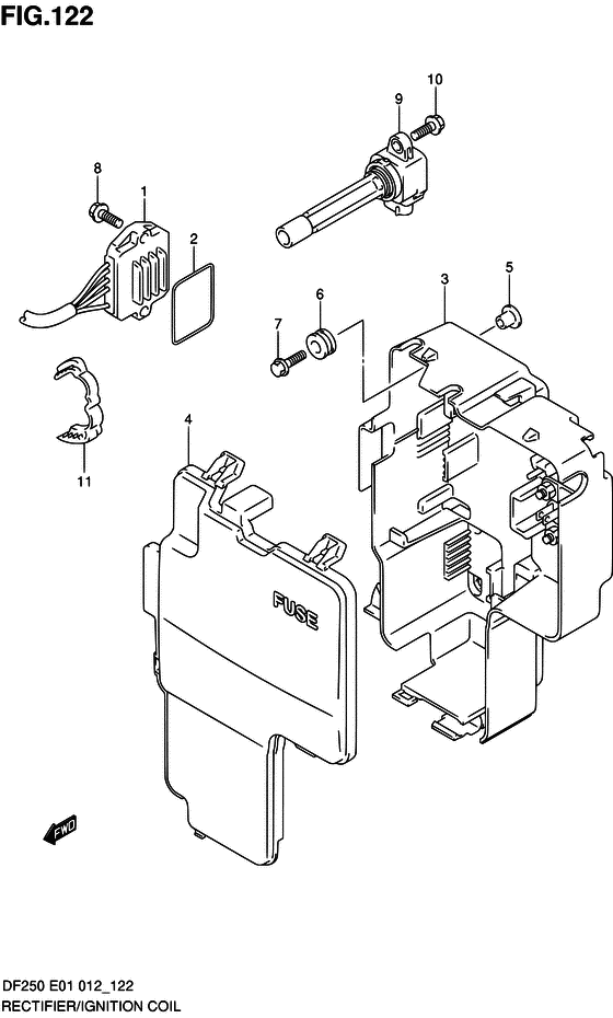
Выпрямитель / Катушка зажигания
Код модели двигателя: DF225(Z)TX/XX; DF225W(Z)TX/XX
Год выпуска двигателя: 2012
Регион: General Export No.1/Costa Rica ,Код региона: P01/P40
Цвет: Shadow Black Metallic
Номер на рисунке | Артикул | Наименование | QTY | Кол-во на складе | Цена |
| 1 | 32800-93J03-000 | Выпрямитель & Регулятор в сборе - Rectifier & Regulator Assy (Rectifier & Regulator Assy) | | 2 шт | 24850 руб. |
| 2 | 32805-93J00-000 | Уплотнительное кольцо, Rect & Регулятор - O Ring, Rect & Regulator (O Ring, Rect & Regulator) | | под заказ | 370 руб. |
| 3 | 32890-93J01-000 | Держатель электрических частей - Holder, Electric Parts (Holder, Electric Parts) | | под заказ | 2740 руб. |
| 3 | 32890-93J02-000 | (актуальный код замены) Держатель электрических частей - Holder, Electric Parts | | под заказ | 2740 руб. |
| 4 | 32891-93J00-000 | Крышка держателя электрических частей - Cover, Electric Parts Holder (Cover, Electric Parts Holder) | | под заказ | 2100 руб. |
| 5 | 09169-06062-000 | Шайба - Washer (Washer ) (Washer) | | под заказ | 190 руб. |
| 6 | 09320-09016-000 | Подушка - Cushion (Cushion, holder ) (Cushion) | | 10 шт | 190 руб. |
| 7 | 09116-06202-000 | Болт (6x25) - Bolt (6x25) (Bolt (w/washer) ) (Bolt (6x25)) | | под заказ | 250 руб. |
| 8 | 01550-06257-000 | Болт - Bolt (Bolt) | | под заказ | 180 руб. |
| 9 | 33410-93J00-000 | Катушка зажигания в сборе - Coil Assy, Ignition (Coil Assy, Ignition) | | 6 шт | 15000 руб. |
| 10 | 01550-06207-000 | Болт - Bolt (Bolt) | | 17 шт | 220 руб. |
| 11 | 09408-00184-000 | Струбцина - Clamp (Clamp) | | под заказ | 220 руб. |
Время выполнения запроса 1.7336430549622 сек. |
|