| |
 |
|
 |
Вернуться к выбору узлов мотора
ДЕТАЛИРОВКА ДЛЯ МОДЕЛИ: SUZUKI DF225T FROM 22503F-210001~ (E01,E40)
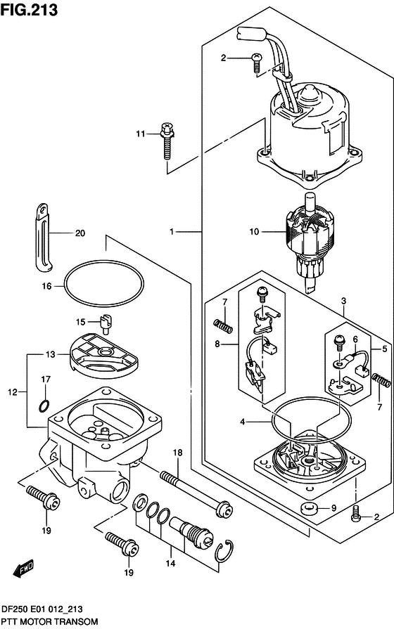
Двигатель гидроподъёма transom
Код модели двигателя: DF225(Z)TX/XX; DF225W(Z)TX/XX
Год выпуска двигателя: 2012
Регион: General Export No.1/Costa Rica ,Код региона: P01/P40
Цвет: Shadow Black Metallic
Номер на рисунке | Артикул | Наименование | QTY | Кол-во на складе | Цена |
| 1 | 38100-93J11-000 | Двигатель гидроподъёма лодочного мотора - Motor Assy, Ptt (Motor Assy, Ptt) | | под заказ | 82560 руб. |
| 1 | 38100-93J13-000 | (актуальный код замены) Двигатель гидроподъёма лодочного мотора - Motor Assy, Ptt | | под заказ | 82560 руб. |
| 2 | 31111-94900-000 | Винт - Screw (Screw) | | под заказ | 430 руб. |
| 3 | 31173-94910-000 | Держатель щетки - Holder Assy, Brush (Holder Assy, Brush) | | под заказ | 40080 руб. |
| 3 | 31173-94920-000 | (актуальный код замены) Держатель щетки - Holder Assy, Brush | | под заказ | 40080 руб. |
| 4 | 31123-94910-000 | Уплотнительное кольцо - O Ring (O Ring) | | 5 шт | 1450 руб. |
| 5 | 31133-90J00-000 | Щётка в сборе - Brush Assy (Brush Assy) | | под заказ | 1440 руб. |
| 5 | 31133-90J20-000 | (актуальный код замены) Щётка в сборе - Brush Assy | | 2 шт | 1750 руб. |
| 6 | 31133-94900-000 | Щётка (+) - Brush (+) (Brush, plus ) (Brush (+)) | | под заказ | 1440 руб. |
| 6 | 31133-94910-000 | (актуальный код замены) Щётка (+) - Brush (+) | | 10 шт | 1590 руб. |
| 7 | 31135-94900-000 | Пружина - Spring (Spring) | | 10 шт | 560 руб. |
| 8 | 31136-90J10-000 | Тормоз (прерыватель), в сборе - Breaker Assy (Breaker assy ) (Breaker Assy) | | под заказ | 7010 руб. |
| 8 | 31136-90J30-000 | (актуальный код замены) Тормоз (прерыватель), в сборе - Breaker Assy | | 2 шт | 7640 руб. |
| 9 | 33799-97E00-000 | Сальник - Seal, Oil (Oil seal ) (Seal, Oil) | | 8 шт | 2550 руб. |
| 10 | 31311-94900-000 | Якорь - Armature (Armature) | | под заказ | 50400 руб. |
| 11 | 31281-92J00-000 | Сквозной болт - Bolt, Through (Bolt, Through) | | под заказ | 1050 руб. |
| 11 | 31281-92J10-000 | (актуальный код замены) Сквозной болт - Bolt, Through | | под заказ | 1050 руб. |
| 11 | 31281-92J10-000 | Сквозной болт - Bolt, Through (Bolt, Through) | | под заказ | 1050 руб. |
| 12 | 48502-93J13-000 | Помпа гидроподъема, в сборе - Pump Assy, Ptt (Pump Assy, Ptt) | | под заказ | 67680 руб. |
| 12 | 48502-93J14-000 | (актуальный код замены) Помпа гидроподъема, в сборе - Pump Assy, Ptt | | под заказ | 67680 руб. |
| 12 | 48502-93J14-000 | Помпа гидроподъема, в сборе - Pump Assy, Ptt (Pump Assy, Ptt) | | под заказ | 67680 руб. |
| 13 | 48582-95E01-000 | Фильтр - Filter (Filter) | | под заказ | 3890 руб. |
| 14 | 48864-96J00-000 | Седло ручного клапана - Valve Set, Manual (Valve Set, Manual) | | под заказ | 11720 руб. |
| 14 | 48864-96J10-000 | (актуальный код замены) Седло ручного клапана - Valve Set, Manual | | под заказ | 12790 руб. |
| 14 | 48864-96J10-000 | Седло ручного клапана - Valve Set, Manual (Valve Set, Manual) | | под заказ | 12790 руб. |
| 15 | 48583-95E00-000 | Соединение привода - Joint, Drive (Joint, Drive) | | под заказ | 1080 руб. |
| 16 | 48585-95E00-000 | Уплотнительное кольцо - O Ring (O Ring) | | 6 шт | 430 руб. |
| 17 | 48588-94900-000 | Набор уплотнительных колец - O Ring Set (O Ring Set) | | 9 шт | 490 руб. |
| 18 | 48862-92J00-000 | Болт помпы №1 - Bolt, Pump No1 (Bolt, Pump No.1) | | под заказ | 1350 руб. |
| 18 | 48862-92J20-000 | (актуальный код замены) Болт помпы №1 - Bolt, Pump No.1 | | 1 шт | 1350 руб. |
| 18 | 48862-92J20-000 | Болт помпы №1 - Bolt, Pump No1 (Bolt, Pump No.1) | | 1 шт | 1350 руб. |
| 19 | 48862-92J10-000 | Болт помпы №2 - Bolt, Pump No2 (Bolt, Pump No.2) | | под заказ | 1090 руб. |
| 19 | 48862-92J30-000 | (актуальный код замены) Болт помпы №2 - Bolt, Pump No.2 | | под заказ | 1090 руб. |
| 19 | 48862-92J30-000 | Болт помпы №2 - Bolt, Pump No2 (Bolt, Pump No.2) | | под заказ | 1090 руб. |
| 20 | 29404-93J10-000 | Струбцина - Clamp (Clamp) | | под заказ | 190 руб. |
| 20 | 29404-93J11-000 | (актуальный код замены) Струбцина - Clamp | | под заказ | 190 руб. |
Время выполнения запроса 2.0154759883881 сек. |
|