| |
 |
|
 |
Вернуться к выбору узлов мотора
ДЕТАЛИРОВКА ДЛЯ МОДЕЛИ: SUZUKI DF225Z FROM 22503Z-310001~ (E01,E40)
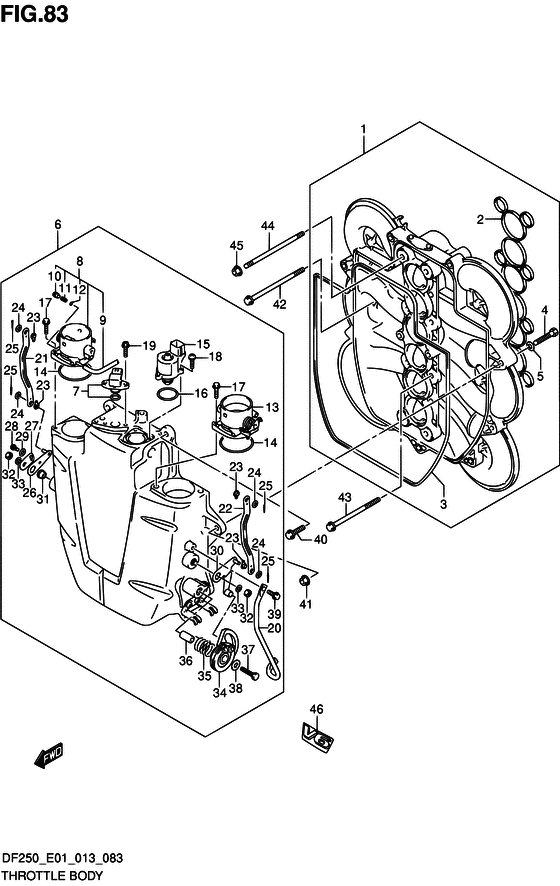
Дроссель газа
Код модели двигателя: DF225(Z)TX/XX; DF225W(Z)TX/XX
Год выпуска двигателя: 2013
Регион: General Export No.1/Costa Rica ,Код региона: P01/P40
Цвет: Shadow Black Metallic
Номер на рисунке | Артикул | Наименование | QTY | Кол-во на складе | Цена |
Warning: Undefined variable $NumPP in D:\www\www.partskatalog.ru\partsbase\base-outboard-suzuki-2.php on line 654
| | 01500-06307-000 | Болт - Bolt (Bolt) | | под заказ | 190 руб. |
| | 01547-06257-000 | Болт - Bolt (Bolt) | | под заказ | 160 руб. |
| | 01550-06167-000 | Болт - Bolt (Bolt) | | 9 шт | 210 руб. |
| | 01550-08307-000 | Болт - Bolt (Bolt) | | 21 шт | 320 руб. |
| | 02112-3416B-000 | Винт - Screw (Screw) | | под заказ | 170 руб. |
| | 02112-35087-000 | Винт - Screw (Screw) | | под заказ | 170 руб. |
| | 02162-0520B-000 | Винт - Screw (Screw) | | под заказ | 160 руб. |
| | 08322-01087-000 | Шайба - Washer (Lock washer ) (Washer) | | под заказ | 140 руб. |
| | 08316-10087-000 | Гайка - Nut (Nut) | | 14 шт | 170 руб. |
| | 08316-1008A-000 | Гайка - Nut (Nut, idle gear shaft ) (Nut) | | под заказ | 170 руб. |
| | 09103-08134-000 | Болт (8x110) - Bolt (8x110) (Bolt, collector no.1 ) (Bolt (8x110)) | | под заказ | 210 руб. |
| | 09103-08182-000 | Болт (8x125) - Bolt (8x125) (Bolt, collector no.2 ) (Bolt (8x125)) | | под заказ | 340 руб. |
| | 09108-08267-000 | Болт под шпильку - Bolt, Stud (Bolt, Stud) | | под заказ | 320 руб. |
| | 09160-05043-000 | Шайба (5.5x16x1.2) - Washer (55x16x12) (Washer, 5.5x16x1.20 ) (Washer (5.5x16x1.2)) | | под заказ | 170 руб. |
| | 09160-06036-000 | Шайба (6.5x18x1.5) - Washer (65x18x15) (Washer, 6.5x18x1.5 ) (Washer (6.5x18x1.5)) | | под заказ | 150 руб. |
| | 09204-01004-000 | Штифт - Pin (Pin, cotter ) (Pin) | | под заказ | 130 руб. |
| | 09280-29006-000 | Уплотнительное кольцо (d: 2, Id: 29.5) - O Ring (d:2, Id:295) (O Ring (d:2, Id:29.5)) | | под заказ | 400 руб. |
| | 09280-29008-000 | (актуальный код замены) Уплотнительное кольцо (d: 2, Id: 29.5) - O Ring (d:2, Id:29.5) | | 10 шт | 400 руб. |
| | 13130-93J30-000 | Коллектор - Collector (Collector) | | под заказ | 141600 руб. |
| | 13130-93J31-000 | (актуальный код замены) Коллектор Comp - Collector Comp | | под заказ | 141600 руб. |
| | 13138-93J00-000 | Болт, Коллектор - Bolt, Collector (Bolt, Collector) | | под заказ | 1690 руб. |
| | 13139-93J00-000 | Прокладка, Коллектор - Gasket, Collector (Gasket, Collector) | | под заказ | 3920 руб. |
| | 13140-93J13-000 | Крышка коллектора - Cover, Collector (Cover, Collector) | | под заказ | 188640 руб. |
| | 13144-93J00-000 | Защита барабана дросселя - Guard, Throttle Drum (Guard, Throttle Drum) | | под заказ | 1950 руб. |
| | 13147-93J00-000 | Прокладка крышки коллектора - Gasket, Collector Cover (Gasket, Collector Cover) | | под заказ | 3770 руб. |
| | 13279-10G00-000 | Винт, Adjust - Screw, Adjust (Screw, Adjust) | | под заказ | 730 руб. |
| | 13421-93J00-000 | Прокладка корпуса дросселя - Gasket, Throttle Body (Gasket, Throttle Body) | | 1 шт | 680 руб. |
| | 13295-10G00-000 | Уплотнительное кольцо - O Ring (O Ring) | | под заказ | 250 руб. |
| | 13355-93J00-000 | Пружина перепуска воздуха - Spring, Bypass Air (Spring, Bypass Air) | | под заказ | 230 руб. |
| | 13553-93J00-000 | Рычаг, №1 - Lever, No1 (Lever, No.1) | | под заказ | 2790 руб. |
| | 13583-93J00-000 | Рычаг тяги - Arm, Link (Arm, Link) | | под заказ | 2980 руб. |
| | 13554-93J00-000 | Рычаг, №2 - Lever, No2 (Lever, No.2) | | под заказ | 730 руб. |
| | 13555-93J00-000 | Пыльник, Соединитель - Grommet, Link (Grommet, Link) | | под заказ | 350 руб. |
| | 13599-93J00-000 | Гайка, Соединитель Вал - Nut, Link Shaft (Nut, Link Shaft) | | под заказ | 730 руб. |
| | 13514-93J00-000 | Проставка, Соединитель Вал - Spacer, Link Shaft (Spacer, Link Shaft) | | под заказ | 1090 руб. |
| | 13521-93J00-000 | Рычаг, Соединитель - Lever, Link (Lever, Link) | | под заказ | 4660 руб. |
| | 13310-93J01-000 | Корпус дросселя №1 - Body Assy, Throttle No1 (Body Assy, Throttle No.1) | | под заказ | 41760 руб. |
| | 13310-93J02-000 | (актуальный код замены) Корпус дросселя №1 - Body Assy, Throttle No.1 | | под заказ | 41760 руб. |
| | 13537-93J00-000 | Шайба, Соединитель - Washer, Link (Washer, Link) | | под заказ | 230 руб. |
| | 13538-93J00-000 | Шайба пружины тяги вала - Washer, Link Shaft Spring (Washer, Link Shaft Spring) | | под заказ | 280 руб. |
| | 13541-93J00-000 | Кулачок дросселя - Cam, Throttle (Cam, Throttle) | | под заказ | 3530 руб. |
| | 13542-93J00-000 | Пружина кулачка дросселя - Spring, Throttle Cam (Spring, Throttle Cam) | | под заказ | 760 руб. |
| | 13312-93J00-000 | Шланг перепуска воздуха - Hose, Bypass Air (Hose, Bypass Air) | | под заказ | 480 руб. |
| | 13543-93J00-000 | Проставка кулачка дросселя - Spacer, Throttle Cam (Spacer, Throttle Cam) | | под заказ | 1660 руб. |
| | 13320-93J00-000 | Корпус дросселя №2 - Body Assy, Throttle No2 (Body Assy, Throttle No.2) | | под заказ | 41760 руб. |
| | 18137-93J00-000 | Клапан холостого хода (IAC) - Valve, Iac (Valve, Iac) | | под заказ | 34320 руб. |
| | 18137-93J01-000 | (актуальный код замены) Клапан, Iac - Valve Comp, Iac | | 2 шт | 34320 руб. |
| | 18590-68H00-000 | Датчик давления - Sensor, Pressure (Sensor, pressure ) (Sensor, Pressure) | | 1 шт | 28560 руб. |
| | 61436-93J00-000 | Маркировка, Эмблема V6 - Mark, Emblem V6 (Mark, Emblem V6) | | под заказ | 1130 руб. |
| | 61436-93J01-000 | (актуальный код замены) Маркировка, Эмблема V6 - Mark, Emblem V6 | | под заказ | 1130 руб. |
Время выполнения запроса 1.7504689693451 сек. |
|