| |
 |
|
 |
Вернуться к выбору узлов мотора
ДЕТАЛИРОВКА ДЛЯ МОДЕЛИ: SUZUKI DF225Z FROM 22503Z-310001~ (E01,E40)
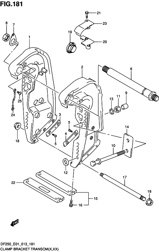
Кронштейн транца transom
Код модели двигателя: DF225(Z)TX/XX; DF225W(Z)TX/XX
Год выпуска двигателя: 2013
Регион: General Export No.1/Costa Rica ,Код региона: P01/P40
Цвет: Shadow Black Metallic
Номер на рисунке | Артикул | Наименование | QTY | Кол-во на складе | Цена |
Warning: Undefined variable $NumPP in D:\www\www.partskatalog.ru\partsbase\base-outboard-suzuki-2.php on line 654
| | 09103-06278-000 | Болт (6x25) - Bolt (6x25) (Bolt (6x20) ) (Bolt (6x25)) | | под заказ | 170 руб. |
| | 09100-12085-000 | Болт (12.7x115) - Bolt (127x115) (Bolt, transom (12x115) # OPT ) (Bolt (12.7x115)) | | под заказ | 1740 руб. |
| | 09100-12086-000 | Болт (12.7x150) - Bolt (127x150) (Bolt, transom (12x150) ) (Bolt (12.7x150)) | | под заказ | 2480 руб. |
| | 09100-12092-000 | Болт (12.7x75) - Bolt (127x75) (Bolt, transom (12x75) # OPT ) (Bolt (12.7x75)) | | под заказ | 1560 руб. |
| | 09160-13016-000 | Шайба (13.2x26x3) - Washer (132x26x3) (Washer (13.2x26x3)) | | под заказ | 1000 руб. |
| | 09160-13021-000 | (актуальный код замены) Шайба (13.2x26x3) - Washer (13.2x26x3) | | под заказ | 1000 руб. |
| | 09160-13021-000 | Шайба (13.2x26x3) - Washer (132x26x3) (Washer (13.2x26x3)) | | под заказ | 1000 руб. |
| | 09160-13017-000 | Шайба (13.2x45x3) - Washer (132x45x3) (Washer (13.2x45x3)) | | под заказ | 1270 руб. |
| | 09160-13022-000 | (актуальный код замены) Шайба (13.2x45x3) - Washer (13.2x45x3) | | под заказ | 1270 руб. |
| | 09160-13022-000 | Шайба (13.2x45x3) - Washer (132x45x3) (Washer (13.2x45x3)) | | под заказ | 1270 руб. |
| | 09159-12062-000 | Гайка - Nut (Nut, transom bolt (m12) ) (Nut) | | под заказ | 730 руб. |
| | 09159-14020-000 | Гайка - Nut (Nut) | | под заказ | 350 руб. |
| | 09125-06063-000 | Винт (6x10) - Screw (6x10) (Screw (6x10)) | | 6 шт | 190 руб. |
| | 09159-22006-000 | Гайка - Nut (Nut) | | 8 шт | 1950 руб. |
| | 09116-06121-000 | Болт (6x25) - Bolt (6x25) (Bolt (6x25) ) (Bolt (6x25)) | | 19 шт | 260 руб. |
| | 36894-87D00-000 | Lead (l: 165) - Lead (l:165) (Lead (l:165)) | | 2 шт | 1350 руб. |
| | 41121-93J06-0EP | Кронштейн левого зажима - Bracket, Clamp Port (Bracket, Clamp Port) | | под заказ | 73920 руб. |
| | 41121-93J08-0EP | (актуальный код замены) Кронштейн левого зажима - Bracket, Clamp Port | | под заказ | 73920 руб. |
| | 41111-93J14-0EP | Кронштейн правого зажима - Bracket, Clamp Stbd (Bracket, Clamp Stbd) | | под заказ | 73920 руб. |
| | 41111-93J16-0EP | (актуальный код замены) Кронштейн правого зажима - Bracket, Clamp Stbd | | под заказ | 73920 руб. |
| | 41111-93J15-0EP | Кронштейн правого зажима - Bracket, Clamp Stbd (Bracket, Clamp Stbd) | | под заказ | 73920 руб. |
| | 41111-93J16-0EP | (актуальный код замены) Кронштейн правого зажима - Bracket, Clamp Stbd | | под заказ | 73920 руб. |
| | 41122-93J01-000 | Пластина кронштейна транца Lwr Port - Plate, Clamp Bracket Lwr Port (Plate, Clamp Bracket Lwr Port) | | под заказ | 1630 руб. |
| | 41122-93J02-000 | (актуальный код замены) Пластина кронштейна транца Lwr Port - Plate, Clamp Bracket Lwr Port | | под заказ | 1630 руб. |
| | 41130-93J12-000 | Труба кронштейна транца - Shaft, Clamp Bracket (Shaft, Clamp Bracket) | | под заказ | 17720 руб. |
| | 41135-93J11-000 | Шайба кронштейна вала транца - Washer, Clamp Bracket Shaft (Washer, Clamp Bracket Shaft) | | под заказ | 610 руб. |
| | 41117-93J01-000 | Пластина кронштейна транца Lwr Stbd - Plate, Clamp Bracket Lwr Stbd (Plate, Clamp Bracket Lwr Stbd) | | под заказ | 1630 руб. |
| | 41117-93J02-000 | (актуальный код замены) Пластина кронштейна транца Lwr Stbd - Plate, Clamp Bracket Lwr Stbd | | под заказ | 1630 руб. |
| | 41153-93J00-000 | Колпачок транцевого болта - Cap, Transom Bolt (Cap, Transom Bolt) | | под заказ | 490 руб. |
| | 41155-93J02-000 | Пластина, Transom - Plate, Transom (Plate, Transom) | | под заказ | 1920 руб. |
| | 45421-87D02-000 | Штифт блокировки наклона - Pin, Tilt Lock (Pin, Tilt Lock) | | под заказ | 2810 руб. |
| | 45421-87D03-000 | (актуальный код замены) Штифт блокировки наклона - Pin, Tilt Lock | | под заказ | 2810 руб. |
| | 48140-93J01-000 | Кулачок переключателя ограничителя наклона - Cam Assy, Tilt Limit Switch (Cam Assy, Tilt Limit Switch) | | 2 шт | 1330 руб. |
| | 48144-93J00-000 | Держатель переключатель ограничителя наклона - Holder, Tilt Limit Switch (Holder, Tilt Limit Switch) | | под заказ | 990 руб. |
| | 48145-93J00-000 | Крышка выключателя ограничителя наклона - Cover, Tilt Limit Switch (Cover, Tilt Limit Switch) | | под заказ | 970 руб. |
| | 55320-94900-000 | Анод кронштейна транца - Anode Set, Clamp Bracket (Zinc, protection ) (Anode Set, Clamp Bracket) | | 13 шт | 4950 руб. |
| | 55321-94910-000 | Анод (магниевый) - Anode (magnesium) (OPT ) (Anode (magnesium)) | | 13 шт | 5910 руб. |
Время выполнения запроса 1.0904810428619 сек. |
|