| |
 |
|
 |
Вернуться к выбору узлов мотора
ДЕТАЛИРОВКА ДЛЯ МОДЕЛИ: SUZUKI DF225Z FROM 22503Z-310001~ (E01,E40)
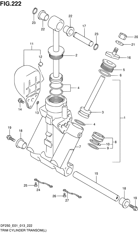
Цилиндр трима transom
Код модели двигателя: DF225(Z)TX/XX; DF225W(Z)TX/XX
Год выпуска двигателя: 2013
Регион: General Export No.1/Costa Rica ,Код региона: P01/P40
Цвет: Shadow Black Metallic
Номер на рисунке | Артикул | Наименование | QTY | Кол-во на складе | Цена |
Warning: Undefined variable $NumPP in D:\www\www.partskatalog.ru\partsbase\base-outboard-suzuki-2.php on line 654
| | 09116-10174-000 | Болт (10x35) - Bolt (10x35) (Bolt (10x35)) | | под заказ | 1000 руб. |
| | 09116-10179-000 | (актуальный код замены) Болт (10x35) - Bolt (10x35) | | под заказ | 1000 руб. |
| | 09116-10179-000 | Болт (10x35) - Bolt (10x35) (Bolt (10x35)) | | под заказ | 1000 руб. |
| | 09125-05050-000 | Винт (5x8) - Screw (5x8) (Screw (5x8)) | | под заказ | 150 руб. |
| | 09125-06063-000 | Винт (6x10) - Screw (6x10) (Screw (6x10)) | | 6 шт | 190 руб. |
| | 09162-10005-000 | Шайба с блокировкой - Washer, Lock (Lock washer ) (Washer, Lock) | | под заказ | 130 руб. |
| | 09306-17001-000 | Втулка - Bush (Bush) | | 6 шт | 290 руб. |
| | 09380-17009-000 | Стопорное кольцо - Circlip (Circlip) | | 8 шт | 220 руб. |
| | 29141-93J20-000 | Гайка - Nut (Nut, trim cyl ram (m10) ) (Nut) | | под заказ | 160 руб. |
| | 09140-10031-000 | (актуальный код замены) Гайка - Nut | | 10 шт | 160 руб. |
| | 36894-87D00-000 | Lead (l: 165) - Lead (l:165) (Lead (l:165)) | | 2 шт | 1350 руб. |
| | 36895-87D10-000 | Lead (l: 310) - Lead (l:310) (Lead (swivel to hsg) ) (Lead (l:310)) | | 2 шт | 1300 руб. |
| | 48311-96J10-000 | Накладка цилиндра подъемника - Pad, Trim Cylinder Ram (Pad, Trim Cylinder Ram) | | под заказ | 3580 руб. |
| | 48321-87D03-000 | Вал наклона Цилиндр вышеr - Shaft, Tilt Cylinder Upr (Shaft, Tilt Cylinder Upr) | | 1 шт | 2840 руб. |
| | 48326-95E00-000 | Втулка, Цилиндр наклона Lwr - Bush, Tilt Cylinder Lwr (Bush, tilt cylinder ) (Bush, Tilt Cylinder Lwr) | | 11 шт | 520 руб. |
| | 48121-92J00-000 | Вал наклона Цилиндр Lwr - Shaft, Tilt Cylinder Lwr (Shaft, tilt cylinder lower ) (Shaft, Tilt Cylinder Lwr) | | под заказ | 8500 руб. |
| | 48401-93J10-000 | Поршень в сборе - Piston Assy (Piston Assy) | | под заказ | 38160 руб. |
| | 48401-93J11-000 | (актуальный код замены) Поршень в сборе - Piston Assy | | под заказ | 38160 руб. |
| | 48405-87D00-000 | Набор уплотнительных колец - O Ring Set (O ring ) (O Ring Set) | | 12 шт | 780 руб. |
| | 48588-94900-000 | Набор уплотнительных колец - O Ring Set (O Ring Set) | | 9 шт | 490 руб. |
| | 48601-94900-000 | Поршень / ram в сборе - Piston/ram Assy (Piston/ram Assy) | | под заказ | 21270 руб. |
| | 48615-97E00-000 | Поршневые кольца - Ring Set, Piston (Ring set, piston ) (Ring Set, Piston) | | 7 шт | 1170 руб. |
| | 48627-95E00-000 | Набор уплотнительных колец - O Ring Set (O Ring Set) | | 20 шт | 930 руб. |
| | 48503-93J12-000 | Поршни гидроподъема в сборе - Manifold Sub Assy (Manifold Sub Assy) | | под заказ | 359040 руб. |
| | 48503-93J13-000 | (актуальный код замены) Поршни гидроподъема в сборе - Manifold Sub Assy | | под заказ | 359040 руб. |
| | 48630-96J02-000 | Головка цилиндра подъемника - Head, Trim Cylinder (Head, Trim Cylinder) | | под заказ | 11330 руб. |
| | 48630-96J04-000 | (актуальный код замены) Головка цилиндра подъемника - Head, Trim Cylinder | | 6 шт | 13690 руб. |
| | 48630-96J03-000 | Головка цилиндра подъемника - Head, Trim Cylinder (Head, Trim Cylinder) | | под заказ | 11330 руб. |
| | 48630-96J04-000 | (актуальный код замены) Головка цилиндра подъемника - Head, Trim Cylinder | | 6 шт | 13690 руб. |
| | 48633-94900-000 | Набор уплотнительных колец головки - O Ring Set, Head (O Ring Set, Head) | | 94 шт | 680 руб. |
| | 48641-96J02-000 | Коллектор гидроподъема - Manifold, Ptt (Manifold, Ptt) | | под заказ | 107520 руб. |
| | 48641-96J03-000 | (актуальный код замены) Коллектор гидроподъема - Manifold, Ptt | | под заказ | 107520 руб. |
| | 48570-95E01-000 | Резервуар в сборе - Reservoir Assy (Reservoir Assy) | | 2 шт | 17580 руб. |
| | 48650-94900-000 | Освободитель поршня - Piston, Free (Piston, Free) | | 4 шт | 7780 руб. |
| | 48572-95E00-000 | Колпачок - Cap (Cap) | | 6 шт | 2090 руб. |
| | 48861-92J01-000 | Болт резервуара - Bolt, Reservoir (Bolt, Reservoir) | | под заказ | 910 руб. |
Время выполнения запроса 0.93134307861328 сек. |
|