Купить комплектующие на подвесной двигатель Suzuki DF225(Z)TX/XX; DF225W(Z)TX/XX - Opt:switch / Опции: переключатели
вконтакте

Контактный телефон: +7 (981) 121-46-93, +7 (800) 200-90-76 , Email: parts-katalog@yandex.ru, где купить

 
 

  Логин:

Пароль:

Регистрация

www.partskatalog.ru Все каталоги Запчасти Mercury Запчасти Suzuki Запчасти Tohatsu Запчасти Honda Контакты



УВАЖАЕМЫЕ КЛИЕНТЫ!
C 19 ДЕКАБРЯ 2025 ПО 02 МАРТА 2026 ГОДА ОТДЕЛ ЗАПЧАСТЕЙ И СЕРВИС РАБОТАТЬ НЕ БУДУТ
ПРОДАЖА ЛОДОЧНЫХ МОТОРОВ В ШТАТНОМ РЕЖИМЕ
ОБ ИЗМЕНЕНИЯХ В ГРАФИКЕ РАБОТЫ ЧИТАЙТЕ НА САЙТА



назад Раздел:   вперёд

Вернуться к выбору узлов мотора


ДЕТАЛИРОВКА ДЛЯ МОДЕЛИ: SUZUKI DF225Z K5

Опции: переключатели


Код модели двигателя: DF225(Z)TX/XX; DF225W(Z)TX/XX

Год выпуска двигателя: 2005

Цвет: Shadow Black Metallic

Номер на
рисунке
АртикулНаименованиеQTYКол-во
на складе
Цена
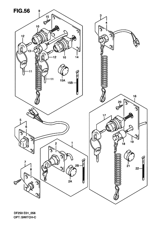
137100-93J00-000

Панель выключателя зажигания, в сборе - Panel Assy, Ignition Switch (Panel Assy, Ignition Switch)

под заказ17670 руб.
137100-96J01-000

   (актуальный код замены) Панель выключателя зажигания, в сборе - Panel Assy, Ignition Switch

под заказ17670 руб.
137100-96J00-000

Панель выключателя зажигания, в сборе - Panel Assy, Ignition Switch (Panel Assy, Ignition Switch)

7 шт17670 руб.
137100-96J01-000

   (актуальный код замены) Панель выключателя зажигания, в сборе - Panel Assy, Ignition Switch

под заказ17670 руб.
237139-99E00-000

Панель выключателя зажигания - Panel, Ignition Switch (Panel, ignition switch ) (Panel, Ignition Switch)

под заказ4080 руб.
238500-93J90-000

Предупреждающий зуммер - Buzzer, Warning (MODEL:06~ ) (Buzzer, Warning)

под заказ3890 руб.
209407-08401-000

Струбцина (l: 80) - Clamp (l:80) (MODEL:06~ ) (Clamp (l:80))

под заказ130 руб.
337803-93J03-000

Панель аварийного выключателя двигателяitch - Panel Assy, Emergency Switch (Panel Assy, Emergency Switch)

под заказ7640 руб.
337803-93J06-000

   (актуальный код замены) Панель аварийного выключателя двигателя - Panel Assy, Emergency Sw

под заказ7640 руб.
337803-93J04-000

Панель аварийного выключателя двигателяitch - Panel Assy, Emergency Switch (Panel Assy, Emergency Switch)

под заказ7640 руб.
337803-93J06-000

   (актуальный код замены) Панель аварийного выключателя двигателя - Panel Assy, Emergency Sw

под заказ7640 руб.
437825-99E00-000

Панель аварийного выключателя двигателя - Panel, Emergency Stop Sw (Panel, emergency sw ) (Panel, Emergency Stop Sw)

под заказ4080 руб.
537805-93J00-000

Панель управления гидроподъемом, в сборе - Panel Assy, Ptt Sw (Panel Assy, Ptt Sw)

под заказ9220 руб.
637855-99E00-000

Панель управления гидроподъемом - Panel, Ptt Sw (Panel, Ptt Sw)

под заказ4080 руб.
737210-93J00-000

Панель выключателя освещения, в сбореitch - Panel Assy, Lighting Switch (Panel Assy, Lighting Switch)

под заказ9750 руб.
837212-93J00-000

Панель выключателя освещения - Panel, Lighting Sw (Panel, Lighting Sw)

под заказ4080 руб.
937100-93J10-000

Панель под два мотора, в сборе Двигатель Переключатель - Panel Assy, Dual Engine Switch (Panel Assy, Dual Engine Switch)

под заказ35280 руб.
937100-96J17-000

   (актуальный код замены) Панель под два мотора, в сборе Двигатель Переключатель - Panel Assy, Dual Engine Switch

1 шт35280 руб.
937100-96J14-000

Панель под два мотора, в сборе Двигатель Переключатель - Panel Assy, Dual Engine Switch (Panel Assy, Dual Engine Switch)

под заказ35280 руб.
937100-96J17-000

   (актуальный код замены) Панель под два мотора, в сборе Двигатель Переключатель - Panel Assy, Dual Engine Switch

1 шт35280 руб.
937100-96J13-000

Панель под два мотора, в сборе Двигатель Переключатель - Panel Assy, Dual Engine Switch (MODEL:06~) (Panel Assy, Dual Engine Switch)

под заказ35280 руб.
937100-96J17-000

   (актуальный код замены) Панель под два мотора, в сборе Двигатель Переключатель - Panel Assy, Dual Engine Switch

1 шт35280 руб.
1037110-93J00-000

Выключатель зажигания - Switch Assy, Ignition (Switch Assy, Ignition)

под заказ11430 руб.
1037110-93J02-000

   (актуальный код замены) Выключатель зажигания - Switch Assy, Ignition

2 шт13000 руб.
1037110-93J01-000

Выключатель зажигания - Switch Assy, Ignition (Switch Assy, Ignition)

под заказ11430 руб.
1037110-93J02-000

   (актуальный код замены) Выключатель зажигания - Switch Assy, Ignition

2 шт13000 руб.
1137141-99E00-000

Ключ (931) - Key (931) (Key (931))

под заказ1660 руб.
1137141-99E10-000

Ключ (932) - Key (932) (Key (932))

1 шт1380 руб.
1137141-99E20-000

Ключ (933) - Key (933) (Key (933))

под заказ1380 руб.
1137141-99E30-000

Ключ (934) - Key (934) (Key (934))

1 шт1380 руб.
1137141-99E40-000

Ключ (935) - Key (935) (Key (935))

под заказ1380 руб.
1137141-99E50-000

Ключ (936) - Key (936) (Key (936))

под заказ1380 руб.
1137141-99E60-000

Ключ (937) - Key (937) (Key (937))

1 шт1380 руб.
1137141-99E70-000

Ключ (938) - Key (938) (Key (938))

под заказ1380 руб.
1137141-99E80-000

Ключ (939) - Key (939) (Key (939))

1 шт1480 руб.
1137141-99E90-000

Ключ (940) - Key (940) (Key (940))

1 шт1510 руб.
1137141-99EA0-000

Ключ (941) - Key (941) (Key (941))

1 шт1510 руб.
1137141-99EB0-000

Ключ (942) - Key (942) (Key (942))

под заказ1380 руб.
1237143-99E00-000

Колпачок ключа - Cap, Key (Cap, Key)

под заказ600 руб.
1237143-99E01-000

   (актуальный код замены) Колпачок ключа - Cap, Key

2 шт640 руб.
1337820-93J93-000

Аварийный выключатель, в сборе - Switch Assy, Emergency (Switch Assy, Emergency)

под заказ4850 руб.
1337820-93J95-000

   (актуальный код замены) Аварийный выключатель, в сборе - Switch Assy, Emergency

под заказ4850 руб.
1337820-93J94-000

Аварийный выключатель, в сборе - Switch Assy, Emergency (Switch Assy, Emergency)

под заказ4850 руб.
1337820-93J95-000

   (актуальный код замены) Аварийный выключатель, в сборе - Switch Assy, Emergency

под заказ4850 руб.
1437139-99E10-000

Панель выключателя зажигания - Panel, Ignition Switch (Panel, Ignition Switch)

под заказ6240 руб.
1503121-0516A-000

Винт - Screw (Screw)

под заказ140 руб.
1538500-93J90-000

Предупреждающий зуммер - Buzzer, Warning (MODEL:06~ ) (Buzzer, Warning)

под заказ3890 руб.
1509407-08401-000

Струбцина (l: 80) - Clamp (l:80) (MODEL:06~ ) (Clamp (l:80))

под заказ130 руб.
1637100-93J20-000

Панель выключателя зажигания, в сборе - Panel Assy, Engine Switch (Panel Assy, Engine Switch)

под заказ20500 руб.
1637100-96J27-000

   (актуальный код замены) Панель выключателя зажигания, в сборе - Panel Assy, Engine Switch

3 шт20500 руб.
1637100-96J24-000

Панель выключателя зажигания, в сборе - Panel Assy, Engine Switch (Panel Assy, Engine Switch)

под заказ20500 руб.
1637100-96J27-000

   (актуальный код замены) Панель выключателя зажигания, в сборе - Panel Assy, Engine Switch

3 шт20500 руб.
1637100-96J23-000

Панель выключателя зажигания, в сборе - Panel Assy, Engine Switch (MODEL:06~) (Panel Assy, Engine Switch)

под заказ20500 руб.
1637100-96J27-000

   (актуальный код замены) Панель выключателя зажигания, в сборе - Panel Assy, Engine Switch

3 шт20500 руб.
1737110-93J00-000

Выключатель зажигания - Switch Assy, Ignition (Switch Assy, Ignition)

под заказ11430 руб.
1737110-93J02-000

   (актуальный код замены) Выключатель зажигания - Switch Assy, Ignition

2 шт13000 руб.
1737110-93J01-000

Выключатель зажигания - Switch Assy, Ignition (Switch Assy, Ignition)

под заказ11430 руб.
1737110-93J02-000

   (актуальный код замены) Выключатель зажигания - Switch Assy, Ignition

2 шт13000 руб.
1837820-93J03-000

Аварийный выключатель, в сборе - Switch Assy, Emergency (Switch Assy, Emergency)

под заказ5000 руб.
1837820-93J05-000

   (актуальный код замены) Аварийный выключатель, в сборе - Switch Assy, Emergency

10 шт6310 руб.
1837820-93J04-000

Аварийный выключатель, в сборе - Switch Assy, Emergency (Switch Assy, Emergency)

под заказ5000 руб.
1837820-93J05-000

   (актуальный код замены) Аварийный выключатель, в сборе - Switch Assy, Emergency

10 шт6310 руб.
1937139-99E20-000

Панель выключателя зажигания - Panel, Ignition Switch (Panel, Ignition Switch)

под заказ5280 руб.
2003121-0516A-000

Винт - Screw (Screw)

под заказ140 руб.
2138500-93J90-000

Предупреждающий зуммер - Buzzer, Warning (MODEL:06~ ) (Buzzer, Warning)

под заказ3890 руб.
2209407-08401-000

Струбцина (l: 80) - Clamp (l:80) (MODEL:06~ ) (Clamp (l:80))

под заказ130 руб.


Время выполнения запроса 1.4773218631744 сек.

 
 

данный сайт носит информационный характер и не является публичной офертой

склад запчастей для водомоторной техники