| |
 |
|
 |
Вернуться к выбору узлов мотора
ДЕТАЛИРОВКА ДЛЯ МОДЕЛИ: SUZUKI DF225TK6(E1) K6
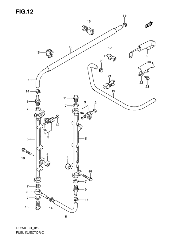
Топливный инжектор
Год выпуска двигателя: 2006
Номер на рисунке | Артикул | Наименование | QTY | Кол-во на складе | Цена |
| 1 | 15681-93J01-000 | Топливный шланг (Тройник To Dlvy Трубка) - Hose, Fuel (3 Way To Dlvy Pipe) (Hose, fuel (3way to dlvy pipe); ) (Hose, Fuel (3 Way To Dlvy Pipe)) | | под заказ | 3870 руб. |
| 1 | 15681-93J02-000 | (актуальный код замены) Топливный шланг (Тройник To Dlvy Трубка) - Hose, Fuel (3 Way To Dlvy Pipe) | | под заказ | 3870 руб. |
| 2 | 15684-93J00-000 | Кронштейн топливного шланга - Bracket, Fuel Hose (Df200t:~880553, df225t:~880433, df250t:~881062, df200z:~880121, df225z:~880154, df250z:~880383 ) (Bracket, Fuel Hose) | | под заказ | 970 руб. |
| 3 | 15710-93J00-000 | Топливный инжектор, в сборе - Injector Assy, Fuel (Injector Assy, Fuel) | | под заказ | 19780 руб. |
| 3 | 15717-16G00-000 | Уплотнительное кольцо - O Ring (O Ring) | | под заказ | 780 руб. |
| 4 | 15735-58B00-000 | Изолятор подающей трубки - Insulator, Delivery Pipe (Insulator, delivery pipe ) (Insulator, Delivery Pipe) | | под заказ | 520 руб. |
| 5 | 15751-93J00-000 | Трубка подачи - Pipe, Delivery (Pipe, Delivery) | | под заказ | 11430 руб. |
| 6 | 15756-93J01-000 | Топливный шланг (dlvy To Dlvy) - Hose, Fuel (dlvy To Dlvy) (Hose, fuel (dlvy to dlvy); ) (Hose, Fuel (dlvy To Dlvy)) | | под заказ | 1560 руб. |
| 6 | 15756-93J02-000 | (актуальный код замены) Топливный шланг (dlvy To Dlvy) - Hose, Fuel (dlvy To Dlvy) | | под заказ | 1560 руб. |
| 7 | 15762-93J00-000 | Прокладка нагнетательной трубки - Gasket, Delivery Pipe (Gasket, Delivery Pipe) | | под заказ | 190 руб. |
| 7 | 15762-93J10-000 | Прокладка нагнетательной трубки - Gasket, Delivery Pipe (E40 ) (Gasket, Delivery Pipe) | | под заказ | 400 руб. |
| 8 | 15830-77EA0-000 | Основной топливный соединитель - Joint, Fuel Main (Joint, Fuel Main) | | под заказ | 1440 руб. |
| 8 | 15832-93J00-000 | Соединитель подающей трубки - Union, Delivery Pipe (E40 ) (Union, Delivery Pipe) | | под заказ | 1440 руб. |
| 9 | 15831-93J00-000 | Соединитель подающей трубки - Union, Delivery Pipe (Union, Delivery Pipe) | | под заказ | 1200 руб. |
| 10 | 18498-93J00-000 | Защита топливного шланга (340) - Protector, Fuel Hose (340) (Protector, fuel hose (l:340); ) (Protector, Fuel Hose (340)) | | под заказ | 830 руб. |
| 10 | 18498-93J01-000 | (актуальный код замены) Защита топливного шланга (340) - Protector, Fuel Hose (340) | | под заказ | 830 руб. |
| 11 | 09247-14041-000 | Заглушка (14x14) - Plug (14x14) (Plug, delivery pipe; ) (Plug (14x14)) | | под заказ | 390 руб. |
| 11 | 09247-14042-000 | Заглушка (14x14) - Plug (14x14) (Plug, delivery pipe; E40 ) (Plug (14x14)) | | под заказ | 390 руб. |
| 12 | 09320-08062-000 | Подушка - Cushion (Cushion, fuel injector; ) (Cushion) | | 34 шт | 1010 руб. |
| 13 | 09360-14009-000 | Соединение - Union (Bolt, delivery pipe union ) (Union) | | под заказ | 870 руб. |
| 13 | 09360-14014-000 | Соединение - Union (E40 ) (Union) | | под заказ | 3630 руб. |
| 14 | 09401-11425-000 | Зажим - Clip (Clip (epi); ) (Clip) | | под заказ | 370 руб. |
| 15 | 09403-16307-000 | Струбцина - Clamp (Clamp) | | под заказ | 160 руб. |
| 16 | 09408-00105-000 | Струбцина - Clamp (Clamp) | | под заказ | 390 руб. |
| 17 | 09408-00155-000 | Струбцина - Clamp (Clamp) | | под заказ | 260 руб. |
| 18 | 01550-08407-000 | Болт - Bolt (Bolt, delivery pipe; ) (Bolt) | | под заказ | 260 руб. |
| 19 | 15682-93J10-000 | Топливный шланг (Соединитель To Фильтр) - Hose, Fuel (joint To Filter) (Hose, fuel (joint to filter); ) (Hose, Fuel (joint To Filter)) | | под заказ | 0 руб. |
| 19 | 15680-93J00-000 | Топливный шланг (Помпа To Фильтр - Hose, Fuel (pump To Filter (Hose, fuel (pump to filter); Model:06, 07 ) (Hose, Fuel (pump To Filter) | | под заказ | 5190 руб. |
| 19 | 15680-93J01-000 | (актуальный код замены) Топливный шланг (Помпа To Фильтр) - Hose, Fuel (pump To Filter) | | под заказ | 5190 руб. |
| 19 | 15680-93J21-000 | Топливный шланг (Помпа To Фильтр) - Hose, Fuel (pump To Filter) (Hose, fuel (pump to filter); Model:08~ ) (Hose, Fuel (pump To Filter)) | | под заказ | 16280 руб. |
| 20 | 09401-13423-000 | Зажим - Clip (Clip) | | 10 шт | 230 руб. |
| 21 | 09408-00135-000 | Зажим - Clip (Model:08~ ) (Clip) | | под заказ | 270 руб. |
| 22 | 15684-98J00-000 | Направляющая топливного шланга - Guide, Fuel Hose (Df200t:880554~, df225t:880434~, df250t:881063~, df200z:880122~, df225z:880155~, df250z:880384~ ) (Guide, Fuel Hose) | | под заказ | 990 руб. |
| 23 | 01550-06107-000 | Болт - Bolt (Bolt, fuel hose guide; Df200t:880554~, df225t:880434~, df250t:881063~, df200z:880122~, df225z:880155~, df250z:880384~ ) (Bolt) | | под заказ | 180 руб. |
Время выполнения запроса 0.96382308006287 сек. |
|