Купить комплектующие на лодочный мотор Suzuki DF225(Z)TX/XX; DF225W(Z)TX/XX модель 2009 года - Transmission
вконтакте

Контактный телефон: +7 (981) 121-46-93, +7 (800) 200-90-76 , Email: parts-katalog@yandex.ru, где купить

 
 

  Логин:

Пароль:

Регистрация

www.partskatalog.ru Все каталоги Запчасти Mercury Запчасти Suzuki Запчасти Tohatsu Запчасти Honda Контакты



УВАЖАЕМЫЕ КЛИЕНТЫ!
C 19 ДЕКАБРЯ 2025 ПО 02 МАРТА 2026 ГОДА ОТДЕЛ ЗАПЧАСТЕЙ И СЕРВИС РАБОТАТЬ НЕ БУДУТ
ПРОДАЖА ЛОДОЧНЫХ МОТОРОВ В ШТАТНОМ РЕЖИМЕ
ОБ ИЗМЕНЕНИЯХ В ГРАФИКЕ РАБОТЫ ЧИТАЙТЕ НА САЙТА



назад Раздел:   вперёд

Вернуться к выбору узлов мотора


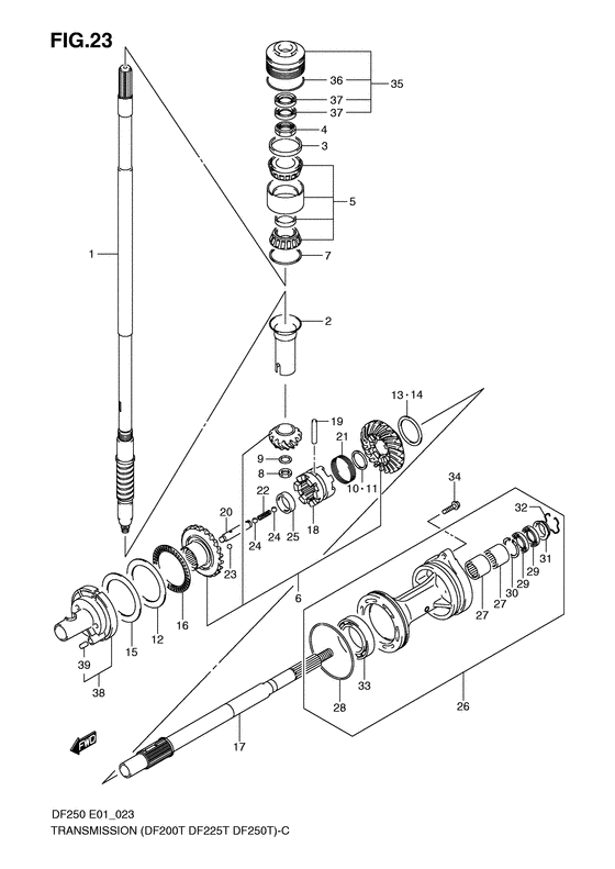
ДЕТАЛИРОВКА ДЛЯ МОДЕЛИ: SUZUKI DF225WZK9(E1) K9

Трансмиссия


Код модели двигателя: DF225(Z)TX/XX; DF225W(Z)TX/XX

Год выпуска двигателя: 2009

Регион: General Export No.1 ,Код региона: P01

Цвет: Shadow Black Metallic

Номер на
рисунке
АртикулНаименованиеQTYКол-во
на складе
Цена
157110-93J00-000

Вал привода (x) - Shaft, Drive (x) (Shaft, drive (x); ) (Shaft, Drive (x))

1 шт105600 руб.
157110-93J10-000

Вал привода (xx) - Shaft, Drive (xx) (Shaft, drive (xx); ) (Shaft, Drive (xx))

под заказ117120 руб.
157110-96J20-000

Вал привода (l) - Shaft, Drive (l) (Shaft, drive (l); ) (Shaft, Drive (l))

под заказ94560 руб.
257133-93J00-000

Воротник приводного вала - Collar, Drive Shaft (Collar, Drive Shaft)

8 шт1270 руб.
357134-93J00-000

Проставка приводного вала Подшипник - Spacer, Drive Shaft Bearing (Spacer, Drive Shaft Bearing)

2 шт2480 руб.
409159-28003-000

Гайка - Nut (Nut, drive shaft bearing (m28) # Nut, drive shaft bearing; ) (Nut)

2 шт4370 руб.
509269-32001-000

Подшипник (32x66x49) - Bearing (32x66x49) (Bearing, drive shaft (32x66x49) # Bearing, drive shaft; ) (Bearing (32x66x49))

под заказ19620 руб.
509269-32002-000

   (актуальный код замены) Подшипник (32x66x49) - Bearing (32x66x49)

4 шт19620 руб.
546T0607052KOYO

   (подбор по маркировке) Подшипник KOYO 46T060705-2(32*66*49 мм)

под заказ0
657300-93821-000

Комплект шестерёнок - Pinion & Gear Set (Pinion & Gear Set)

под заказ121920 руб.
657300-93822-000

   (актуальный код замены) Комплект шестерёнок - Pinion & Gear Set

2 шт121920 руб.
657300-93822-000

Комплект шестерёнок - Pinion & Gear Set (Pinion & Gear Set)

2 шт121920 руб.
657300-93841-000

Комплект шестерёнок - Pinion & Gear Set (Df200t:422238~, df200wt (e40):510092~, df225t:422245~, df225wt (e40):510027~, df250t model:05~, df250t (e40):510237~ ) (Pinion & Gear Set)

под заказ120000 руб.
709181-60004-000

Регулировочная шайба (60x66x0.45) - Shim (60x66x045) (Shim (t:0.45); ) (Shim (60x66x0.45))

17 шт560 руб.
709181-60005-000

Регулировочная шайба (60x66x0.5) - Shim (60x66x05) (Shim (t:0.50); ) (Shim (60x66x0.5))

9 шт560 руб.
709181-60006-000

Регулировочная шайба (60x66x0.55) - Shim (60x66x055) (Shim (t:0.55); ) (Shim (60x66x0.55))

3 шт560 руб.
709181-60007-000

Регулировочная шайба (60x66x0.6) - Shim (60x66x06) (Shim (t:0.60); ) (Shim (60x66x0.6))

9 шт560 руб.
709181-60008-000

Регулировочная шайба (60x66x0.65) - Shim (60x66x065) (Shim (t:0.65); ) (Shim (60x66x0.65))

11 шт560 руб.
709181-60009-000

Регулировочная шайба (60x66x0.7) - Shim (60x66x07) (Shim (t:0.70); ) (Shim (60x66x0.7))

11 шт560 руб.
709181-60010-000

Регулировочная шайба (60x66x0.75) - Shim (60x66x075) (Shim (t:0.75); ) (Shim (60x66x0.75))

9 шт560 руб.
709181-60011-000

Регулировочная шайба (60x66x0.8) - Shim (60x66x08) (Shim (t:0.80); ) (Shim (60x66x0.8))

10 шт560 руб.
709181-60012-000

Регулировочная шайба (60x66x0.85) - Shim (60x66x085) (Shim (t:0.85); ) (Shim (60x66x0.85))

3 шт560 руб.
709181-60013-000

Регулировочная шайба (60x66x0.9) - Shim (60x66x09) (Shim (t:0.90); ) (Shim (60x66x0.9))

12 шт560 руб.
809140-16021-000

Гайка - Nut (Nut, pinion (m6) # Nut, pinion; ) (Nut)

2 шт420 руб.
908221-16256-000

Регулировочная шайба - Shim (Washer, pinion nut # Washer, pinion nut; ) (Shim)

9 шт150 руб.
1057500-87861-000

Комплект регулировочных шайб реверса вала гребного винта - Shim Set, Reverse Prop Shaft (Washer set, rev prop shaft # Shim set, prop shaft rev; ) (Shim Set, Reverse Prop Shaft)

5 шт3830 руб.
1108211-30382-000

Шайба - Washer (Washer (30x38x1.5); ) (Washer)

под заказ240 руб.
1109160-30036-000

Шайба (30x38x1.7) - Washer (30x38x17) (Washer (30x38x1.7); ) (Washer (30x38x1.7))

4 шт340 руб.
1109160-30037-000

Шайба (30x38x1.9) - Washer (30x38x19) (Washer (30x38x1.9) # Washer (30x38x1.9); ) (Washer (30x38x1.9))

под заказ340 руб.
1109160-30038-000

Шайба (30x38x2.1) - Washer (30x38x21) (Washer (30x38x2.1); ) (Washer (30x38x2.1))

4 шт450 руб.
1108211-30384-000

Шайба - Washer (Washer (30x38x2.2) # Washer (30x38x2.2); ) (Washer)

под заказ250 руб.
1109160-30039-000

Шайба (30x38x2.3) - Washer (30x38x23) (Washer (30x38x2.3); ) (Washer (30x38x2.3))

4 шт340 руб.
1109160-30041-000

Шайба (30x38x2.4) - Washer (30x38x24) (Washer (t:2.4) # Washer (30x38x2.4); ) (Washer (30x38x2.4))

6 шт410 руб.
1108211-30385-000

Шайба - Washer (Washer (30x38x2.5) # Washer (30x38x2.5); ) (Washer)

под заказ250 руб.
1109160-30042-000

Шайба (30x38x2.6) - Washer (30x38x26) (Washer (t:2.6) # Washer (30x38x2.6); ) (Washer (30x38x2.6))

под заказ410 руб.
1109160-30043-000

Шайба (30x38x2.7) - Washer (30x38x27) (Washer (t:2.7) # Washer (30x38x2.7); ) (Washer (30x38x2.7))

7 шт410 руб.
1109160-30044-000

Шайба (30x38x2.8) - Washer (30x38x28) (Washer (t:2.8) # Washer (30x38x2.8); ) (Washer (30x38x2.8))

под заказ410 руб.
1209160-75002-000

Шайба (75x100x2) - Washer (75x100x2) (Washer, thrust; Fwd gear ) (Washer (75x100x2))

3 шт4120 руб.
1357500-87852-000

Комплект регулировочных шайб шестерни обратного хода - Shim Set, Reverse Gear (Shim set, rev gear # Shim set, rev gear; ) (Shim Set, Reverse Gear)

3 шт4750 руб.
1409181-50013-000

Регулировочная шайба (50x62x1) - Shim (50x62x1) (Shim (50x62x1.0) # Shim (50x62x1.0); Rev gear ) (Shim (50x62x1))

под заказ580 руб.
1409181-50012-000

Регулировочная шайба (50x62x1.1) - Shim (50x62x11) (Shim (50x62x1.1); Rev gear ) (Shim (50x62x1.1))

под заказ580 руб.
1409181-50005-000

Регулировочная шайба (50x62x1.2) - Shim (50x62x12) (Shim (50x62x1.2); Rev gear ) (Shim (50x62x1.2))

9 шт570 руб.
1409181-50006-000

Регулировочная шайба (50x62x1.3) - Shim (50x62x13) (Shim (50x62x1.3); Rev gear ) (Shim (50x62x1.3))

под заказ570 руб.
1409181-50007-000

Регулировочная шайба (50x62x1.4) - Shim (50x62x14) (Shim (50x62x1.4) # Shim (50x62x1.4); Rev gear ) (Shim (50x62x1.4))

под заказ570 руб.
1409181-50008-000

Регулировочная шайба (50x62x1.5) - Shim (50x62x15) (Shim (50x62x1.5) # Shim (50x62x1.5); Rev gear ) (Shim (50x62x1.5))

под заказ570 руб.
1409181-50009-000

Регулировочная шайба (50x62x1.6) - Shim (50x62x16) (Shim (50x62x1.6) # Shim (50x62x1.6); Rev gear ) (Shim (50x62x1.6))

под заказ580 руб.
1409181-50010-000

Регулировочная шайба (50x62x1.7) - Shim (50x62x17) (Shim (50x62x1.7) # Shim (50x62x1.7); Rev gear ) (Shim (50x62x1.7))

под заказ580 руб.
1509181-75018-000

Регулировочная шайба (75x100x0.5) - Shim (75x100x05) (Shim (75x100x0.5); Fwd gear ) (Shim (75x100x0.5))

под заказ700 руб.
1509181-75019-000

Регулировочная шайба (75x100x0.55) - Shim (75x100x055) (Shim (75x100x0.55); Fwd gear ) (Shim (75x100x0.55))

5 шт700 руб.
1509181-75012-000

Регулировочная шайба (75x100x0.6) - Shim (75x100x06) (Shim (75x100x0.6); Fwd gear ) (Shim (75x100x0.6))

3 шт700 руб.
1509181-75013-000

Регулировочная шайба (75x100x0.65) - Shim (75x100x065) (Shim (75x100x0.65); Fwd gear ) (Shim (75x100x0.65))

5 шт700 руб.
1509181-75008-000

Регулировочная шайба (75x100x0.7) - Shim (75x100x07) (Shim (75x100x0.7); Fwd gear ) (Shim (75x100x0.7))

4 шт700 руб.
1509181-75014-000

Регулировочная шайба (75x100x0.75) - Shim (75x100x075) (Shim (75x100x0.75); Fwd gear ) (Shim (75x100x0.75))

5 шт700 руб.
1509181-75009-000

Регулировочная шайба (75x100x0.8) - Shim (75x100x08) (Shim (75x100x0.8); Fwd gear ) (Shim (75x100x0.8))

5 шт700 руб.
1509181-75015-000

Регулировочная шайба (75x100x0.85) - Shim (75x100x085) (Shim (75x100x0.85); Fwd gear ) (Shim (75x100x0.85))

14 шт700 руб.
1509181-75010-000

Регулировочная шайба (75x100x0.9) - Shim (75x100x09) (Shim (75x100x0.9); Fwd gear ) (Shim (75x100x0.9))

6 шт700 руб.
1509181-75016-000

Регулировочная шайба (75x100x0.95) - Shim (75x100x095) (Shim (75x100x0.95); Fwd gear ) (Shim (75x100x0.95))

3 шт700 руб.
1509181-75011-000

Регулировочная шайба (75x100x1) - Shim (75x100x1) (Shim (75x100x1.0); Fwd gear ) (Shim (75x100x1))

2 шт700 руб.
1609269-75002-000

Подшипник (75x100x4) - Bearing (75x100x4) (Bearing, thrust fwd gear # Bearing, fwd gear; ) (Bearing (75x100x4))

8 шт7490 руб.
1757610-93J00-000

Вал гребного винта - Shaft, Propeller (Shaft, Propeller)

под заказ61300 руб.
1857621-93J00-000

Переключатель собачки сцепления - Shifter, Clutch Dog (Shifter, Clutch Dog)

под заказ23430 руб.
1857621-93J10-000

Переключатель собачки сцепления - Shifter, Clutch Dog (Df200t:422238~, df200wt (e40):510092~, df225t:422245~, df225wt (e40):510027~, df250t model:05~, df250t (e40):510237~ ) (Shifter, Clutch Dog)

3 шт20980 руб.
1909202-08007-000

Штифт (8x49) - Pin (8x49) (Pin, clutch dog shifter # Pin, clutch dog shifter; ) (Pin (8x49))

7 шт440 руб.
2057631-93J00-000

Штифт коннектора - Pin, Connector (Pin, Connector)

под заказ3410 руб.
2109440-52003-000

Пружина - Spring (Spring, clutch dog shifter # Spring, clutch dog shifter; ) (Spring)

3 шт260 руб.
2209440-09040-000

Пружина - Spring (Spring, detent; ) (Spring)

14 шт280 руб.
2306111-07004-000

Шарик - Ball (Ball, detent no.1; ) (Ball)

19 шт100 руб.
2406111-11004-000

Шарик - Ball (Ball, detent no.2; ) (Ball)

29 шт150 руб.
2509180-25082-000

Проставка (25x36.5x9.5) - Spacer (25x365x95) (Stopper, clutch dog fwd # Stopper, clutch dog fwd; ) (Spacer (25x36.5x9.5))

7 шт870 руб.
2656120-93J01-0EP

Корпус подшипника вала гребного винта (bl) - Housing, Propeller Sft Brg (bl) (Housing, prop sft brg (black);) (Housing, Propeller Sft Brg (bl))

под заказ59040 руб.
2656120-93J70-0EP

   (актуальный код замены) Корпус подшипника вала гребного винта (обойма) - Housing, Prop Shaft Brg

2 шт59040 руб.
2656120-93J03-0EP

Корпус подшипника вала гребного винта (bl) - Housing, Propeller Sft Brg (bl) (Housing, Propeller Sft Brg (bl))

под заказ59040 руб.
2656120-93J70-0EP

   (актуальный код замены) Корпус подшипника вала гребного винта (обойма) - Housing, Prop Shaft Brg

2 шт59040 руб.
2656120-93J02-0EP

Корпус подшипника вала гребного винта (bl) - Housing, Propeller Sft Brg (bl) (Housing, prop sft brg (black); Df200t:510464~, df225t:510231~, df250t:510954~) (Housing, Propeller Sft Brg (bl))

под заказ59040 руб.
2656120-93J70-0EP

   (актуальный код замены) Корпус подшипника вала гребного винта (обойма) - Housing, Prop Shaft Brg

2 шт59040 руб.
2709263-30023-000

Подшипник (30x40x25) - Bearing (30x40x25) (Bearing (30x40x25) ) (Bearing (30x40x25))

под заказ3930 руб.
2709263-30063-000

   (актуальный код замены) Подшипник (30x40x25) - Bearing (30x40x25)

9 шт4430 руб.
277EHMK3025NTN

   (подбор по маркировке) Подшипник NTN 7E-HMK 3025(30*40*25 мм)

под заказ0
2809280-00040-000

Уплотнительное кольцо (d: 3.1, Id: 104.4) - O Ring (d:31, Id:1044) (O ring (id:104.4, dd:3.1) # O ring (d:3.1, id:104.4); ) (O Ring (d:3.1, Id:104.4))

23 шт870 руб.
2909282-30006-000

Сальник (30x45x6) - Seal, Oil (30x45x6) (Seal, oil (30x45x6) ) (Seal, Oil (30x45x6))

115 шт720 руб.
3009381-40003-000

Стопорное кольцо - Circlip (Df200t:421995~, df225t:421923~, df250t:422503~ ) (Circlip)

7 шт420 руб.
3156123-93J00-000

Защитный сальник - Protector, Oil Seal (Df200t:510464~, df225t:510231~, df250t:510954~ ) (Protector, Oil Seal)

6 шт690 руб.
3209387-45001-000

Кольцо - Ring (Circlip # Ring, prop shaft oil seal; Df200t:510464~, df225t:510231~, df250t:510954~ ) (Ring)

14 шт290 руб.
3308113-60100-000

Подшипник - Bearing (Bearing # Bearing, reverse gear; ) (Bearing)

10 шт5860 руб.
3429116-93J10-000

Болт - Bolt (Bolt (8x35) # Bolt, prop sft brg hsg (8x35); ) (Bolt)

14 шт270 руб.
3556130-93J00-000

Корпус подшипника приводного вала - Housing, Drive Shaft Brg (Housing, Drive Shaft Brg)

под заказ14400 руб.
3556130-93J02-000

   (актуальный код замены) Корпус подшипника приводного вала - Housing, Drive Shaft Brg

2 шт14400 руб.
3556130-93J02-000

Корпус подшипника приводного вала - Housing, Drive Shaft Brg (Housing, Drive Shaft Brg)

2 шт14400 руб.
3609280-66004-000

Уплотнительное кольцо (d: 3.1, Id: 65.4) - O Ring (d:31, Id:654) (O ring (id:65.4, dd:3.1) # O ring (d:3.1, id:65.4); ) (O Ring (d:3.1, Id:65.4))

3 шт690 руб.
36SK09280-66004

   (не оригинальный аналог) Кольцо уплотнительное ведущего вала Skipper для Suzuki Модель техники: DF150-DF300

0 шт127 руб.
3709282-24004-000

Сальник (24x40x7) - Seal, Oil (24x40x7) (Oil seal ) (Seal, Oil (24x40x7))

76 шт870 руб.
3709282-24008-000

   (актуальный код замены) Сальник (24x40x7) - Seal, Oil (24x40x7)

76 шт700 руб.
37SK09282-24004

   (не оригинальный аналог) Сальник ведущего вала Skipper для Suzuki Модели техники: DF90-350HP

0 шт176 руб.
3856140-93J00-000

Корпус подшипника передней шестерни - Housing, Fwd Gear Bearing (Housing, Fwd Gear Bearing)

под заказ31200 руб.
3856140-93J20-000

   (актуальный код замены) Корпус пошипника шестерни переднего хода - Housing Comp, Fwd Gear Bearing

под заказ31200 руб.
3856140-93J01-000

Корпус подшипника передней шестерни - Housing, Fwd Gear Bearing (Housing, Fwd Gear Bearing)

3 шт33860 руб.
3856140-93J20-000

   (актуальный код замены) Корпус пошипника шестерни переднего хода - Housing Comp, Fwd Gear Bearing

под заказ31200 руб.
3904221-08129-000

Штифт - Pin (Pin, knock # Pin, knock; ) (Pin)

под заказ150 руб.


Время выполнения запроса 1.7866358757019 сек.

 
 

данный сайт носит информационный характер и не является публичной офертой

склад запчастей для водомоторной техники