|
 |
Раздел:
|
 |
Вернуться к выбору узлов мотора
ДЕТАЛИРОВКА ДЛЯ МОДЕЛИ: SUZUKI DF225T(E1) PRD
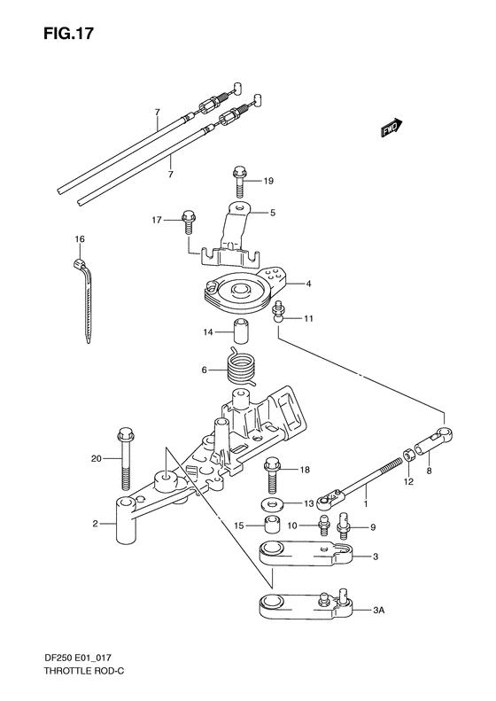
Тяга дросселя
Код модели двигателя: DF225(Z)TX/XX; DF225W(Z)TX/XX
Год выпуска двигателя: 2010
Регион: General Export No.1 ,Код региона: P01
Цвет: Shadow Black Metallic
Номер на рисунке | Артикул | Наименование | QTY | Кол-во на складе | Цена |
1 | 13510-93J00-000 | Тяга дросселя №1 - Rod, Throttle No1 (Rod, Throttle No.1) | | под заказ | 1510 руб. |
2 | 19115-93J00-000 | Держатель рычага дросселя - Holder, Throttle Lever (Holder, Throttle Lever) | | под заказ | 7830 руб. |
2 | 19115-93J02-000 | (актуальный код замены) Держатель рычага дросселя - Holder, Throttle Lever | | под заказ | 7830 руб. |
2 | 19115-93J01-000 | Держатель рычага дросселя - Holder, Throttle Lever (Holder, Throttle Lever) | | под заказ | 7830 руб. |
2 | 19115-93J02-000 | (актуальный код замены) Держатель рычага дросселя - Holder, Throttle Lever | | под заказ | 7830 руб. |
3 | 19121-93J00-000 | Рычаг дросселя №1 - Lever, Throttle No1 (Lever, Throttle No.1) | | под заказ | 2740 руб. |
3 | 19121-93J02-000 | (актуальный код замены) Рычаг дросселя №1 - Lever, Throttle No.1 | | под заказ | 2740 руб. |
3 | 19121-93J02-000 | Рычаг дросселя №1 - Lever, Throttle No1 (Lever, Throttle No.1) | | под заказ | 2740 руб. |
3 | 19121-93J02-000 | Рычаг дросселя №1 - Lever, Throttle No1 (Df200t:680374~, df225t:680283~, df250t:680673~, df200z:680072~, df225z:680081~, df250z:680243~ ) (Lever, Throttle No.1) | | под заказ | 2740 руб. |
4 | 19148-93J00-000 | Барабан дросселя - Drum, Throttle (Drum, Throttle) | | под заказ | 1380 руб. |
5 | 19184-93J00-000 | Кронштейн тросика газа - Bracket, Throttle Cable (Bracket, Throttle Cable) | | под заказ | 580 руб. |
6 | 19185-93J00-000 | Пружина рычага дросселя - Spring, Throttle Lever (Spring, Throttle Lever) | | под заказ | 490 руб. |
7 | 63610-93J00-000 | Тросик дросселя - Cable, Throttle (Cable, Throttle) | | под заказ | 4130 руб. |
7 | 63610-93J01-000 | (актуальный код замены) Тросик дросселя - Cable, Throttle | | 2 шт | 4130 руб. |
8 | 67463-95200-000 | Коннектор тяги управления дросселем - Connector, Throttle Control (Connector, throttle rod # Connector, throttle rod; ) (Connector, Throttle Control) | | под заказ | 340 руб. |
9 | 67473-89J00-000 | Штифт коннектора - Pin, Connector (Pin, r/con connector; Df200t:~680373, df225t:~680282, df250t:~680672, df200z:~680071, df225z:~680080, df250z:~680242 ) (Pin, Connector) | | под заказ | 780 руб. |
10 | 09119-05010-000 | Стержень - Pivot (Pivot, throttle lever # Pivot, throttle lever; Df200t:~680373, df225t:~680282, df250t:~680672, df200z:~680071, df225z:~680080, df250z:~680242 ) (Pivot) | | под заказ | 500 руб. |
11 | 09119-06047-000 | Стержень - Pivot (Pivot, ball # Pivot, throttle drum; ) (Pivot) | | 21 шт | 520 руб. |
12 | 09140-05005-000 | Гайка - Nut (Nut, throttle rod; ) (Nut) | | 10 шт | 270 руб. |
13 | 09160-06066-000 | Шайба (6.5x20x1.6) - Washer (65x20x16) (Washer, throttle lever (6.5x20x1.6) # Washer, throttle lever; ) (Washer (6.5x20x1.6)) | | под заказ | 150 руб. |
14 | 09180-06186-000 | Проставка (6.2x12.6x21) - Spacer (62x126x21) (Spacer, throttle lever no.2 # Spacer, throttle drum; ) (Spacer (6.2x12.6x21)) | | 4 шт | 610 руб. |
15 | 09180-06230-000 | Проставка (6.2x12.6x12.5) - Spacer (62x126x125) (Spacer, throttle lever # Spacer, throttle lever; ) (Spacer (6.2x12.6x12.5)) | | 7 шт | 750 руб. |
16 | 09407-11401-000 | Струбцина (l: 95) - Clamp (l:95) (Clamp, stator lead # Clamp, throttle cable; ) (Clamp (l:95)) | | под заказ | 170 руб. |
17 | 01550-06167-000 | Болт - Bolt (Bolt, throttle cable bracket; ) (Bolt) | | 9 шт | 210 руб. |
18 | 01550-06257-000 | Болт - Bolt (Bolt, throttle lever; ) (Bolt) | | под заказ | 180 руб. |
19 | 01550-06357-000 | Болт - Bolt (Bolt, throttle lever no.2 # Bolt, throttle drum; ) (Bolt) | | 9 шт | 210 руб. |
20 | 01550-08607-000 | Болт - Bolt (Bolt, throttle body # Bolt, throttle lever holder; ) (Bolt) | | под заказ | 290 руб. |
Время выполнения запроса 2.6260879039764 сек. |
|