Оригинальные запчасти на подвесной лодочный двигатель SUZUKI DF225(Z)TX/XX; DF225W(Z)TX/XX модель 2010 года - Remote control
вконтакте

Контактный телефон: +7 (981) 121-46-93, +7 (800) 200-90-76 , Email: parts-katalog@yandex.ru, где купить

 
 

  Логин:

Пароль:

Регистрация

www.partskatalog.ru Все каталоги Запчасти Mercury Запчасти Suzuki Запчасти Tohatsu Запчасти Honda Контакты



УВАЖАЕМЫЕ КЛИЕНТЫ!
C 19 ДЕКАБРЯ 2025 ПО 02 МАРТА 2026 ГОДА ОТДЕЛ ЗАПЧАСТЕЙ И СЕРВИС РАБОТАТЬ НЕ БУДУТ
ПРОДАЖА ЛОДОЧНЫХ МОТОРОВ В ШТАТНОМ РЕЖИМЕ
ОБ ИЗМЕНЕНИЯХ В ГРАФИКЕ РАБОТЫ ЧИТАЙТЕ НА САЙТА



назад Раздел:   вперёд

Вернуться к выбору узлов мотора


ДЕТАЛИРОВКА ДЛЯ МОДЕЛИ: SUZUKI DF225T(E1) PRD

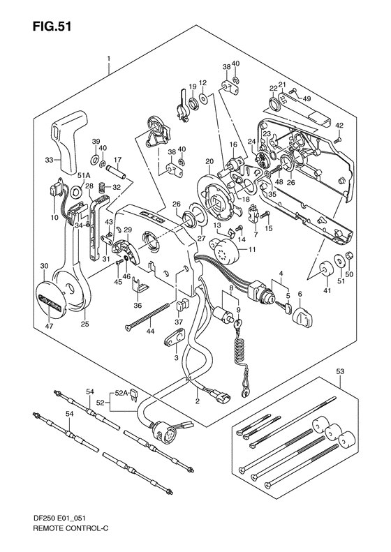
Дистанционное управление


Код модели двигателя: DF225(Z)TX/XX; DF225W(Z)TX/XX

Год выпуска двигателя: 2010

Регион: General Export No.1 ,Код региона: P01

Цвет: Shadow Black Metallic

Номер на
рисунке
АртикулНаименованиеQTYКол-во
на складе
Цена
167200-93J03-000

Дистанционное управление в сборе - Remote Control Assy (Remote Control Assy)

под заказ72000 руб.
167200-93J62-000

   (актуальный код замены) Дистанционное управление в сборе - Remote Control Assy

3 шт72000 руб.
167200-93J07-000

Дистанционное управление в сборе - Remote Control Assy (Remote Control Assy)

под заказ72000 руб.
167200-93J62-000

   (актуальный код замены) Дистанционное управление в сборе - Remote Control Assy

3 шт72000 руб.
236646-93J00-000

Провод в сборе, Ptt Sw Adapter - Wire Assy, Ptt Sw Adapter (Wire Assy, Ptt Sw Adapter)

под заказ7160 руб.
236646-93J02-000

   (актуальный код замены) Провод в сборе, Ptt Sw Adapter - Wire Assy, Ptt Sw Adapter

под заказ7160 руб.
236646-93J01-000

Провод в сборе, Ptt Sw Adapter - Wire Assy, Ptt Sw Adapter (Wire Assy, Ptt Sw Adapter)

под заказ7160 руб.
236646-93J02-000

   (актуальный код замены) Провод в сборе, Ptt Sw Adapter - Wire Assy, Ptt Sw Adapter

под заказ7160 руб.
336628-92E00-000

Пыльник на жгут проводов - Grommet, Wiring Harness (Grommet, wire harness; ) (Grommet, Wiring Harness)

под заказ490 руб.
437110-93J00-000

Выключатель зажигания - Switch Assy, Ignition (Switch Assy, Ignition)

под заказ11430 руб.
437110-93J02-000

   (актуальный код замены) Выключатель зажигания - Switch Assy, Ignition

2 шт13000 руб.
437110-93J01-000

Выключатель зажигания - Switch Assy, Ignition (Switch Assy, Ignition)

под заказ11430 руб.
437110-93J02-000

   (актуальный код замены) Выключатель зажигания - Switch Assy, Ignition

2 шт13000 руб.
537141-99E00-000

Ключ (931) - Key (931) (Key (931); ) (Key (931))

под заказ1660 руб.
537141-99E10-000

Ключ (932) - Key (932) (Key (932); ) (Key (932))

1 шт1380 руб.
537141-99E20-000

Ключ (933) - Key (933) (Key (933); ) (Key (933))

под заказ1380 руб.
537141-99E30-000

Ключ (934) - Key (934) (Key (934); ) (Key (934))

1 шт1380 руб.
537141-99E40-000

Ключ (935) - Key (935) (Key (935); ) (Key (935))

под заказ1380 руб.
537141-99E50-000

Ключ (936) - Key (936) (Key (936); ) (Key (936))

под заказ1380 руб.
537141-99E60-000

Ключ (937) - Key (937) (Key (937); ) (Key (937))

1 шт1380 руб.
537141-99E70-000

Ключ (938) - Key (938) (Key (938); ) (Key (938))

под заказ1380 руб.
537141-99E80-000

Ключ (939) - Key (939) (Key (939); ) (Key (939))

1 шт1480 руб.
537141-99E90-000

Ключ (940) - Key (940) (Key (940); ) (Key (940))

1 шт1510 руб.
537141-99EA0-000

Ключ (941) - Key (941) (Key (941); ) (Key (941))

1 шт1510 руб.
537141-99EB0-000

Ключ (942) - Key (942) (Key (942); ) (Key (942))

под заказ1380 руб.
637143-99E00-000

Колпачок ключа - Cap, Key (Cap, Key)

под заказ600 руб.
637143-99E01-000

   (актуальный код замены) Колпачок ключа - Cap, Key

2 шт640 руб.
737721-93J90-000

Выключатель нейтрали, в сборе - Switch Assy, Neutral (Switch Assy, Neutral)

под заказ4180 руб.
737721-93J91-000

   (актуальный код замены) Выключатель нейтрали, в сборе - Switch Assy, Neutral

5 шт7710 руб.
737721-93J91-000

Выключатель нейтрали, в сборе - Switch Assy, Neutral (Switch Assy, Neutral)

5 шт7710 руб.
837820-93J03-000

Аварийный выключатель, в сборе - Switch Assy, Emergency (Switch Assy, Emergency)

под заказ5000 руб.
837820-93J05-000

   (актуальный код замены) Аварийный выключатель, в сборе - Switch Assy, Emergency

10 шт6310 руб.
837820-93J04-000

Аварийный выключатель, в сборе - Switch Assy, Emergency (Switch Assy, Emergency)

под заказ5000 руб.
837820-93J05-000

   (актуальный код замены) Аварийный выключатель, в сборе - Switch Assy, Emergency

10 шт6310 руб.
937823-92E01-000

Пластина блокировки аварийного выключателя - Plate Assy, Emergency Sw Lock (Plate; ) (Plate Assy, Emergency Sw Lock)

под заказ2570 руб.
937823-92E02-000

   (актуальный код замены) Пластина блокировки аварийного выключателя - Plate Assy, Emergency Sw Lock

3 шт2770 руб.
1037850-90J05-000

Переключатель управления гидроподъёмом двигателя - Switch Assy, Ptt (Switch Assy, Ptt)

под заказ10900 руб.
1037850-90J06-000

   (актуальный код замены) Переключатель управления гидроподъёмом двигателя - Switch Assy, Ptt

8 шт10900 руб.
1037850-90J06-000

Переключатель управления гидроподъёмом двигателя - Switch Assy, Ptt (Switch Assy, Ptt)

8 шт10900 руб.
1138500-93J90-000

Предупреждающий зуммер - Buzzer, Warning (Buzzer, Warning)

под заказ3890 руб.
1267212-95600-000

Шайба - Washer (Washer)

под заказ300 руб.
1367213-92E00-000

Кронштейн зуммера - Bracket, Buzzer (Bracket, buzzer brkt ) (Bracket, Buzzer)

под заказ730 руб.
1409125-05042-000

Винт (5x10) - Screw (5x10) (Screw, buzzer brkt; ) (Screw (5x10))

под заказ150 руб.
1567296-92E10-000

Винт выключателя нейтрали - Screw, Neutral Switch (Screw, neutral sw;) (Screw, Neutral Switch)

под заказ300 руб.
1567296-92E11-000

   (актуальный код замены) Винт выключателя нейтрали - Screw, Neutral Switch

под заказ300 руб.
1567296-92E11-000

Винт выключателя нейтрали - Screw, Neutral Switch (Screw, Neutral Switch)

под заказ300 руб.
1667220-95630-000

Пластина в сборе - Plate Assy (Plate Assy)

под заказ8400 руб.
1767223-99E10-000

Ручка регулировки тормоза - Knob, Brake Adjust (Knob, Brake Adjust)

под заказ760 руб.
1867229-95600-000

Ролик - Roller (Roller)

под заказ520 руб.
1967232-95600-000

Втулка - Bush (Bush)

под заказ570 руб.
2067238-87D00-000

Зубчатый привод - Gear, Drive (Gear, drive; ) (Gear, Drive)

1 шт4080 руб.
2167241-99E10-000

Рычаг освобождения дросселя - Lever, Free Throttle (Lever, Free Throttle)

под заказ2280 руб.
2267243-95600-000

Втулка, Remo-con - Bush, Remo-con (Bush, Remo-con)

2 шт390 руб.
2367244-95600-000

Волнистая шайба - Wave Washer (Wave Washer)

под заказ330 руб.
2467245-95600-000

Барабан освобождения дросселя - Drum, Free Throttle (Drum assy, free throttle # Drum, free throttle; ) (Drum, Free Throttle)

под заказ2480 руб.
2567251-99E10-000

Рычаг блокировки - Lever, Handle (Lever, Handle)

под заказ7200 руб.
2667252-95600-000

Втулка - Bush (Bush)

2 шт480 руб.
2767253-95600-000

Шайба - Washer (Washer)

под заказ460 руб.
2867255-99E00-000

Рычаг блокировки - Arm, Lock (Arm, Lock)

под заказ1680 руб.
2967256-95600-000

Держатель блокировки нейтрали - Holder, Neutral Lock (Holder, neut lock ) (Holder, Neutral Lock)

2 шт1140 руб.
3067257-99E00-000

Крышка рычага - Cap, Lever (Cap, Lever)

под заказ860 руб.
3167258-99E00-000

Кронштейн - Bracket (Bracket, lock arm; ) (Bracket)

под заказ490 руб.
3267259-87D00-000

Пружина рычага нетрали - Spring, Neutral Arm (Spring, neutral arm # Spring, neutral arm; ) (Spring, Neutral Arm)

6 шт550 руб.
3367261-99E00-000

Рукоятка - Grip (Grip)

под заказ4130 руб.
3467296-94310-000

Винт - Screw (Screw)

под заказ180 руб.
3567264-95600-000

Шайба - Washer (Washer)

под заказ270 руб.
3667267-95610-000

Крышка проводов - Cover, Wire (Cover, wire (black) ) (Cover, Wire)

под заказ580 руб.
3767273-95600-000

Проставка - Spacer (Spacer)

под заказ460 руб.
3767273-95601-000

   (актуальный код замены) Проставка - Spacer

3 шт630 руб.
3867275-95600-000

Наконечник кабеля - End, Cable (End, Cable)

36 шт810 руб.
3967288-92E00-000

Шайба - Washer (Washer, brake adj knob; ) (Washer)

под заказ300 руб.
4067292-94300-000

Уплотнительное кольцо дистанционного управления - E Ring, Remo-con (E Ring, Remo-con)

25 шт120 руб.
4167294-95600-000

Проставка - Spacer (Spacer)

под заказ460 руб.
4267296-90J00-000

Винт задней крышки - Screw, Rr Cover (Screw, Rr Cover)

под заказ300 руб.
4267296-90J10-000

   (актуальный код замены) Винт задней крышки - Screw, Rr Cover

под заказ300 руб.
4367296-94300-000

Винт (4x10) - Screw (4x10) (Screw (4x10))

под заказ120 руб.
4467296-95600-000

Винт - Screw (Screw)

под заказ570 руб.
4567296-95610-000

Винт - Screw (Screw)

2 шт280 руб.
4667297-95600-000

Шайба - Washer (Washer)

под заказ280 руб.
4768165-16B00-13L

Эмблема, Suzuki - Emblem, Suzuki (Emblem, suzuki (silver) ) (Emblem, Suzuki)

под заказ600 руб.
4768165-16B01-13L

   (актуальный код замены) Эмблема, Suzuk - Emblem, Suzuk

1 шт600 руб.
4809100-08232-000

Болт (8x30) - Bolt (8x30) (Bolt (8x30))

6 шт350 руб.
4909126-05003-000

Винт (5x12) - Screw (5x12) (Screw (5x12))

под заказ160 руб.
5009140-06020-000

Гайка - Nut (Nut)

9 шт150 руб.
5109160-06104-000

Шайба (6.5x24x2) - Washer (65x24x2) (Washer (6.5x24x2))

под заказ220 руб.
5137859-90J00-000

Проставка - Spacer (Spacer)

под заказ350 руб.
5236620-93J01-000

Провода дистанционного управления, в сборе - Wire Assy, Remote Control (L:5000 model:04~) (Wire Assy, Remote Control)

под заказ28800 руб.
5236620-93J04-000

   (актуальный код замены) Провода дистанционного управления, в сборе 6.5m - Wire Assy, Remote Control 6.5m

5 шт21260 руб.
5236620-93J02-000

Провода дистанционного управления, в сборе - Wire Assy, Remote Control (Wire Assy, Remote Control)

2 шт28800 руб.
5236620-93J04-000

   (актуальный код замены) Провода дистанционного управления, в сборе 6.5m - Wire Assy, Remote Control 6.5m

5 шт21260 руб.
5236620-93J51-000

Провода дистанционного управления, в сборе - Wire Assy, Remote Control (L:3500 model:06~ ) (Wire Assy, Remote Control)

под заказ25920 руб.
5236620-93J54-000

   (актуальный код замены) Провода дистанционного управления, в сборе 5.0m - Wire Assy, Remote Control 5.0m

3 шт25920 руб.
5236620-93J61-000

Провода дистанционного управления, в сборе - Wire Assy, Remote Control (L:6500 model:06~) (Wire Assy, Remote Control)

под заказ32160 руб.
5236620-93J64-000

   (актуальный код замены) Провода дистанционного управления, в сборе 8.0m - Wire Assy, Remote Control 8.0m

2 шт41290 руб.
5236620-93J62-000

Провода дистанционного управления, в сборе - Wire Assy, Remote Control (Wire Assy, Remote Control)

под заказ32160 руб.
5236620-93J64-000

   (актуальный код замены) Провода дистанционного управления, в сборе 8.0m - Wire Assy, Remote Control 8.0m

2 шт41290 руб.
5209481-10501-000

Предохранитель (10a) - Fuse (10a) (Fuse (10a); ) (Fuse (10a))

5 шт250 руб.
5367140-95600-000

Двойной комплект навесного оборудования Remocon - Attachment Kit, Twin Remocon (Attachment, twin remocon kit # Attachment, twin remocon kit; Opt ) (Attachment Kit, Twin Remocon)

под заказ4300 руб.
5367140-95601-000

   (актуальный код замены) Двойной комплект навесного оборудования Remocon - Attachment Kit, Twin Remocon

под заказ4300 руб.
5467320-93J00-000

Тросик дистанционного управления (8f: 2.4m) - Cable Assy, Remocon (8f:24m) (Cable, remocon 8f (2.4m); Opt ) (Cable Assy, Remocon (8f:2.4m))

под заказ5760 руб.
5467320-93J10-000

Тросик дистанционного управления (10f: 3.1m) - Cable Assy, Remocon (10f:31m) (Cable, remocon 10f (3.1m); Opt ) (Cable Assy, Remocon (10f:3.1m))

под заказ6340 руб.
5467320-93J20-000

Тросик дистанционного управления (12f: 3.7m) - Cable Assy, Remocon (12f:37m) (Cable, remocon 12f (3.7m); Opt ) (Cable Assy, Remocon (12f:3.7m))

под заказ6920 руб.
5467320-93J30-000

Тросик дистанционного управления (14f: 4.2m) - Cable Assy, Remocon (14f:42m) (Cable, remocon 14f (4.2m); Opt ) (Cable Assy, Remocon (14f:4.2m))

3 шт7490 руб.
5467320-93J40-000

Тросик дистанционного управления (16f: 4.8m) - Cable Assy, Remocon (16f:48m) (Cable, remocon 16f (4.8m); Opt ) (Cable Assy, Remocon (16f:4.8m))

под заказ8020 руб.
5467320-93J50-000

Тросик дистанционного управления (18f: 5.4m) - Cable Assy, Remocon (18f:54m) (Cable, remocon 18f (5.4m); Opt ) (Cable Assy, Remocon (18f:5.4m))

под заказ8600 руб.
5467320-93J60-000

Тросик дистанционного управления (20f: 6.1m) - Cable Assy, Remocon (20f:61m) (Cable, remocon 20f (6.0m); Opt ) (Cable Assy, Remocon (20f:6.1m))

под заказ9170 руб.
5467320-93J70-000

Тросик дистанционного управления (22f: 6.7m) - Cable Assy, Remocon (22f:67m) (Cable, remocon 22f (6.7m); Opt ) (Cable Assy, Remocon (22f:6.7m))

под заказ9750 руб.
5467320-93J80-000

Тросик дистанционного управления (24f: 7.3m) - Cable Assy, Remocon (24f:73m) (Cable, remocon 24f (7.3m); Opt ) (Cable Assy, Remocon (24f:7.3m))

под заказ10320 руб.


Время выполнения запроса 2.42103099823 сек.

 
 

данный сайт носит информационный характер и не является публичной офертой

склад запчастей для водомоторной техники