Комплектующие на подвесной двигатель Сузуки модель года - Cylinder head
вконтакте

Контактный телефон: +7 (981) 121-46-93, +7 (800) 200-90-76 , Email: parts-katalog@yandex.ru, где купить

 
 

  Логин:

Пароль:

Регистрация

www.partskatalog.ru Все каталоги Запчасти Mercury Запчасти Suzuki Запчасти Tohatsu Запчасти Honda Контакты



УВАЖАЕМЫЕ КЛИЕНТЫ!
C 19 ДЕКАБРЯ 2025 ПО 02 МАРТА 2026 ГОДА ОТДЕЛ ЗАПЧАСТЕЙ И СЕРВИС РАБОТАТЬ НЕ БУДУТ
ПРОДАЖА ЛОДОЧНЫХ МОТОРОВ В ШТАТНОМ РЕЖИМЕ
ОБ ИЗМЕНЕНИЯХ В ГРАФИКЕ РАБОТЫ ЧИТАЙТЕ НА САЙТА



Раздел:   вперёд

Вернуться к выбору узлов мотора


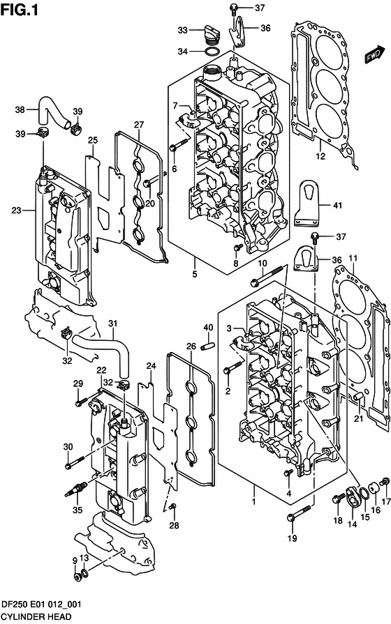
ДЕТАЛИРОВКА ДЛЯ МОДЕЛИ: SUZUKI DF250T FROM 25003F-210001~ (E01,E40)

Головка блока цилиндра


Номер на
рисунке
АртикулНаименованиеQTYКол-во
на складе
Цена
111101-93J12-000

Головка блока цилиндра (правая) - Head Assy, Cylinder Stbd (Head Assy, Cylinder Stbd)

под заказ221280 руб.
111101-93J20-000

   (актуальный код замены) Головка блока цилиндра (правая) - Head Assy, Cylinder Stbd

под заказ221280 руб.
111101-93J13-000

Головка блока цилиндра (правая) - Head Assy, Cylinder Stbd (Head Assy, Cylinder Stbd)

под заказ221280 руб.
111101-93J20-000

   (актуальный код замены) Головка блока цилиндра (правая) - Head Assy, Cylinder Stbd

под заказ221280 руб.
211128-90J00-000

Болт распредвала Корпус (6x39) - Bolt, Camshaft Housing (6x39) (Bolt, Camshaft Housing (6x39))

под заказ260 руб.
309206-08001-000

Штифт (8x11) - Pin (8x11) (Pin (8x11))

9 шт130 руб.
401550-06207-000

Болт - Bolt (Bolt)

17 шт220 руб.
511103-93J12-000

Головка блока цилиндра (левая) - Head Assy, Cylinder Port (Head Assy, Cylinder Port)

под заказ221280 руб.
511103-93J20-000

   (актуальный код замены) Головка блока цилиндра (левая) - Head Assy, Cylinder Port

под заказ221280 руб.
511103-93J13-000

Головка блока цилиндра (левая) - Head Assy, Cylinder Port (Head Assy, Cylinder Port)

под заказ221280 руб.
511103-93J20-000

   (актуальный код замены) Головка блока цилиндра (левая) - Head Assy, Cylinder Port

под заказ221280 руб.
611128-90J00-000

Болт распредвала Корпус (6x39) - Bolt, Camshaft Housing (6x39) (Bolt, Camshaft Housing (6x39))

под заказ260 руб.
709206-08001-000

Штифт (8x11) - Pin (8x11) (Pin (8x11))

9 шт130 руб.
801550-06207-000

Болт - Bolt (Bolt)

17 шт220 руб.
911116-93J01-000

Заглушка - Plug (Plug)

под заказ350 руб.
1011119-93J00-000

Болты головки цилиндра - Bolt, Cylinder Head (Bolt, Cylinder Head)

под заказ680 руб.
1111141-93J10-000

Прокладка правой головки блока цилиндра - Gasket, Cylinder Head Stbd (Gasket, Cylinder Head Stbd)

11 шт8210 руб.
1211142-93J10-000

Прокладка левой головки блока цилиндра - Gasket, Cylinder Head Port (Gasket, Cylinder Head Port)

10 шт8210 руб.
1309168-16009-000

Прокладка (16x22x0.8) - Gasket (16x22x08) (Gasket (16x22x0.8))

под заказ190 руб.
1411261-93J00-000

Крышка защитного анода - Cover, Protection Anode (Cover, Protection Anode)

под заказ1600 руб.
1509280-22019-000

Уплотнительное кольцо (d: 1.9, Id: 21.8) - O Ring (d:19, Id:218) (O Ring (d:1.9, Id:21.8))

16 шт210 руб.
15SK09280-22019

   (не оригинальный аналог) Кольцо уплотнительное головки блока цилиндров Skipper для Suzuki Модели техники: 4-stroke 8-350HP

0 шт64 руб.
1655321-87J00-000

Защитный анод - Anode, Protection (Anode, Protection)

1 шт750 руб.
1655321-87J01-000

   (актуальный код замены) Защитный анод - Anode, Protection

под заказ850 руб.
16SMO-55321-87J01-000

   (не оригинальный аналог) Защитный анод SMO-55321-87J01-000 (оригинал)

под заказ590 руб.
16SMO-55321-87J01-000

  (аналог) Защитный анод SMO-55321-87J01-000 (оригинал) - код 55321-87J01-000

 под заказ шт585 руб.
1655321-87J01-000

Защитный анод - Anode, Protection (Anode, Protection)

под заказ850 руб.
16SMO-55321-87J01-000

  (аналог) Защитный анод SMO-55321-87J01-000 (оригинал) - код 55321-87J01-000

 под заказ шт585 руб.
1709103-06281-000

Болт (6x14) - Bolt (6x14) (Bolt, protection anode ) (Bolt (6x14))

6 шт270 руб.
1801550-08207-000

Болт - Bolt (Bolt)

10 шт240 руб.
1901550-08607-000

Болт - Bolt (Bolt, throttle body # STBD ) (Bolt)

под заказ290 руб.
2001550-08607-000

Болт - Bolt (Bolt, throttle body # PORT ) (Bolt)

под заказ290 руб.
2109206-14004-000

Штифт (14x11.4x23) - Pin (14x114x23) (Pin (14x11.4x23))

под заказ360 руб.
2211170-93J01-000

Крышка головки цилиндра (правая) - Cover, Cylinder Head Stbd (Cover, Cylinder Head Stbd)

под заказ29760 руб.
2311180-93J02-000

Крышка головки цилиндра (левая) - Cover, Cylinder Head Port (Cover, Cylinder Head Port)

под заказ29760 руб.
2411173-93J00-000

Пластина правого сапуна - Plate, Breather Stbd (Plate, Breather Stbd)

под заказ760 руб.
2511183-93J00-000

Пластина левого сапуна - Plate, Breather Port (Plate, Breather Port)

под заказ760 руб.
2611179-93J00-000

Прокладка правой крышки головки блока цилиндра - Gasket, Cyl Head Cover Stbd (Gasket, Cyl Head Cover Stbd)

2 шт2630 руб.
2711189-93J00-000

Прокладка левой крышки головки блока цилиндра - Gasket, Cyl Head Cover Port (Gasket, Cyl Head Cover Port)

2 шт2630 руб.
2802112-0612A-000

Винт - Screw (Screw)

под заказ120 руб.
2901547-06257-000

Болт - Bolt (Bolt)

под заказ160 руб.
3001547-06507-000

Болт - Bolt (Bolt, cyl head cover no.2 ) (Bolt)

под заказ180 руб.
3111174-93J00-000

Шланг сапуна - Hose, Breather (Hose, Breather)

под заказ1040 руб.
3209401-18410-000

Зажим - Clip (Clip)

под заказ320 руб.
3311382-93J00-000

Колпачок масляного фильтра - Cap, Oil Filler (Cap, Oil Filler)

6 шт630 руб.
3409280-26006-000

Уплотнительное кольцо (d: 3.1, Id: 26.4) - O Ring (d:31, Id:264) (O Ring (d:3.1, Id:26.4))

2 шт220 руб.
3509482-00427-000

Свеча зажигания (ngk Bkr6e) - Plug, Spark (ngk Bkr6e) (Plug, Spark (ngk Bkr6e))

128 шт920 руб.
3611291-93J00-000

Крюк двигателя - Hook, Engine (Hook, Engine)

под заказ1090 руб.
3701550-08207-000

Болт - Bolt (Bolt)

10 шт240 руб.
3811184-93J00-000

Шланг левого сапуна - Hose, Breather Port (Hose, Breather Port)

под заказ1010 руб.
3909401-18410-000

Зажим - Clip (Clip)

под заказ320 руб.
4011115-93J10-001

Направляющая клапана (os) - Guide, Valve (os) (OPT ) (Guide, Valve (os))

24 шт3200 руб.
4111291-98J00-000

Крюк двигателя - Hook, Engine (OPT ) (Hook, Engine)

под заказ1430 руб.


Время выполнения запроса 1.3223631381989 сек.

 
 

данный сайт носит информационный характер и не является публичной офертой

склад запчастей для водомоторной техники