Подобрать оригинальные запчасти на подвесной мотор Suzuki - Цилиндр трима transom / Trim cylinder transom
вконтакте

Контактный телефон: +7 (981) 121-46-93, +7 (800) 200-90-76 , Email: parts-katalog@yandex.ru, где купить

 
 

  Логин:

Пароль:

Регистрация

www.partskatalog.ru Все каталоги Запчасти Mercury Запчасти Suzuki Запчасти Tohatsu Запчасти Honda Контакты



УВАЖАЕМЫЕ КЛИЕНТЫ!
C 19 ДЕКАБРЯ 2025 ПО 02 МАРТА 2026 ГОДА ОТДЕЛ ЗАПЧАСТЕЙ И СЕРВИС РАБОТАТЬ НЕ БУДУТ
ПРОДАЖА ЛОДОЧНЫХ МОТОРОВ В ШТАТНОМ РЕЖИМЕ
ОБ ИЗМЕНЕНИЯХ В ГРАФИКЕ РАБОТЫ ЧИТАЙТЕ НА САЙТА



назад Раздел:   вперёд

Вернуться к выбору узлов мотора


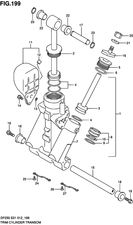
ДЕТАЛИРОВКА ДЛЯ МОДЕЛИ: SUZUKI DF250T FROM 25003F-210001~ (E01,E40)

Цилиндр трима transom


Номер на
рисунке
АртикулНаименованиеQTYКол-во
на складе
Цена
148503-93J11-000

Поршни гидроподъема в сборе - Manifold Sub Assy (Manifold Sub Assy)

под заказ359040 руб.
148503-93J13-000

   (актуальный код замены) Поршни гидроподъема в сборе - Manifold Sub Assy

под заказ359040 руб.
148503-93J12-000

Поршни гидроподъема в сборе - Manifold Sub Assy (Manifold Sub Assy)

под заказ359040 руб.
148503-93J13-000

   (актуальный код замены) Поршни гидроподъема в сборе - Manifold Sub Assy

под заказ359040 руб.
248401-93J10-000

Поршень в сборе - Piston Assy (Piston Assy)

под заказ38160 руб.
248401-93J11-000

   (актуальный код замены) Поршень в сборе - Piston Assy

под заказ38160 руб.
348601-94900-000

Поршень / ram в сборе - Piston/ram Assy (Piston/ram Assy)

под заказ21270 руб.
448627-95E00-000

Набор уплотнительных колец - O Ring Set (O Ring Set)

19 шт930 руб.
548630-96J02-000

Головка цилиндра подъемника - Head, Trim Cylinder (Head, Trim Cylinder)

под заказ11330 руб.
548630-96J04-000

   (актуальный код замены) Головка цилиндра подъемника - Head, Trim Cylinder

6 шт13690 руб.
548630-96J03-000

Головка цилиндра подъемника - Head, Trim Cylinder (Head, Trim Cylinder)

под заказ11330 руб.
548630-96J04-000

   (актуальный код замены) Головка цилиндра подъемника - Head, Trim Cylinder

6 шт13690 руб.
648633-94900-000

Набор уплотнительных колец головки - O Ring Set, Head (O Ring Set, Head)

94 шт680 руб.
748641-96J01-000

Коллектор гидроподъема - Manifold, Ptt (Manifold, Ptt)

под заказ107520 руб.
748641-96J03-000

   (актуальный код замены) Коллектор гидроподъема - Manifold, Ptt

под заказ107520 руб.
748641-96J02-000

Коллектор гидроподъема - Manifold, Ptt (Manifold, Ptt)

под заказ107520 руб.
748641-96J03-000

   (актуальный код замены) Коллектор гидроподъема - Manifold, Ptt

под заказ107520 руб.
848650-94900-000

Освободитель поршня - Piston, Free (Piston, Free)

4 шт7780 руб.
948405-87D00-000

Набор уплотнительных колец - O Ring Set (O ring ) (O Ring Set)

11 шт780 руб.
1048615-97E00-000

Поршневые кольца - Ring Set, Piston (Ring set, piston ) (Ring Set, Piston)

7 шт1170 руб.
1148570-95E01-000

Резервуар в сборе - Reservoir Assy (Reservoir Assy)

2 шт17580 руб.
1248572-95E00-000

Колпачок - Cap (Cap)

5 шт2090 руб.
1348588-94900-000

Набор уплотнительных колец - O Ring Set (O Ring Set)

9 шт490 руб.
1448861-92J00-000

Болт резервуара - Bolt, Reservoir (Bolt, Reservoir)

под заказ910 руб.
1448861-92J01-000

   (актуальный код замены) Болт резервуара - Bolt, Reservoir

под заказ910 руб.
1448861-92J01-000

Болт резервуара - Bolt, Reservoir (Bolt, Reservoir)

под заказ910 руб.
1548121-92J00-000

Вал наклона Цилиндр Lwr - Shaft, Tilt Cylinder Lwr (Shaft, tilt cylinder lower ) (Shaft, Tilt Cylinder Lwr)

под заказ8500 руб.
1648311-96J00-000

Накладка цилиндра подъемника - Pad, Trim Cylinder Ram (Pad, Trim Cylinder Ram)

под заказ3580 руб.
1648311-96J10-000

   (актуальный код замены) Накладка цилиндра подъемника - Pad, Trim Cylinder Ram

под заказ3580 руб.
1648311-96J10-000

Накладка цилиндра подъемника - Pad, Trim Cylinder Ram (Pad, Trim Cylinder Ram)

под заказ3580 руб.
1748321-87D03-000

Вал наклона Цилиндр вышеr - Shaft, Tilt Cylinder Upr (Shaft, Tilt Cylinder Upr)

1 шт2840 руб.
1848326-95E00-000

Втулка, Цилиндр наклона Lwr - Bush, Tilt Cylinder Lwr (Bush, tilt cylinder ) (Bush, Tilt Cylinder Lwr)

13 шт520 руб.
1909116-10131-000

Болт (10x35) - Bolt (10x35) (Bolt (10x35))

под заказ1000 руб.
1909116-10179-000

   (актуальный код замены) Болт (10x35) - Bolt (10x35)

под заказ1000 руб.
1909116-10179-000

Болт (10x35) - Bolt (10x35) (Bolt (10x35))

под заказ1000 руб.
1909116-10179-000

Болт (10x35) - Bolt (10x35) (Bolt (10x35))

под заказ1000 руб.
2029141-93J20-000

Гайка - Nut (Nut, trim cyl ram (m10) ) (Nut)

под заказ160 руб.
2009140-10031-000

   (актуальный код замены) Гайка - Nut

10 шт160 руб.
2109162-10005-000

Шайба с блокировкой - Washer, Lock (Lock washer ) (Washer, Lock)

под заказ130 руб.
2209306-17001-000

Втулка - Bush (Bush)

8 шт290 руб.
2309380-17009-000

Стопорное кольцо - Circlip (Circlip)

8 шт220 руб.
2436894-87D00-000

Lead (l: 165) - Lead (l:165) (Lead (l:165))

2 шт1350 руб.
2509125-06063-000

Винт (6x10) - Screw (6x10) (Screw (6x10))

6 шт190 руб.
2629125-93J10-000

Винт - Screw (Screw (5x8) ) (Screw)

под заказ150 руб.
2609125-05050-000

   (актуальный код замены) Винт (5x8) - Screw (5x8)

под заказ150 руб.
2736895-87D10-000

Lead (l: 310) - Lead (l:310) (Lead (swivel to hsg) ) (Lead (l:310))

2 шт1300 руб.


Время выполнения запроса 2.4146070480347 сек.

 
 

данный сайт носит информационный характер и не является публичной офертой

склад запчастей для водомоторной техники