Подобрать оригинальные запчасти на подвесной двигатель Suzuki модель года - Drive shaft housing transom - Корпус вала передачи transom
вконтакте

Контактный телефон: +7 (981) 121-46-93, +7 (800) 200-90-76 , Email: parts-katalog@yandex.ru, где купить

 
 

  Логин:

Пароль:

Регистрация

www.partskatalog.ru Все каталоги Запчасти Mercury Запчасти Suzuki Запчасти Tohatsu Запчасти Honda Контакты

назад Раздел:   вперёд

Вернуться к выбору узлов мотора


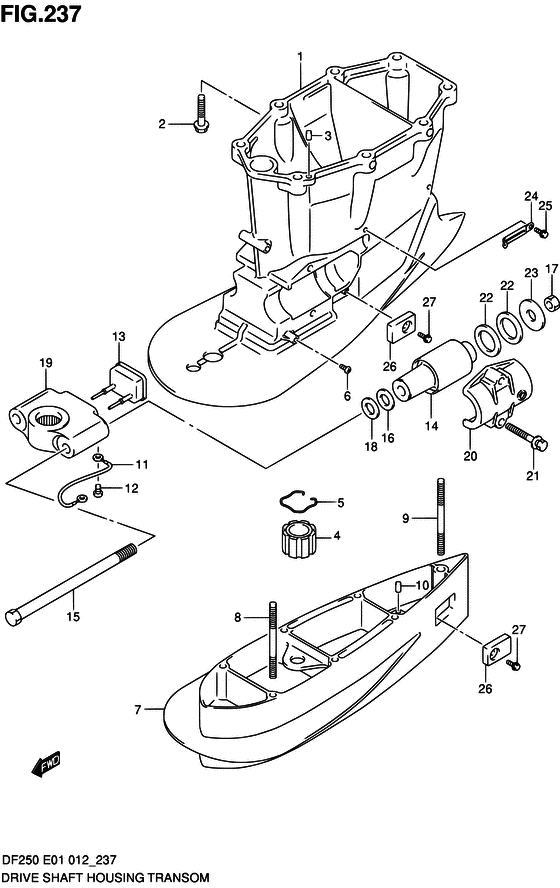
ДЕТАЛИРОВКА ДЛЯ МОДЕЛИ: SUZUKI DF250T FROM 25003F-210001~ (E01,E40)

Корпус вала передачи transom


Номер на
рисунке
АртикулНаименованиеQTYКол-во
на складе
Цена
152111-93J11-0EP

Корпус вала передачи (черный цвет) - Housing, Drive Shaft (black) (Housing, Drive Shaft (black))

под заказ137760 руб.
209116-10176-000

Болт (10x44) - Bolt (10x44) (Bolt (10x44))

4 шт760 руб.
309202-08006-000

Штифт (8x12) - Pin (8x12) (Pin, knock ) (Pin (8x12))

под заказ280 руб.
457130-87D10-000

Втулка вала передачи - Bush, Drive Shaft (Bush, Drive Shaft)

под заказ3820 руб.
509387-38002-000

Кольцо - Ring (Ring, drive shaft bush snap ) (Ring)

12 шт770 руб.
609125-06063-000

Винт (6x10) - Screw (6x10) (Screw (6x10))

6 шт190 руб.
752131-93J00-0EP

Удлинитель копуса (xx) - Case, Extension (xx) (W/TRANSOM (XX) ) (Case, Extension (xx))

под заказ119520 руб.
809108-10115-000

Болт под шпильку - Bolt, Stud (Bolt, extension case stud no.1 # W/TRANSOM (XX) ) (Bolt, Stud)

под заказ1850 руб.
909108-12013-000

Болт под шпильку - Bolt, Stud (W/TRANSOM (XX) ) (Bolt, Stud)

под заказ3030 руб.
1009202-08006-000

Штифт (8x12) - Pin (8x12) (Pin, knock # W/TRANSOM (XX) ) (Pin (8x12))

под заказ280 руб.
1136894-87D00-000

Lead (l: 165) - Lead (l:165) (Lead (l:165))

2 шт1350 руб.
1209125-06063-000

Винт (6x10) - Screw (6x10) (Screw (6x10))

6 шт190 руб.
1354151-93J00-000

Крепление нижнего упора - Mount, Lwr Thrust (Mount, Lwr Thrust)

под заказ970 руб.
1354151-93J01-000

   (актуальный код замены) Крепление нижнего упора - Mount, Lwr Thrust

под заказ970 руб.
1454160-93J01-000

Крепление, Lwr - Mount, Lwr (Mount, Lwr)

под заказ10320 руб.
1509100-14004-000

Болт (14x220) - Bolt (14x220) (Bolt, lower mount (14x220) ) (Bolt (14x220))

под заказ8160 руб.
1554112-93J00-000

   (актуальный код замены) Крепежный болт - Bolt, Mount

2 шт8160 руб.
1609160-16050-000

Шайба (16x32x3) - Washer (16x32x3) (Washer, lower mount (16x32x3) ) (Washer (16x32x3))

под заказ250 руб.
1709159-14026-000

Гайка - Nut (Nut, upper mount bolt (m14) ) (Nut)

под заказ1410 руб.
1729159-93J00-000

   (актуальный код замены) Гайка (m14) - Nut (m14)

2 шт1410 руб.
1809160-16050-000

Шайба (16x32x3) - Washer (16x32x3) (Washer, lower mount (16x32x3) ) (Washer (16x32x3))

под заказ250 руб.
1954211-93J00-000

Нижний кронштейн Крепление - Bracket, Lower Mount (Bracket, Lower Mount)

под заказ21030 руб.
1954211-93J00-0EP

   (актуальный код замены) Нижний кронштейн Крепление - Bracket, Lower Mount

под заказ21030 руб.
1954211-93J00-0EP

Нижний кронштейн Крепление - Bracket, Lower Mount (Bracket, Lower Mount)

под заказ21030 руб.
2054221-93J00-000

Крышка нижней опоры - Cover, Lower Mount (Cover, Lower Mount)

под заказ6240 руб.
2054221-93J00-0EP

Крышка нижней опоры - Cover, Lower Mount (Cover, Lower Mount)

под заказ9120 руб.
2109116-10175-000

Болт (10x50) - Bolt (10x50) (Bolt (10x50))

под заказ680 руб.
2254165-98J00-000

Стопор обратной нижней тяги - Stopper, Lwr Thrust Reverse (Damper, reverse stopper lower ) (Stopper, Lwr Thrust Reverse)

под заказ760 руб.
2254165-98J01-000

   (актуальный код замены) Стопор обратной нижней тяги - Stopper, Lwr Thrust Reverse

под заказ760 руб.
2309160-14066-000

Шайба (14x50x4) - Washer (14x50x4) (Washer (14x50x4))

под заказ970 руб.
2429404-93J10-000

Струбцина - Clamp (Clamp)

под заказ190 руб.
2429404-93J11-000

   (актуальный код замены) Струбцина - Clamp

под заказ190 руб.
2529103-93J00-000

Болт - Bolt (Bolt, ptt cable clip bracket (6x12) ) (Bolt)

10 шт240 руб.
2655321-93J00-000

Защитный анод - Anode, Protection (W/TRANSOM (X)) (Anode, Protection)

под заказ1770 руб.
2655321-93J01-000

   (актуальный код замены) Защитный анод - Anode, Protection

4 шт1770 руб.
2655321-93J01-000

Защитный анод - Anode, Protection (Anode, Protection)

4 шт1770 руб.
2709116-06094-000

Болт (6x15) - Bolt (6x15) (W/TRANSOM (X) ) (Bolt (6x15))

20 шт270 руб.


Время выполнения запроса 1.0016589164734 сек.

 
 

данный сайт носит информационный характер и не является публичной офертой

склад запчастей для водомоторной техники