| |
 |
|
 |
Вернуться к выбору узлов мотора
ДЕТАЛИРОВКА ДЛЯ МОДЕЛИ: SUZUKI DF250Z FROM 25003Z-210001~ (E01,E40)
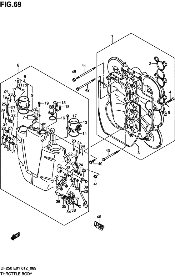
Дроссель газа
Код модели двигателя: DF250(Z)TX/XX; DF250W(Z)TX/XX
Год выпуска двигателя: 2012
Регион: General Export No.1/Costa Rica ,Код региона: P01/P40
Цвет: Shadow Black Metallic
Номер на рисунке | Артикул | Наименование | QTY | Кол-во на складе | Цена |
| 1 | 13130-93J30-000 | Коллектор - Collector (Collector) | | под заказ | 141600 руб. |
| 1 | 13130-93J31-000 | (актуальный код замены) Коллектор Comp - Collector Comp | | под заказ | 141600 руб. |
| 2 | 13139-93J00-000 | Прокладка, Коллектор - Gasket, Collector (Gasket, Collector) | | под заказ | 3920 руб. |
| 3 | 13147-93J00-000 | Прокладка крышки коллектора - Gasket, Collector Cover (Gasket, Collector Cover) | | под заказ | 3770 руб. |
| 4 | 13138-93J00-000 | Болт, Коллектор - Bolt, Collector (Bolt, Collector) | | под заказ | 1690 руб. |
| 5 | 08322-01087-000 | Шайба - Washer (Lock washer ) (Washer) | | под заказ | 140 руб. |
| 6 | 13140-93J12-000 | Крышка коллектора - Cover, Collector (Cover, Collector) | | под заказ | 188640 руб. |
| 6 | 13140-93J13-000 | (актуальный код замены) Крышка коллектора - Cover, Collector | | под заказ | 188640 руб. |
| 6 | 13140-93J13-000 | Крышка коллектора - Cover, Collector (Cover, Collector) | | под заказ | 188640 руб. |
| 7 | 18590-68H00-000 | Датчик давления - Sensor, Pressure (Sensor, pressure ) (Sensor, Pressure) | | 1 шт | 28560 руб. |
| 8 | 13310-93J01-000 | Корпус дросселя №1 - Body Assy, Throttle No1 (Body Assy, Throttle No.1) | | под заказ | 41760 руб. |
| 8 | 13310-93J02-000 | (актуальный код замены) Корпус дросселя №1 - Body Assy, Throttle No.1 | | под заказ | 41760 руб. |
| 9 | 13312-93J00-000 | Шланг перепуска воздуха - Hose, Bypass Air (Hose, Bypass Air) | | под заказ | 480 руб. |
| 10 | 13279-10G00-000 | Винт, Adjust - Screw, Adjust (Screw, Adjust) | | под заказ | 730 руб. |
| 11 | 13355-93J00-000 | Пружина перепуска воздуха - Spring, Bypass Air (Spring, Bypass Air) | | под заказ | 230 руб. |
| 12 | 13295-10G00-000 | Уплотнительное кольцо - O Ring (O Ring) | | под заказ | 250 руб. |
| 13 | 13320-93J00-000 | Корпус дросселя №2 - Body Assy, Throttle No2 (Body Assy, Throttle No.2) | | под заказ | 41760 руб. |
| 14 | 13421-93J00-000 | Прокладка корпуса дросселя - Gasket, Throttle Body (Gasket, Throttle Body) | | 1 шт | 680 руб. |
| 15 | 18137-52D00-000 | Клапан холостого хода (IAC) - Valve, Iac (Valve, Iac) | | 2 шт | 45600 руб. |
| 16 | 09280-29006-000 | Уплотнительное кольцо (d: 2, Id: 29.5) - O Ring (d:2, Id:295) (O Ring (d:2, Id:29.5)) | | под заказ | 400 руб. |
| 16 | 09280-29008-000 | (актуальный код замены) Уплотнительное кольцо (d: 2, Id: 29.5) - O Ring (d:2, Id:29.5) | | 10 шт | 400 руб. |
| 17 | 01547-06257-000 | Болт - Bolt (Bolt) | | под заказ | 160 руб. |
| 18 | 02112-3416B-000 | Винт - Screw (Screw) | | под заказ | 170 руб. |
| 19 | 02162-0520B-000 | Винт - Screw (Screw) | | под заказ | 160 руб. |
| 20 | 13144-93J00-000 | Защита барабана дросселя - Guard, Throttle Drum (Guard, Throttle Drum) | | под заказ | 1950 руб. |
| 21 | 13583-93J00-000 | Рычаг тяги - Arm, Link (Arm, Link) | | под заказ | 2980 руб. |
| 22 | 13583-93J00-000 | Рычаг тяги - Arm, Link (Arm, Link) | | под заказ | 2980 руб. |
| 23 | 13555-93J00-000 | Пыльник, Соединитель - Grommet, Link (Grommet, Link) | | под заказ | 350 руб. |
| 24 | 13537-93J00-000 | Шайба, Соединитель - Washer, Link (Washer, Link) | | под заказ | 230 руб. |
| 25 | 09204-01004-000 | Штифт - Pin (Pin, cotter ) (Pin) | | под заказ | 130 руб. |
| 26 | 13553-93J00-000 | Рычаг, №1 - Lever, No1 (Lever, No.1) | | под заказ | 2790 руб. |
| 27 | 13554-93J00-000 | Рычаг, №2 - Lever, No2 (Lever, No.2) | | под заказ | 730 руб. |
| 28 | 02112-35087-000 | Винт - Screw (Screw) | | под заказ | 170 руб. |
| 29 | 09160-05043-000 | Шайба (5.5x16x1.2) - Washer (55x16x12) (Washer, 5.5x16x1.20 ) (Washer (5.5x16x1.2)) | | под заказ | 170 руб. |
| 30 | 13521-93J00-000 | Рычаг, Соединитель - Lever, Link (Lever, Link) | | под заказ | 4660 руб. |
| 31 | 13514-93J00-000 | Проставка, Соединитель Вал - Spacer, Link Shaft (Spacer, Link Shaft) | | под заказ | 1090 руб. |
| 32 | 13599-93J00-000 | Гайка, Соединитель Вал - Nut, Link Shaft (Nut, Link Shaft) | | под заказ | 730 руб. |
| 33 | 13538-93J00-000 | Шайба пружины тяги вала - Washer, Link Shaft Spring (Washer, Link Shaft Spring) | | под заказ | 280 руб. |
| 34 | 13541-93J00-000 | Кулачок дросселя - Cam, Throttle (Cam, Throttle) | | под заказ | 3530 руб. |
| 35 | 13542-93J00-000 | Пружина кулачка дросселя - Spring, Throttle Cam (Spring, Throttle Cam) | | под заказ | 760 руб. |
| 36 | 13543-93J00-000 | Проставка кулачка дросселя - Spacer, Throttle Cam (Spacer, Throttle Cam) | | под заказ | 1660 руб. |
| 37 | 01500-06307-000 | Болт - Bolt (Bolt) | | под заказ | 190 руб. |
| 38 | 09160-06036-000 | Шайба (6.5x18x1.5) - Washer (65x18x15) (Washer, 6.5x18x1.5 ) (Washer (6.5x18x1.5)) | | под заказ | 150 руб. |
| 39 | 01550-06167-000 | Болт - Bolt (Bolt) | | 9 шт | 210 руб. |
| 40 | 01550-08307-000 | Болт - Bolt (Bolt) | | 21 шт | 320 руб. |
| 41 | 08316-10087-000 | Гайка - Nut (Nut) | | 14 шт | 170 руб. |
| 42 | 09103-08182-000 | Болт (8x125) - Bolt (8x125) (Bolt, collector no.2 ) (Bolt (8x125)) | | под заказ | 340 руб. |
| 43 | 09103-08134-000 | Болт (8x110) - Bolt (8x110) (Bolt, collector no.1 ) (Bolt (8x110)) | | под заказ | 210 руб. |
| 44 | 09108-08267-000 | Болт под шпильку - Bolt, Stud (Bolt, Stud) | | под заказ | 320 руб. |
| 45 | 08316-1008A-000 | Гайка - Nut (Nut, idle gear shaft ) (Nut) | | под заказ | 170 руб. |
| 46 | 61436-93J00-000 | Маркировка, Эмблема V6 - Mark, Emblem V6 (Mark, Emblem V6) | | под заказ | 1130 руб. |
| 46 | 61436-93J01-000 | (актуальный код замены) Маркировка, Эмблема V6 - Mark, Emblem V6 | | под заказ | 1130 руб. |
Время выполнения запроса 2.7810459136963 сек. |
|