| |
 |
|
 |
Вернуться к выбору узлов мотора
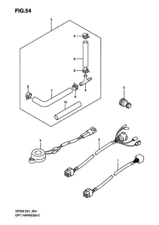
ДЕТАЛИРОВКА ДЛЯ МОДЕЛИ: SUZUKI DF250T K6
Опции: жгут проводов
Год выпуска двигателя: 2006
Номер на рисунке | Артикул | Наименование | QTY | Кол-во на складе | Цена |
| 1 | 36620-93J10-000 | Удлинитель провода дистанционного управления (l: 2000) - Wire Assy, Remocon Ext (l:2000) (L:2000 ) (Wire Assy, Remocon Ext (l:2000)) | | под заказ | 12390 руб. |
| 1 | 36620-93J12-000 | (актуальный код замены) Удлинитель провода дистанционного управления (l: 2000) - Wire Assy, Remocon Ext (l:2000) | | под заказ | 13480 руб. |
| 1 | 36620-93J40-000 | Удлинитель провода дистанционного управления (l: 3000) - Wire Assy, Remocon Ext (l:3000) (L:3000 ) (Wire Assy, Remocon Ext (l:3000)) | | под заказ | 15030 руб. |
| 1 | 36620-93J42-000 | (актуальный код замены) Удлинитель провода дистанционного управления - Wire Assy, Remote Control Ext | | под заказ | 15030 руб. |
| 2 | 36620-93J30-000 | Кабель дистанционного управления (l: 2000) - Wire Assy, Remocon (l:2000) (Wire Assy, Remocon (l:2000)) | | под заказ | 13010 руб. |
| 2 | 36620-93J32-000 | (актуальный код замены) Кабель дистанционного управления (l: 2000) - Wire Assy, Remocon (l:2000) | | под заказ | 13010 руб. |
| 3 | 17917-87L00-000 | Коннектор для промывки водой - Connector, Flush Water (Connector, Flush Water) | | 2 шт | 870 руб. |
| 4 | 38500-93J00-000 | Предупреждающий зуммер, в сборе - Buzzer Assy, Warning (Buzzer assy, warning ) (Buzzer Assy, Warning) | | под заказ | 3890 руб. |
| 4 | 38500-93J90-000 | (актуальный код замены) Предупреждающий зуммер - Buzzer, Warning | | под заказ | 3890 руб. |
| 5 | 34660-93J00-000 | Измеритель давления воды, установочный комплект - Kit, Water Press Gauge (Kit, Water Press Gauge) | | под заказ | 2480 руб. |
| 5 | 34660-93J02-000 | (актуальный код замены) Измеритель давления воды, установочный комплект Sub - Kit, Water Press Gauge Sub | | под заказ | 2480 руб. |
| 6 | 09352-50903-600 | Шланг (5x9x600) - Hose (5x9x600) (L:600->110 ) (Hose (5x9x600)) | | под заказ | 570 руб. |
| 6 | 09352-50006-600 | (актуальный код замены) Шланг (5x9x600) - Hose (5x9x600) | | 1 шт | 570 руб. |
| 7 | 09352-50903-00B | Шланг (5x9x2000) - Hose (5x9x2000) (Hose, water (cooler to holder) # L:2000->750 ) (Hose (5x9x2000)) | | под заказ | 1670 руб. |
| 7 | 09352-50006-00B | (актуальный код замены) Шланг (5x9x2000) - Hose (5x9x2000) | | под заказ | 1670 руб. |
| 8 | 09367-06006-000 | Тройник - 3 Way (3 Way) | | под заказ | 300 руб. |
| 9 | 09401-08413-000 | Зажим - Clip (Clip) | | под заказ | 190 руб. |
| 10 | 18498-87JC0-000 | Защита шланга (9.5x11.5x450) - Protector, Hose (95x115x450) (Protector, evap hose (9.5x11.5x450) # L:450->390 ) (Protector, Hose (9.5x11.5x450)) | | 1 шт | 650 руб. |
| 10 | 18498-87JC1-000 | (актуальный код замены) Защита шланга (9.5x11.5x450) - Protector, Hose (9.5x11.5x450) | | под заказ | 650 руб. |
Время выполнения запроса 7.3228559494019 сек. |
|