| |
 |
|
 |
Вернуться к выбору узлов мотора
ДЕТАЛИРОВКА ДЛЯ МОДЕЛИ: SUZUKI DF300AP FROM 30002P-210001~ (E01,E40)
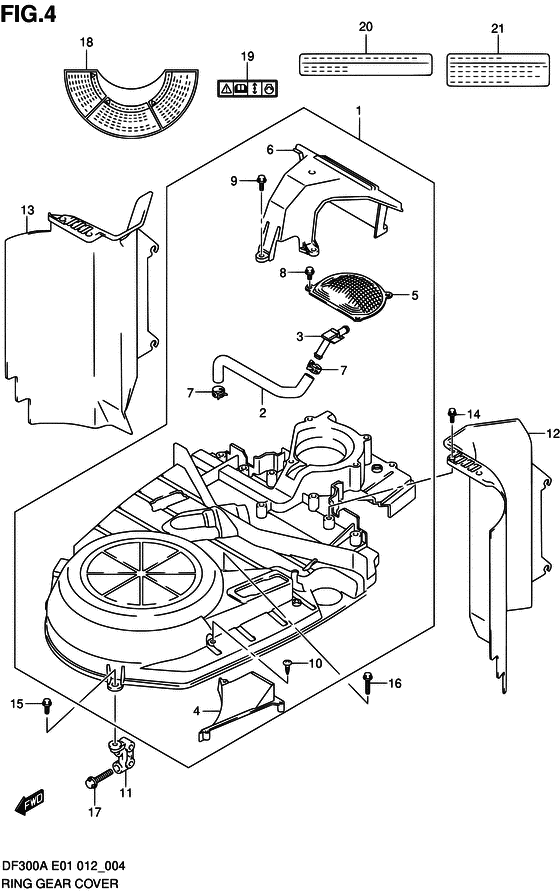
Крышка механизма маховика
Код модели двигателя: DF300APX/XX
Год выпуска двигателя: 2012
Регион: General Export No.1/Costa Rica ,Код региона: P01/P40
Цвет: Shadow Black Metallic
Номер на рисунке | Артикул | Наименование | QTY | Кол-во на складе | Цена |
| 1 | 11510-98J02-000 | Крышка кольцевой шестерни - Cover, Ring Gear (Cover, Ring Gear) | | под заказ | 28080 руб. |
| 1 | 11510-98J03-000 | (актуальный код замены) Крышка кольцевой шестерни - Cover, Ring Gear | | под заказ | 28080 руб. |
| 2 | 11174-98J00-000 | Шланг сапуна - Hose, Breather (Hose, Breather) | | под заказ | 1480 руб. |
| 2 | 11174-98J01-000 | (актуальный код замены) Шланг сапуна - Hose, Breather | | под заказ | 1480 руб. |
| 3 | 11176-98J00-000 | Соединение, Сапун - Union, Breather (Union, Breather) | | под заказ | 440 руб. |
| 4 | 11514-98J00-000 | Пластина крышки маховика - Plate, Ring Gear Cover (Plate, Ring Gear Cover) | | под заказ | 1740 руб. |
| 5 | 13710-98J00-000 | Пламегаситель - Arrester, Flame (Arrester, Flame) | | под заказ | 2760 руб. |
| 6 | 13811-98J00-000 | Глушитель, вышеr Крышка - Silencer, Upr Cover (Silencer, Upr Cover) | | под заказ | 6390 руб. |
| 7 | 09401-18410-000 | Зажим - Clip (Clip) | | под заказ | 320 руб. |
| 8 | 01550-06127-000 | Болт - Bolt (Bolt, rect ) (Bolt) | | 10 шт | 180 руб. |
| 9 | 01550-06207-000 | Болт - Bolt (Bolt) | | 17 шт | 220 руб. |
| 10 | 11517-98J00-000 | Винт - Screw (Screw) | | под заказ | 220 руб. |
| 11 | 11515-93J00-000 | Скоба крышки механизма маховика - Brace, Ring Gear Cover (Brace, Ring Gear Cover) | | под заказ | 2520 руб. |
| 12 | 13841-98J10-000 | Направляющая правого воздуховода - Guard, Air Duct Stbd (Guard, Air Duct Stbd) | | под заказ | 9890 руб. |
| 13 | 13851-98J10-000 | Направляющая левого воздуховода - Guard, Air Duct Port (Guard, Air Duct Port) | | под заказ | 9890 руб. |
| 14 | 01550-06207-000 | Болт - Bolt (Bolt) | | 17 шт | 220 руб. |
| 15 | 01550-06207-000 | Болт - Bolt (Bolt) | | 17 шт | 220 руб. |
| 16 | 01550-06407-000 | Болт - Bolt (Bolt) | | 4 шт | 210 руб. |
| 17 | 01550-08357-000 | Болт - Bolt (Bolt) | | под заказ | 260 руб. |
| 18 | 61472-93E32-000 | Наклейки, Recoil, Стартер - Label, Recoil, Starter (Label, Recoil, Starter) | | под заказ | 1090 руб. |
| 18 | 61472-93E33-000 | (актуальный код замены) Наклейки, Recoil, Стартер - Label, Recoil, Starter | | под заказ | 1090 руб. |
| 19 | 69711-93E10-000 | Наклейки, S.i.g.p. - Label, Sigp (Label, caution ) (Label, S.i.g.p.) | | под заказ | 500 руб. |
| 19 | 69711-93E11-000 | (актуальный код замены) Наклейки (s.i.g.p.) - Label (s.i.g.p.) | | под заказ | 500 руб. |
| 20 | 61493-93J00-000 | Наклейка - очистка - Label, Clearance (Label, Clearance) | | под заказ | 740 руб. |
| 21 | 61494-96J00-000 | Наклейка - масло - Label, Oil (Label, Oil) | | под заказ | 740 руб. |
Время выполнения запроса 0.67969107627869 сек. |
|