Подобрать запчасти на лодочный мотор Suzuki DF300APX/XX - Harness
вконтакте

Контактный телефон: +7 (981) 121-46-93, +7 (800) 200-90-76 , Email: parts-katalog@yandex.ru, где купить

 
 

  Логин:

Пароль:

Регистрация

www.partskatalog.ru Все каталоги Запчасти Mercury Запчасти Suzuki Запчасти Tohatsu Запчасти Honda Контакты



УВАЖАЕМЫЕ КЛИЕНТЫ!
C 19 ДЕКАБРЯ 2025 ПО 02 МАРТА 2026 ГОДА ОТДЕЛ ЗАПЧАСТЕЙ И СЕРВИС РАБОТАТЬ НЕ БУДУТ
ПРОДАЖА ЛОДОЧНЫХ МОТОРОВ В ШТАТНОМ РЕЖИМЕ
ОБ ИЗМЕНЕНИЯХ В ГРАФИКЕ РАБОТЫ ЧИТАЙТЕ НА САЙТА



назад Раздел:   вперёд

Вернуться к выбору узлов мотора


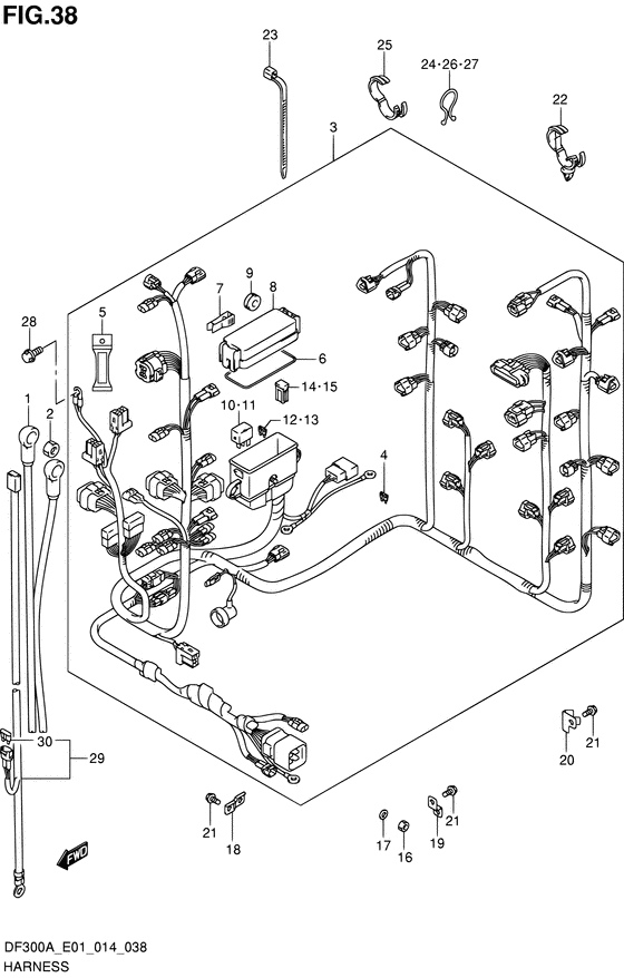
ДЕТАЛИРОВКА ДЛЯ МОДЕЛИ: SUZUKI DF300AP FROM 30002P-410001~ (E01,E40)

Жгут проводов


Код модели двигателя: DF300APX/XX

Год выпуска двигателя: 2014

Регион: General Export No.1/Costa Rica ,Код региона: P01/P40

Цвет: Shadow Black Metallic

Номер на
рисунке
АртикулНаименованиеQTYКол-во
на складе
Цена
133810-93J01-000

Провода двигателя электростартера - Cable Assy, Starter Motor (Cable Assy, Starter Motor)

под заказ34800 руб.
133810-98J01-000

   (актуальный код замены) Провода двигателя электростартера - Cable Assy, Starter Motor

под заказ34800 руб.
133810-98J00-000

Провода двигателя электростартера - Cable Assy, Starter Motor (Cable Assy, Starter Motor)

под заказ34800 руб.
133810-98J01-000

   (актуальный код замены) Провода двигателя электростартера - Cable Assy, Starter Motor

под заказ34800 руб.
208316-10087-000

Гайка - Nut (Nut)

14 шт170 руб.
336610-98J50-000

Жгут проводов, в сборе - Harness Assy, Wiring (Harness Assy, Wiring)

под заказ173760 руб.
336610-98J62-000

   (актуальный код замены) Жгут проводов, в сборе - Harness Assy, Wiring

под заказ173760 руб.
409481-10501-000

Предохранитель (10a) - Fuse (10a) (Fuse (10a))

5 шт250 руб.
536612-98J10-000

Селективный коннектор Клемма - Connector, Select Terminal (Connector, Select Terminal)

под заказ1500 руб.
636721-96J00-000

Уплотнительное кольцо верхней крышки - O Ring, Upr Cover (O ring, upper cover ) (O Ring, Upr Cover)

под заказ1090 руб.
736737-96J00-000

Съемник предохранителя - Puller, Fuse (Puller, Fuse)

под заказ480 руб.
836738-98J00-000

Крышка, Предохранитель Case вышеr - Cover, Fuse Case Upr (Cover, Fuse Case Upr)

под заказ1660 руб.
909320-08021-000

Подушка - Cushion (Cushion, fuse box ) (Cushion)

под заказ190 руб.
909320-08510-000

   (актуальный код замены) Подушка (8.5x20x8) - Cushion (8.5x20x8)

под заказ190 руб.
1038860-76F01-000

Реле в сборе - Relay Assy (Relay, starting motor ) (Relay Assy)

7 шт5000 руб.
1138860-76F01-000

Реле в сборе - Relay Assy (Relay, starting motor ) (Relay Assy)

7 шт5000 руб.
1209481-15501-000

Предохранитель (15a) - Fuse (15a) (Fuse (15a))

под заказ160 руб.
1309481-30501-000

Предохранитель (30a) - Fuse (30a) (Fuse (30a))

8 шт270 руб.
1409481-40401-000

Предохранитель (40a) - Fuse (40a) (Fuse (40a))

8 шт700 руб.
1509481-60401-000

Предохранитель (60a) - Fuse (60a) (Fuse (60a))

14 шт600 руб.
1608310-00067-000

Гайка - Nut (Nut)

под заказ140 руб.
1708321-01067-000

Шайба с блокировкой - Washer, Lock (Washer, Lock)

под заказ140 руб.
1836617-93J00-000

Кронштейн жгута проводов - Bracket, Harness (Bracket, Harness)

под заказ190 руб.
1936617-93J10-000

Кронштейн жгута проводов - Bracket, Harness (Bracket, ptt cable clip ) (Bracket, Harness)

под заказ190 руб.
2036617-98J00-000

Кронштейн жгута проводов - Bracket, Harness (Bracket, Harness)

под заказ700 руб.
2101550-06127-000

Болт - Bolt (Bolt, rect ) (Bolt)

10 шт180 руб.
2209403-20308-000

Струбцина - Clamp (Clamp)

4 шт270 руб.
2309407-14407-000

Струбцина (l: 145) - Clamp (l:145) (Band ) (Clamp (l:145))

9 шт230 руб.
2409408-00008-000

Зажим (id: 20) - Clip (id:20) (Clamp, vacuum hose ) (Clip (id:20))

под заказ150 руб.
2509408-00184-000

Струбцина - Clamp (Clamp)

под заказ220 руб.
2609408-00012-000

Зажим (id: 11.5) - Clip (id:115) (Clamp, stop switch lead (id:11.5) ) (Clip (id:11.5))

под заказ150 руб.
2709408-00008-000

Зажим (id: 20) - Clip (id:20) (Clamp, vacuum hose ) (Clip (id:20))

под заказ150 руб.
2801550-06127-000

Болт - Bolt (Bolt, rect ) (Bolt)

10 шт180 руб.
2936625-98J10-000

Провод аккумулятора - Wire Assy, Battery (OPT ) (Wire Assy, Battery)

под заказ8690 руб.
3009481-30501-000

Предохранитель (30a) - Fuse (30a) (OPT ) (Fuse (30a))

8 шт270 руб.


Время выполнения запроса 2.1488590240479 сек.

 
 

данный сайт носит информационный характер и не является публичной офертой

склад запчастей для водомоторной техники