| |
 |
|
 |
Вернуться к выбору узлов мотора
ДЕТАЛИРОВКА ДЛЯ МОДЕЛИ: SUZUKI DF300AP FROM 30002P-410001~ (E01,E40)
Опции: жгут проводов
Код модели двигателя: DF300APX/XX
Год выпуска двигателя: 2014
Регион: General Export No.1/Costa Rica ,Код региона: P01/P40
Цвет: Shadow Black Metallic
Номер на рисунке | Артикул | Наименование | QTY | Кол-во на складе | Цена |
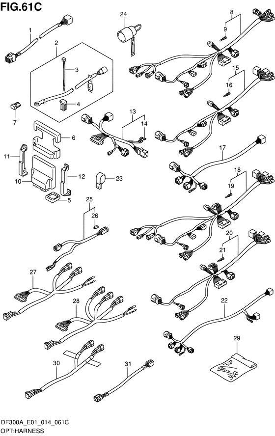
| 1 | 36620-98J50-000 | Удлинитель провода дистанционного управления - Wire Assy, Remocon Ext (Wire Assy, Remocon Ext) | | под заказ | 14740 руб. |
| 1 | 36620-98J53-000 | (актуальный код замены) Удлинитель провода дистанционного управления - Wire Assy, Remote Control Ext | | 5 шт | 16060 руб. |
| 2 | 33830-98J10-000 | Провод изолятора батареи, установочный комплект - Set, Battery Isolator Lead (Set, Battery Isolator Lead) | | под заказ | 14120 руб. |
| 2 | 33830-98J11-000 | (актуальный код замены) Провод изолятора батареи, установочный комплект - Set, Battery Isolator Lead | | под заказ | 14120 руб. |
| 2 | 33830-98J11-000 | Провод изолятора батареи, установочный комплект - Set, Battery Isolator Lead (Set, Battery Isolator Lead) | | под заказ | 14120 руб. |
| 3 | 09407-10404-000 | Струбцина (l: 100) - Clamp (l:100) (Clamp, battery lead (l:96) ) (Clamp (l:100)) | | под заказ | 190 руб. |
| 4 | 09481-40401-000 | Предохранитель (40a) - Fuse (40a) (Fuse (40a)) | | 8 шт | 700 руб. |
| 5 | 33911-88BL0-000 | Колпачок резинки - Cap, Rubber (Cap, Rubber) | | под заказ | 870 руб. |
| 6 | 33925-93J00-000 | Подушка модуля управления двигателем - Cushion, Engine Control Unit (Cushion, engine control unit ) (Cushion, Engine Control Unit) | | под заказ | 820 руб. |
| 7 | 33926-98J00-000 | Resistor, Клемма - Resistor, Terminal (Resistor, Terminal) | | 3 шт | 600 руб. |
| 8 | 36623-98J20-000 | Жгут проводов в сборе, Bcm №1 для Sngl - Harness Assy, Bcm No1 For Sngl (Harness Assy, Bcm No.1 For Sngl) | | под заказ | 38160 руб. |
| 8 | 36623-98J21-000 | (актуальный код замены) Жгут проводов в сборе, Bcm №1 для Sngl - Harness Assy, Bcm No.1 For Sngl | | 1 шт | 38160 руб. |
| 9 | 36615-96300-000 | Клемма - Terminal (Terminal) | | под заказ | 120 руб. |
| 10 | 36770-98J10-000 | Контроллер в сборе, Boat Electric - Controller Assy, Boat Electric (Controller Assy, Boat Electric) | | под заказ | 64320 руб. |
| 10 | 36770-98J13-000 | (актуальный код замены) Контроллер в сборе, Boat Electric - Controller Assy, Boat Electric | | под заказ | 64320 руб. |
| 10 | 36770-98J11-000 | Контроллер в сборе, Boat Electric - Controller Assy, Boat Electric (Controller Assy, Boat Electric) | | под заказ | 64320 руб. |
| 10 | 36770-98J13-000 | (актуальный код замены) Контроллер в сборе, Boat Electric - Controller Assy, Boat Electric | | под заказ | 64320 руб. |
| 11 | 36775-98J00-000 | Держатель, Bcm, L - Holder, Bcm, L (Holder, Bcm, L) | | под заказ | 240 руб. |
| 12 | 36776-98J00-000 | Держатель, Bcm, R - Holder, Bcm, R (Holder, Bcm, R) | | под заказ | 240 руб. |
| 13 | 36622-98J00-000 | Жгут проводов на две станции Main - Harness Assy, Dual Station Main (Harness assy, dual station main ) (Harness Assy, Dual Station Main) | | под заказ | 17860 руб. |
| 14 | 09481-10501-000 | Предохранитель (10a) - Fuse (10a) (Fuse (10a)) | | 5 шт | 250 руб. |
| 15 | 36624-98J02-000 | Жгут проводов в сборе, Bcm №2 для Sngl - Harness Assy, Bcm No2 For Sngl (Harness Assy, Bcm No.2 For Sngl) | | под заказ | 28080 руб. |
| 16 | 36615-96300-000 | Клемма - Terminal (Terminal) | | под заказ | 120 руб. |
| 17 | 36621-98J00-000 | Жгут проводов в сборе, Dual Двигатель - Harness Assy, Dual Engine (Harness Assy, Dual Engine) | | под заказ | 17000 руб. |
| 18 | 36623-98J30-000 | Жгут проводов в сборе, Bcm №1 для Mult - Harness Assy, Bcm No1 For Mult (Harness Assy, Bcm No.1 For Mult) | | под заказ | 52320 руб. |
| 19 | 36615-96300-000 | Клемма - Terminal (Terminal) | | под заказ | 120 руб. |
| 20 | 36624-98J11-000 | Жгут проводов в сборе, Bcm №2 для Mult - Harness Assy, Bcm No2 For Mult (Harness Assy, Bcm No.2 For Mult) | | под заказ | 36000 руб. |
| 21 | 36615-96300-000 | Клемма - Terminal (Terminal) | | под заказ | 120 руб. |
| 22 | 36621-98J10-000 | Жгут проводов в сборе, Triple Двигатель - Harness Assy, Triple Engine (Harness Assy, Triple Engine) | | под заказ | 23960 руб. |
| 23 | 09403-13402-000 | Струбцина (id: 13) - Clamp (id:13) (Clamp (id:13)) | | под заказ | 220 руб. |
| 24 | 36612-98J01-000 | Коннектор выбора счетчика (grn) - Connector, Counter Select (grn) (UP TO VIN.410092 ) (Connector, Counter Select (grn)) | | под заказ | 1500 руб. |
| 24 | 36612-98J20-000 | Коннектор выбора счетчика (wht) - Connector, Counter Select (wht) (FROM VIN.410093 ) (Connector, Counter Select (wht)) | | 2 шт | 1500 руб. |
| 25 | 36661-98J10-000 | Адаптер интерфейса для одномоторной установки - Adapter, Interface Single (Adapter, Interface Single) | | 2 шт | 6870 руб. |
| 26 | 09481-05501-000 | Предохранитель (5a) - Fuse (5a) (Fuse (5a)) | | под заказ | 160 руб. |
| 27 | 36661-98J20-000 | Adapter, Interface Dual - Adapter, Interface Dual (Adapter, Interface Dual) | | под заказ | 8930 руб. |
| 28 | 36661-98J30-000 | Adapter, Interface Triple - Adapter, Interface Triple (Adapter, Interface Triple) | | под заказ | 8880 руб. |
| 29 | 36990-87D00-000 | Клемма / Гильза Set - Terminal / Sleeve Set (Terminal & sleeve set ) (Terminal / Sleeve Set) | | 1 шт | 1720 руб. |
| 30 | 36667-87L00-000 | Адаптер прибора для Mult - Adapter, Gauge For Mult (Adapter, Gauge For Mult) | | под заказ | 0 руб. |
| 31 | 36682-92E00-000 | Провод указателя трима (l: 6500) - Wire, Trim Meter Ext (l:6500) (Wire, trim gauge ext ) (Wire, Trim Meter Ext (l:6500)) | | 2 шт | 10800 руб. |
Время выполнения запроса 2.7380168437958 сек. |
|