| |
 |
|
 |
Вернуться к выбору узлов мотора
ДЕТАЛИРОВКА ДЛЯ МОДЕЛИ: SUZUKI DF300TK7(E1) K7
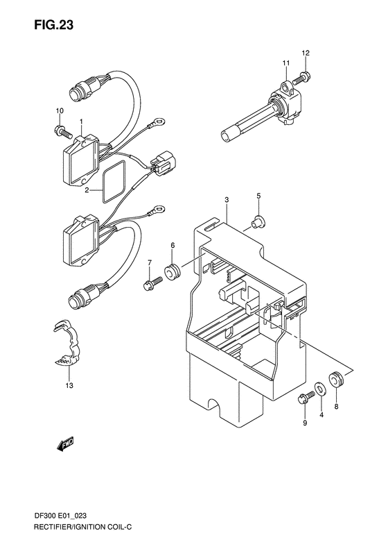
Выпрямитель / Катушка зажигания
Год выпуска двигателя: 2007
Номер на рисунке | Артикул | Наименование | QTY | Кол-во на складе | Цена |
| 1 | 32800-98J01-000 | Выпрямитель & Регулятор в сборе - Rectifier & Regulator Assy (Rectifier & Regulator Assy) | | под заказ | 41520 руб. |
| 2 | 32805-93J00-000 | Уплотнительное кольцо, Rect & Регулятор - O Ring, Rect & Regulator (O Ring, Rect & Regulator) | | под заказ | 370 руб. |
| 3 | 32890-98J01-000 | Держатель электрических частей - Holder, Electric Parts (Holder, Electric Parts) | | под заказ | 3030 руб. |
| 4 | 09160-06134-000 | Шайба (6.5x24x1.6) - Washer (65x24x16) (Washer, holder ) (Washer (6.5x24x1.6)) | | под заказ | 150 руб. |
| 5 | 09169-06062-000 | Шайба - Washer (Washer # Washer, holder; ) (Washer) | | под заказ | 190 руб. |
| 6 | 09320-09016-000 | Подушка - Cushion (Cushion, holder # Cushion, holder; ) (Cushion) | | 10 шт | 190 руб. |
| 7 | 09116-06202-000 | Болт (6x25) - Bolt (6x25) (Bolt (w/washer) # Bolt, holder (w/washer); ) (Bolt (6x25)) | | под заказ | 250 руб. |
| 8 | 09320-12076-000 | Подушка - Cushion (Cushion) | | под заказ | 150 руб. |
| 8 | 09320-12095-000 | (актуальный код замены) Подушка - Cushion | | под заказ | 150 руб. |
| 9 | 01550-06127-000 | Болт - Bolt (Bolt, rect # Bolt, holder; ) (Bolt) | | 10 шт | 180 руб. |
| 10 | 01550-06257-000 | Болт - Bolt (Bolt, rectifier & regulator; ) (Bolt) | | под заказ | 180 руб. |
| 11 | 33410-93J00-000 | Катушка зажигания в сборе - Coil Assy, Ignition (Coil Assy, Ignition) | | 6 шт | 15000 руб. |
| 12 | 01550-06207-000 | Болт - Bolt (Bolt) | | 17 шт | 220 руб. |
| 13 | 09408-00184-000 | Струбцина - Clamp (Clamp, regulator lead; ) (Clamp) | | под заказ | 220 руб. |
Время выполнения запроса 0.69270205497742 сек. |
|