Подобрать запчасти на подвесной мотор Suzuki - Cylinder block
вконтакте

Контактный телефон: +7 (981) 121-46-93, +7 (800) 200-90-76 , Email: parts-katalog@yandex.ru, где купить

 
 

  Логин:

Пароль:

Регистрация

www.partskatalog.ru Все каталоги Запчасти Mercury Запчасти Suzuki Запчасти Tohatsu Запчасти Honda Контакты



УВАЖАЕМЫЕ КЛИЕНТЫ!
C 19 ДЕКАБРЯ 2025 ПО 02 МАРТА 2026 ГОДА ОТДЕЛ ЗАПЧАСТЕЙ И СЕРВИС РАБОТАТЬ НЕ БУДУТ
ПРОДАЖА ЛОДОЧНЫХ МОТОРОВ В ШТАТНОМ РЕЖИМЕ
ОБ ИЗМЕНЕНИЯХ В ГРАФИКЕ РАБОТЫ ЧИТАЙТЕ НА САЙТА



назад Раздел:   вперёд

Вернуться к выбору узлов мотора


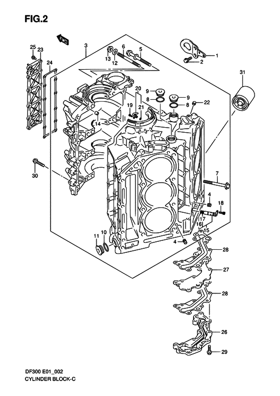
ДЕТАЛИРОВКА ДЛЯ МОДЕЛИ: SUZUKI DF300T K8

Блок цилиндра


Год выпуска двигателя: 2008

Номер на
рисунке
АртикулНаименованиеQTYКол-во
на складе
Цена
111293-98J00-000

Крюк двигателя Fr - Hook, Engine Fr (Hook, Engine Fr)

под заказ1440 руб.
201550-08207-000

Болт - Bolt (Bolt)

10 шт240 руб.
311301-98J01-000

Блок цилиндра - Block Set, Cylinder (Block Set, Cylinder)

под заказ524640 руб.
311301-98J03-000

   (актуальный код замены) Блок цилиндра - Block Set, Cylinder

под заказ524640 руб.
311301-98J03-000

Блок цилиндра - Block Set, Cylinder (Block Set, Cylinder)

под заказ524640 руб.
311301-98J03-000

Блок цилиндра - Block Set, Cylinder (DF300T:010542~ DF300Z:010268~ ) (Block Set, Cylinder)

под заказ524640 руб.
311301-98J21-000

Блок цилиндра - Block Set, Cylinder (DF300T:110001~ DF300Z:110001~ ) (Block Set, Cylinder)

под заказ629760 руб.
411112-93J00-000

Заглушка масляной трубки Вентури - Plug, Oil Venturi (Plug, Oil Venturi)

под заказ400 руб.
511117-93J01-000

Болт картера двигателя - Bolt, Crankcase (Bolt, Crankcase)

под заказ640 руб.
511117-93J10-000

   (актуальный код замены) Болт картера двигателя - Bolt, Crankcase

под заказ640 руб.
511117-93J10-000

Болт картера двигателя - Bolt, Crankcase (Bolt, Crankcase)

под заказ640 руб.
511117-93J10-000

Болт картера двигателя - Bolt, Crankcase (DF300T:010542~ DF300Z:010268~ ) (Bolt, Crankcase)

под заказ640 руб.
611117-98J00-000

Болт картера двигателя Шпилька - Bolt, Crankcase Stud (Bolt, Crankcase Stud)

под заказ1320 руб.
611117-98J10-000

   (актуальный код замены) Болт картера двигателя Шпилька - Bolt, Crankcase Stud

под заказ1320 руб.
611117-98J10-000

Болт картера двигателя Шпилька - Bolt, Crankcase Stud (Bolt, Crankcase Stud)

под заказ1320 руб.
611117-98J10-000

Болт картера двигателя Шпилька - Bolt, Crankcase Stud (DF300T:010542~ DF300Z:010268~ ) (Bolt, Crankcase Stud)

под заказ1320 руб.
711119-93J00-000

Болты головки цилиндра - Bolt, Cylinder Head (Bolt, Cylinder Head)

под заказ680 руб.
811217-85FA0-000

Прокладка, M26 Заглушка - Gasket, M26 Plug (Gasket, M26 Plug)

под заказ320 руб.
909248-26001-000

Заглушка, M26 - Plug, M26 (Plug, M26)

под заказ1110 руб.
1009160-18031-000

Шайба (18.5x28x2.6) - Washer (185x28x26) (Washer (18.5x28x2.6))

12 шт190 руб.
1109248-18006-000

Заглушка (18x8) - Plug (18x8) (Plug (18x8))

под заказ460 руб.
1209159-10116-000

Гайка - Nut (Nut)

под заказ200 руб.
1309160-10142-000

Шайба (10x20x2.3) - Washer (10x20x23) (Washer, crankcase bolt # DF300T:~010541 DF300Z:~010267 ) (Washer (10x20x2.3))

под заказ170 руб.
1409206-13019-000

Штифт (10.4x13x16) - Pin (104x13x16) (Pin (10.4x13x16))

под заказ180 руб.
1516700-93J00-000

Клапан форсунки поршня - Valve, Piston Jet (Valve, Piston Jet)

под заказ3920 руб.
1609280-10009-000

Уплотнительное кольцо (d: 1.3, Id: 9.8) - O Ring (d:13, Id:98) (O Ring (d:1.3, Id:9.8))

7 шт150 руб.
1709280-10016-000

Уплотнительное кольцо (d: 1.9, Id: 9.8) - O Ring (d:19, Id:98) (O ring ) (O Ring (d:1.9, Id:9.8))

8 шт330 руб.
1807130-0616A-000

Болт - Bolt (Bolt, piston jet valve ) (Bolt)

под заказ190 руб.
1907130-0510A-000

Болт - Bolt (Bolt, piston cooling jet ) (Bolt)

под заказ170 руб.
2011390-98J00-000

Форсунка охлаждения поршня - Jet, Piston Cooling (Jet, Piston Cooling)

под заказ3890 руб.
2109280-06005-000

Уплотнительное кольцо (d: 1.9, Id: 5.7) - O Ring (d:19, Id:57) (O ring ) (O Ring (d:1.9, Id:5.7))

под заказ120 руб.
2209246-05006-000

Заглушка (1 / 8pt, H: 5.5) - Plug (1/8pt, H:55) (Plug (1/8pt, H:5.5))

под заказ260 руб.
2311330-93J01-000

Крышка рубашки охлаждения картера двигателя - Cover, Crankcase Wtr Jkt (Cover, Crankcase Wtr Jkt)

под заказ13780 руб.
2411332-93J00-000

Прокладка водяной рубашки охлаждения картера Крышка - Gasket, Crankcase Wtr Jkt Cover (Gasket, wtr jkt cover ) (Gasket, Crankcase Wtr Jkt Cover)

1 шт1050 руб.
2501550-06207-000

Болт - Bolt (Bolt)

17 шт220 руб.
2616430-93J00-000

Крышка масляной галерии - Cover, Oil Gallery (Cover, Oil Gallery)

под заказ9080 руб.
2716431-93J00-000

Пластина масляной галерии - Plate, Oil Gallery (Plate, Oil Gallery)

под заказ1440 руб.
2816433-93J00-000

Прокладка масляной галерии - Gasket, Oil Gallery (Gasket, Oil Gallery)

под заказ730 руб.
2901550-0835A-000

Болт - Bolt (Bolt)

под заказ230 руб.
3001550-08457-000

Болт - Bolt (Bolt, cyl head no.5 ) (Bolt)

под заказ260 руб.
3116510-96J00-000

Масляный фильтр - Filter Assy, Oil (Filter Assy, Oil)

1 шт2930 руб.
31HF682

   (не оригинальный аналог) Масляный фильтр Hiflo HF682 (аналог 16510-61A31, 16510-96J00, 16510-96J10 и др.)

под заказ1200 руб.
3116510-96J11-000

   (актуальный код замены) Масляный фильтр - Filter Assy, Oil

43 шт2770 руб.


Время выполнения запроса 1.0746722221375 сек.

 
 

данный сайт носит информационный характер и не является публичной офертой

склад запчастей для водомоторной техники