Купить запчасти на подвесной мотор Suzuki DF300(Z)TX/XX модель 2009 года - Трансмиссия / Transmission
вконтакте

Контактный телефон: +7 (981) 121-46-93, +7 (800) 200-90-76 , Email: parts-katalog@yandex.ru, где купить

 
 

  Логин:

Пароль:

Регистрация

www.partskatalog.ru Все каталоги Запчасти Mercury Запчасти Suzuki Запчасти Tohatsu Запчасти Honda Контакты



УВАЖАЕМЫЕ КЛИЕНТЫ!
C 19 ДЕКАБРЯ 2025 ПО 02 МАРТА 2026 ГОДА ОТДЕЛ ЗАПЧАСТЕЙ И СЕРВИС РАБОТАТЬ НЕ БУДУТ
ПРОДАЖА ЛОДОЧНЫХ МОТОРОВ В ШТАТНОМ РЕЖИМЕ
ОБ ИЗМЕНЕНИЯХ В ГРАФИКЕ РАБОТЫ ЧИТАЙТЕ НА САЙТА



назад Раздел:   вперёд

Вернуться к выбору узлов мотора


ДЕТАЛИРОВКА ДЛЯ МОДЕЛИ: SUZUKI DF300ZK9(E1) K9

Трансмиссия


Код модели двигателя: DF300(Z)TX/XX

Год выпуска двигателя: 2009

Регион: General Export No.1 ,Код региона: P01

Цвет: Shadow Black Metallic

Номер на
рисунке
АртикулНаименованиеQTYКол-во
на складе
Цена
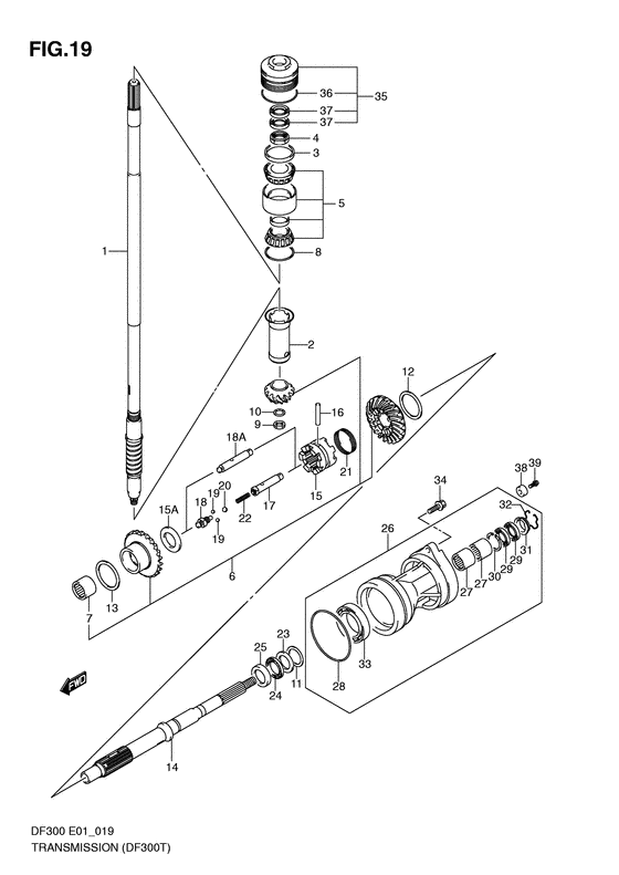
157110-98J01-000

Вал привода (x) - Shaft, Drive (x) (Shaft, drive (x); ) (Shaft, Drive (x))

1 шт83040 руб.
157110-98J11-000

Вал привода (xx) - Shaft, Drive (xx) (Shaft, drive (xx); ) (Shaft, Drive (xx))

под заказ120000 руб.
257133-98J00-000

Воротник приводного вала - Collar, Drive Shaft (Collar, Drive Shaft)

1 шт1330 руб.
357134-93J00-000

Проставка приводного вала Подшипник - Spacer, Drive Shaft Bearing (Spacer, Drive Shaft Bearing)

2 шт2480 руб.
409159-28003-000

Гайка - Nut (Nut, drive shaft bearing (m28) # Nut, drive shaft bearing; ) (Nut)

2 шт4370 руб.
509269-32001-000

Подшипник (32x66x49) - Bearing (32x66x49) (Bearing, drive shaft (32x66x49) # Bearing, drive shaft; ) (Bearing (32x66x49))

под заказ19620 руб.
509269-32002-000

   (актуальный код замены) Подшипник (32x66x49) - Bearing (32x66x49)

4 шт19620 руб.
546T0607052KOYO

   (подбор по маркировке) Подшипник KOYO 46T060705-2(32*66*49 мм)

под заказ0
657300-98820-000

Комплект шестерёнок - Pinion & Gear Set (Pinion & Gear Set)

под заказ140640 руб.
657300-98880-000

   (актуальный код замены) Комплект шестерёнок - Pinion & Gear Set

3 шт140640 руб.
657300-98880-000

Комплект шестерёнок - Pinion & Gear Set (Pinion & Gear Set)

3 шт140640 руб.
657300-98880-000

Комплект шестерёнок - Pinion & Gear Set (Model:10~ ) (Pinion & Gear Set)

3 шт140640 руб.
709263-25067-000

Подшипник (25x32x26) - Bearing (25x32x26) (Bearing, prop shaft forward (25x32x26) # Bearing, prop shaft forward (25x32x26); ) (Bearing (25x32x26))

12 шт2640 руб.
7BM2526KOYO

   (подбор по маркировке) Подшипник KOYO BM2526(25*32*26 мм)

под заказ0
809181-60004-000

Регулировочная шайба (60x66x0.45) - Shim (60x66x045) (Shim (t:0.45); ) (Shim (60x66x0.45))

17 шт560 руб.
809181-60005-000

Регулировочная шайба (60x66x0.5) - Shim (60x66x05) (Shim (t:0.50); ) (Shim (60x66x0.5))

9 шт560 руб.
809181-60006-000

Регулировочная шайба (60x66x0.55) - Shim (60x66x055) (Shim (t:0.55); ) (Shim (60x66x0.55))

3 шт560 руб.
809181-60007-000

Регулировочная шайба (60x66x0.6) - Shim (60x66x06) (Shim (t:0.60); ) (Shim (60x66x0.6))

9 шт560 руб.
809181-60008-000

Регулировочная шайба (60x66x0.65) - Shim (60x66x065) (Shim (t:0.65); ) (Shim (60x66x0.65))

11 шт560 руб.
809181-60009-000

Регулировочная шайба (60x66x0.7) - Shim (60x66x07) (Shim (t:0.70); ) (Shim (60x66x0.7))

11 шт560 руб.
809181-60010-000

Регулировочная шайба (60x66x0.75) - Shim (60x66x075) (Shim (t:0.75); ) (Shim (60x66x0.75))

9 шт560 руб.
809181-60011-000

Регулировочная шайба (60x66x0.8) - Shim (60x66x08) (Shim (t:0.80); ) (Shim (60x66x0.8))

10 шт560 руб.
809181-60012-000

Регулировочная шайба (60x66x0.85) - Shim (60x66x085) (Shim (t:0.85); ) (Shim (60x66x0.85))

3 шт560 руб.
809181-60013-000

Регулировочная шайба (60x66x0.9) - Shim (60x66x09) (Shim (t:0.90); ) (Shim (60x66x0.9))

12 шт560 руб.
909140-16026-000

Гайка - Nut (Nut, pinion # Nut, pinion; ) (Nut)

4 шт410 руб.
1008221-16256-000

Регулировочная шайба - Shim (Washer, pinion nut # Washer, pinion nut; ) (Shim)

9 шт150 руб.
1109160-35015-000

Шайба (35x46x0.6) - Washer (35x46x06) (Washer (35x46x0.6); Prop shaft rev ) (Washer (35x46x0.6))

под заказ500 руб.
1109160-35014-000

Шайба (35x46x0.7) - Washer (35x46x07) (Washer (35x46x0.7); ) (Washer (35x46x0.7))

под заказ500 руб.
1109160-35013-000

Шайба (35x46x0.8) - Washer (35x46x08) (Washer (35x46x0.8); ) (Washer (35x46x0.8))

под заказ500 руб.
1109160-35006-000

Шайба (35x46x0.9) - Washer (35x46x09) (Washer (35x46x0.9); ) (Washer (35x46x0.9))

под заказ250 руб.
1109160-35008-000

Шайба (35x46x0.95) - Washer (35x46x095) (Washer (35x46x0.95) # Washer (35x46x0.95); ) (Washer (35x46x0.95))

под заказ300 руб.
1109160-35002-000

Шайба (35x46x1) - Washer (35x46x1) (Washer (35x46x1.0); ) (Washer (35x46x1))

под заказ240 руб.
1109160-35009-000

Шайба (35x46x1.05) - Washer (35x46x105) (Washer (35x46x1.05); ) (Washer (35x46x1.05))

под заказ300 руб.
1109160-35003-000

Шайба (35x46x1.1) - Washer (35x46x11) (Washer (35x46x1.1); ) (Washer (35x46x1.1))

под заказ300 руб.
1109160-35010-000

Шайба (35x46x1.15) - Washer (35x46x115) (Washer (35x46x1.15); ) (Washer (35x46x1.15))

под заказ290 руб.
1209181-50020-000

Регулировочная шайба (50x65x0.45) - Shim (50x65x045) (Shim (50x65x0.45); Rev gear ) (Shim (50x65x0.45))

17 шт370 руб.
1209181-50021-000

Регулировочная шайба (50x65x0.5) - Shim (50x65x05) (Shim (50x65x0.50); ) (Shim (50x65x0.5))

9 шт370 руб.
1209181-50022-000

Регулировочная шайба (50x65x0.55) - Shim (50x65x055) (Shim (50x65x0.55); ) (Shim (50x65x0.55))

21 шт370 руб.
1209181-50023-000

Регулировочная шайба (50x65x0.6) - Shim (50x65x06) (Shim (50x65x0.60); ) (Shim (50x65x0.6))

10 шт370 руб.
1209181-50024-000

Регулировочная шайба (50x65x0.65) - Shim (50x65x065) (Shim (t:0.65) # Shim (50x65x0.65); ) (Shim (50x65x0.65))

11 шт370 руб.
1209181-50025-000

Регулировочная шайба (50x65x0.7) - Shim (50x65x07) (Shim (t:0.70) # Shim (50x65x0.70); ) (Shim (50x65x0.7))

20 шт370 руб.
1209181-50026-000

Регулировочная шайба (50x65x0.75) - Shim (50x65x075) (Shim (t:0.75) # Shim (50x65x0.75); ) (Shim (50x65x0.75))

12 шт370 руб.
1209181-50027-000

Регулировочная шайба (50x65x0.8) - Shim (50x65x08) (Shim (t:0.80) # Shim (50x65x0.80); ) (Shim (50x65x0.8))

13 шт370 руб.
1209181-50028-000

Регулировочная шайба (50x65x0.85) - Shim (50x65x085) (Shim (t:0.85) # Shim (50x65x0.85); ) (Shim (50x65x0.85))

5 шт370 руб.
1209181-50029-000

Регулировочная шайба (50x65x0.95) - Shim (50x65x095) (Shim (t:0.90) # Shim (50x65x0.90); ) (Shim (50x65x0.95))

13 шт480 руб.
1309181-50020-000

Регулировочная шайба (50x65x0.45) - Shim (50x65x045) (Shim (50x65x0.45); Fwd gear ) (Shim (50x65x0.45))

17 шт370 руб.
1309181-50021-000

Регулировочная шайба (50x65x0.5) - Shim (50x65x05) (Shim (50x65x0.50); ) (Shim (50x65x0.5))

9 шт370 руб.
1309181-50022-000

Регулировочная шайба (50x65x0.55) - Shim (50x65x055) (Shim (50x65x0.55); ) (Shim (50x65x0.55))

21 шт370 руб.
1309181-50023-000

Регулировочная шайба (50x65x0.6) - Shim (50x65x06) (Shim (50x65x0.60); ) (Shim (50x65x0.6))

10 шт370 руб.
1309181-50024-000

Регулировочная шайба (50x65x0.65) - Shim (50x65x065) (Shim (t:0.65) # Shim (50x65x0.65); ) (Shim (50x65x0.65))

11 шт370 руб.
1309181-50025-000

Регулировочная шайба (50x65x0.7) - Shim (50x65x07) (Shim (t:0.70) # Shim (50x65x0.70); ) (Shim (50x65x0.7))

20 шт370 руб.
1309181-50026-000

Регулировочная шайба (50x65x0.75) - Shim (50x65x075) (Shim (t:0.75) # Shim (50x65x0.75); ) (Shim (50x65x0.75))

12 шт370 руб.
1309181-50027-000

Регулировочная шайба (50x65x0.8) - Shim (50x65x08) (Shim (t:0.80) # Shim (50x65x0.80); ) (Shim (50x65x0.8))

13 шт370 руб.
1309181-50028-000

Регулировочная шайба (50x65x0.85) - Shim (50x65x085) (Shim (t:0.85) # Shim (50x65x0.85); ) (Shim (50x65x0.85))

5 шт370 руб.
1309181-50029-000

Регулировочная шайба (50x65x0.95) - Shim (50x65x095) (Shim (t:0.90) # Shim (50x65x0.90); ) (Shim (50x65x0.95))

13 шт480 руб.
1457610-98J00-000

под заказнет сведений
1409160-25019-000

Шайба (25x38x2.5) - Washer (25x38x25) (Washer, forward thrust ) (Washer (25x38x2.5))

10 шт0 руб.
1457610-98J20-000

Вал гребного винта - Shaft, Propeller (Shaft, Propeller)

1 шт55680 руб.
1457610-98J20-000

Вал гребного винта - Shaft, Propeller (Model:08~ ) (Shaft, Propeller)

1 шт55680 руб.
1557621-98J00-000

Переключатель собачки сцепления - Shifter, Clutch Dog (Shifter, Clutch Dog)

под заказ33360 руб.
1557621-98J10-000

   (актуальный код замены) Переключатель собачки сцепления - Shifter, Clutch Dog

под заказ33360 руб.
1557621-98J10-000

Переключатель собачки сцепления - Shifter, Clutch Dog (Shifter, Clutch Dog)

под заказ33360 руб.
1557621-98J10-000

Переключатель собачки сцепления - Shifter, Clutch Dog (Model:08~ ) (Shifter, Clutch Dog)

под заказ33360 руб.
1509160-25080-000

Шайба (25x38x1) - Washer (25x38x1) (Model:08~ ) (Washer (25x38x1))

5 шт1400 руб.
1609202-08011-000

Штифт (8x53) - Pin (8x53) (Pin (8x53))

под заказ950 руб.
1757631-98J00-000

Штифт Set, Коннектор - Pin Set, Connector (Model:07~09, pin set, connector) (Pin Set, Connector)

под заказ5620 руб.
1757630-98810-000

   (актуальный код замены) Штифт Set, Коннектор - Pin Set, Connector

под заказ5620 руб.
1757630-98810-000

Штифт Set, Коннектор - Pin Set, Connector (Pin Set, Connector)

под заказ5620 руб.
1857632-98J00-000

Запчасть снята с производства - The Spare Part Is Laid Off (Model:07~09, pin set, connector) (The Spare Part Is Laid Off)

под заказ0 руб.
1857631-98J10-000

Штифт коннектора - Pin, Connector (Model:10~ ) (Pin, Connector)

под заказ4300 руб.
1906111-07004-000

Шарик - Ball (Ball, detent no.1; ) (Ball)

19 шт100 руб.
2006111-11004-000

Шарик - Ball (Ball, detent no.2; Model:07~09 ) (Ball)

29 шт150 руб.
2109440-56001-000

Пружина - Spring (Spring)

1 шт580 руб.
2209440-09040-000

Пружина - Spring (Spring, detent; ) (Spring)

14 шт280 руб.
2309160-30056-000

Шайба (32x47x3) - Washer (32x47x3) (Washer (32x47x3.0) # Washer, prop rev (32x47x3); ) (Washer (32x47x3))

под заказ2500 руб.
2409269-30014-000

Подшипник (30x47x2) - Bearing (30x47x2) (Bearing (30x47x2.0) # Bearing, prop shaft rev thrust (30x47x2); ) (Bearing (30x47x2))

1 шт1320 руб.
2509160-30055-000

Шайба (30x47x6) - Washer (30x47x6) (Washer (30x47x6.0) # Washer, prop rev (30x47x6); ) (Washer (30x47x6))

под заказ8210 руб.
2656120-98J00-0EP

Корпус подшипника вала гребного винта (bl) - Housing, Propeller Sft Brg (bl) (Housing, prop sft brg (black); ) (Housing, Propeller Sft Brg (bl))

3 шт66240 руб.
2656120-98J01-0EP

   (актуальный код замены) Корпус подшипника вала гребного винта (обойма) (чёрный) - Housing, Prop Shaft Brg (black)

под заказ66240 руб.
2709263-30023-000

Подшипник (30x40x25) - Bearing (30x40x25) (Bearing (30x40x25) ) (Bearing (30x40x25))

под заказ3930 руб.
2709263-30063-000

   (актуальный код замены) Подшипник (30x40x25) - Bearing (30x40x25)

9 шт4430 руб.
277EHMK3025NTN

   (подбор по маркировке) Подшипник NTN 7E-HMK 3025(30*40*25 мм)

под заказ0
2809280-00040-000

Уплотнительное кольцо (d: 3.1, Id: 104.4) - O Ring (d:31, Id:1044) (O ring (id:104.4, dd:3.1) # O ring (d:3.1, id:104.4); ) (O Ring (d:3.1, Id:104.4))

23 шт870 руб.
2909282-30006-000

Сальник (30x45x6) - Seal, Oil (30x45x6) (Seal, oil (30x45x6) ) (Seal, Oil (30x45x6))

115 шт720 руб.
3009381-40003-000

Стопорное кольцо - Circlip (Circlip)

7 шт420 руб.
3156123-93J00-000

Защитный сальник - Protector, Oil Seal (Protector, Oil Seal)

6 шт690 руб.
3209387-45001-000

Кольцо - Ring (Circlip # Ring, prop shaft oil seal; ) (Ring)

14 шт290 руб.
3308113-62100-000

Подшипник - Bearing (Bearing, reverse gear; ) (Bearing)

под заказ5380 руб.
3409116-10145-000

Болт (10x35) - Bolt (10x35) (Bolt (10x35))

под заказ640 руб.
3409116-10177-000

   (актуальный код замены) Болт (10x35) - Bolt (10x35)

под заказ640 руб.
3409116-10177-000

Болт (10x35) - Bolt (10x35) (Bolt (10x35))

под заказ640 руб.
3556130-93J00-000

Корпус подшипника приводного вала - Housing, Drive Shaft Brg (Housing, Drive Shaft Brg)

под заказ14400 руб.
3556130-93J02-000

   (актуальный код замены) Корпус подшипника приводного вала - Housing, Drive Shaft Brg

2 шт14400 руб.
3556130-93J02-000

Корпус подшипника приводного вала - Housing, Drive Shaft Brg (Housing, Drive Shaft Brg)

2 шт14400 руб.
3609280-66004-000

Уплотнительное кольцо (d: 3.1, Id: 65.4) - O Ring (d:31, Id:654) (O ring (id:65.4, dd:3.1) # O ring (d:3.1, id:65.4); ) (O Ring (d:3.1, Id:65.4))

3 шт690 руб.
36SK09280-66004

   (не оригинальный аналог) Кольцо уплотнительное ведущего вала Skipper для Suzuki Модель техники: DF150-DF300

0 шт127 руб.
3709282-24004-000

Сальник (24x40x7) - Seal, Oil (24x40x7) (Oil seal ) (Seal, Oil (24x40x7))

76 шт870 руб.
3709282-24008-000

   (актуальный код замены) Сальник (24x40x7) - Seal, Oil (24x40x7)

76 шт700 руб.
37SK09282-24004

   (не оригинальный аналог) Сальник ведущего вала Skipper для Suzuki Модели техники: DF90-350HP

0 шт176 руб.
3855321-87J00-000

Защитный анод - Anode, Protection (Anode, Protection)

1 шт750 руб.
3855321-87J01-000

   (актуальный код замены) Защитный анод - Anode, Protection

под заказ850 руб.
38SMO-55321-87J01-000

   (не оригинальный аналог) Защитный анод SMO-55321-87J01-000 (оригинал)

под заказ590 руб.
38SMO-55321-87J01-000

  (аналог) Защитный анод SMO-55321-87J01-000 (оригинал) - код 55321-87J01-000

 под заказ шт585 руб.
3855321-87J01-000

Защитный анод - Anode, Protection (Anode, Protection)

под заказ850 руб.
38SMO-55321-87J01-000

  (аналог) Защитный анод SMO-55321-87J01-000 (оригинал) - код 55321-87J01-000

 под заказ шт585 руб.
3909103-06281-000

Болт (6x14) - Bolt (6x14) (Bolt, protection anode # Bolt, anode protection; ) (Bolt (6x14))

6 шт270 руб.


Время выполнения запроса 2.1707918643951 сек.

 
 

данный сайт носит информационный характер и не является публичной офертой

склад запчастей для водомоторной техники