Подобрать оригинальные запчасти Сузуки DF300(Z)TX/XX модель 2010 года - Дроссель газа - Throttle body
вконтакте

Контактный телефон: +7 (981) 121-46-93, +7 (800) 200-90-76 , Email: parts-katalog@yandex.ru, где купить

 
 

  Логин:

Пароль:

Регистрация

www.partskatalog.ru Все каталоги Запчасти Mercury Запчасти Suzuki Запчасти Tohatsu Запчасти Honda Контакты



УВАЖАЕМЫЕ КЛИЕНТЫ!
C 19 ДЕКАБРЯ 2025 ПО 02 МАРТА 2026 ГОДА ОТДЕЛ ЗАПЧАСТЕЙ И СЕРВИС РАБОТАТЬ НЕ БУДУТ
ПРОДАЖА ЛОДОЧНЫХ МОТОРОВ В ШТАТНОМ РЕЖИМЕ
ОБ ИЗМЕНЕНИЯХ В ГРАФИКЕ РАБОТЫ ЧИТАЙТЕ НА САЙТА



назад Раздел:   вперёд

Вернуться к выбору узлов мотора


ДЕТАЛИРОВКА ДЛЯ МОДЕЛИ: SUZUKI DF300T(E1) PRD

Дроссель газа


Код модели двигателя: DF300(Z)TX/XX

Год выпуска двигателя: 2010

Регион: General Export No.1 ,Код региона: P01

Цвет: Shadow Black Metallic

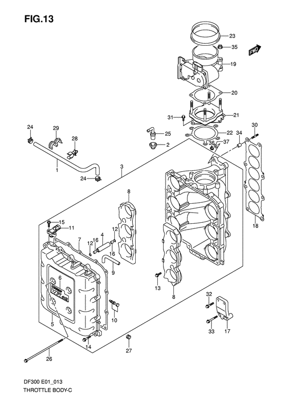
Номер на
рисунке
АртикулНаименованиеQTYКол-во
на складе
Цена
111193-98J00-000

Шланг, Pcv - Hose, Pcv (Hose, Pcv)

под заказ1540 руб.
111193-98J01-000

   (актуальный код замены) Шланг, Pcv - Hose, Pcv

под заказ1540 руб.
211198-58B00-000

Сальник клапана PCV - Seal, Pcv Valve (Seal, pcv valve ) (Seal, Pcv Valve)

под заказ460 руб.
313100-98J01-000

Коллектор в сборе - Collector Assy (Collector Assy)

под заказ237120 руб.
313100-98J03-000

   (актуальный код замены) Коллектор в сборе - Collector Assy

под заказ237120 руб.
413137-98J00-000

Проставка коллектора - Spacer, Collector (Spacer, Collector)

под заказ3480 руб.
513140-98J01-000

Крышка коллектора - Cover, Collector (Cover, Collector)

под заказ59040 руб.
513140-98J02-000

   (актуальный код замены) Крышка коллектора - Cover, Collector

под заказ59040 руб.
661436-98J00-000

Маркировка, Эмблема V6 (4.0l) - Mark, Emblem V6 (40l) (Mark, emblem v6 (4.0l); ) (Mark, Emblem V6 (4.0l))

под заказ4400 руб.
661436-98J01-000

   (актуальный код замены) Маркировка, Эмблема V6 (4.0l) - Mark, Emblem V6 (4.0l)

под заказ4400 руб.
713147-98J00-000

Прокладка крышки коллектора - Gasket, Collector Cover (Gasket, Collector Cover)

под заказ7590 руб.
813180-98J00-000

Воронка воздушного коллектора - Funnel, Air Collector (Funnel, Air Collector)

под заказ8500 руб.
813180-98J01-000

   (актуальный код замены) Воронка воздушного коллектора - Funnel, Air Collector

под заказ8500 руб.
913312-98J00-000

Топливный шланг (Фильтр To Помпа) - Hose, Fuel (filter To Pump) (Model:07) (Hose, Fuel (filter To Pump))

под заказ1910 руб.
915192-90J11-000

   (актуальный код замены) Топливный шланг (Фильтр To Помпа) - Hose, Fuel (filter To Pump)

под заказ1910 руб.
915192-90J11-000

Топливный шланг (Фильтр To Помпа) - Hose, Fuel (filter To Pump) (Hose, Fuel (filter To Pump))

под заказ1910 руб.
1013350-99E00-000

Набор винтов, Air Bypass - Screw Set, Air Bypass (Model:07 ) (Screw Set, Air Bypass)

под заказ1110 руб.
1118590-68H00-000

Датчик давления - Sensor, Pressure (Sensor, pressure ) (Sensor, Pressure)

1 шт28560 руб.
1209280-10009-000

Уплотнительное кольцо (d: 1.3, Id: 9.8) - O Ring (d:13, Id:98) (O-ring, collector; ) (O Ring (d:1.3, Id:9.8))

7 шт150 руб.
1301550-08167-000

Болт - Bolt (Bolt (8x16) # Bolt, funnel; ) (Bolt)

8 шт210 руб.
1401550-08357-000

Болт - Bolt (Bolt, collector cover; ) (Bolt)

под заказ260 руб.
1502162-05207-000

Винт - Screw (Screw, pressure sensor; ) (Screw)

под заказ150 руб.
1604211-11129-000

Штифт - Pin (Pin, spacer dowel; ) (Pin)

14 шт150 руб.
1713134-98J00-000

Кронштейн, Коллектор - Bracket, Collector (Bracket, Collector)

под заказ4900 руб.
1813139-98J00-000

Прокладка, Коллектор - Gasket, Collector (Gasket, Collector)

под заказ3220 руб.
1813139-98J01-000

   (актуальный код замены) Прокладка, Коллектор - Gasket, Collector

1 шт3220 руб.
1913310-98J00-000

Корпус дросселя - Body Assy, Throttle (Body Assy, Throttle)

под заказ83040 руб.
1913310-98J01-000

   (актуальный код замены) Корпус дросселя - Body Assy, Throttle

под заказ83040 руб.
2013343-98J00-000

Прокладка корпуса дросселя - Gasket, Throttle Body (Gasket, Throttle Body)

под заказ5000 руб.
2013343-98J10-000

   (актуальный код замены) Прокладка корпуса дросселя - Gasket, Throttle Body

под заказ5000 руб.
2013343-98J10-000

Прокладка корпуса дросселя - Gasket, Throttle Body (Gasket, Throttle Body)

под заказ5000 руб.
2013343-98J10-000

Прокладка корпуса дросселя - Gasket, Throttle Body (Model:08~ ) (Gasket, Throttle Body)

под заказ5000 руб.
2113315-98J00-000

Демфер корпуса дросселя - Damper, Throttle Body (Damper, Throttle Body)

под заказ15320 руб.
2113315-98J01-000

   (актуальный код замены) Демфер корпуса дросселя - Damper, Throttle Body

под заказ15320 руб.
2213421-98J00-000

Прокладка корпуса дросселя - Gasket, Throttle Body (Gasket, Throttle Body)

под заказ990 руб.
2213421-98L00-000

   (актуальный код замены) Прокладка корпуса дросселя - Gasket, Throttle Body

1 шт990 руб.
2313813-98J00-000

Пыльник, Дроссель газа - Grommet, Throttle Body (Grommet, Throttle Body)

под заказ1200 руб.
2313813-98J01-000

   (актуальный код замены) Пыльник, Дроссель газа - Grommet, Throttle Body

под заказ1200 руб.
2409401-13423-000

Зажим - Clip (Clip, pcv hose; ) (Clip)

10 шт230 руб.
2518118-93J00-000

Клапан PCV (система принудительной вентиляции картерных газов) - Valve, Pcv (Valve, Pcv)

под заказ1970 руб.
2609103-08370-000

Болт (8x250) - Bolt (8x250) (Bolt, collector l ) (Bolt (8x250))

под заказ980 руб.
2709320-08076-000

Пыльник - Grommet (Grommet, guide air # Grommet, air duct; ) (Grommet)

под заказ440 руб.
2709320-08517-000

   (актуальный код замены) Подушка, Держатель кабеля - Cushion, Cable Holder

под заказ440 руб.
2809403-13310-000

Струбцина - Clamp (Clamp)

под заказ250 руб.
2909408-00201-000

Струбцина - Clamp (Clamp)

под заказ370 руб.
3001421-08357-000

Болт под шпильку - Bolt, Stud (Bolt, Stud)

под заказ330 руб.
3101550-08167-000

Болт - Bolt (Bolt (8x16) # Bolt, throttle body; ) (Bolt)

8 шт210 руб.
3201550-08357-000

Болт - Bolt (Bolt, collector brkt no.1; ) (Bolt)

под заказ260 руб.
3301550-08607-000

Болт - Bolt (Bolt, throttle body # Bolt, collector brkt no.2; ) (Bolt)

под заказ290 руб.
3404211-11129-000

Штифт - Pin (Pin, collector dowel; ) (Pin)

14 шт150 руб.
3509159-08136-000

Гайка - Nut (Nut (m8) # Nut, throttle body; ) (Nut)

под заказ190 руб.
3608316-10087-000

Гайка - Nut (Nut, collector; ) (Nut)

14 шт170 руб.
3709160-08161-000

Шайба (8.2x23x3.2) - Washer (82x23x32) (Washer, collector (8.2x23x3.2); ) (Washer (8.2x23x3.2))

под заказ440 руб.


Время выполнения запроса 1.6426360607147 сек.

 
 

данный сайт носит информационный характер и не является публичной офертой

склад запчастей для водомоторной техники